СИСТЕМА ECD (для моделей без охладителя РОГ), Diagnostic DTC:P0489, P0490

Код DTC Наименование DTC
P0489 Низкий уровень сигнала в цепи управления рециркуляцией отработавших газов
P0490 Высокий уровень сигнала в цепи управления рециркуляцией отработавших газов

ОПИСАНИЕ

Система РОГ обеспечивает рециркуляцию отработавших газов при всех режимах движения. Отработавшие газы смешиваются с воздухом на впуске, благодаря чему система РОГ может замедлить процесс сгорания и понизить температуру сгорания. Это способствует снижению содержания оксидов азота (NOx) в отработавших газах.

Для повышения производительности системы РОГ ECM регулирует подъем клапана РОГ и угол поворота дроссельной заслонки.

№ DTC Условие обнаружения DTC Неисправный участок
P0489

Обрыв или короткое замыкание в цепи клапана E-VRV в течение 5 с или более

(логика диагностирования за 1 поездку)


  • E-VRV

  • Обрыв или короткое замыкание в цепи клапана Е-VRV

  • ECM

P0490

Обрыв или короткое замыкание в цепи клапана E-VRV в течение 5 с или более

(логика диагностирования за 1 поездку)


  • E-VRV

  • Обрыв или короткое замыкание в цепи клапана Е-VRV

  • ECM

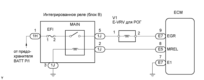
СХЕМА ЭЛЕКТРИЧЕСКИХ СОЕДИНЕНИЙ

A01DZHHE16

ПОСЛЕДОВАТЕЛЬНОСТЬ ПРОВЕРКИ

Note

После замены новый ЕСМ необходимо зарегистрировать (см. стр. Click here) и инициализировать (см. стр. Click here).

ПОРЯДОК ВЫПОЛНЕНИЯ


  1. ПРОВЕРЬТЕ E-VRV ДЛЯ РОГ


    1. Проверьте E-VRV для РОГ (см. стр. Click here).


    NG
    OK
  2. ПРОВЕРЬТЕ E-VRV ДЛЯ РОГ (НАПРЯЖЕНИЕ ПИТАНИЯ)


    1. A01E1KUE07

      Отсоедините разъем V1 клапана E-VRV для РОГ.

    2. Включите зажигание.

    3. Измерьте напряжение на разъеме и массе со стороны жгута проводов.

      Номинальное напряжение
      Подключение диагностического прибора Заданные условия
      V1-1 - масса 11 - 14 В

    NG
    OK
  3. ПРОВЕРЬТЕ ЖГУТ ПРОВОДОВ И РАЗЪЕМ (E-VRV ДЛЯ РОГ - ECM)


    1. A01E0DSE07

      Отсоедините разъем V1 клапана E-VRV для РОГ.

    2. Отсоедините разъем E7 ECM.

    3. Измерьте сопротивление разъема со стороны жгута проводов.

      Номинальное сопротивление (проверьте на обрыв)
      Подключение диагностического прибора Заданные условия
      V1-2 - EGR (E7-9) Менее 1 Ом
      Номинальное сопротивление (при проверке на короткое замыкание)
      Подключение диагностического прибора Заданные условия
      V1-2 или EGR (E7-9) - масса 10 кОм или более

    NG
    OK
  4. ПРОВЕРЬТЕ ЖГУТ ПРОВОДОВ И РАЗЪЕМ (E-VRV ДЛЯ РОГ - ИНТЕГРИРОВАННОЕ РЕЛЕ)

    A01DYZDE08

    1. Извлеките интегрированное реле из распределительного блока моторного отсека (см. стр. Click here).

    2. Отсоедините разъем 1J интегрированного реле.

    3. Отсоедините разъем V1 клапана E-VRV для РОГ.

    4. Измерьте сопротивление разъемов со стороны жгута проводов.

      Номинальное сопротивление (проверьте на обрыв)
      Подключение диагностического прибора Заданные условия
      1J-5 - V1-1 Менее 1 Ом
      Номинальное сопротивление (при проверке на короткое замыкание)
      Подключение диагностического прибора Заданные условия
      1J-5 - V1-1 Менее 1 Ом
      1J-5 или V1-1 - масса 10 кОм или более

    NG
    OK