CAN COMMUNICATION SYSTEM(w/o Central Gateway ECU), Diagnostic DTC:U1002

DTC Code DTC Name
U1002 Lost Communication with Gateway Module

DESCRIPTION


DTC No. DTC Detection Condition Trouble Area
U1002 The power management control ECU cannot receive signals from all ECUs that have been memorized as those connected to sub bus 11.
  • Open or short in sub bus 11 main line or connector

  • Open or short in sub bus 11 branch line or connector

  • Power management control ECU

  • Seat belt control ECU*1

  • Driving support ECU assembly*1

  • Lane departure warning camera*2*3

  • Blind spot monitor sensor LH*4

  • Open or short in CAN junction connector RH3

  • Open or short in CAN No. 3 junction connector*2

  • Open or short in CAN No. 4 junction connector

  • Open or short in CAN No. 5 junction connector


Tech Tips

This diagnosis procedure is for when DTC U1002 is output by the power management control ECU (GTS display: PM1 Gateway).

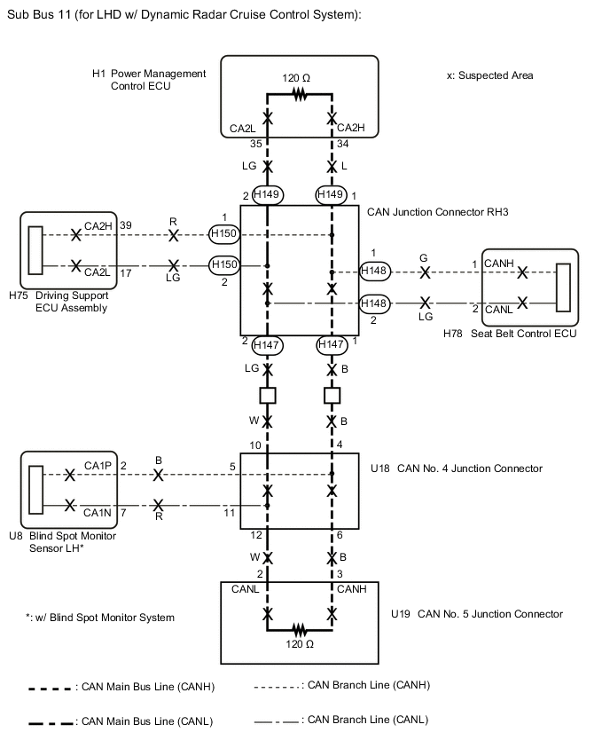
WIRING DIAGRAM

A00098RE09
A0007B9E07
A00098RE10

CAUTION / NOTICE / HINT

Note


  • Before measuring the resistance of the CAN bus, turn the power switch off and leave the vehicle for 1 minute or more without operating the key, switches or opening or closing the doors. After that, disconnect the cable from the negative (-) auxiliary battery terminal and leave the vehicle for 1 minute or more before measuring the resistance.

  • After turning the power switch off, waiting time may be required before disconnecting the cable from the negative (-) auxiliary battery terminal. Therefore, make sure to read the disconnecting the cable from the negative (-) auxiliary battery terminal notices before proceeding with work Click here.

  • Because the order of diagnosis is important to allow correct diagnosis, make sure to begin troubleshooting using How to Proceed with Troubleshooting when CAN communication system related DTCs are output Click here.

  • After performing repairs, perform the DTC check procedure and confirm that the DTCs are not output again.

  • DTC check procedure: Turn the power switch on (IG), turn the cruise control main switch on, turn the blind spot monitor main switch on, wait at least 52 seconds and then drive the vehicle at a speed of 36 km/h (22 mph) or more for 7 seconds or more.

  • After the repair, perform CAN bus check and check that all the ECUs and sensors connected to the CAN communication system are displayed Click here.

Tech Tips


  • Operating the power switch, any other switches or a door triggers related ECU and sensor communication on the CAN. This communication will cause the resistance value to change.

  • Even after DTCs are cleared, if a DTC is stored again after driving the vehicle for a while, the malfunction may be occurring due to vibration of the vehicle. In such a case, wiggling the ECUs or wire harness while performing the inspection below may help determine the cause of the malfunction.

  • Connectors that connect to the CAN junction connector can be distinguished by the color of their CAN bus lines. When the connectors have been disconnected from the CAN junction connector, reconnecting the connectors to non-original positions on the CAN junction connector does not affect system performance. However, it is preferred to reconnect the connectors to their original positions to avoid negative effects on the wiring such as tension on the wiring harnesses, and to make future maintenance easier.

PROCEDURE


  1. CHECK VEHICLE TYPE


    1. Check vehicle type.

      Result
      Result Proceed to
      for LHD (w/ Dynamic radar cruise control system) A
      for LHD (w/o Dynamic radar cruise control system) B
      for RHD C

    B
    C
    A
  2. CHECK SUB BUS 11


    1. Disconnect the cable from the negative (-) auxiliary battery terminal.

    2. A0009FRE02
      Text in Illustration
      *a

      Component with harness connected

      (Power Management Control ECU)

      Measure the resistance according to the value(s) in the table below.

      Standard Resistance
      Tester Connection Condition Specified Condition Result
      H1-34 (CA2H) - H1-35 (CA2L) Cable disconnected from negative (-) auxiliary battery terminal 54 to 69 Ω

      Below 54 Ω:

      Short circuit between bus lines

      70 Ω or higher:

      Open circuit in a main bus line

      H1-34 (CA2H) - H1-6 (E1) Cable disconnected from negative (-) auxiliary battery terminal 200 Ω or higher

      Below 200 Ω:

      CANH ground short

      H1-35 (CA2L) - H1-6 (E1) Cable disconnected from negative (-) auxiliary battery terminal 200 Ω or higher

      Below 200 Ω:

      CANL ground short

      H1-34 (CA2H) - H1-1 (AM22) Cable disconnected from negative (-) auxiliary battery terminal 6 kΩ or higher

      Below 6 kΩ:

      CANH +B short

      H1-35 (CA2L) - H1-1 (AM22) Cable disconnected from negative (-) auxiliary battery terminal 6 kΩ or higher

      Below 6 kΩ:

      CANL +B short

      Result
      Result Proceed to
      OK A
      Open circuit in CAN main bus line B
      Short circuit between bus lines C

      • Ground short

      • +B short

      D

    B
    C
    D
    A
  3. RECONFIRM DTC OUTPUT


    1. Reconnect the cable to the negative (-) auxiliary battery terminal.

    2. Connect the GTS to the DLC3.

    3. Turn the power switch on (IG).

    4. Turn the GTS on.

    5. Clear the DTCs.

    6. Turn the power switch off.

    7. Turn the power switch on (IG) and recheck for DTCs.

      Result
      Result Proceed to

      U1002 is output from power management control ECU

      (GTS display: PM1 Gateway)

      A
      Other DTC is output. B

    A
    B
  4. CHECK FOR OPEN IN SUB BUS 11 MAIN LINES (POWER MANAGEMENT CONTROL ECU)


    1. A00048KE02
      Text in Illustration
      *a

      Rear view of wire harness connector

      (to Power Management Control ECU)

      Disconnect the H1 power management control ECU connector.

    2. Measure the resistance according to the value(s) in the table below.

      Standard Resistance
      Tester Connection Condition Specified Condition
      H1-34 (CA2H) - H1-35 (CA2L) Cable disconnected from negative (-) auxiliary battery terminal 108 to 132 Ω

    OK
    NG
  5. CHECK FOR OPEN IN SUB BUS 11 MAIN LINES (CAN J/C RH3 - POWER MANAGEMENT CONTROL ECU)


    1. Reconnect the H1 power management control ECU connector.

    2. Disconnect the H149 wire harness connector.

    3. A0007EWE02
      Text in Illustration
      *a

      Rear view of wire harness connector

      (to CAN Junction Connector RH3)

      *b to Power Management Control ECU

      Measure the resistance according to the value(s) in the table below.

      Standard Resistance
      Tester Connection Condition Specified Condition
      H149-1 (CANH) - H149-2 (CANL) Cable disconnected from negative (-) auxiliary battery terminal 108 to 132 Ω

      Note


      • Before disconnecting the connector, make a note of where it is connected.

      • Reconnect the connector to its original position.


    NG
    OK
  6. CHECK FOR OPEN IN SUB BUS 11 MAIN LINES (CAN J/C RH3)


    1. Reconnect the H149 wire harness connector.

    2. A00073IE02
      Text in Illustration
      *a

      Rear view of wire harness connector

      (to CAN Junction Connector RH3)

      *b to CAN No. 4 Junction Connector

      Disconnect the H147 wire harness connector.

    3. Measure the resistance according to the value(s) in the table below.

      Standard Resistance
      Tester Connection Condition Specified Condition
      H147-1 (CANH) - H147-2 (CANL) Cable disconnected from negative (-) auxiliary battery terminal 108 to 132 Ω

      Note


      • Before disconnecting the connector, make a note of where it is connected.

      • Reconnect the connector to its original position.


    OK
    NG
  7. CHECK FOR OPEN IN SUB BUS 11 MAIN LINES (CAN J/C RH3 - CAN NO. 4 J/C)


    1. Reconnect the H147 wire harness connector.

    2. A0005X8E02
      Text in Illustration
      *a

      Front view of wire harness connector

      (to CAN No. 4 Junction Connector)

      *b to CAN Junction Connector RH3
      *c to CAN No. 5 Junction Connector

      Disconnect the U18 CAN No. 4 junction connector.

    3. Measure the resistance according to the value(s) in the table below.

      Standard Resistance
      Tester Connection Condition Specified Condition
      U18-4 (CANH) - U18-10 (CANL) Cable disconnected from negative (-) auxiliary battery terminal 108 to 132 Ω
      U18-6 (CANH) - U18-12 (CANL) Cable disconnected from negative (-) auxiliary battery terminal 108 to 132 Ω
      Result
      Result Proceed to
      OK A
      NG (to CAN junction connector RH3 main bus line) B
      NG (to CAN No. 5 junction connector main bus line) C

    A
    B
    C
  8. CHECK FOR OPEN IN SUB BUS 11 MAIN LINES (CAN NO. 4 J/C - CAN NO. 5 J/C)


    1. Reconnect the U18 CAN No. 4 junction connector.

    2. Disconnect the U19 CAN No. 5 junction connector.

    3. A0009HPE02
      Text in Illustration
      *a

      Rear view of wire harness connector

      (to CAN No. 5 Junction Connector)

      *b to CAN No. 4 Junction Connector

      Measure the resistance according to the value(s) in the table below.

      Standard Resistance
      Tester Connection Condition Specified Condition
      U19-3 (CANH) - U19-2 (CANL) Cable disconnected from negative (-) auxiliary battery terminal 108 to 132 Ω

    OK
    NG
  9. CHECK FOR SHORT IN SUB BUS 11 LINES (POWER MANAGEMENT CONTROL ECU)


    1. A00048KE02
      Text in Illustration
      *a

      Rear view of wire harness connector

      (to Power Management Control ECU)

      Disconnect the H1 power management control ECU connector.

    2. Measure the resistance according to the value(s) in the table below.

      Standard Resistance
      Tester Connection Condition Specified Condition
      H1-34 (CA2H) - H1-35 (CA2L) Cable disconnected from negative (-) auxiliary battery terminal 108 to 132 Ω

    OK
    NG
  10. CHECK FOR SHORT IN SUB BUS 11 LINES (CAN J/C RH3 - POWER MANAGEMENT CONTROL ECU)


    1. Reconnect the H1 power management control ECU connector.

    2. Disconnect the H149 wire harness connector.

    3. A0007EWE02
      Text in Illustration
      *a

      Rear view of wire harness connector

      (to CAN Junction Connector RH3)

      *b to Power Management Control ECU

      Measure the resistance according to the value(s) in the table below.

      Standard Resistance
      Tester Connection Condition Specified Condition
      H149-1 (CANH) - H149-2 (CANL) Cable disconnected from negative (-) auxiliary battery terminal 108 to 132 Ω

      Note


      • Before disconnecting the connector, make a note of where it is connected.

      • Reconnect the connector to its original position.


    NG
    OK
  11. CHECK FOR SHORT IN SUB BUS 11 LINES (BRANCH LINE)


    1. Reconnect the H149 wire harness connector.

    2. A0005GME02
      Text in Illustration
      *a

      Component with harness connected

      (CAN Junction Connector RH3)

      Connect the probes of an ohmmeter to terminals 1 (CANH) and 2(CANL) of the power management control ECU main line harness connector.

    3. While observing the resistance value shown on the tester, disconnect connectors (H148 and H150) from the CAN junction connector RH3 one by one until the resistance becomes normal (between 54 and 69 Ω).

      A0006FNE13
      Text in Illustration
      *1 CAN Junction Connector RH3 - -
      *a Junction Connector A Side *b Junction Connector B Side
      *c Ground Terminal *d

      Front view of wire harness connector

      (to CAN Junction Connector RH3)

      Wiring Color
      CAN Junction Connector RH3 Side Code Color (CANH Side) Color (CANL Side)
      CAN main bus line (bus line connecting CAN junction connector RH3 and CAN No. 4 junction connector) H147 B LG
      Seat belt control ECU H148 G LG
      Power management control ECU H149 L LG
      Driving support ECU Assembly H150 R LG

      Note

      Do not reconnect the disconnected connectors until this inspection is complete because there may be a short in 2 or more branch lines.

      Result
      Result Proceed to
      The resistance is still below 54 Ω when all the specified connectors are disconnected. (There are no shorts between a pair of branch lines.) A
      The resistance becomes normal (between 54 and 69 Ω) when a connector is disconnected. (There is a short between one or more pairs of branch lines.) B
    4. When there is a short in one or more of the branch lines:


      1. Reconnect all of the connectors to the CAN junction connectors, except for the one that was disconnected last (the short-circuited bus line). Check that the resistance shown on the tester is normal (between 54 and 69 Ω) to confirm that there is a short in the one branch line only.

        Tech Tips


        • Connectors that connect to the CAN junction connector can be distinguished by the color of their CAN bus lines.

        • Reconnecting the connectors to non-original positions on the CAN junction connector does not affect system performance. However, it is preferred to reconnect the connectors to their original positions to avoid negative effects on the wiring such as tension on the wiring harnesses, and to make future maintenance easier.


    B
    A
  12. CHECK FOR SHORT IN SUB BUS 11 LINES (CAN J/C RH3)


    1. Disconnect the H147 wire harness connector.

    2. A0005GME02
      Text in Illustration
      *a

      Component with harness connected

      (CAN Junction Connector RH3)

      Measure the resistance according to the value(s) in the table below.

      Standard Resistance
      Tester Connection Condition Specified Condition
      H149-1 (CANH) - H149-2 (CANL) Cable disconnected from negative (-) auxiliary battery terminal 108 to 132 Ω

      Note


      • Before disconnecting the connector, make a note of where it is connected.

      • Reconnect the connector to its original position.


    NG
    OK
  13. CHECK FOR SHORT IN SUB BUS 11 LINES (CAN J/C RH3 - CAN NO. 4 J/C)


    1. Reconnect the H147 wire harness connector.

    2. Disconnect the U18 CAN No. 4 junction connector.

    3. A0006S9E02
      Text in Illustration
      *a

      Front view of wire harness connector

      (to CAN No. 4 Junction Connector)

      *b to CAN Junction Connector RH3
      *c to Blind Spot Monitor Sensor LH*
      *d to CAN No. 5 Junction Connector

      Measure the resistance according to the value(s) in the table below.

      Standard Resistance
      Tester Connection Condition Specified Condition
      U18-4 (CANH) - U18-10 (CANL) Cable disconnected from negative (-) auxiliary battery terminal 108 to 132 Ω
      U18-5 (CANH) - U18-11 (CANL) Cable disconnected from negative (-) auxiliary battery terminal 200 Ω or higher
      U18-6 (CANH) - U18-12 (CANL) Cable disconnected from negative (-) auxiliary battery terminal 108 to 132 Ω

      • *: w/ Blind spot monitor system

      Result
      Result Proceed to
      OK A
      NG (to CAN junction connector RH3 main bus line) B
      NG (to CAN No. 5 junction connector main bus line) C
      NG (to Blind spot monitor sensor LH) D

    A
    B
    D
    C
  14. CHECK FOR SHORT IN SUB BUS 11 LINES (CAN NO. 4 J/C - CAN NO. 5 J/C)


    1. Reconnect the U18 CAN No. 4 junction connector.

    2. Disconnect the U19 CAN No. 5 junction connector.

    3. A0009HPE02
      Text in Illustration
      *a

      Rear view of wire harness connector

      (to CAN No. 5 Junction Connector)

      *b to CAN No. 4 Junction Connector

      Measure the resistance according to the value(s) in the table below.

      Standard Resistance
      Tester Connection Condition Specified Condition
      U19-3 (CANH) - U19-2 (CANL) Cable disconnected from negative (-) auxiliary battery terminal 108 to 132 Ω

    OK
    NG
  15. CHECK FOR SHORT IN SUB BUS 11 LINE (ECUS)


    1. Reconnect all wire harness connectors (CAN junction connector RH3 and CAN No. 4 junction connector).

    2. Disconnect the connector that includes terminals CANH and CANL from the ECU (or sensor) to which the short-circuited branch line is connected Click here.

    3. A0009A8E02
      Text in Illustration
      *a

      Component with harness connected

      (Power Management Control ECU)

      Measure the resistance according to the value(s) in the table below.

      Standard Resistance
      Tester Connection Condition Specified Condition
      H1-34 (CA2H) - H1-35 (CA2L) Cable disconnected from negative (-) auxiliary battery terminal 54 to 69 Ω

      Tech Tips


      • If the resistance becomes normal (between 54 and 69 Ω) when the connector is disconnected from the ECU (or sensor), there may be a short in the ECU (or sensor).

      • If the resistance does not become normal (between 54 and 69 Ω) when the connector is disconnected from the ECU (or sensor), repair or replace the short-circuited branch line or connector.


    OK
    NG
  16. CHECK FOR SHORT IN SUB BUS 11 LINE (CAN J/C RH3 - POWER MANAGEMENT CONTROL ECU)


    1. Disconnect the H149 wire harness connector.

    2. A0008ANE02
      Text in Illustration
      *1 DLC3
      *a

      Rear view of wire harness connector

      (to CAN Junction Connector RH3)

      *b to Power Management Control ECU

      Measure the resistance according to the value(s) in the table below.

      Standard Resistance
      Tester Connection Condition Specified Condition Result
      H149-1 (CANH) - H29-4 (CG) Cable disconnected from negative (-) auxiliary battery terminal 200 Ω or higher

      Below 200 Ω:

      CANH ground short

      H149-2 (CANL) - H29-4 (CG) Cable disconnected from negative (-) auxiliary battery terminal 200 Ω or higher

      Below 200 Ω:

      CANL ground short

      H149-1 (CANH) - H29-16 (BAT) Cable disconnected from negative (-) auxiliary battery terminal 6 kΩ or higher

      Below 6 kΩ:

      CANH +B short

      H149-2 (CANL) - H29-16 (BAT) Cable disconnected from negative (-) auxiliary battery terminal 6 kΩ or higher

      Below 6 kΩ:

      CANL +B short

      Note


      • Before disconnecting the connector, make a note of where it is connected.

      • Reconnect the connector to its original position.

      Tech Tips


      • It is only necessary to perform the inspection in the above table for the result (short circuit) that was obtained in the Check Sub Bus 11 inspection.

      • Find the necessary inspection from the Result column that matches the result in the Specified Condition column from the Check Sub Bus 11 inspection.


    NG
    OK
  17. CHECK FOR SHORT IN SUB BUS 11 LINE (BRANCH LINE)


    1. Reconnect the H149 wire harness connector.

    2. A0003PXE02
      Text in Illustration
      *1 DLC3
      *a

      Component with harness connected

      (CAN Junction Connector RH3)

      Connect the probes of an ohmmeter to terminals 1 (CANH) and 2 (CANL) of the wire harness connector (H149) and CG or BAT of the DLC3.

      Tech Tips

      It is only necessary to perform the inspection for the result (short circuit) that was obtained in the Check Sub Bus 11 inspection.

    3. While observing the resistance value shown on the ohmmeter, disconnect branch line connectors (H148 and H150) from the CAN junction connector RH3 until the resistance becomes normal (6 kΩ or higher (for +B short) or 200 Ω or higher (for ground short)).

      A0006FNE13
      Text in Illustration
      *1 CAN Junction Connector RH3 - -
      *a Junction Connector A Side *b Junction Connector B Side
      *c Ground Terminal *d

      Front view of wire harness connector

      (to CAN Junction Connector RH3)

      Wiring Color
      CAN Junction Connector RH3 Side Code Color (CANH Side) Color (CANL Side)
      CAN main bus line (bus line connecting CAN junction connector RH3 and CAN No. 4 junction connector) H147 B LG
      Seat belt control ECU H148 G LG
      Power management control ECU H149 L LG
      Driving support ECU Assembly H150 R LG
      Result
      Result Proceed to

      The resistance between terminals CANH and BAT, or the resistance between terminals CANL and BAT is still below 6 kΩ when all the specified connectors are disconnected from the CAN junction connector.

      (There is no short to +B in the branch lines.)

      A

      The resistance between terminals CANH and GND, or the resistance between terminals CANL and GND is still below 200 Ω when all the specified connectors are disconnected from the CAN junction connector.

      (There is no short to GND in the branch lines.)

      The resistance between terminals CANH and BAT, or the resistance between terminals CANL and BAT becomes normal (6 kΩ or higher) when a connector is disconnected from the CAN junction connector.

      (There is a short to +B in one of the areas related to one or more of the disconnected branch lines.)

      B

      The resistance between terminals CANH and GND, or the resistance between terminals CANL and GND becomes normal (200 Ω or higher) when a connector is disconnected from the CAN junction connector.

      (There is a short to GND in one of the areas related to one or more of the disconnected branch lines.)


    B
    A
  18. CHECK FOR SHORT IN SUB BUS 11 LINE (CAN J/C RH3)


    1. Disconnect the H147 wire harness connector.

    2. A0003PXE02
      Text in Illustration
      *1 DLC3
      *a

      Component with harness connected

      (CAN Junction Connector RH3)

      Measure the resistance according to the value(s) in the table below.

      Standard Resistance
      Tester Connection Condition Specified Condition Result
      H149-1 (CANH) - H29-4 (CG) Cable disconnected from negative (-) auxiliary battery terminal 200 Ω or higher

      Below 200 Ω:

      CANH ground short

      H149-2 (CANL) - H29-4 (CG) Cable disconnected from negative (-) auxiliary battery terminal 200 Ω or higher

      Below 200 Ω:

      CANL ground short

      H149-1 (CANH) - H29-16 (BAT) Cable disconnected from negative (-) auxiliary battery terminal 6 kΩ or higher

      Below 6 kΩ:

      CANH +B short

      H149-2 (CANL) - H29-16 (BAT) Cable disconnected from negative (-) auxiliary battery terminal 6 kΩ or higher

      Below 6 kΩ:

      CANL +B short

      Note


      • Before disconnecting the connector, make a note of where it is connected.

      • Reconnect the connector to its original position.

      Tech Tips


      • It is only necessary to perform the inspection in the above table for the result (short circuit) that was obtained in the Check Sub Bus 11 inspection.

      • Find the necessary inspection from the Result column that matches the result in the Specified Condition column from the Check Sub Bus 11 inspection.


    NG
    OK
  19. CHECK FOR SHORT IN CAN BUS LINE (CAN J/C RH3 - CAN NO. 4 J/C)


    1. Disconnect the U18 CAN No. 4 junction connector.

    2. Measure the resistance according to the value(s) in the table below.

      A0004ONE02
      Standard Resistance
      Tester Connection Condition Specified Condition Purpose Connected to
      U18-4 (CANH) - H29-4 (CG) Cable disconnected from negative (-) auxiliary battery terminal 200 Ω or higher Inspection for CANH ground short CAN junction connector RH3
      U18-10 (CANL) - H29-4 (CG) Cable disconnected from negative (-) auxiliary battery terminal 200 Ω or higher Inspection for CANL ground short
      U18-5 (CANH) - H29-4 (CG) Cable disconnected from negative (-) auxiliary battery terminal 200 Ω or higher Inspection for CANH ground short Blind spot monitor sensor LH*
      U18-11 (CANL) - H29-4 (CG) Cable disconnected from negative (-) auxiliary battery terminal 200 Ω or higher Inspection for CANL ground short
      U18-6 (CANH) - H29-4 (CG) Cable disconnected from negative (-) auxiliary battery terminal 200 Ω or higher Inspection for CANH ground short CAN No. 5 junction connector
      U18-12 (CANL) - H29-4 (CG) Cable disconnected from negative (-) auxiliary battery terminal 200 Ω or higher Inspection for CANL ground short
      U18-4 (CANH) - H29-16 (BAT) Cable disconnected from negative (-) auxiliary battery terminal 6 kΩ or higher Inspection for CANH +B short CAN junction connector RH3
      U18-10 (CANL) - H29-16 (BAT) Cable disconnected from negative (-) auxiliary battery terminal 6 kΩ or higher Inspection for CANL +B short
      U18-5 (CANH) - H29-16 (BAT) Cable disconnected from negative (-) auxiliary battery terminal 6 kΩ or higher Inspection for CANH +B short Blind spot monitor sensor LH*
      U18-11 (CANL) - H29-16 (BAT) Cable disconnected from negative (-) auxiliary battery terminal 6 kΩ or higher Inspection for CANL +B short
      U18-6 (CANH) - H29-16 (BAT) Cable disconnected from negative (-) auxiliary battery terminal 6 kΩ or higher Inspection for CANH +B short CAN No. 5 junction connector
      U18-12 (CANL) - H29-16 (BAT) Cable disconnected from negative (-) auxiliary battery terminal 6 kΩ or higher Inspection for CANL +B short

      • *: w/ Blind spot monitor system

      Text in Illustration
      *1 DLC3 - -
      *a

      Front view of wire harness connector

      (to CAN No. 4 Junction Connector)

      *b to CAN Junction Connector RH3
      *c to Blind Spot Monitor Sensor LH* *d to CAN No. 5 Junction Connector

      • *: w/ Blind spot monitor system

      Result
      Result Proceed to
      OK A
      NG (to CAN junction connector RH3 main bus line) B
      NG (to CAN No. 5 junction connector main bus line) C
      NG (to Blind spot monitor sensor LH) D

      Tech Tips


      • It is only necessary to perform the inspection in the above table for the result (short circuit) that was obtained in the Check Sub Bus 11 inspection.

      • Find the necessary inspection from the Purpose column that matches the result in the Result column from the Check Sub Bus 11 inspection.


    A
    B
    D
    C
  20. CHECK FOR SHORT IN CAN BUS LINE (CAN NO. 4 J/C - CAN NO. 5 J/C)


    1. Disconnect the U19 CAN No. 5 junction connector.

    2. A0004OQE03
      Text in Illustration
      *1 DLC3
      *a

      Front view of wire harness connector

      (to CAN No. 5 Junction Connector)

      Measure the resistance according to the value(s) in the table below.

      Standard Resistance
      Tester Connection Condition Specified Condition Result
      U19-3 (CANH) - H29-4 (CG) Cable disconnected from negative (-) auxiliary battery terminal 200 Ω or higher

      Below 200 Ω:

      CANH ground short

      U19-2 (CANL) - H29-4 (CG) Cable disconnected from negative (-) auxiliary battery terminal 200 Ω or higher

      Below 200 Ω:

      CANL ground short

      U19-3 (CANH) - H29-16 (BAT) Cable disconnected from negative (-) auxiliary battery terminal 6 kΩ or higher

      Below 6 kΩ:

      CANH +B short

      U19-2 (CANL) - H29-16 (BAT) Cable disconnected from negative (-) auxiliary battery terminal 6 kΩ or higher

      Below 6 kΩ:

      CANL +B short

      Tech Tips


      • It is only necessary to perform the inspection in the above table for the result (short circuit) that was obtained in the Check Sub Bus 11 inspection.

      • Find the necessary inspection from the Result column that matches the result in the Specified Condition column from the Check Sub Bus 11 inspection.


    OK
    NG
  21. CHECK CAN BUS LINE (ECUS)


    1. Reconnect all wire harness connectors (CAN junction connector RH3 and CAN No. 4 junction connector).

    2. Disconnect the connector that includes terminals CANH and CANL from the ECU to which the bus line shorted to B+ or shorted to GND is connected Click here.

    3. A0009FRE02
      Text in Illustration
      *a

      Component with harness connected

      (Power Management Control ECU)

      Measure the resistance according to the value(s) in the table below.

      Standard Resistance
      Tester Connection Condition Specified Condition Result
      H1-34 (CA2H) - H1-6 (E1) Cable disconnected from negative (-) auxiliary battery terminal 200 Ω or higher

      Below 200 Ω:

      CANH ground short

      H1-35 (CA2L) - H1-6 (E1) Cable disconnected from negative (-) auxiliary battery terminal 200 Ω or higher

      Below 200 Ω:

      CANL ground short

      H1-34 (CA2H) - H1-1 (AM22) Cable disconnected from negative (-) auxiliary battery terminal 6 kΩ or higher

      Below 6 kΩ:

      CANH +B short

      H1-35 (CA2L) - H1-1 (AM22) Cable disconnected from negative (-) auxiliary battery terminal 6 kΩ or higher

      Below 6 kΩ:

      CANL +B short

      Tech Tips


      • It is only necessary to perform the inspection in the above table for the result (short circuit) that was obtained in the Check Sub Bus 11 inspection.

      • If the resistance becomes abnormal when an ECU connector is reconnected, there may be a short in the ECU.


    OK
    NG
  22. CHECK FOR SHORT IN SUB BUS LINE (CAN J/C RH3 - POWER MANAGEMENT CONTROL ECU)


    1. Disconnect the H1 power management control ECU connector.

    2. A0008NCE02
      Text in Illustration
      *a

      Rear view of wire harness connector

      (to Power management Control ECU)

      Measure the resistance according to the value(s) in the table below.

      Standard Resistance
      Tester Connection Condition Specified Condition Result
      H1-34 (CA2H) - H1-6 (E1) Cable disconnected from negative (-) auxiliary battery terminal 200 Ω or higher

      Below 200 Ω:

      CANH ground short

      H1-35 (CA2L) - H1-6 (E1) Cable disconnected from negative (-) auxiliary battery terminal 200 Ω or higher

      Below 200 Ω:

      CANL ground short

      H1-34 (CA2H) - H1-1 (AM22) Cable disconnected from negative (-) auxiliary battery terminal 6 kΩ or higher

      Below 6 kΩ:

      CANH +B short

      H1-35 (CA2L) - H1-1 (AM22) Cable disconnected from negative (-) auxiliary battery terminal 6 kΩ or higher

      Below 6 kΩ:

      CANL +B short

      Tech Tips


      • It is only necessary to perform the inspection in the above table for the result (short circuit) that was obtained in the Check Sub Bus 11 inspection.

      • Find the necessary inspection from the Result column that matches the result in the Specified Condition column from the Check Sub Bus 11 inspection.


    OK
    NG
  23. CHECK SUB BUS 11


    1. Disconnect the cable from the negative (-) auxiliary battery terminal.

    2. A0009FRE02
      Text in Illustration
      *a

      Component with harness connected

      (Power Management Control ECU)

      Measure the resistance according to the value(s) in the table below.

      Standard Resistance
      Tester Connection Condition Specified Condition Result
      H1-34 (CA2H) - H1-35 (CA2L) Cable disconnected from negative (-) auxiliary battery terminal 54 to 69 Ω

      Below 54 Ω:

      Short circuit between bus lines

      70 Ω or higher:

      Open circuit in a main bus line

      H1-34 (CA2H) - H1-6 (E1) Cable disconnected from negative (-) auxiliary battery terminal 200 Ω or higher

      Below 200 Ω:

      CANH ground short

      H1-35 (CA2L) - H1-6 (E1) Cable disconnected from negative (-) auxiliary battery terminal 200 Ω or higher

      Below 200 Ω:

      CANL ground short

      H1-34 (CA2H) - H1-1 (AM22) Cable disconnected from negative (-) auxiliary battery terminal 6 kΩ or higher

      Below 6 kΩ:

      CANH +B short

      H1-35 (CA2L) - H1-1 (AM22) Cable disconnected from negative (-) auxiliary battery terminal 6 kΩ or higher

      Below 6 kΩ:

      CANL +B short

      Result
      Result Proceed to
      OK A
      Open circuit in CAN main bus line B
      Short circuit between bus lines C

      • Ground short

      • +B short

      D

    B
    C
    D
    A
  24. RECONFIRM DTC OUTPUT


    1. Reconnect the cable to the negative (-) auxiliary battery terminal.

    2. Connect the GTS to the DLC3.

    3. Turn the power switch on (IG).

    4. Turn the GTS on.

    5. Clear the DTCs.

    6. Turn the power switch off.

    7. Turn the power switch on (IG) and recheck for DTCs.

      Result
      Result Proceed to

      U1002 is output from power management control ECU

      (GTS display: PM1 Gateway)

      A
      Other DTC is output. B

    A
    B
  25. CHECK FOR OPEN IN SUB BUS 11 MAIN LINES (POWER MANAGEMENT CONTROL ECU)


    1. A00048KE02
      Text in Illustration
      *a

      Rear view of wire harness connector

      (to Power Management Control ECU)

      Disconnect the H1 power management control ECU connector.

    2. Measure the resistance according to the value(s) in the table below.

      Standard Resistance
      Tester Connection Condition Specified Condition
      H1-34 (CA2H) - H1-35 (CA2L) Cable disconnected from negative (-) auxiliary battery terminal 108 to 132 Ω

    OK
    NG
  26. CHECK FOR OPEN IN SUB BUS 11 MAIN LINES (CAN NO. 3 J/C - POWER MANAGEMENT CONTROL ECU)


    1. Disconnect the T13 CAN No. 3 junction connector.

    2. A000610E02
      Text in Illustration
      *a

      Front view of wire harness connector

      (to CAN No. 3 Junction Connector)

      *b to Power Management Control ECU
      *c to CAN Junction Connector RH3

      Measure the resistance according to the value(s) in the table below.

      Standard Resistance
      Tester Connection Condition Specified Condition
      T13-1 (CANH) - T13-7 (CANL) Cable disconnected from negative (-) auxiliary battery terminal 108 to 132 Ω
      T13-2 (CANH) - T13-8 (CANL) Cable disconnected from negative (-) auxiliary battery terminal 108 to 132 Ω
      Result
      Result Proceed to
      OK A
      NG (to Power management control ECU CAN main bus line) B
      NG (to CAN junction connector RH3 CAN main bus line) C

    A
    B
    C
  27. CHECK FOR OPEN IN SUB BUS 11 MAIN LINES (CAN J/C RH3 - CAN NO. 3 J/C)


    1. Reconnect the T13 CAN No. 3 junction connector.

    2. Disconnect the H150 wire harness connector.

    3. A0004CZE02
      Text in Illustration
      *a

      Rear view of wire harness connector

      (to CAN Junction Connector RH3)

      *b to CAN No. 3 Junction Connector

      Measure the resistance according to the value(s) in the table below.

      Standard Resistance
      Tester Connection Condition Specified Condition
      H150-1 (CANH) - H150-2 (CANL) Cable disconnected from negative (-) auxiliary battery terminal 108 to 132 Ω

      Note


      • Before disconnecting the connector, make a note of where it is connected.

      • Reconnect the connector to its original position.


    NG
    OK
  28. CHECK FOR OPEN IN SUB BUS 11 MAIN LINES (CAN J/C RH3)


    1. Reconnect the H150 wire harness connector.

    2. A00073IE02
      Text in Illustration
      *a

      Rear view of wire harness connector

      (to CAN Junction Connector RH3)

      *b to CAN No. 4 Junction Connector

      Disconnect the H147 wire harness connector.

    3. Measure the resistance according to the value(s) in the table below.

      Standard Resistance
      Tester Connection Condition Specified Condition
      H147-1 (CANH) - H147-2 (CANL) Cable disconnected from negative (-) auxiliary battery terminal 108 to 132 Ω

      Note


      • Before disconnecting the connector, make a note of where it is connected.

      • Reconnect the connector to its original position.


    OK
    NG
  29. CHECK FOR OPEN IN SUB BUS 11 MAIN LINES (CAN J/C RH3 - CAN NO. 4 J/C)


    1. Reconnect the H147 wire harness connector.

    2. A0005X8E02
      Text in Illustration
      *a

      Front view of wire harness connector

      (to CAN No. 4 Junction Connector)

      *b to CAN Junction Connector RH3
      *c to CAN No. 5 Junction Connector

      Disconnect the U18 CAN No. 4 junction connector.

    3. Measure the resistance according to the value(s) in the table below.

      Standard Resistance
      Tester Connection Condition Specified Condition
      U18-4 (CANH) - U18-10 (CANL) Cable disconnected from negative (-) auxiliary battery terminal 108 to 132 Ω
      U18-6 (CANH) - U18-12 (CANL) Cable disconnected from negative (-) auxiliary battery terminal 108 to 132 Ω
      Result
      Result Proceed to
      OK A
      NG (to CAN junction connector RH3 main bus line) B
      NG (to CAN No. 5 junction connector main bus line) C

    A
    B
    C
  30. CHECK FOR OPEN IN SUB BUS 11 MAIN LINES (CAN NO. 4 J/C - CAN NO. 5 J/C)


    1. Reconnect the U18 CAN No. 4 junction connector.

    2. Disconnect the U19 CAN No. 5 junction connector.

    3. A0009HPE02
      Text in Illustration
      *a

      Rear view of wire harness connector

      (to CAN No. 5 Junction Connector)

      *b to CAN No. 4 Junction Connector

      Measure the resistance according to the value(s) in the table below.

      Standard Resistance
      Tester Connection Condition Specified Condition
      U19-3 (CANH) - U19-2 (CANL) Cable disconnected from negative (-) auxiliary battery terminal 108 to 132 Ω

    OK
    NG
  31. CHECK FOR SHORT IN SUB BUS 11 LINES (POWER MANAGEMENT CONTROL ECU)


    1. A00048KE02
      Text in Illustration
      *a

      Rear view of wire harness connector

      (to Power Management Control ECU)

      Disconnect the H1 power management control ECU connector.

    2. Measure the resistance according to the value(s) in the table below.

      Standard Resistance
      Tester Connection Condition Specified Condition
      H1-34 (CA2H) - H1-35 (CA2L) Cable disconnected from negative (-) auxiliary battery terminal 108 to 132 Ω

    OK
    NG
  32. CHECK FOR SHORT IN SUB BUS 11 LINES (CAN NO. 3 J/C - POWER MANAGEMENT CONTROL ECU)


    1. Reconnect the H1 power management control ECU connector.

    2. Disconnect the T13 CAN No. 3 junction connector.

    3. A0003QHE02
      Text in Illustration
      *a

      Front view of wire harness connector

      (to CAN No. 3 Junction Connector)

      *b to Power Management Control ECU
      *c to CAN Junction Connector RH3
      *d to Lane Departure Warning Camera*

      Measure the resistance according to the value(s) in the table below.

      Standard Resistance
      Tester Connection Condition Specified Condition
      T13-1 (CANH) - T13-7 (CANL) Cable disconnected from negative (-) auxiliary battery terminal 108 to 132 Ω
      T13-2 (CANH) - T13-8 (CANL) Cable disconnected from negative (-) auxiliary battery terminal 108 to 132 Ω
      T13-3 (CANH) - T13-9 (CANL) Cable disconnected from negative (-) auxiliary battery terminal 200 Ω or higher

      • *: w/ Lane departure alert system

      Result
      Result Proceed to
      OK A
      NG (to power management control ECU main bus line) B
      NG (to CAN junction connector RH3 main bus line) C
      NG (to lane departure warning camera) D

    A
    B
    D
    C
  33. CHECK FOR SHORT IN SUB BUS 11 LINES (CAN J/C RH3 - CAN NO. 3 J/C)


    1. Reconnect the T13 CAN No. 3 junction connector.

    2. Disconnect the H150 wire harness connector.

    3. A0004CZE02
      Text in Illustration
      *a

      Rear view of wire harness connector

      (to CAN Junction Connector RH3)

      *b to CAN No. 3 Junction Connector

      Measure the resistance according to the value(s) in the table below.

      Standard Resistance
      Tester Connection Condition Specified Condition
      H150-1 (CANH) - H150-2 (CANL) Cable disconnected from negative (-) auxiliary battery terminal 108 to 132 Ω

      Note


      • Before disconnecting the connector, make a note of where it is connected.

      • Reconnect the connector to its original position.


    NG
    OK
  34. CHECK FOR SHORT IN SUB BUS 11 LINES (CAN J/C RH3)


    1. Reconnect the H150 wire harness connector.

    2. Disconnect the H147 wire harness connector.

    3. A00051JE02
      Text in Illustration
      *a

      Component with harness connected

      (CAN Junction Connector RH3)

      Measure the resistance according to the value(s) in the table below.

      Standard Resistance
      Tester Connection Condition Specified Condition
      H150-1 (CANH) - H150-2 (CANL) Cable disconnected from negative (-) auxiliary battery terminal 108 to 132 Ω

      Note


      • Before disconnecting the connector, make a note of where it is connected.

      • Reconnect the connector to its original position.


    NG
    OK
  35. CHECK FOR SHORT IN SUB BUS 11 LINES (CAN J/C RH3 - CAN NO. 4 J/C)


    1. Reconnect the H147 wire harness connector.

    2. Disconnect the U18 CAN No. 4 junction connector.

    3. A0006S9E02
      Text in Illustration
      *a

      Front view of wire harness connector

      (to CAN No. 4 Junction Connector)

      *b to CAN Junction Connector RH3
      *c to Blind Spot Monitor Sensor LH*
      *d to CAN No. 5 Junction Connector

      Measure the resistance according to the value(s) in the table below.

      Standard Resistance
      Tester Connection Condition Specified Condition
      U18-4 (CANH) - U18-10 (CANL) Cable disconnected from negative (-) auxiliary battery terminal 108 to 132 Ω
      U18-5 (CANH) - U18-11 (CANL) Cable disconnected from negative (-) auxiliary battery terminal 200 Ω or higher
      U18-6 (CANH) - U18-12 (CANL) Cable disconnected from negative (-) auxiliary battery terminal 108 to 132 Ω

      • *: w/ Blind spot monitor system

      Result
      Result Proceed to
      OK A
      NG (to CAN junction connector RH3 main bus line) B
      NG (to CAN No. 5 junction connector main bus line) C
      NG (to Blind spot monitor sensor LH) D

    A
    B
    D
    C
  36. CHECK FOR SHORT IN SUB BUS 11 LINES (CAN NO. 4 J/C - CAN NO. 5 J/C)


    1. Reconnect the U18 CAN No. 4 junction connector.

    2. Disconnect the U19 CAN No. 5 junction connector.

    3. A0009HPE02
      Text in Illustration
      *a

      Rear view of wire harness connector

      (to CAN No. 5 Junction Connector)

      *b to CAN No. 4 Junction Connector

      Measure the resistance according to the value(s) in the table below.

      Standard Resistance
      Tester Connection Condition Specified Condition
      U19-3 (CANH) - U19-2 (CANL) Cable disconnected from negative (-) auxiliary battery terminal 108 to 132 Ω

    OK
    NG
  37. CHECK FOR SHORT IN SUB BUS 11 LINE (ECUS)


    1. Reconnect all wire harness connectors (CAN junction connector RH3, CAN No. 3 junction connector and CAN No. 4 junction connector).

    2. Disconnect the connector that includes terminals CANH and CANL from the ECU (or sensor) to which the short-circuited branch line is connected Click here.

    3. A0009A8E02
      Text in Illustration
      *a

      Component with harness connected

      (Power Management Control ECU)

      Measure the resistance according to the value(s) in the table below.

      Standard Resistance
      Tester Connection Condition Specified Condition
      H1-34 (CA2H) - H1-35 (CA2L) Cable disconnected from negative (-) auxiliary battery terminal 54 to 69 Ω

      Tech Tips


      • If the resistance becomes normal (between 54 and 69 Ω) when the connector is disconnected from the ECU (or sensor), there may be a short in the ECU (or sensor).

      • If the resistance does not become normal (between 54 and 69 Ω) when the connector is disconnected from the ECU (or sensor), repair or replace the short-circuited branch line or connector.


    OK
    NG
  38. CHECK FOR SHORT IN CAN BUS LINE (CAN NO. 3 J/C - POWER MANAGEMENT CONTROL ECU)


    1. Disconnect the T13 CAN No. 3 junction connector.

    2. Measure the resistance according to the value(s) in the table below.

      A00050RE02
      Standard Resistance
      Tester Connection Condition Specified Condition Purpose Connected to
      T13-1 (CANH) - H29-4 (CG) Cable disconnected from negative (-) auxiliary battery terminal 200 Ω or higher Inspection for CANH ground short Power management control ECU
      T13-7 (CANL) - H29-4 (CG) Cable disconnected from negative (-) auxiliary battery terminal 200 Ω or higher Inspection for CANL ground short
      T13-2 (CANH) - H29-4 (CG) Cable disconnected from negative (-) auxiliary battery terminal 200 Ω or higher Inspection for CANH ground short CAN junction connector RH3
      T13-8 (CANL) - H29-4 (CG) Cable disconnected from negative (-) auxiliary battery terminal 200 Ω or higher Inspection for CANL ground short
      T13-3 (CANH) - H29-4 (CG) Cable disconnected from negative (-) auxiliary battery terminal 200 Ω or higher Inspection for CANH ground short Lane departure warning camera*
      T13-9 (CANL) - H29-4 (CG) Cable disconnected from negative (-) auxiliary battery terminal 200 Ω or higher Inspection for CANL ground short
      T13-1 (CANH) - H29-16 (BAT) Cable disconnected from negative (-) auxiliary battery terminal 6 kΩ or higher Inspection for CANH +B short Power management control ECU
      T13-7 (CANL) - H29-16 (BAT) Cable disconnected from negative (-) auxiliary battery terminal 6 kΩ or higher Inspection for CANL +B short
      T13-2 (CANH) - H29-16 (BAT) Cable disconnected from negative (-) auxiliary battery terminal 6 kΩ or higher Inspection for CANH +B short CAN junction connector RH3
      T13-8 (CANL) - H29-16 (BAT) Cable disconnected from negative (-) auxiliary battery terminal 6 kΩ or higher Inspection for CANL +B short
      T13-3 (CANH) - H29-16 (BAT) Cable disconnected from negative (-) auxiliary battery terminal 6 kΩ or higher Inspection for CANH +B short Lane departure warning camera*
      T13-9 (CANL) - H29-16 (BAT) Cable disconnected from negative (-) auxiliary battery terminal 6 kΩ or higher Inspection for CANL +B short

      • *: w/ Lane departure alert system

      Text in Illustration
      *1 DLC3 - -
      *a

      Front view of wire harness connector

      (to CAN No. 3 Junction Connector)

      *b to Power Management Control ECU
      *c to CAN Junction Connector RH3 *d to Lane Departure Warning Camera*

      • *: w/ Lane departure alert system

      Result
      Result Proceed to
      OK A
      NG (to CAN junction connector RH3 main bus line) B
      NG (to Lane departure warning camera) C
      NG (to Power management control ECU main bus line) D

      Tech Tips


      • It is only necessary to perform the inspection in the above table for the result (short circuit) that was obtained in the Check Sub Bus 11 inspection.

      • Find the necessary inspection from the Purpose column that matches the result in the Result column from the Check Sub Bus 11 inspection.


    A
    C
    D
    B
  39. CHECK FOR SHORT IN SUB BUS 11 LINES (CAN J/C RH3 - CAN NO. 3 J/C)


    1. Disconnect the H150 wire harness connector.

    2. A0008LOE02
      Text in Illustration
      *1 DLC3
      *a

      Rear view of wire harness connector

      (to CAN Junction Connector RH3)

      *b to CAN No. 3 Junction Connector

      Measure the resistance according to the value(s) in the table below.

      Standard Resistance
      Tester Connection Condition Specified Condition Result
      H150-1 (CANH) - H29-4 (CG) Cable disconnected from negative (-) auxiliary battery terminal 200 Ω or higher

      Below 200 Ω:

      CANH ground short

      H150-2 (CANL) - H29-4 (CG) Cable disconnected from negative (-) auxiliary battery terminal 200 Ω or higher

      Below 200 Ω:

      CANL ground short

      H150-1 (CANH) - H29-16 (BAT) Cable disconnected from negative (-) auxiliary battery terminal 6 kΩ or higher

      Below 6 kΩ:

      CANH +B short

      H150-2 (CANL) - H29-16 (BAT) Cable disconnected from negative (-) auxiliary battery terminal 6 kΩ or higher

      Below 6 kΩ:

      CANL +B short

      Note


      • Before disconnecting the connector, make a note of where it is connected.

      • Reconnect the connector to its original position.

      Tech Tips


      • It is only necessary to perform the inspection in the above table for the result (short circuit) that was obtained in the Check Sub Bus 11 inspection.

      • Find the necessary inspection from the Result column that matches the result in the Specified Condition column from the Check Sub Bus 11 inspection.


    NG
    OK
  40. CHECK FOR SHORT IN SUB BUS 11 LINE (CAN J/C RH3)


    1. Reconnect the H150 wire harness connector.

    2. Disconnect the H147 wire harness connector.

    3. A000452E02
      Text in Illustration
      *1 DLC3
      *a

      Component with harness connected

      (CAN Junction Connector RH3)

      Measure the resistance according to the value(s) in the table below.

      Standard Resistance
      Tester Connection Condition Specified Condition Result
      H150-1 (CANH) - H29-4 (CG) Cable disconnected from negative (-) auxiliary battery terminal 200 Ω or higher

      Below 200 Ω:

      CANH ground short

      H150-2 (CANL) - H29-4 (CG) Cable disconnected from negative (-) auxiliary battery terminal 200 Ω or higher

      Below 200 Ω:

      CANL ground short

      H150-1 (CANH) - H29-16 (BAT) Cable disconnected from negative (-) auxiliary battery terminal 6 kΩ or higher

      Below 6 kΩ:

      CANH +B short

      H150-2 (CANL) - H29-16 (BAT) Cable disconnected from negative (-) auxiliary battery terminal 6 kΩ or higher

      Below 6 kΩ:

      CANL +B short

      Note


      • Before disconnecting the connector, make a note of where it is connected.

      • Reconnect the connector to its original position.

      Tech Tips


      • It is only necessary to perform the inspection in the above table for the result (short circuit) that was obtained in the Check Sub Bus 11 inspection.

      • Find the necessary inspection from the Result column that matches the result in the Specified Condition column from the Check Sub Bus 11 inspection.


    NG
    OK
  41. CHECK FOR SHORT IN CAN BUS LINE (CAN J/C RH3 - CAN NO. 4 J/C)


    1. Disconnect the U18 CAN No. 4 junction connector.

    2. Measure the resistance according to the value(s) in the table below.

      A0004ONE02
      Standard Resistance
      Tester Connection Condition Specified Condition Purpose Connected to
      U18-4 (CANH) - H29-4 (CG) Cable disconnected from negative (-) auxiliary battery terminal 200 Ω or higher Inspection for CANH ground short CAN junction connector RH3
      U18-10 (CANL) - H29-4 (CG) Cable disconnected from negative (-) auxiliary battery terminal 200 Ω or higher Inspection for CANL ground short
      U18-5 (CANH) - H29-4 (CG) Cable disconnected from negative (-) auxiliary battery terminal 200 Ω or higher Inspection for CANH ground short Blind spot monitor sensor LH*
      U18-11 (CANL) - H29-4 (CG) Cable disconnected from negative (-) auxiliary battery terminal 200 Ω or higher Inspection for CANL ground short
      U18-6 (CANH) - H29-4 (CG) Cable disconnected from negative (-) auxiliary battery terminal 200 Ω or higher Inspection for CANH ground short CAN No. 5 junction connector
      U18-12 (CANL) - H29-4 (CG) Cable disconnected from negative (-) auxiliary battery terminal 200 Ω or higher Inspection for CANL ground short
      U18-4 (CANH) - H29-16 (BAT) Cable disconnected from negative (-) auxiliary battery terminal 6 kΩ or higher Inspection for CANH +B short CAN junction connector RH3
      U18-10 (CANL) - H29-16 (BAT) Cable disconnected from negative (-) auxiliary battery terminal 6 kΩ or higher Inspection for CANL +B short
      U18-5 (CANH) - H29-16 (BAT) Cable disconnected from negative (-) auxiliary battery terminal 6 kΩ or higher Inspection for CANH +B short Blind spot monitor sensor LH*
      U18-11 (CANL) - H29-16 (BAT) Cable disconnected from negative (-) auxiliary battery terminal 6 kΩ or higher Inspection for CANL +B short
      U18-6 (CANH) - H29-16 (BAT) Cable disconnected from negative (-) auxiliary battery terminal 6 kΩ or higher Inspection for CANH +B short CAN No. 5 junction connector
      U18-12 (CANL) - H29-16 (BAT) Cable disconnected from negative (-) auxiliary battery terminal 6 kΩ or higher Inspection for CANL +B short

      • *: w/ Blind spot monitor system

      Text in Illustration
      *1 DLC3 - -
      *a

      Front view of wire harness connector

      (to CAN No. 4 Junction Connector)

      *b to CAN Junction Connector RH3
      *c to Blind Spot Monitor Sensor LH* *d to CAN No. 5 Junction Connector

      • *: w/ Blind spot monitor system

      Result
      Result Proceed to
      OK A
      NG (to CAN junction connector RH3 main bus line) B
      NG (to CAN No. 5 junction connector main bus line) C
      NG (to Blind spot monitor sensor LH) D

      Tech Tips


      • It is only necessary to perform the inspection in the above table for the result (short circuit) that was obtained in the Check Sub Bus 11 inspection.

      • Find the necessary inspection from the Purpose column that matches the result in the Result column from the Check Sub Bus 11 inspection.


    A
    B
    D
    C
  42. CHECK FOR SHORT IN CAN BUS LINE (CAN NO. 4 J/C - CAN NO. 5 J/C)


    1. Disconnect the U19 CAN No. 5 junction connector.

    2. A0004OQE03
      Text in Illustration
      *1 DLC3
      *a

      Front view of wire harness connector

      (to CAN No. 5 Junction Connector)

      Measure the resistance according to the value(s) in the table below.

      Standard Resistance
      Tester Connection Condition Specified Condition Result
      U19-3 (CANH) - H29-4 (CG) Cable disconnected from negative (-) auxiliary battery terminal 200 Ω or higher

      Below 200 Ω:

      CANH ground short

      U19-2 (CANL) - H29-4 (CG) Cable disconnected from negative (-) auxiliary battery terminal 200 Ω or higher

      Below 200 Ω:

      CANL ground short

      U19-3 (CANH) - H29-16 (BAT) Cable disconnected from negative (-) auxiliary battery terminal 6 kΩ or higher

      Below 6 kΩ:

      CANH +B short

      U19-2 (CANL) - H29-16 (BAT) Cable disconnected from negative (-) auxiliary battery terminal 6 kΩ or higher

      Below 6 kΩ:

      CANL +B short

      Tech Tips


      • It is only necessary to perform the inspection in the above table for the result (short circuit) that was obtained in the Check Sub Bus 11 inspection.

      • Find the necessary inspection from the Result column that matches the result in the Specified Condition column from the Check Sub Bus 11 inspection.


    OK
    NG
  43. CHECK CAN BUS LINE (ECUS)


    1. Reconnect all wire harness connectors (CAN junction connector RH3, CAN No. 3 junction connector and CAN No. 4 junction connector).

    2. Disconnect the connector that includes terminals CANH and CANL from the ECU to which the bus line shorted to B+ or shorted to GND is connected Click here.

    3. A0009FRE02
      Text in Illustration
      *a

      Component with harness connected

      (Power Management Control ECU)

      Measure the resistance according to the value(s) in the table below.

      Standard Resistance
      Tester Connection Condition Specified Condition Result
      H1-34 (CA2H) - H1-6 (E1) Cable disconnected from negative (-) auxiliary battery terminal 200 Ω or higher

      Below 200 Ω:

      CANH ground short

      H1-35 (CA2L) - H1-6 (E1) Cable disconnected from negative (-) auxiliary battery terminal 200 Ω or higher

      Below 200 Ω:

      CANL ground short

      H1-34 (CA2H) - H1-1 (AM22) Cable disconnected from negative (-) auxiliary battery terminal 6 kΩ or higher

      Below 6 kΩ:

      CANH +B short

      H1-35 (CA2L) - H1-1 (AM22) Cable disconnected from negative (-) auxiliary battery terminal 6 kΩ or higher

      Below 6 kΩ:

      CANL +B short

      Tech Tips


      • It is only necessary to perform the inspection in the above table for the result (short circuit) that was obtained in the Check Sub Bus 11 inspection.

      • If the resistance becomes abnormal when an ECU connector is reconnected, there may be a short in the ECU.


    OK
    NG
  44. CHECK FOR SHORT IN SUB BUS LINE (CAN NO. 3 J/C - POWER MANAGEMENT CONTROL ECU)


    1. Disconnect the H1 power management control ECU connector.

    2. A0008NCE02
      Text in Illustration
      *a

      Rear view of wire harness connector

      (to Power management Control ECU)

      Measure the resistance according to the value(s) in the table below.

      Standard Resistance
      Tester Connection Condition Specified Condition Result
      H1-34 (CA2H) - H1-6 (E1) Cable disconnected from negative (-) auxiliary battery terminal 200 Ω or higher

      Below 200 Ω:

      CANH ground short

      H1-35 (CA2L) - H1-6 (E1) Cable disconnected from negative (-) auxiliary battery terminal 200 Ω or higher

      Below 200 Ω:

      CANL ground short

      H1-34 (CA2H) - H1-1 (AM22) Cable disconnected from negative (-) auxiliary battery terminal 6 kΩ or higher

      Below 6 kΩ:

      CANH +B short

      H1-35 (CA2L) - H1-1 (AM22) Cable disconnected from negative (-) auxiliary battery terminal 6 kΩ or higher

      Below 6 kΩ:

      CANL +B short

      Tech Tips


      • It is only necessary to perform the inspection in the above table for the result (short circuit) that was obtained in the Check Sub Bus 11 inspection.

      • Find the necessary inspection from the Result column that matches the result in the Specified Condition column from the Check Sub Bus 11 inspection.


    OK
    NG
  45. CHECK SUB BUS 11


    1. Disconnect the cable from the negative (-) auxiliary battery terminal.

    2. A0009FRE02
      Text in Illustration
      *a

      Component with harness connected

      (Power Management Control ECU)

      Measure the resistance according to the value(s) in the table below.

      Standard Resistance
      Tester Connection Condition Specified Condition Result
      H1-34 (CA2H) - H1-35 (CA2L) Cable disconnected from negative (-) auxiliary battery terminal 54 to 69 Ω

      Below 54 Ω:

      Short circuit between bus lines

      70 Ω or higher:

      Open circuit in a main bus line

      H1-34 (CA2H) - H1-6 (E1) Cable disconnected from negative (-) auxiliary battery terminal 200 Ω or higher

      Below 200 Ω:

      CANH ground short

      H1-35 (CA2L) - H1-6 (E1) Cable disconnected from negative (-) auxiliary battery terminal 200 Ω or higher

      Below 200 Ω:

      CANL ground short

      H1-34 (CA2H) - H1-1 (AM22) Cable disconnected from negative (-) auxiliary battery terminal 6 kΩ or higher

      Below 6 kΩ:

      CANH +B short

      H1-35 (CA2L) - H1-1 (AM22) Cable disconnected from negative (-) auxiliary battery terminal 6 kΩ or higher

      Below 6 kΩ:

      CANL +B short

      Result
      Result Proceed to
      OK A
      Open circuit in CAN main bus line B
      Short circuit between bus lines C

      • Ground short

      • +B short

      D

    B
    C
    D
    A
  46. RECONFIRM DTC OUTPUT


    1. Reconnect the cable to the negative (-) auxiliary battery terminal.

    2. Connect the GTS to the DLC3.

    3. Turn the power switch on (IG).

    4. Turn the GTS on.

    5. Clear the DTCs.

    6. Turn the power switch off.

    7. Turn the power switch on (IG) and recheck for DTCs.

      Result
      Result Proceed to

      U1002 is output from power management control ECU

      (GTS display: PM1 Gateway)

      A
      Other DTC is output. B

    A
    B
  47. CHECK FOR OPEN IN SUB BUS 11 MAIN LINES (POWER MANAGEMENT CONTROL ECU)


    1. A00048KE02
      Text in Illustration
      *a

      Rear view of wire harness connector

      (to Power Management Control ECU)

      Disconnect the H1 power management control ECU connector.

    2. Measure the resistance according to the value(s) in the table below.

      Standard Resistance
      Tester Connection Condition Specified Condition
      H1-34 (CA2H) - H1-35 (CA2L) Cable disconnected from negative (-) auxiliary battery terminal 108 to 132 Ω

    OK
    NG
  48. CHECK FOR OPEN IN SUB BUS 11 MAIN LINES (CAN J/C RH3 - POWER MANAGEMENT CONTROL ECU)


    1. Reconnect the H1 power management control ECU connector.

    2. Disconnect the H149 wire harness connector.

    3. A0007EWE02
      Text in Illustration
      *a

      Rear view of wire harness connector

      (to CAN Junction Connector RH3)

      *b to Power Management Control ECU

      Measure the resistance according to the value(s) in the table below.

      Standard Resistance
      Tester Connection Condition Specified Condition
      H149-1 (CANH) - H149-2 (CANL) Cable disconnected from negative (-) auxiliary battery terminal 108 to 132 Ω

      Note


      • Before disconnecting the connector, make a note of where it is connected.

      • Reconnect the connector to its original position.


    NG
    OK
  49. CHECK FOR OPEN IN SUB BUS 11 MAIN LINES (CAN J/C RH3)


    1. Reconnect the H149 wire harness connector.

    2. A00073IE02
      Text in Illustration
      *a

      Rear view of wire harness connector

      (to CAN Junction Connector RH3)

      *b to CAN No. 4 Junction Connector

      Disconnect the H147 wire harness connector.

    3. Measure the resistance according to the value(s) in the table below.

      Standard Resistance
      Tester Connection Condition Specified Condition
      H147-1 (CANH) - H147-2 (CANL) Cable disconnected from negative (-) auxiliary battery terminal 108 to 132 Ω

      Note


      • Before disconnecting the connector, make a note of where it is connected.

      • Reconnect the connector to its original position.


    OK
    NG
  50. CHECK FOR OPEN IN SUB BUS 11 MAIN LINES (CAN J/C RH3 - CAN NO. 4 J/C)


    1. Reconnect the H147 wire harness connector.

    2. A0005X8E02
      Text in Illustration
      *a

      Front view of wire harness connector

      (to CAN No. 4 Junction Connector)

      *b to CAN Junction Connector RH3
      *c to CAN No. 5 Junction Connector

      Disconnect the U18 CAN No. 4 junction connector.

    3. Measure the resistance according to the value(s) in the table below.

      Standard Resistance
      Tester Connection Condition Specified Condition
      U18-4 (CANH) - U18-10 (CANL) Cable disconnected from negative (-) auxiliary battery terminal 108 to 132 Ω
      U18-6 (CANH) - U18-12 (CANL) Cable disconnected from negative (-) auxiliary battery terminal 108 to 132 Ω
      Result
      Result Proceed to
      OK A
      NG (to CAN junction connector RH3 main bus line) B
      NG (to CAN No. 5 junction connector main bus line) C

    A
    B
    C
  51. CHECK FOR OPEN IN SUB BUS 11 MAIN LINES (CAN NO. 4 J/C - CAN NO. 5 J/C)


    1. Reconnect the U18 CAN No. 4 junction connector.

    2. Disconnect the U19 CAN No. 5 junction connector.

    3. A0009HPE02
      Text in Illustration
      *a

      Rear view of wire harness connector

      (to CAN No. 5 Junction Connector)

      *b to CAN No. 4 Junction Connector

      Measure the resistance according to the value(s) in the table below.

      Standard Resistance
      Tester Connection Condition Specified Condition
      U19-3 (CANH) - U19-2 (CANL) Cable disconnected from negative (-) auxiliary battery terminal 108 to 132 Ω

    OK
    NG
  52. CHECK FOR SHORT IN SUB BUS 11 LINES (POWER MANAGEMENT CONTROL ECU)


    1. A00048KE02
      Text in Illustration
      *a

      Rear view of wire harness connector

      (to Power Management Control ECU)

      Disconnect the H1 power management control ECU connector.

    2. Measure the resistance according to the value(s) in the table below.

      Standard Resistance
      Tester Connection Condition Specified Condition
      H1-34 (CA2H) - H1-35 (CA2L) Cable disconnected from negative (-) auxiliary battery terminal 108 to 132 Ω

    OK
    NG
  53. CHECK FOR SHORT IN SUB BUS 11 LINES (CAN J/C RH3 - POWER MANAGEMENT CONTROL ECU)


    1. Reconnect the H1 power management control ECU connector.

    2. Disconnect the H149 wire harness connector.

    3. A0007EWE02
      Text in Illustration
      *a

      Rear view of wire harness connector

      (to CAN Junction Connector RH3)

      *b to Power Management Control ECU

      Measure the resistance according to the value(s) in the table below.

      Standard Resistance
      Tester Connection Condition Specified Condition
      H149-1 (CANH) - H149-2 (CANL) Cable disconnected from negative (-) auxiliary battery terminal 108 to 132 Ω

      Note


      • Before disconnecting the connector, make a note of where it is connected.

      • Reconnect the connector to its original position.


    NG
    OK
  54. CHECK FOR SHORT IN SUB BUS 11 LINES (BRANCH LINE)


    1. Reconnect the H149 wire harness connector.

    2. A0005GME02
      Text in Illustration
      *a

      Component with harness connected

      (CAN Junction Connector RH3)

      Connect the probes of an ohmmeter to terminals 1 (CANH) and 2(CANL) of the power management control ECU main line harness connector.

    3. While observing the resistance value shown on the tester, disconnect connectors (H148 and H150) from the CAN junction connector RH3 one by one until the resistance becomes normal (between 54 and 69 Ω).

      A0006FNE13
      Text in Illustration
      *1 CAN Junction Connector RH3 - -
      *a Junction Connector A Side *b Junction Connector B Side
      *c Ground Terminal *d

      Front view of wire harness connector

      (to CAN Junction Connector RH3)

      Wiring Color
      CAN Junction Connector RH3 Side Code Color (CANH Side) Color (CANL Side)
      CAN main bus line (bus line connecting CAN junction connector RH3 and CAN No. 4 junction connector) H147 B LG
      Seat belt control ECU H148 G LG
      Power management control ECU H149 L LG
      Driving support ECU Assembly H150 R LG

      Note

      Do not reconnect the disconnected connectors until this inspection is complete because there may be a short in 2 or more branch lines.

      Result
      Result Proceed to
      The resistance is still below 54 Ω when all the specified connectors are disconnected. (There are no shorts between a pair of branch lines.) A
      The resistance becomes normal (between 54 and 69 Ω) when a connector is disconnected. (There is a short between one or more pairs of branch lines.) B
    4. When there is a short in one or more of the branch lines:


      1. Reconnect all of the connectors to the CAN junction connectors, except for the one that was disconnected last (the short-circuited bus line). Check that the resistance shown on the tester is normal (between 54 and 69 Ω) to confirm that there is a short in the one branch line only.

        Tech Tips


        • Connectors that connect to the CAN junction connector can be distinguished by the color of their CAN bus lines.

        • Reconnecting the connectors to non-original positions on the CAN junction connector does not affect system performance. However, it is preferred to reconnect the connectors to their original positions to avoid negative effects on the wiring such as tension on the wiring harnesses, and to make future maintenance easier.


    B
    A
  55. CHECK FOR SHORT IN SUB BUS 11 LINES (CAN J/C RH3)


    1. Disconnect the H147 wire harness connector.

    2. A0005GME02
      Text in Illustration
      *a

      Component with harness connected

      (CAN Junction Connector RH3)

      Measure the resistance according to the value(s) in the table below.

      Standard Resistance
      Tester Connection Condition Specified Condition
      H149-1 (CANH) - H149-2 (CANL) Cable disconnected from negative (-) auxiliary battery terminal 108 to 132 Ω

      Note


      • Before disconnecting the connector, make a note of where it is connected.

      • Reconnect the connector to its original position.


    NG
    OK
  56. CHECK FOR SHORT IN SUB BUS 11 LINES (CAN J/C RH3 - CAN NO. 4 J/C)


    1. Reconnect the H147 wire harness connector.

    2. Disconnect the U18 CAN No. 4 junction connector.

    3. A0006S9E02
      Text in Illustration
      *a

      Front view of wire harness connector

      (to CAN No. 4 Junction Connector)

      *b to CAN Junction Connector RH3
      *c to Blind Spot Monitor Sensor LH*
      *d to CAN No. 5 Junction Connector

      Measure the resistance according to the value(s) in the table below.

      Standard Resistance
      Tester Connection Condition Specified Condition
      U18-4 (CANH) - U18-10 (CANL) Cable disconnected from negative (-) auxiliary battery terminal 108 to 132 Ω
      U18-5 (CANH) - U18-11 (CANL) Cable disconnected from negative (-) auxiliary battery terminal 200 Ω or higher
      U18-6 (CANH) - U18-12 (CANL) Cable disconnected from negative (-) auxiliary battery terminal 108 to 132 Ω

      • *: w/ Blind spot monitor system

      Result
      Result Proceed to
      OK A
      NG (to CAN junction connector RH3 main bus line) B
      NG (to CAN No. 5 junction connector main bus line) C
      NG (to Blind spot monitor sensor LH) D

    A
    B
    D
    C
  57. CHECK FOR SHORT IN SUB BUS 11 LINES (CAN NO. 4 J/C - CAN NO. 5 J/C)


    1. Reconnect the U18 CAN No. 4 junction connector.

    2. Disconnect the U19 CAN No. 5 junction connector.

    3. A0009HPE02
      Text in Illustration
      *a

      Rear view of wire harness connector

      (to CAN No. 5 Junction Connector)

      *b to CAN No. 4 Junction Connector

      Measure the resistance according to the value(s) in the table below.

      Standard Resistance
      Tester Connection Condition Specified Condition
      U19-3 (CANH) - U19-2 (CANL) Cable disconnected from negative (-) auxiliary battery terminal 108 to 132 Ω

    OK
    NG
  58. CHECK FOR SHORT IN SUB BUS 11 LINE (ECUS)


    1. Reconnect all wire harness connectors (CAN junction connector RH3 and CAN No. 4 junction connector).

    2. Disconnect the connector that includes terminals CANH and CANL from the ECU (or sensor) to which the short-circuited branch line is connected Click here.

    3. A0009A8E02
      Text in Illustration
      *a

      Component with harness connected

      (Power Management Control ECU)

      Measure the resistance according to the value(s) in the table below.

      Standard Resistance
      Tester Connection Condition Specified Condition
      H1-34 (CA2H) - H1-35 (CA2L) Cable disconnected from negative (-) auxiliary battery terminal 54 to 69 Ω

      Tech Tips


      • If the resistance becomes normal (between 54 and 69 Ω) when the connector is disconnected from the ECU (or sensor), there may be a short in the ECU (or sensor).

      • If the resistance does not become normal (between 54 and 69 Ω) when the connector is disconnected from the ECU (or sensor), repair or replace the short-circuited branch line or connector.


    OK
    NG
  59. CHECK FOR SHORT IN SUB BUS 11 LINE (CAN J/C RH3 - POWER MANAGEMENT CONTROL ECU)


    1. Disconnect the H149 wire harness connector.

    2. A0008ANE02
      Text in Illustration
      *1 DLC3
      *a

      Rear view of wire harness connector

      (to CAN Junction Connector RH3)

      *b to Power Management Control ECU

      Measure the resistance according to the value(s) in the table below.

      Standard Resistance
      Tester Connection Condition Specified Condition Result
      H149-1 (CANH) - H29-4 (CG) Cable disconnected from negative (-) auxiliary battery terminal 200 Ω or higher

      Below 200 Ω:

      CANH ground short

      H149-2 (CANL) - H29-4 (CG) Cable disconnected from negative (-) auxiliary battery terminal 200 Ω or higher

      Below 200 Ω:

      CANL ground short

      H149-1 (CANH) - H29-16 (BAT) Cable disconnected from negative (-) auxiliary battery terminal 6 kΩ or higher

      Below 6 kΩ:

      CANH +B short

      H149-2 (CANL) - H29-16 (BAT) Cable disconnected from negative (-) auxiliary battery terminal 6 kΩ or higher

      Below 6 kΩ:

      CANL +B short

      Note


      • Before disconnecting the connector, make a note of where it is connected.

      • Reconnect the connector to its original position.

      Tech Tips


      • It is only necessary to perform the inspection in the above table for the result (short circuit) that was obtained in the Check Sub Bus 11 inspection.

      • Find the necessary inspection from the Result column that matches the result in the Specified Condition column from the Check Sub Bus 11 inspection.


    NG
    OK
  60. CHECK FOR SHORT IN SUB BUS 11 LINE (BRANCH LINE)


    1. Reconnect the H149 wire harness connector.

    2. A0003PXE02
      Text in Illustration
      *1 DLC3
      *a

      Component with harness connected

      (CAN Junction Connector RH3)

      Connect the probes of an ohmmeter to terminals 1 (CANH) and 2 (CANL) of the wire harness connector (H149) and CG or BAT of the DLC3.

      Tech Tips

      It is only necessary to perform the inspection for the result (short circuit) that was obtained in the Check Sub Bus 11 inspection.

    3. While observing the resistance value shown on the ohmmeter, disconnect branch line connectors (H148 and H150) from the CAN junction connector RH3 until the resistance becomes normal (6 kΩ or higher (for +B short) or 200 Ω or higher (for ground short)).

      A0006FNE13
      Text in Illustration
      *1 CAN Junction Connector RH3 - -
      *a Junction Connector A Side *b Junction Connector B Side
      *c Ground Terminal *d

      Front view of wire harness connector

      (to CAN Junction Connector RH3)

      Wiring Color
      CAN Junction Connector RH3 Side Code Color (CANH Side) Color (CANL Side)
      CAN main bus line (bus line connecting CAN junction connector RH3 and CAN No. 4 junction connector) H147 B LG
      Seat belt control ECU H148 G LG
      Power management control ECU H149 L LG
      Driving support ECU Assembly H150 R LG
      Result
      Result Proceed to

      The resistance between terminals CANH and BAT, or the resistance between terminals CANL and BAT is still below 6 kΩ when all the specified connectors are disconnected from the CAN junction connector.

      (There is no short to +B in the branch lines.)

      A

      The resistance between terminals CANH and GND, or the resistance between terminals CANL and GND is still below 200 Ω when all the specified connectors are disconnected from the CAN junction connector.

      (There is no short to GND in the branch lines.)

      The resistance between terminals CANH and BAT, or the resistance between terminals CANL and BAT becomes normal (6 kΩ or higher) when a connector is disconnected from the CAN junction connector.

      (There is a short to +B in one of the areas related to one or more of the disconnected branch lines.)

      B

      The resistance between terminals CANH and GND, or the resistance between terminals CANL and GND becomes normal (200 Ω or higher) when a connector is disconnected from the CAN junction connector.

      (There is a short to GND in one of the areas related to one or more of the disconnected branch lines.)


    B
    A
  61. CHECK FOR SHORT IN SUB BUS 11 LINE (CAN J/C RH3)


    1. Disconnect the H147 wire harness connector.

    2. A0003PXE02
      Text in Illustration
      *1 DLC3
      *a

      Component with harness connected

      (CAN Junction Connector RH3)

      Measure the resistance according to the value(s) in the table below.

      Standard Resistance
      Tester Connection Condition Specified Condition Result
      H149-1 (CANH) - H29-4 (CG) Cable disconnected from negative (-) auxiliary battery terminal 200 Ω or higher

      Below 200 Ω:

      CANH ground short

      H149-2 (CANL) - H29-4 (CG) Cable disconnected from negative (-) auxiliary battery terminal 200 Ω or higher

      Below 200 Ω:

      CANL ground short

      H149-1 (CANH) - H29-16 (BAT) Cable disconnected from negative (-) auxiliary battery terminal 6 kΩ or higher

      Below 6 kΩ:

      CANH +B short

      H149-2 (CANL) - H29-16 (BAT) Cable disconnected from negative (-) auxiliary battery terminal 6 kΩ or higher

      Below 6 kΩ:

      CANL +B short

      Note


      • Before disconnecting the connector, make a note of where it is connected.

      • Reconnect the connector to its original position.

      Tech Tips


      • It is only necessary to perform the inspection in the above table for the result (short circuit) that was obtained in the Check Sub Bus 11 inspection.

      • Find the necessary inspection from the Result column that matches the result in the Specified Condition column from the Check Sub Bus 11 inspection.


    NG
    OK
  62. CHECK FOR SHORT IN CAN BUS LINE (CAN J/C RH3 - CAN NO. 4 J/C)


    1. Disconnect the U18 CAN No. 4 junction connector.

    2. Measure the resistance according to the value(s) in the table below.

      A0004ONE02
      Standard Resistance
      Tester Connection Condition Specified Condition Purpose Connected to
      U18-4 (CANH) - H29-4 (CG) Cable disconnected from negative (-) auxiliary battery terminal 200 Ω or higher Inspection for CANH ground short CAN junction connector RH3
      U18-10 (CANL) - H29-4 (CG) Cable disconnected from negative (-) auxiliary battery terminal 200 Ω or higher Inspection for CANL ground short
      U18-5 (CANH) - H29-4 (CG) Cable disconnected from negative (-) auxiliary battery terminal 200 Ω or higher Inspection for CANH ground short Blind spot monitor sensor LH*
      U18-11 (CANL) - H29-4 (CG) Cable disconnected from negative (-) auxiliary battery terminal 200 Ω or higher Inspection for CANL ground short
      U18-6 (CANH) - H29-4 (CG) Cable disconnected from negative (-) auxiliary battery terminal 200 Ω or higher Inspection for CANH ground short CAN No. 5 junction connector
      U18-12 (CANL) - H29-4 (CG) Cable disconnected from negative (-) auxiliary battery terminal 200 Ω or higher Inspection for CANL ground short
      U18-4 (CANH) - H29-16 (BAT) Cable disconnected from negative (-) auxiliary battery terminal 6 kΩ or higher Inspection for CANH +B short CAN junction connector RH3
      U18-10 (CANL) - H29-16 (BAT) Cable disconnected from negative (-) auxiliary battery terminal 6 kΩ or higher Inspection for CANL +B short
      U18-5 (CANH) - H29-16 (BAT) Cable disconnected from negative (-) auxiliary battery terminal 6 kΩ or higher Inspection for CANH +B short Blind spot monitor sensor LH*
      U18-11 (CANL) - H29-16 (BAT) Cable disconnected from negative (-) auxiliary battery terminal 6 kΩ or higher Inspection for CANL +B short
      U18-6 (CANH) - H29-16 (BAT) Cable disconnected from negative (-) auxiliary battery terminal 6 kΩ or higher Inspection for CANH +B short CAN No. 5 junction connector
      U18-12 (CANL) - H29-16 (BAT) Cable disconnected from negative (-) auxiliary battery terminal 6 kΩ or higher Inspection for CANL +B short

      • *: w/ Blind spot monitor system

      Text in Illustration
      *1 DLC3 - -
      *a

      Front view of wire harness connector

      (to CAN No. 4 Junction Connector)

      *b to CAN Junction Connector RH3
      *c to Blind Spot Monitor Sensor LH* *d to CAN No. 5 Junction Connector

      • *: w/ Blind spot monitor system

      Result
      Result Proceed to
      OK A
      NG (to CAN junction connector RH3 main bus line) B
      NG (to CAN No. 5 junction connector main bus line) C
      NG (to Blind spot monitor sensor LH) D

      Tech Tips


      • It is only necessary to perform the inspection in the above table for the result (short circuit) that was obtained in the Check Sub Bus 11 inspection.

      • Find the necessary inspection from the Purpose column that matches the result in the Result column from the Check Sub Bus 11 inspection.


    A
    B
    D
    C
  63. CHECK FOR SHORT IN CAN BUS LINE (CAN NO. 4 J/C - CAN NO. 5 J/C)


    1. Disconnect the U19 CAN No. 5 junction connector.

    2. A0004OQE03
      Text in Illustration
      *1 DLC3
      *a

      Front view of wire harness connector

      (to CAN No. 5 Junction Connector)

      Measure the resistance according to the value(s) in the table below.

      Standard Resistance
      Tester Connection Condition Specified Condition Result
      U19-3 (CANH) - H29-4 (CG) Cable disconnected from negative (-) auxiliary battery terminal 200 Ω or higher

      Below 200 Ω:

      CANH ground short

      U19-2 (CANL) - H29-4 (CG) Cable disconnected from negative (-) auxiliary battery terminal 200 Ω or higher

      Below 200 Ω:

      CANL ground short

      U19-3 (CANH) - H29-16 (BAT) Cable disconnected from negative (-) auxiliary battery terminal 6 kΩ or higher

      Below 6 kΩ:

      CANH +B short

      U19-2 (CANL) - H29-16 (BAT) Cable disconnected from negative (-) auxiliary battery terminal 6 kΩ or higher

      Below 6 kΩ:

      CANL +B short

      Tech Tips


      • It is only necessary to perform the inspection in the above table for the result (short circuit) that was obtained in the Check Sub Bus 11 inspection.

      • Find the necessary inspection from the Result column that matches the result in the Specified Condition column from the Check Sub Bus 11 inspection.


    OK
    NG
  64. CHECK CAN BUS LINE (ECUS)


    1. Reconnect all wire harness connectors (CAN junction connector RH3 and CAN No. 4 junction connector).

    2. Disconnect the connector that includes terminals CANH and CANL from the ECU to which the bus line shorted to B+ or shorted to GND is connected Click here.

    3. A0009FRE02
      Text in Illustration
      *a

      Component with harness connected

      (Power Management Control ECU)

      Measure the resistance according to the value(s) in the table below.

      Standard Resistance
      Tester Connection Condition Specified Condition Result
      H1-34 (CA2H) - H1-6 (E1) Cable disconnected from negative (-) auxiliary battery terminal 200 Ω or higher

      Below 200 Ω:

      CANH ground short

      H1-35 (CA2L) - H1-6 (E1) Cable disconnected from negative (-) auxiliary battery terminal 200 Ω or higher

      Below 200 Ω:

      CANL ground short

      H1-34 (CA2H) - H1-1 (AM22) Cable disconnected from negative (-) auxiliary battery terminal 6 kΩ or higher

      Below 6 kΩ:

      CANH +B short

      H1-35 (CA2L) - H1-1 (AM22) Cable disconnected from negative (-) auxiliary battery terminal 6 kΩ or higher

      Below 6 kΩ:

      CANL +B short

      Tech Tips


      • It is only necessary to perform the inspection in the above table for the result (short circuit) that was obtained in the Check Sub Bus 11 inspection.

      • If the resistance becomes abnormal when an ECU connector is reconnected, there may be a short in the ECU.


    OK
    NG
  65. CHECK FOR SHORT IN SUB BUS LINE (CAN J/C RH3 - POWER MANAGEMENT CONTROL ECU)


    1. Disconnect the H1 power management control ECU connector.

    2. A0008NCE02
      Text in Illustration
      *a

      Rear view of wire harness connector

      (to Power management Control ECU)

      Measure the resistance according to the value(s) in the table below.

      Standard Resistance
      Tester Connection Condition Specified Condition Result
      H1-34 (CA2H) - H1-6 (E1) Cable disconnected from negative (-) auxiliary battery terminal 200 Ω or higher

      Below 200 Ω:

      CANH ground short

      H1-35 (CA2L) - H1-6 (E1) Cable disconnected from negative (-) auxiliary battery terminal 200 Ω or higher

      Below 200 Ω:

      CANL ground short

      H1-34 (CA2H) - H1-1 (AM22) Cable disconnected from negative (-) auxiliary battery terminal 6 kΩ or higher

      Below 6 kΩ:

      CANH +B short

      H1-35 (CA2L) - H1-1 (AM22) Cable disconnected from negative (-) auxiliary battery terminal 6 kΩ or higher

      Below 6 kΩ:

      CANL +B short

      Tech Tips


      • It is only necessary to perform the inspection in the above table for the result (short circuit) that was obtained in the Check Sub Bus 11 inspection.

      • Find the necessary inspection from the Result column that matches the result in the Specified Condition column from the Check Sub Bus 11 inspection.


    OK
    NG