AIRBAG SYSTEM, Diagnostic DTC:B1612/83, B1613/83

DTC Code DTC Name
B1612/83 Lost Communication with Front Airbag Sensor RH
B1613/83 Front Airbag Sensor RH Initialization Incomplete

DESCRIPTION

The front airbag sensor RH circuit consists of the airbag sensor assembly and front airbag sensor RH.

The front airbag sensor RH detects impacts to the vehicle and sends signals to the airbag sensor assembly to determine if the airbags, pretensioners and selectable force limiter* should be deployed.

These DTCs are stored when a malfunction is detected in the front airbag sensor RH circuit.

DTC No. Detection Item DTC Detection Condition Trouble Area Test Mode / Check Mode
B1612/83 Lost Communication with Front Airbag Sensor RH
  • The airbag sensor assembly detects a line short, short to ground or B+, or an open in the front airbag sensor RH circuit.

  • Front airbag sensor RH malfunction

  • Airbag sensor assembly malfunction


  • Instrument panel wire

  • Engine room main wire

  • Front airbag sensor RH

  • Airbag sensor assembly

Does not apply to test/check mode
B1613/83 Front Airbag Sensor RH Initialization Incomplete
  • The airbag sensor assembly detects a line short, short to ground or B+, or an open in the front airbag sensor RH circuit.

  • Front airbag sensor RH malfunction

  • Airbag sensor assembly malfunction


  • Instrument panel wire

  • Engine room main wire

  • Front airbag sensor RH

  • Airbag sensor assembly

Does not apply to test/check mode

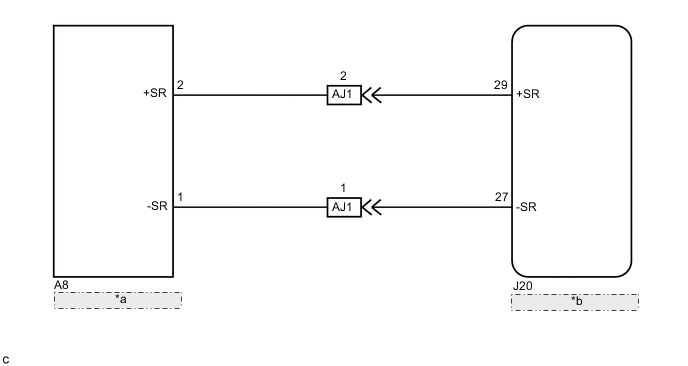
WIRING DIAGRAM

B007ZSME71
*a Front Airbag Sensor RH
*b Airbag Sensor Assembly

CAUTION / NOTICE / HINT

Note

After turning the engine switch off, waiting time may be required before disconnecting the cable from the negative (-) battery terminal. Therefore, make sure to read the disconnecting the cable from the negative (-) battery terminal notices before proceeding with work.

Click here

PROCEDURE


  1. CHECK CONNECTORS


    1. Turn the engine switch off.

    2. Disconnect the cable from the negative (-) battery terminal.

      CAUTION:

      Wait at least 90 seconds after disconnecting the cable from the negative (-) battery terminal to disable the SRS system.

    3. Check that the connectors are properly connected to the airbag sensor assembly and front airbag sensor RH. Also check that the connectors that link the engine room main wire and instrument panel wire are properly connected.

      OK
      The connectors are properly connected.

      Tech Tips

      If the connectors are not properly connected, reconnect the connectors and proceed to the next inspection.

    4. Disconnect the connectors from the airbag sensor assembly and front airbag sensor RH. Also disconnect the connectors that link the engine room main wire and instrument panel wire.

    5. Check that the terminals of the connectors are not deformed or damaged.

      OK
      The terminals are not deformed or damaged.
      Result
      Proceed to
      OK
      NG

    NG
    OK
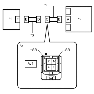
  2. CHECK FRONT AIRBAG SENSOR RH CIRCUIT (OPEN)


    1. B007XEUC06
      *1 Front Airbag Sensor RH
      *2 Airbag Sensor Assembly
      *3 Service Wire
      *a

      Front view of wire harness connector

      (to Airbag Sensor Assembly)

      *b

      Front view of wire harness connector

      (to Front Airbag Sensor RH)

      Connect the connectors that link the engine room main wire and instrument panel wire.

    2. Using a service wire, connect terminals 29 (+SR) and 27 (-SR) of connector B.

      Note

      Do not forcibly insert the service wire into the terminals of the connector when connecting the wire.

    3. Measure the resistance according to the value(s) in the table below.

      Standard Resistance
      Tester Connection Condition Specified Condition
      A8-2 (+SR) - A8-1 (-SR) Always Below 1 Ω
      Result
      Proceed to
      OK
      NG

    NG
    OK
  3. CHECK FRONT AIRBAG SENSOR RH CIRCUIT (SHORT)


    1. B007YOPC16
      *1 Front Airbag Sensor RH
      *2 Airbag Sensor Assembly
      *a

      Front view of wire harness connector

      (to Front Airbag Sensor RH)

      Disconnect the service wire from connector B.

    2. Measure the resistance according to the value(s) in the table below.

      Standard Resistance
      Tester Connection Condition Specified Condition
      A8-2 (+SR) - A8-1 (-SR) Always 1 MΩ or higher
      Result
      Proceed to
      OK
      NG

    NG
    OK
  4. CHECK FRONT AIRBAG SENSOR RH CIRCUIT (SHORT TO B+)


    1. B007YOPC16
      *1 Front Airbag Sensor RH
      *2 Airbag Sensor Assembly
      *a

      Front view of wire harness connector

      (to Front Airbag Sensor RH)

      Connect the cable to the negative (-) battery terminal.

    2. Turn the engine switch on (IG).

    3. Measure the voltage according to the value(s) in the table below.

      Standard Voltage
      Tester Connection Condition Specified Condition
      A8-2 (+SR) - Body ground Engine switch on (IG) Below 1 V
      A8-1 (-SR) - Body ground Engine switch on (IG) Below 1 V
    4. Turn the engine switch off.

    5. Disconnect the cable from the negative (-) battery terminal.

      CAUTION:

      Wait at least 90 seconds after disconnecting the cable from the negative (-) battery terminal to disable the SRS system.

      Result
      Proceed to
      OK
      NG

    NG
    OK
  5. CHECK FRONT AIRBAG SENSOR RH CIRCUIT (SHORT TO GROUND)


    1. B007YOPC16
      *1 Front Airbag Sensor RH
      *2 Airbag Sensor Assembly
      *a

      Front view of wire harness connector

      (to Front Airbag Sensor RH)

      Measure the resistance according to the value(s) in the table below.

      Standard Resistance
      Tester Connection Condition Specified Condition
      A8-2 (+SR) - Body ground Always 1 MΩ or higher
      A8-1 (-SR) - Body ground Always 1 MΩ or higher
      Result
      Proceed to
      OK
      NG

    NG
    OK
  6. CHECK FRONT AIRBAG SENSOR RH


    1. B007X1TC02
      *1 Front Airbag Sensor LH
      *2 Airbag Sensor Assembly

      Connect the connector to the airbag sensor assembly.

    2. Interchange the front airbag sensor RH with LH and connect the connectors.

    3. Connect the cable to the negative (-) battery terminal.

    4. Clear the DTCs stored in memory.

      Click here


      Body Electrical > SRS Airbag > Clear DTCs
    5. Turn the engine switch off.

    6. Turn the engine switch on (IG), and wait for at least 60 seconds.

    7. Check for DTCs.

      Click here


      Body Electrical > SRS Airbag > Trouble Codes

      Tech Tips

      Codes other than DTCs B1612/83, B1613/83, B1617/84 and B1618/84 may be output at this time, but they are not related to this check.

      Result
      Result Proceed to
      DTCs B1612/83, B1613/83, B1617/84 and B1618/84 are not output. A
      DTC B1617/84 or B1618/84 is output. B
      DTC B1612/83 or B1613/83 is output. C
    8. Turn the engine switch off.

    9. Disconnect the cable from the negative (-) battery terminal.

      CAUTION:

      Wait at least 90 seconds after disconnecting the cable from the negative (-) battery terminal to disable the SRS system.

    10. Return the front airbag sensor RH and LH to their original positions and connect the connectors.


    A
    B
    C
  7. CHECK INSTRUMENT PANEL WIRE (SHORT TO GROUND)


    1. B007YOJC10
      *1 Front Airbag Sensor RH
      *2 Airbag Sensor Assembly
      *3 Engine Room Main Wire
      *4 Instrument Panel Wire
      *a

      Front view of wire harness connector

      (to Engine Room Main Wire)

      Disconnect the instrument panel wire connector from the engine room main wire.

    2. Measure the resistance according to the value(s) in the table below.

      Standard Resistance
      Tester Connection Condition Specified Condition
      AJ1-2 (+SR) - Body ground Always 1 MΩ or higher
      AJ1-1 (-SR) - Body ground Always 1 MΩ or higher
      Result
      Proceed to
      OK
      NG

    OK
    NG
  8. CHECK INSTRUMENT PANEL WIRE (SHORT TO B+)


    1. B007YOJC10
      *1 Front Airbag Sensor RH
      *2 Airbag Sensor Assembly
      *3 Engine Room Main Wire
      *4 Instrument Panel Wire
      *a

      Front view of wire harness connector

      (to Engine Room Main Wire)

      Disconnect the instrument panel wire connector from the engine room main wire.

    2. Connect the cable to the negative (-) battery terminal.

    3. Turn the engine switch on (IG).

    4. Measure the voltage according to the value(s) in the table below.

      Standard Voltage
      Tester Connection Condition Specified Condition
      AJ1-2 (+SR) - Body ground Engine switch on (IG) Below 1 V
      AJ1-1 (-SR) - Body ground Engine switch on (IG) Below 1 V
      Result
      Proceed to
      OK
      NG

    OK
    NG
  9. CHECK INSTRUMENT PANEL WIRE (SHORT)


    1. B007YOJC10
      *1 Front Airbag Sensor RH
      *2 Airbag Sensor Assembly
      *3 Engine Room Main Wire
      *4 Instrument Panel Wire
      *a

      Front view of wire harness connector

      (to Engine Room Main Wire)

      Disconnect the instrument panel wire connector from the engine room main wire.

    2. Measure the resistance according to the value(s) in the table below.

      Standard Resistance
      Tester Connection Condition Specified Condition
      AJ1-2 (+SR) - AJ1-1 (-SR) Always 1 MΩ or higher
      Result
      Proceed to
      OK
      NG

    OK
    NG
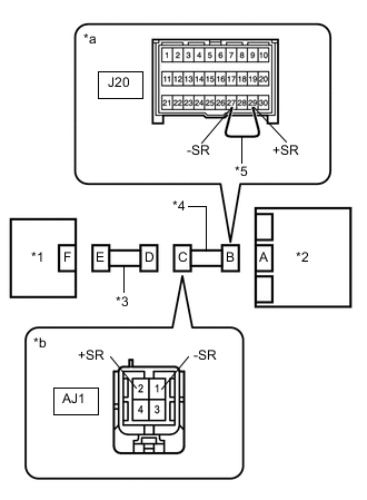
  10. CHECK INSTRUMENT PANEL WIRE (OPEN)


    1. B007ZZMC05
      *1 Front Airbag Sensor RH
      *2 Airbag Sensor Assembly
      *3 Engine Room Main Wire
      *4 Instrument Panel Wire
      *5 Service Wire
      *a

      Front view of wire harness connector

      (to Airbag Sensor Assembly)

      *b

      Front view of wire harness connector

      (to Engine Room Main Wire)

      Disconnect the instrument panel wire connector from the engine room main wire.

      Tech Tips

      The service wire has already been inserted into connector B.

    2. Measure the resistance according to the value(s) in the table below.

      Standard Resistance
      Tester Connection Condition Specified Condition
      AJ1-2 (+SR) - AJ1-1 (-SR) Always Below 1 Ω
    3. Disconnect the service wire from connector B.

      Result
      Proceed to
      OK
      NG

    OK
    NG