AIRBAG SYSTEM, Diagnostic DTC:B1850/62, B1851/62, B1852/62, B1853/62

DTC Code DTC Name
B1850/62 Short in Rear Side Squib RH Circuit
B1851/62 Open in Rear Side Squib RH Circuit
B1852/62 Short to GND in Rear Side Squib RH Circuit
B1853/62 Short to B+ in Rear Side Squib RH Circuit

DESCRIPTION

The rear side squib RH circuit consists of the airbag sensor assembly and rear seat airbag assembly RH.

The airbag sensor assembly uses this circuit to deploy the airbag when deployment conditions are met.

These DTCs are stored when a malfunction is detected in the rear side squib RH circuit.

DTC No. Detection Item DTC Detection Condition Trouble Area Test Mode / Check Mode
B1850/62 Short in Rear Side Squib RH Circuit
  • The airbag sensor assembly detects a line short in the rear side squib RH circuit during the primary check.

  • Rear side squib RH malfunction

  • Airbag sensor assembly malfunction


    w/o Rear No. 2 Seat:

  • Floor wire

  • Rear side squib RH (Rear seat airbag assembly RH)

  • Airbag sensor assembly


    w/ Rear No. 2 Seat:

  • Floor wire

  • Rear seat wire RH

  • Rear side squib RH (Rear seat airbag assembly RH)

  • Airbag sensor assembly

Applies to check mode
B1851/62 Open in Rear Side Squib RH Circuit
  • The airbag sensor assembly detects an open in the rear side squib RH circuit.

  • Rear side squib RH malfunction

  • Airbag sensor assembly malfunction


    w/o Rear No. 2 Seat:

  • Floor wire

  • Rear side squib RH (Rear seat airbag assembly RH)

  • Airbag sensor assembly


    w/ Rear No. 2 Seat:

  • Floor wire

  • Rear seat wire RH

  • Rear side squib RH (Rear seat airbag assembly RH)

  • Airbag sensor assembly

Applies to check mode
B1852/62 Short to GND in Rear Side Squib RH Circuit
  • The airbag sensor assembly detects a short to ground in the rear side squib RH circuit.

  • Rear side squib RH malfunction

  • Airbag sensor assembly malfunction


    w/o Rear No. 2 Seat:

  • Floor wire

  • Rear side squib RH (Rear seat airbag assembly RH)

  • Airbag sensor assembly


    w/ Rear No. 2 Seat:

  • Floor wire

  • Rear seat wire RH

  • Rear side squib RH (Rear seat airbag assembly RH)

  • Airbag sensor assembly

Applies to check mode
B1853/62 Short to B+ in Rear Side Squib RH Circuit
  • The airbag sensor assembly detects a short to B+ in the rear side squib RH circuit.

  • Rear side squib RH malfunction

  • Airbag sensor assembly malfunction


    w/o Rear No. 2 Seat:

  • Floor wire

  • Rear side squib RH (Rear seat airbag assembly RH)

  • Airbag sensor assembly


    w/ Rear No. 2 Seat:

  • Floor wire

  • Rear seat wire RH

  • Rear side squib RH (Rear seat airbag assembly RH)

  • Airbag sensor assembly

Applies to check mode

WIRING DIAGRAM

Figure 1. w/o Rear No. 2 Seat:

B007YCFE14
*a Rear Side Squib RH (Rear Seat Airbag Assembly RH)
*b Airbag Sensor Assembly

Figure 2. w/ Rear No. 2 Seat:

B007YKBE03
*a Rx3
*b Rear Side Squib RH (Rear Seat Airbag Assembly RH)
*c Airbag Sensor Assembly

CAUTION / NOTICE / HINT

Note

After turning the engine switch off, waiting time may be required before disconnecting the cable from the negative (-) battery terminal. Therefore, make sure to read the disconnecting the cable from the negative (-) battery terminal notices before proceeding with work.

Click here

Tech Tips


  • Perform the simulation method by selecting check mode (Signal Check) using the GTS.

    Click here

  • After selecting check mode (Signal Check), perform the simulation method by wiggling each connector of the airbag system or driving the vehicle on a city road or rough road.

    Click here

PROCEDURE


  1. CHECK VEHICLE CONDITION


    1. Choose the model to be inspected.

      Result
      Result Proceed to
      w/o Rear No. 2 Seat A
      w/ Rear No. 2 Seat B

    B
    A
  2. CHECK CONNECTORS


    1. B007ZZ0C01
      *1 Rear Seat Airbag Assembly RH
      *2 Airbag Sensor Assembly
      *3 Floor Wire

      Turn the engine switch off.

    2. Disconnect the cable from the negative (-) battery terminal.

      CAUTION:

      Wait at least 90 seconds after disconnecting the cable from the negative (-) battery terminal to disable the SRS system.

    3. Check that the connectors are properly connected to the rear seat airbag assembly RH and airbag sensor assembly.

      OK
      The connectors are properly connected.

      Tech Tips

      If the connectors are not properly connected, reconnect the connectors and proceed to the next inspection.

    4. Disconnect the connectors from the rear seat airbag assembly RH and airbag sensor assembly.

    5. Check that the terminals of the connectors are not deformed or damaged.

      OK
      The terminals are not deformed or damaged.
    6. Check that the short springs of the activation prevention mechanism of the floor wire connector are not deformed or damaged.

      OK
      The short springs are not deformed or damaged.
      Result
      Proceed to
      OK
      NG

    NG
    OK
  3. CHECK REAR SEAT AIRBAG ASSEMBLY RH


    1. B007Y3TC16
      *1 Rear Seat Airbag Assembly RH
      *2 Airbag Sensor Assembly
      *a

      Front view of wire harness connector

      (to Rear Seat Airbag Assembly RH)

      Connect the connector to the airbag sensor assembly.

    2. Connect SST (resistance 2.1 Ω) to connector C.

      CAUTION:

      Never connect a tester to the rear seat airbag assembly RH for measurement, as this may lead to a serious injury due to airbag deployment.

      Note


      • Do not forcibly insert SST into the terminals of the connector when connecting it.

      • Insert SST straight into the terminals of the connector.

      SST
      09843-18061
    3. Connect the cable to the negative (-) battery terminal.

    4. Clear the DTCs stored in memory.

      Click here


      Body Electrical > SRS Airbag > Clear DTCs
    5. Turn the engine switch off.

    6. Turn the engine switch on (IG), and wait for at least 60 seconds.

    7. Check for DTCs.

      Click here


      Body Electrical > SRS Airbag > Trouble Codes
      OK
      DTC B1850/62, B1851/62, B1852/62 or B1853/62 is not output.

      Tech Tips

      Codes other than DTCs B1850/62, B1851/62, B1852/62 and B1853/62 may be output at this time, but they are not related to this check.

    8. Turn the engine switch off.

    9. Disconnect the cable from the negative (-) battery terminal.

      CAUTION:

      Wait at least 90 seconds after disconnecting the cable from the negative (-) battery terminal to disable the SRS system.

    10. Disconnect SST from connector C.

      Result
      Proceed to
      OK
      NG

    OK
    NG
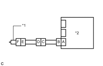
  4. CHECK FLOOR WIRE


    1. B007YI2C42
      *1 Rear Seat Airbag Assembly RH
      *2 Airbag Sensor Assembly
      *3 Floor Wire
      *a

      Front view of wire harness connector

      (to Rear Seat Airbag Assembly RH)

      Disconnect the floor wire from the airbag sensor assembly.

    2. Check for a short to B+ in the circuit.


      1. Connect the cable to the negative (-) battery terminal.

      2. Turn the engine switch on (IG).

      3. Measure the voltage according to the value(s) in the table below.

        Standard Voltage
        Tester Connection Condition Specified Condition
        R18-1 (SRR+) - Body ground Engine switch on (IG) Below 1 V
        R18-2 (SRR-) - Body ground Engine switch on (IG) Below 1 V
      4. Turn the engine switch off.

      5. Disconnect the cable from the negative (-) battery terminal.

        CAUTION:

        Wait at least 90 seconds after disconnecting the cable from the negative (-) battery terminal to disable the SRS system.

    3. Check for an open in the circuit.


      1. Measure the resistance according to the value(s) in the table below.

        Standard Resistance
        Tester Connection Condition Specified Condition
        R18-1 (SRR+) - R18-2 (SRR-) Always Below 1 Ω
    4. Check for a short to ground in the circuit.


      1. Measure the resistance according to the value(s) in the table below.

        Standard Resistance
        Tester Connection Condition Specified Condition
        R18-1 (SRR+) - Body ground Always 1 MΩ or higher
        R18-2 (SRR-) - Body ground Always 1 MΩ or higher
    5. Check for a short in the circuit.


      1. Release the activation prevention mechanism built into connector B.

        Click here

      2. Measure the resistance according to the value(s) in the table below.

        Standard Resistance
        Tester Connection Condition Specified Condition
        R18-1 (SRR+) - R18-2 (SRR-) Always 1 MΩ or higher
      3. Restore the released activation prevention mechanism of connector B to the original condition.

      Result
      Proceed to
      OK
      NG

    NG
    OK
  5. CHECK DTC


    1. B007Y54C01
      *1 Rear Seat Airbag Assembly RH
      *2 Airbag Sensor Assembly

      Connect the connectors to the rear seat airbag assembly RH and airbag sensor assembly.

    2. Connect the cable to the negative (-) battery terminal.

    3. Clear the DTCs stored in memory.

      Click here


      Body Electrical > SRS Airbag > Clear DTCs
    4. Turn the engine switch off.

    5. Turn the engine switch on (IG), and wait for at least 60 seconds.

    6. Check for DTCs.

      Click here


      Body Electrical > SRS Airbag > Trouble Codes
      OK
      DTC B1850/62, B1851/62, B1852/62 or B1853/62 is not output.

      Tech Tips

      Codes other than DTCs B1850/62, B1851/62, B1852/62 and B1853/62 may be output at this time, but they are not related to this check.

      Result
      Proceed to
      OK
      NG

    OK
    NG
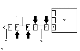
  6. CHECK CONNECTORS


    1. B007Z9BC03
      *1 Rear Seat Airbag Assembly RH
      *2 Airbag Sensor Assembly
      *3 Rear Seat Wire RH
      *4 Floor Wire

      Turn the engine switch off.

    2. Disconnect the cable from the negative (-) battery terminal.

      CAUTION:

      Wait at least 90 seconds after disconnecting the cable from the negative (-) battery terminal to disable the SRS system.

    3. Check that the connectors are properly connected to the rear seat airbag assembly RH and airbag sensor assembly. Also check that the connectors that link the floor wire and rear seat wire RH are properly connected.

      OK
      The connectors are properly connected.

      Tech Tips

      If the connectors are not properly connected, reconnect the connectors and proceed to the next inspection.

    4. Disconnect the connectors from the rear seat airbag assembly RH and airbag sensor assembly. Also disconnect the floor wire from the rear seat wire RH.

    5. Check that the terminals of the connectors are not deformed or damaged.

      OK
      The terminals are not deformed or damaged.
    6. Check that the short springs of the activation prevention mechanisms of the floor wire connector and rear seat wire RH connector are not deformed or damaged.

      OK
      The short springs are not deformed or damaged.
      Result
      Proceed to
      OK
      NG

    NG
    OK
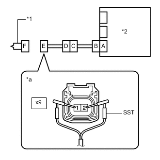
  7. CHECK REAR SEAT AIRBAG ASSEMBLY RH


    1. B007YPCC01
      *1 Rear Seat Airbag Assembly RH
      *2 Airbag Sensor Assembly
      *a

      Front view of wire harness connector

      (to Rear Seat Airbag Assembly RH)

      Connect the floor wire to the rear seat wire RH and airbag sensor assembly.

    2. Connect SST (resistance 2.1 Ω) to connector E.

      CAUTION:

      Never connect a tester to the rear seat airbag assembly RH for measurement, as this may lead to a serious injury due to airbag deployment.

      Note


      • Do not forcibly insert SST into the terminals of the connector when connecting it.

      • Insert SST straight into the terminals of the connector.

      SST
      09843-18061
    3. Connect the cable to the negative (-) battery terminal.

    4. Turn the engine switch on (IG), and wait for at least 60 seconds.

    5. Clear the DTCs stored in memory.


      Body Electrical > SRS Airbag > Clear DTCs
    6. Turn the engine switch off.

    7. Turn the engine switch on (IG), and wait for at least 60 seconds.

    8. Check for DTCs.


      Body Electrical > SRS Airbag > Trouble Codes
      OK
      DTC B1850/62, B1851/62, B1852/62 or B1853/62 is not output.

      Tech Tips

      Codes other than DTCs B1850/62, B1851/62, B1852/62 and B1853/62 may be output at this time, but they are not related to this check.

    9. Turn the engine switch off.

    10. Disconnect the cable from the negative (-) battery terminal.

      CAUTION:

      Wait at least 90 seconds after disconnecting the cable from the negative (-) battery terminal to disable the SRS system.

    11. Disconnect SST from connector E.

      Result
      Proceed to
      OK
      NG

    OK
    NG
  8. CHECK WIRE HARNESS (AIRBAG SENSOR ASSEMBLY - REAR SEAT AIRBAG ASSEMBLY RH)


    1. B007Z71C04
      *1 Rear Seat Airbag Assembly RH
      *2 Airbag Sensor Assembly
      *a

      Front view of wire harness connector

      (to Rear Seat Airbag Assembly RH)

      Disconnect the floor wire from the airbag sensor assembly.

    2. Check for a short to B+ in the circuit.


      1. Connect the cable to the negative (-) battery terminal.

      2. Turn the engine switch on (IG).

      3. Measure the voltage according to the value(s) in the table below.

        Standard Voltage
        Tester Connection Condition Specified Condition
        x9-1 (SRR+) - Body ground Engine switch on (IG) Below 1 V
        x9-2 (SRR-) - Body ground Engine switch on (IG) Below 1 V
      4. Turn the engine switch off.

      5. Disconnect the cable from the negative (-) battery terminal.

        CAUTION:

        Wait at least 90 seconds after disconnecting the cable from the negative (-) battery terminal to disable the SRS system.

    3. Check for an open in the circuit.


      1. Measure the resistance according to the value(s) in the table below.

        Standard Resistance
        Tester Connection Condition Specified Condition
        x9-1 (SRR+) - x9-2 (SRR-) Always Below 1 Ω
    4. Check for a short to ground in the circuit.


      1. Measure the resistance according to the value(s) in the table below.

        Standard Resistance
        Tester Connection Condition Specified Condition
        x9-1 (SRR+) - Body ground Always 1 MΩ or higher
        x9-2 (SRR-) - Body ground Always 1 MΩ or higher
    5. Check for a short in the circuit.


      1. Release the activation prevention mechanism built into connector B.

        Click here

      2. Measure the resistance according to the value(s) in the table below.

        Standard Resistance
        Tester Connection Condition Specified Condition
        x9-1 (SRR+) - x9-2 (SRR-) Always 1 MΩ or higher
      3. Restore the released activation prevention mechanism of connector B to the original condition.

      Result
      Proceed to
      OK
      NG

    NG
    OK
  9. CHECK DTC


    1. B007YXUC05
      *1 Rear Seat Airbag Assembly RH
      *2 Airbag Sensor Assembly

      Connect the connectors to the rear seat airbag assembly RH and airbag sensor assembly.

    2. Connect the cable to the negative (-) battery terminal.

    3. Turn the engine switch on (IG), and wait for at least 60 seconds.

    4. Clear the DTCs stored in memory.


      Body Electrical > SRS Airbag > Clear DTCs
    5. Turn the engine switch off.

    6. Turn the engine switch on (IG), and wait for at least 60 seconds.

    7. Check for DTCs.


      Body Electrical > SRS Airbag > Trouble Codes
      OK
      DTC B1850/62, B1851/62, B1852/62 or B1853/62 is not output.

      Tech Tips

      Codes other than DTCs B1850/62, B1851/62, B1852/62 and B1853/62 may be output at this time, but they are not related to this check.

      Result
      Proceed to
      OK
      NG

    OK
    NG
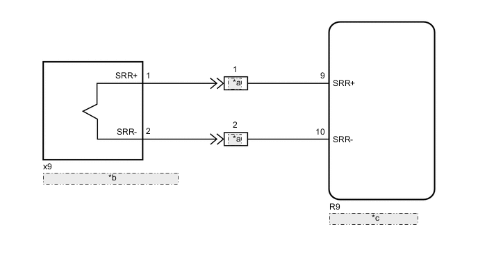
  10. CHECK FLOOR WIRE


    1. B007X7KC02
      *1 Rear Seat Airbag Assembly RH
      *2 Airbag Sensor Assembly
      *3 Rear Seat Wire RH
      *4 Floor Wire
      *a

      Front view of wire harness connector

      (to Rear Seat Wire RH)

      Disconnect the rear seat wire RH from the floor wire.

    2. Check for a short to B+ in the circuit.


      1. Connect the cable to the negative (-) battery terminal.

      2. Turn the engine switch on (IG).

      3. Measure the voltage according to the value(s) in the table below.

        Standard Voltage
        Tester Connection Condition Specified Condition
        Rx3-1 (SRR+) - Body ground Engine switch on (IG) Below 1 V
        Rx3-2 (SRR-) - Body ground Engine switch on (IG) Below 1 V
      4. Turn the engine switch off.

      5. Disconnect the cable from the negative (-) battery terminal.

        CAUTION:

        Wait at least 90 seconds after disconnecting the cable from the negative (-) battery terminal to disable the SRS system.

    3. Check for an open in the circuit.


      1. Measure the resistance according to the value(s) in the table below.

        Standard Resistance
        Tester Connection Condition Specified Condition
        Rx3-1 (SRR+) - Rx3-2 (SRR-) Always Below 1 Ω
    4. Check for a short to ground in the circuit.


      1. Measure the resistance according to the value(s) in the table below.

        Standard Resistance
        Tester Connection Condition Specified Condition
        Rx3-1 (SRR+) - Body ground Always 1 MΩ or higher
        Rx3-2 (SRR-) - Body ground Always 1 MΩ or higher
    5. Check for a short in the circuit.


      1. Release the activation prevention mechanism built into connector B.

        Click here

      2. Measure the resistance according to the value(s) in the table below.

        Standard Resistance
        Tester Connection Condition Specified Condition
        Rx3-1 (SRR+) - Rx3-2 (SRR-) Always 1 MΩ or higher
      3. Restore the released activation prevention mechanism of connector B to the original condition.

      Result
      Proceed to
      OK
      NG

    NG
    OK
  11. CHECK REAR SEAT WIRE RH


    1. B007Z78C02
      *1 Rear Seat Airbag Assembly RH
      *2 Airbag Sensor Assembly
      *3 Rear Seat Wire RH
      *4 Floor Wire
      *a

      Front view of wire harness connector

      (to Rear Seat Airbag Assembly RH)

      Check for a short to B+ in the circuit.


      1. Connect the cable to the negative (-) battery terminal.

      2. Turn the engine switch on (IG).

      3. Measure the voltage according to the value(s) in the table below.

        Standard Voltage
        Tester Connection Condition Specified Condition
        x9-1 (SRR+) - Body ground Engine switch on (IG) Below 1 V
        x9-2 (SRR-) - Body ground Engine switch on (IG) Below 1 V
      4. Turn the engine switch off.

      5. Disconnect the cable from the negative (-) battery terminal.

        CAUTION:

        Wait at least 90 seconds after disconnecting the cable from the negative (-) battery terminal to disable the SRS system.

    2. Check for an open in the circuit.


      1. Measure the resistance according to the value(s) in the table below.

        Standard Resistance
        Tester Connection Condition Specified Condition
        x9-1 (SRR+) - x9-2 (SRR-) Always Below 1 Ω
    3. Check for a short to ground in the circuit.


      1. Measure the resistance according to the value(s) in the table below.

        Standard Resistance
        Tester Connection Condition Specified Condition
        x9-1 (SRR+) - Body ground Always 1 MΩ or higher
        x9-2 (SRR-) - Body ground Always 1 MΩ or higher
    4. Check for a short in the circuit.


      1. Release the activation prevention mechanism built into connector D.

        Click here

      2. Measure the resistance according to the value(s) in the table below.

        Standard Resistance
        Tester Connection Condition Specified Condition
        x9-1 (SRR+) - x9-2 (SRR-) Always 1 MΩ or higher
      3. Restore the released activation prevention mechanism of connector D to the original condition.

      Result
      Proceed to
      OK
      NG

    OK
    NG