HYBRID CONTROL SYSTEM, Diagnostic DTC:P0AA6-526, P0AA6-611, P0AA6-612, P0AA6-613, P0AA6-614

DTC Code DTC Name
P0AA6-526 Hybrid Battery Voltage System Isolation Fault
P0AA6-611 Hybrid Battery Voltage System Isolation Fault
P0AA6-612 Hybrid Battery Voltage System Isolation Fault
P0AA6-613 Hybrid Battery Voltage System Isolation Fault
P0AA6-614 Hybrid Battery Voltage System Isolation Fault

DESCRIPTION

The power management control ECU monitors the battery smart unit and detects insulation malfunctions in the high-voltage system.

DTC No. INF Code DTC Detection Condition Trouble Area
P0AA6 526(*3) Insulation resistance between the high-voltage circuit and the body has decreased.
  • Hybrid vehicle transmission assembly

  • Motor cable

  • Generator cable

  • Inverter with converter assembly

  • No. 4 floor wire

  • No. 4 floor wire (air conditioning harness)*1

  • Air conditioning harness*2

  • Power steering converter wire

  • Power steering converter assembly

  • Hybrid battery junction block assembly

  • Air conditioning system

  • HV battery

  • Battery smart unit

611 Insulation resistance of the high voltage circuit in the air conditioning system has decreased. Air conditioning system
612 Insulation resistance of the HV battery area has decreased.
  • Hybrid battery junction block assembly

  • Battery smart unit

  • HV battery

613 Insulation resistance of the transmission area has decreased.
  • Hybrid vehicle transmission assembly

  • Motor cable

  • Generator cable

  • Inverter with converter assembly

614 Insulation resistance of the high-voltage DC area has decreased.
  • Inverter with converter assembly

  • No. 4 floor wire

  • Air conditioning system

  • No. 4 floor wire (air conditioning harness)*1

  • Air conditioning harness*2

  • Power steering converter wire

  • Power steering converter assembly

  • Hybrid battery junction block assembly


Tech Tips


  • *3: INF code 526 is stored together with P0AA6.

  • If DTC P0AA6 is stored, the vehicle cannot start.

  • When measuring insulation resistance using a megohmmeter, measure the resistance while jiggling the high voltage wire harness.

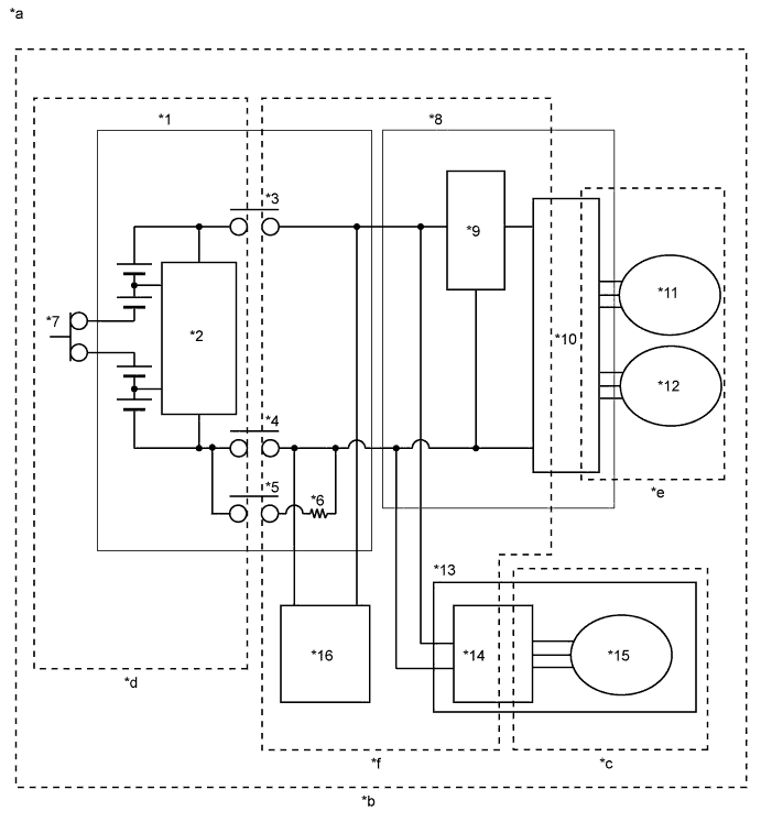
WIRING DIAGRAM

A01FRT2E01
Text in Illustration
*1 HV Battery *2 Battery Smart Unit
*3 SMRB *4 SMRG
*5 SMRP *6 System Main Resistor
*7 Service Plug Grip *8 Inverter with Converter Assembly
*9 Boost Converter *10 Inverter
*11 MG1 *12 MG2
*13 Compressor with Motor Assembly *14 A/C Inverter
*15 A/C Motor *16 Power Steering Converter Assembly
*a High-voltage Areas *b INF Code 526 Vehicle Insulation Resistance Reduction Area
*c INF Code 611 Air Conditioning System Area *d INF Code 612 HV Battery Area
*e INF Code 613 Transmission Area *f INF Code 614 High Voltage Direct Current Area
A01FVDKE02
A01FVDKE03

SYSTEM DESCRIPTION

Tech Tips

If a decrease in insulation resistance cannot be confirmed using a megohmmeter, check the Short Wave Highest Val item in the Data List.


  1. Characteristics of Short Wave Highest Value


    1. The Data List item Short Wave Highest Val and insulation resistance have the relationship shown in the table below. Short Wave Highest Val decreases with a decrease in insulation resistance. However, in some cases, even though the insulation resistance of the vehicle is normal, Short Wave Highest Val may decrease. Therefore, check Short Wave Highest Val while considering the following.


      • Do not check until approximately 1 minute has passed after the power switch is turned on (IG) (*1).

      • Do not check when there is a difference between the system voltages (Power Resource VB, VL-Voltage before Boosting, and VH-Voltage after Boosting) (*2).

        Short Wave Highest Value Trouble Area
        Neither condition (*1) nor (*2) is met and Short Wave Highest Val is approximately 0 V Since the insulation resistance is close to 0 Ω, there is a strong possibility of interference with a metal object.
        Neither condition (*1) nor (*2) is met and Short Wave Highest Val is between 0 and 5 V Since the insulation resistance is several hundred kilo ohms, there is a strong possibility of the presence of fluid such as coolant.
  2. How to Determine Part with Insulation Malfunction


    1. Jiggle the high-voltage wire harness to check if the resistance to body ground changes with the position of the wire harness or force applied.

    2. Repeat rotating and stopping of the MG1, MG2 and compressor with motor assembly. Check that the Short Wave Highest Val does not decrease (for example if the motor stops with foreign matter forming a leak path) when the motor stops, or that the Short Wave Highest Val does not return to normal (for example if foreign matter moves away from the leak path) when the motor rotates.

    3. Increase the temperature of MG1and MG2. Check if the Short Wave Highest Val decreases with the temperature increase.

    4. Check that the transmission fluid is not cloudy and the coolant level in the reserve tank has not dropped as the transmission fluid will become cloudy when mixed with coolant, resulting in low insulation resistance.

INSPECTION PROCEDURE

CAUTION:


  • When performing P0AA6 troubleshooting, use either a tool wrapped with vinyl insulation tape or an insulated tool. It is extremely dangerous when a high-voltage charge passes through a non-insulated tool causing a short.

  • Before inspecting the high-voltage system or disconnecting the low voltage connector of the inverter with converter assembly, take safety precautions such as wearing insulated gloves and removing the service plug grip to prevent electrical shocks. After removing the service plug grip, put it in your pocket to prevent other technicians from accidentally reconnecting it while you are working on the high-voltage system.

  • After removing the service plug grip, wait for at least 10 minutes before touching any of the high-voltage connectors or terminals. After waiting for 10 minutes, check the voltage at the terminals in the inspection point in the inverter with converter assembly. The voltage should be 0 V before beginning work Click here.

    Tech Tips

    Waiting for at least 10 minutes is required to discharge the high-voltage capacitor inside the inverter with converter assembly.

  • When disposing of an HV battery, make sure to return it through an authorized collection agent that is capable of handling it safely. If the HV battery is returned via the manufacturer specified route, it will be returned properly and in a safe manner by an authorized collection agent.

Note

After turning the power switch off, waiting time may be required before disconnecting the cable from the negative (-) auxiliary battery terminal. Therefore, make sure to read the disconnecting the cable from the negative (-) auxiliary battery terminal notices before proceeding with work Click here.

Tech Tips

When measuring insulation resistance using a megohmmeter, set the megohmmeter to 500 V.

PROCEDURE


  1. CHECK DTC OUTPUT (HYBRID CONTROL)


    1. Connect the GTS to the DLC3.

    2. Turn the power switch on (IG).

    3. Enter the following menus: Powertrain / Hybrid Control / Trouble Codes.

    4. Check if DTCs are output.

      Result
      Result Proceed to
      P0AA6 only is output. A
      P0AA6 and P0A1D (power management control ECU malfunction) are output. B
      P0AA6 and P0AA7 (malfunction in the battery smart unit) are output. C
      P0AA6 and P0AFC (Hybrid Battery Pack Sensor Module) are output. D
    5. Turn the power switch off.


    B
    C
    D
    A
  2. CHECK INFORMATION CODE


    1. Connect the GTS to the DLC3.

    2. Turn the power switch on (IG).

    3. Enter the following menus: Powertrain / Hybrid Control / Trouble Codes.

    4. Access the freeze frame data of DTC P0AA6 and read the INF code.

      Note

      INF codes 611, 612, 613 and 614 are not stored at the same time with INF code 526. If INF code 526 only is output, turn the power switch off and wait 30 seconds to determine the malfunctioning area. Then, turn the power switch on (IG) and read the INF code again.

      Result
      Result Proceed to
      526 (decrease in the insulation resistance of the high-voltage circuit) only is output A
      526 and 611 (decrease in the insulation resistance of the air conditioning system area) are output

      Refer to the troubleshooting procedures for P0AA6-611 (Air conditioning system) Click here

      526 and 612 (decrease in the insulation resistance of the battery area) are output B
      526 and 613 (decrease in the insulation resistance of the transmission area) are output C
      526 and 614 (decrease in the insulation resistance of the high-voltage DC area) are output D
    5. Turn the power switch off.


    B
    C
    D
    A
  3. CHECK HYBRID VEHICLE TRANSMISSION ASSEMBLY (MOTOR CABLE)

    CAUTION:

    Be sure to wear insulated gloves.


    1. Turn the power switch off.

    2. Check that the service plug grip is not installed.

      Note

      After removing the service plug grip, do not turn the power switch on (READY), unless instructed by the repair manual because this may cause a malfunction.

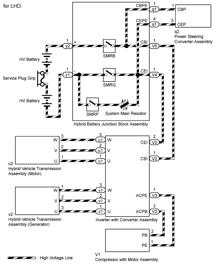
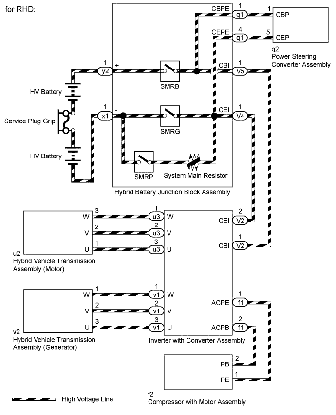
    3. A01FRI1E01
      Text in Illustration
      *A for LHD
      *B for RHD

      for Type A:


      1. Remove the inverter terminal cover from the inverter with converter assembly.

        Tech Tips

        Make sure that no foreign objects have entered or contaminated the inverter with converter assembly.

    4. A01FV5DE02
      Text in Illustration
      *A for LHD
      *B for RHD

      for Type B:


      1. Remove the inverter terminal cover from the inverter with converter assembly.

        Tech Tips

        Make sure that no foreign objects have entered or contaminated the inverter with converter assembly.

    5. A01FRCRE01
      Text in Illustration
      *A for LHD
      *B for RHD
      *1 Generator Cable
      *2 Motor Cable

      Disconnect the motor cable and generator cable from the inverter with converter assembly.

    6. A01FUB2E01
      Text in Illustration
      *A for LHD
      *B for RHD
      *1 Shield Ground
      *a Motor Cable (Inverter with Converter Assembly Side)

      Using a megohmmeter set to 500 V, measure the resistance according to the value(s) in the table below.

      Note

      Be sure to set the megohmmeter to 500 V when performing this test. Using a setting higher than 500 V can result in damage to the component being inspected.

      Standard Resistance
      for LHD
      Tester Connection Switch Condition Specified Condition
      u1-1 (U) - Body ground and shield ground Power switch off 100 MΩ or higher
      u1-2 (V) - Body ground and shield ground Power switch off 100 MΩ or higher
      u1-3 (W) - Body ground and shield ground Power switch off 100 MΩ or higher
      for RHD
      Tester Connection Switch Condition Specified Condition
      u3-3 (U) - Body ground and shield ground Power switch off 100 MΩ or higher
      u3-2 (V) - Body ground and shield ground Power switch off 100 MΩ or higher
      u3-1 (W) - Body ground and shield ground Power switch off 100 MΩ or higher

    NG
    OK
  4. CHECK HYBRID VEHICLE TRANSMISSION ASSEMBLY (GENERATOR CABLE)

    CAUTION:

    Be sure to wear insulated gloves.


    1. Check that the service plug grip is not installed.

      Note

      After removing the service plug grip, do not turn the power switch on (READY), unless instructed by the repair manual because this may cause a malfunction.

    2. A01FSH3E01
      Text in Illustration
      *A for LHD
      *B for RHD
      *1 Shield Ground
      *a Generator Cable (Inverter with Converter Assembly Side)

      Using a megohmmeter set to 500 V, measure the resistance according to the value(s) in the table below.

      Note

      Be sure to set the megohmmeter to 500 V when performing this test. Using a setting higher than 500 V can result in damage to the component being inspected.

      Standard Resistance
      for LHD
      Tester Connection Switch Condition Specified Condition
      v1-1 (U) - Body ground and shield ground Power switch off 100 MΩ or higher
      v1-2 (V) - Body ground and shield ground Power switch off 100 MΩ or higher
      v1-3 (W) - Body ground and shield ground Power switch off 100 MΩ or higher
      for RHD
      Tester Connection Switch Condition Specified Condition
      v1-3 (U) - Body ground and shield ground Power switch off 100 MΩ or higher
      v1-2 (V) - Body ground and shield ground Power switch off 100 MΩ or higher
      v1-1 (W) - Body ground and shield ground Power switch off 100 MΩ or higher

    NG
    OK
  5. CHECK HARNESS AND CONNECTOR

    CAUTION:

    Be sure to wear insulated gloves.


    1. Check that the service plug grip is not installed.

      Note

      After removing the service plug grip, do not turn the power switch on (READY), unless instructed by the repair manual because this may cause a malfunction.

    2. A01FRDPE01
      Text in Illustration
      *A for LHD
      *B for RHD

      Remove the connector cover assembly from the inverter with converter assembly.

      Tech Tips

      Make sure that no foreign objects have entered or contaminated the inverter with converter assembly.

    3. for LHD:


      1. Disconnect the connector of the No. 4 floor wire (air conditioning harness) from the inverter with converter assembly.

        A01FRAS

        Tech Tips

        Make sure that no foreign objects have entered or contaminated the connector of the No. 4 floor wire (air conditioning harness).

      2. Using a megohmmeter set to 500 V, measure the resistance according to the value(s) in the table below.

        A01FUUGE08

        Note

        Be sure to set the megohmmeter to 500 V when performing this test. Using a setting higher than 500 V can result in damage to the component being inspected.

        Standard Resistance
        Tester Connection Switch Condition Specified Condition
        V3-1 (ACPE) - Body ground and shield ground Power switch off 3 MΩ or higher
        V3-2 (ACPB) - Body ground and shield ground Power switch off 3 MΩ or higher
        Text in Illustration
        *1 Shield Ground
        *a

        Front view of No. 4 floor wire (Air Conditioning Harness) connector

        (to Inverter with Converter Assembly)

    4. for RHD:


      1. Disconnect the connector of the air conditioning harness from the inverter with converter assembly.

        A01FRF7

        Tech Tips

        Make sure that no foreign objects have entered or contaminated the connector of the air conditioning harness.

      2. Using a megohmmeter set to 500 V, measure the resistance according to the value(s) in the table below.

        A01FUUGE11

        Note

        Be sure to set the megohmmeter to 500 V when performing this test. Using a setting higher than 500 V can result in damage to the component being inspected.

        Standard Resistance
        Tester Connection Switch Condition Specified Condition
        f1-1 (ACPE) - Body ground and shield ground Power switch off 3 MΩ or higher
        f1-2 (ACPB) - Body ground and shield ground Power switch off 3 MΩ or higher
        Text in Illustration
        *1 Shield Ground
        *a

        Front view of air conditioning harness connector

        (to Inverter with Converter Assembly)


    NG
    OK
  6. CHECK INVERTER WITH CONVERTER ASSEMBLY

    CAUTION:

    Be sure to wear insulated gloves.


    1. Check that the service plug grip is not installed.

      Note

      After removing the service plug grip, do not turn the power switch on (READY), unless instructed by the repair manual because this may cause a malfunction.

    2. A01FUXUE01
      Text in Illustration
      *A for LHD
      *B for RHD

      Disconnect the connector of the No. 4 floor wire from the inverter with converter assembly.

      Tech Tips

      Make sure that no foreign objects have entered or contaminated the connector of the No. 4 floor wire.

    3. A01FS0KE01
      Text in Illustration
      *1 EV Fuse

      Using a megohmmeter set to 500 V, measure the resistance according to the value(s) in the table below.

      Note

      Be sure to set the megohmmeter to 500 V when performing this test. Using a setting higher than 500 V can result in damage to the component being inspected.

      Standard Resistance
      Tester Connection Switch Condition Specified Condition
      EV fuse terminal - Body ground Power switch off 1 MΩ or higher

      Tech Tips

      Perform this inspection with the motor cable, generator cable and No. 4 floor wire (air conditioning harness)*1 or air conditioning harness*2 disconnected from the inverter with converter assembly.


      • *1: for LHD

      • *2: for RHD


    NG
    OK
  7. CHECK NO. 4 FLOOR WIRE

    CAUTION:

    Be sure to wear insulated gloves.


    1. Check that the service plug grip is not installed.

      Note

      After removing the service plug grip, do not turn the power switch on (READY), unless instructed by the repair manual because this may cause a malfunction.

    2. A01FUKKE01
      Text in Illustration
      *1 Shield Ground
      *a

      Front view of No. 4 floor wire connector

      (to Inverter with Converter Assembly)

      Using a megohmmeter set to 500 V, measure the resistance according to the value(s) in the table below.

      Note

      Be sure to set the megohmmeter to 500 V when performing this test. Using a setting higher than 500 V can result in damage to the component being inspected.

      Standard Resistance
      Tester Connection Switch Condition Specified Condition
      V2-1 (CBI) - Body ground and shield ground Power switch off 10 MΩ or higher
      V2-2 (CEI) - Body ground and shield ground Power switch off 10 MΩ or higher

      Tech Tips

      Visually inspect the No. 4 floor wire for damage. If there is any damage, then this is the likely cause of low insulation resistance.


    NG
    OK
  8. CHECK HYBRID BATTERY JUNCTION BLOCK ASSEMBLY

    CAUTION:

    Be sure to wear insulated gloves.


    1. Turn the power switch off.

    2. Check that the service plug grip is not installed.

      Note

      After removing the service plug grip, do not turn the power switch on (READY), unless instructed by the repair manual because this may cause a malfunction.

    3. Remove the upper hybrid battery cover sub-assembly Click here.

    4. Disconnect the connector of the HV battery high voltage terminal from the hybrid battery junction block assembly.

    5. A01FVFJE01
      Text in Illustration
      *a

      Component without harness connected

      (Hybrid Battery Junction Block Assembly)

      Using a megohmmeter set to 500 V, measure the resistance according to the value(s) in the table below.

      Note

      Be sure to set the megohmmeter to 500 V when performing this test. Using a setting higher than 500 V can result in damage to the component being inspected.

      Standard Resistance
      Tester Connection Switch Condition Specified Condition
      y2-1 (+) - Body ground Power switch off 10 MΩ or higher
      x1-1 (-) - Body ground Power switch off 10 MΩ or higher
      Result
      Result Proceed to
      NG A
      OK B

    B
    A
  9. CHECK INVERTER WITH CONVERTER ASSEMBLY

    CAUTION:

    Be sure to wear insulated gloves.


    1. Turn the power switch off.

    2. Check that the service plug grip is not installed.

      Note

      After removing the service plug grip, do not turn the power switch on (READY), unless instructed by the repair manual because this may cause a malfunction.

    3. A01FRI1E01
      Text in Illustration
      *A for LHD
      *B for RHD

      for Type A:


      1. Remove the inverter terminal cover from the inverter with converter assembly.

        Tech Tips

        Make sure that no foreign objects have entered or contaminated the inverter with converter assembly.

    4. A01FV5DE02
      Text in Illustration
      *A for LHD
      *B for RHD

      for Type B:


      1. Remove the inverter terminal cover from the inverter with converter assembly.

        Tech Tips

        Make sure that no foreign objects have entered or contaminated the inverter with converter assembly.

    5. A01FRCRE01
      Text in Illustration
      *A for LHD
      *B for RHD
      *1 Generator Cable
      *2 Motor Cable

      Disconnect the motor cable and generator cable from the inverter with converter assembly.

    6. A01FRDPE01
      Text in Illustration
      *A for LHD
      *B for RHD

      Remove the connector cover assembly from the inverter with converter assembly.

      Tech Tips

      Make sure that no foreign objects have entered or contaminated the inverter with converter assembly.

    7. A01FS0KE01
      Text in Illustration
      *1 EV Fuse

      Using a megohmmeter set to 500 V, measure the resistance according to the value(s) in the table below.

      Note

      Be sure to set the megohmmeter to 500 V when performing this test. Using a setting higher than 500 V can result in damage to the component being inspected.

      Standard Resistance
      Tester Connection Switch Condition Specified Condition
      EV fuse terminal - Body ground Power switch off 1 MΩ or higher
      Result
      Result Proceed to
      NG A
      OK B

    B
    A
  10. CHECK HIGH VOLTAGE DIRECT CURRENT AREA

    CAUTION:

    Be sure to wear insulated gloves.


    1. Turn the power switch off.

    2. Check that the service plug grip is not installed.

      Note

      After removing the service plug grip, do not turn the power switch on (READY), unless instructed by the repair manual because this may cause a malfunction.

    3. A01FRDPE01
      Text in Illustration
      *A for LHD
      *B for RHD

      Remove the connector cover assembly from the inverter with converter assembly.

      Tech Tips

      Make sure that no foreign objects have entered or contaminated the inverter with converter assembly.

    4. A01FUXUE01
      Text in Illustration
      *A for LHD
      *B for RHD

      Disconnect the connector of the No. 4 floor wire from the inverter with converter assembly.

      Tech Tips

      Make sure that no foreign objects have entered or contaminated the connector of the No. 4 floor wire.

    5. A01FUKKE01
      Text in Illustration
      *1 Shield Ground
      *a

      Front view of No. 4 floor wire connector

      (to Inverter with Converter Assembly)

      Using a megohmmeter set to 500 V, measure the resistance according to the value(s) in the table below.

      Note

      Be sure to set the megohmmeter to 500 V when performing this test. Using a setting higher than 500 V can result in damage to the component being inspected.

      Standard Resistance
      Tester Connection Switch Condition Specified Condition
      V2-1 (CBI) - Body ground and shield ground Power switch off 10 MΩ or higher
      V2-2 (CEI) - Body ground and shield ground Power switch off 10 MΩ or higher

      Tech Tips

      Visually inspect the No. 4 floor wire for damage. If there is any damage, then this is the likely cause of low insulation resistance.


    NG
    OK
  11. CHECK HARNESS AND CONNECTOR

    CAUTION:

    Be sure to wear insulated gloves.


    1. Check that the service plug grip is not installed.

      Note

      After removing the service plug grip, do not turn the power switch on (READY), unless instructed by the repair manual because this may cause a malfunction.

    2. for LHD:


      1. Disconnect the connector of the No. 4 floor wire (air conditioning harness) from the inverter with converter assembly.

        A01FRAS
      2. Using a megohmmeter set to 500 V, measure the resistance according to the value(s) in the table below.

        A01FUUGE08

        Note

        Be sure to set the megohmmeter to 500 V when performing this test. Using a setting higher than 500 V can result in damage to the component being inspected.

        Standard Resistance
        Tester Connection Switch Condition Specified Condition
        V3-1 (ACPE) - Body ground and shield ground Power switch off 3 MΩ or higher
        V3-2 (ACPB) - Body ground and shield ground Power switch off 3 MΩ or higher
        Text in Illustration
        *1 Shield Ground
        *a

        Front view of No. 4 floor wire (Air Conditioning Harness) connector

        (to Inverter with Converter Assembly)

    3. for RHD:


      1. Disconnect the connector of the air conditioning harness from the inverter with converter assembly.

        A01FRF7
      2. Using a megohmmeter set to 500 V, measure the resistance according to the value(s) in the table below.

        A01FUUGE11

        Note

        Be sure to set the megohmmeter to 500 V when performing this test. Using a setting higher than 500 V can result in damage to the component being inspected.

        Standard Resistance
        Tester Connection Switch Condition Specified Condition
        f1-1 (ACPE) - Body ground and shield ground Power switch off 3 MΩ or higher
        f1-2 (ACPB) - Body ground and shield ground Power switch off 3 MΩ or higher
        Text in Illustration
        *1 Shield Ground
        *a

        Front view of air conditioning harness connector

        (to Inverter with Converter Assembly)


    NG
    OK
  12. CHECK HARNESS AND CONNECTOR

    CAUTION:

    Be sure to wear insulated gloves.


    1. Check that the service plug grip is not installed.

      Note

      After removing the service plug grip, do not turn the power switch on (READY), unless instructed by the repair manual because this may cause a malfunction.

    2. for LHD:


      1. A01FV15E01
        Text in Illustration
        *1 Green Lock

        Disconnect the connector of the No. 4 floor wire (air conditioning harness) from the compressor with motor assembly.

      2. A01FUUGE08
        Text in Illustration
        *1 Shield Ground
        *a

        Front view of No. 4 floor wire (Air Conditioning Harness) connector

        (to Inverter with Converter Assembly)

        Using a megohmmeter set to 500 V, measure the resistance according to the value(s) in the table below.

        Note

        Be sure to set the megohmmeter to 500 V when performing this test. Using a setting higher than 500 V can result in damage to the component being inspected.

        Standard Resistance
        Tester Connection Switch Condition Specified Condition
        V3-1 (ACPE) - Body ground and shield ground Power switch off 10 MΩ or higher
        V3-2 (ACPB) - Body ground and shield ground Power switch off 10 MΩ or higher
    3. for RHD:


      1. A01FV15E01
        Text in Illustration
        *1 Green Lock

        Disconnect the connector of the air conditioning harness from the compressor with motor assembly.

      2. A01FUUGE11
        Text in Illustration
        *1 Shield Ground
        *a

        Front view of air conditioning harness connector

        (to Inverter with Converter Assembly)

        Using a megohmmeter set to 500 V, measure the resistance according to the value(s) in the table below.

        Note

        Be sure to set the megohmmeter to 500 V when performing this test. Using a setting higher than 500 V can result in damage to the component being inspected.

        Standard Resistance
        Tester Connection Switch Condition Specified Condition
        f1-1 (ACPE) - Body ground and shield ground Power switch off 10 MΩ or higher
        f1-2 (ACPB) - Body ground and shield ground Power switch off 10 MΩ or higher
      Result
      Result Proceed to
      OK A
      NG (for LHD) B
      NG (for RHD) C

    B
    C
    A
  13. CHECK NO. 4 FLOOR WIRE

    CAUTION:

    Be sure to wear insulated gloves.


    1. Check that the service plug grip is not installed.

      Note

      After removing the service plug grip, do not turn the power switch on (READY), unless instructed by the repair manual because this may cause a malfunction.

    2. Remove the No. 4 hybrid vehicle battery shield sub-assembly Click here.

    3. A01FT15

      Disconnect the No. 4 floor wire from the hybrid battery junction block assembly.

      Tech Tips

      Make sure that no foreign objects have entered or contaminated the No. 4 floor wire.

    4. A01FQ6GE01
      Text in Illustration
      *1 Shield Ground
      *2 Red Mark
      *a

      No. 4 Floor Wire

      (to Hybrid Battery Junction Block Assembly)

      Using a megohmmeter set to 500 V, measure the resistance according to the value(s) in the table below.

      Note

      Be sure to set the megohmmeter to 500 V when performing this test. Using a setting higher than 500 V can result in damage to the component being inspected.

      Standard Resistance
      Tester Connection Switch Condition Specified Condition
      V4-1 (CEI) - Body ground and shield ground Power switch off 10 MΩ or higher
      V5-1 (CBI) - Body ground and shield ground Power switch off 10 MΩ or higher

      Tech Tips

      Visually inspect the No. 4 floor wire for damage. If there is any damage, then this is the likely cause of low insulation resistance.


    NG
    OK
  14. CHECK POWER STEERING CONVERTER ASSEMBLY

    CAUTION:

    Be sure to wear insulated gloves.


    1. Check that the service plug grip is not installed.

      Note

      After removing the service plug grip, do not turn the power switch on (READY), unless instructed by the repair manual because this may cause a malfunction.

    2. Remove the No. 4 hybrid vehicle battery shield sub-assembly Click here.

    3. Disconnect the connector of the power steering converter wire from the hybrid battery junction block assembly.

    4. A01FU6KE01
      Text in Illustration
      *a

      Rear view of wire harness connector

      (to Hybrid Battery Junction Block Assembly)

      Using a megohmmeter set to 500 V, measure the resistance according to the value(s) in the table below.

      Note

      Be sure to set the megohmmeter to 500 V when performing this test. Using a setting higher than 500 V can result in damage to the component being inspected.

      Standard Resistance
      Tester Connection Switch Condition Specified Condition
      q1-1 (CBPE) - Body ground Power switch off 30 MΩ or higher
      q1-4 (CEPE) - Body ground Power switch off 30 MΩ or higher

    NG
    OK
  15. CHECK HV BATTERY

    CAUTION:

    Be sure to wear insulated gloves.


    1. Check that the service plug grip is not installed.

      Note

      After removing the service plug grip, do not turn the power switch on (READY), unless instructed by the repair manual because this may cause a malfunction.

    2. Remove the No. 4 hybrid vehicle battery carrier bracket sub-assembly Click here.

    3. A01FS7S

      Disconnect the connector from the battery smart unit.

    4. A01FSDLE01

      Using a megohmmeter set to 500 V, measure the resistance according to the value(s) in the table below.

      Note

      Be sure to set the megohmmeter to 500 V when performing this test. Using a setting higher than 500 V can result in damage to the component being inspected.

      Standard Resistance
      Tester Connection Switch Condition Specified Condition
      1 - Body ground Power switch off 10 MΩ or higher
      2 - Body ground Power switch off 10 MΩ or higher

    NG
    OK
  16. CHECK MOTOR CABLE

    CAUTION:

    Be sure to wear insulated gloves.


    1. Check that the service plug grip is not installed.

      Note

      After removing the service plug grip, do not turn the power switch on (READY), unless instructed by the repair manual because this may cause a malfunction.

    2. Disconnect the motor cable from the hybrid vehicle transmission assembly Click here.

    3. A01FUB2E01
      Text in Illustration
      *A for LHD
      *B for RHD
      *1 Shield Ground
      *a Motor Cable (Inverter with Converter Assembly Side)

      Using a megohmmeter set to 500 V, measure the resistance according to the value(s) in the table below.

      Note

      Be sure to set the megohmmeter to 500 V when performing this test. Using a setting higher than 500 V can result in damage to the component being inspected.

      Standard Resistance
      for LHD
      Tester Connection Switch Condition Specified Condition
      u1-1 (U) - Body ground and shield ground Power switch off 100 MΩ or higher
      u1-2 (V) - Body ground and shield ground Power switch off 100 MΩ or higher
      u1-3 (W) - Body ground and shield ground Power switch off 100 MΩ or higher
      for RHD
      Tester Connection Switch Condition Specified Condition
      u3-3 (U) - Body ground and shield ground Power switch off 100 MΩ or higher
      u3-2 (V) - Body ground and shield ground Power switch off 100 MΩ or higher
      u3-1 (W) - Body ground and shield ground Power switch off 100 MΩ or higher

    NG
    OK
  17. CHECK GENERATOR CABLE

    CAUTION:

    Be sure to wear insulated gloves.


    1. Check that the service plug grip is not installed.

      Note

      After removing the service plug grip, do not turn the power switch on (READY), unless instructed by the repair manual because this may cause a malfunction.

    2. Disconnect the generator cable from the hybrid vehicle transmission assembly Click here.

    3. A01FSH3E01
      Text in Illustration
      *A for LHD
      *B for RHD
      *1 Shield Ground
      *a Generator Cable (Inverter with Converter Assembly Side)

      Using a megohmmeter set to 500 V, measure the resistance according to the value(s) in the table below.

      Note

      Be sure to set the megohmmeter to 500 V when performing this test. Using a setting higher than 500 V can result in damage to the component being inspected.

      Standard Resistance
      for LHD
      Tester Connection Switch Condition Specified Condition
      v1-1 (U) - Body ground and shield ground Power switch off 100 MΩ or higher
      v1-2 (V) - Body ground and shield ground Power switch off 100 MΩ or higher
      v1-3 (W) - Body ground and shield ground Power switch off 100 MΩ or higher
      for RHD
      Tester Connection Switch Condition Specified Condition
      v1-3 (U) - Body ground and shield ground Power switch off 100 MΩ or higher
      v1-2 (V) - Body ground and shield ground Power switch off 100 MΩ or higher
      v1-1 (W) - Body ground and shield ground Power switch off 100 MΩ or higher

    NG
    OK
  18. CHECK MOTOR CABLE

    CAUTION:

    Be sure to wear insulated gloves.


    1. Turn the power switch off.

    2. Check that the service plug grip is not installed.

      Note

      After removing the service plug grip, do not turn the power switch on (READY), unless instructed by the repair manual because this may cause a malfunction.

    3. Disconnect the motor cable from the hybrid vehicle transmission assembly Click here.

    4. A01FUB2E01
      Text in Illustration
      *A for LHD
      *B for RHD
      *1 Shield Ground
      *a Motor Cable (Inverter with Converter Assembly Side)

      Using a megohmmeter set to 500 V, measure the resistance according to the value(s) in the table below.

      Note

      Be sure to set the megohmmeter to 500 V when performing this test. Using a setting higher than 500 V can result in damage to the component being inspected.

      Standard Resistance
      for LHD
      Tester Connection Switch Condition Specified Condition
      u1-1 (U) - Body ground and shield ground Power switch off 100 MΩ or higher
      u1-2 (V) - Body ground and shield ground Power switch off 100 MΩ or higher
      u1-3 (W) - Body ground and shield ground Power switch off 100 MΩ or higher
      for RHD
      Tester Connection Switch Condition Specified Condition
      u3-3 (U) - Body ground and shield ground Power switch off 100 MΩ or higher
      u3-2 (V) - Body ground and shield ground Power switch off 100 MΩ or higher
      u3-1 (W) - Body ground and shield ground Power switch off 100 MΩ or higher

    NG
    OK
  19. CHECK GENERATOR CABLE

    CAUTION:

    Be sure to wear insulated gloves.


    1. Check that the service plug grip is not installed.

      Note

      After removing the service plug grip, do not turn the power switch on (READY), unless instructed by the repair manual because this may cause a malfunction.

    2. Disconnect the generator cable from the hybrid vehicle transmission assembly Click here.

    3. A01FSH3E01
      Text in Illustration
      *A for LHD
      *B for RHD
      *1 Shield Ground
      *a Generator Cable (Inverter with Converter Assembly Side)

      Using a megohmmeter set to 500 V, measure the resistance according to the value(s) in the table below.

      Note

      Be sure to set the megohmmeter to 500 V when performing this test. Using a setting higher than 500 V can result in damage to the component being inspected.

      Standard Resistance
      for LHD
      Tester Connection Switch Condition Specified Condition
      v1-1 (U) - Body ground and shield ground Power switch off 100 MΩ or higher
      v1-2 (V) - Body ground and shield ground Power switch off 100 MΩ or higher
      v1-3 (W) - Body ground and shield ground Power switch off 100 MΩ or higher
      for RHD
      Tester Connection Switch Condition Specified Condition
      v1-3 (U) - Body ground and shield ground Power switch off 100 MΩ or higher
      v1-2 (V) - Body ground and shield ground Power switch off 100 MΩ or higher
      v1-1 (W) - Body ground and shield ground Power switch off 100 MΩ or higher

    NG
    OK
  20. CHECK POWER STEERING CONVERTER WIRE

    CAUTION:

    Be sure to wear insulated gloves.


    1. Check that the service plug grip is not installed.

      Note

      After removing the service plug grip, do not turn the power switch on (READY), unless instructed by the repair manual because this may cause a malfunction.

    2. Remove the ECU bracket Click here.

    3. Disconnect the connector of the power steering converter wire from the power steering converter assembly.

    4. A01FVADE01
      Text in Illustration
      *a

      Rear view of wire harness connector

      (to Power Steering Converter Assembly)

      Using a megohmmeter set to 500 V, measure the resistance according to the value(s) in the table below.

      Note

      Be sure to set the megohmmeter to 500 V when performing this test. Using a setting higher than 500 V can result in damage to the component being inspected.

      Standard Resistance
      Tester Connection Switch Condition Specified Condition
      q2-1 (CBP) - Body ground Power switch off 10 MΩ or higher
      q2-5 (CEP) - Body ground Power switch off 10 MΩ or higher

    NG
    OK