POWER STEERING SYSTEM, Diagnostic DTC:C1524, C1555

DTC Code DTC Name
C1524 Motor Circuit Malfunction
C1555 Motor Relay Welding Failure

DESCRIPTION

The power steering ECU assembly supplies the current to the power steering motor through the motor circuit.

DTC No. DTC Detection Condition Trouble Area
C1524 Short (or open) in motor circuit or abnormal voltage or current in motor circuit.
  • Power steering motor assembly

  • Power steering ECU assembly

C1555 Motor relay circuit malfunction.
  • Power steering motor assembly

  • Power steering ECU assembly

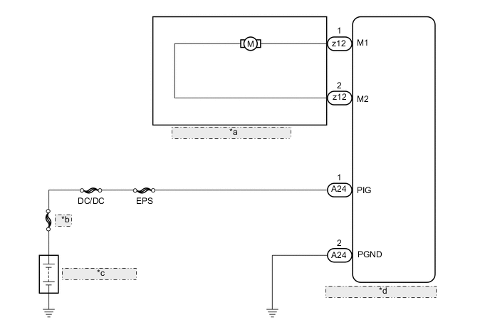
WIRING DIAGRAM

A01UZAFE03
*a Power Steering Motor Assembly
*b MAIN
*c Auxiliary Battery
*d Power Steering ECU Assembly

CAUTION / NOTICE / HINT

Note


  • If the power steering ECU assembly has been replaced with a new one, perform assist map writing and torque sensor zero point calibration Click here.

  • Inspect the fuses for circuits related to this system before performing the following inspection procedure.

PROCEDURE


  1. CHECK POWER STEERING ECU ASSEMBLY


    1. A01V07JE01
      Text in Illustration
      *a

      Component with harness connected

      (Power Steering ECU Assembly)

      Turn the ignition switch to ON (IG).

    2. Measure the voltage according to the value(s) in the table below.

      Standard Voltage
      Tester Connection Condition Specified Condition
      z12-1 (M1) - A24-2 (PGND)

      Ignition switch ON (READY)

      Turn steering wheel to right

      9 to 16 V

      Ignition switch ON (READY)

      Turn steering wheel to left

      6 to 11 V
      z12-2 (M2) - A24-2 (PGND)

      Ignition switch ON (READY)

      Turn steering wheel to right

      6 to 11 V

      Ignition switch ON (READY)

      Turn steering wheel to left

      9 to 16 V

    NG
    OK
  2. INSPECT POWER STEERING MOTOR ASSEMBLY


    1. A01V276E01
      Text in Illustration
      *a

      Rear view of wire harness connector

      (to Power Steering ECU Assembly)

      Disconnect the power steering ECU assembly connector.

    2. Measure the resistance according to the value(s) in the table below.

      Standard Resistance
      Tester Connection Condition Specified Condition
      z12-1 (M1) - z12-2 (M2) Always 0.1 to 1.0 Ω
      z12-1 (M1) - Body ground Always 1 MΩ or higher
      z12-2 (M2) - Body ground Always 1 MΩ or higher
      Result
      Result Proceed to
      OK A
      NG (for LHD) B
      NG (for RHD) C

    B
    C
    A
  3. CHECK HARNESS AND CONNECTOR (POWER STEERING ECU ASSEMBLY - BATTERY AND BODY GROUND)


    1. A01UZC3E01
      Text in Illustration
      *a

      Rear view of wire harness connector

      (to Power Steering ECU Assembly)

      Disconnect the power steering ECU assembly connector.

    2. Measure the voltage according to the value(s) in the table below.

      Standard Voltage
      Tester Connection Condition Specified Condition
      A24-1 (PIG) - Body ground Always 9 to 16 V
    3. Measure the resistance according to the value(s) in the table below.

      Standard Resistance
      Tester Connection Condition Specified Condition
      A24-2 (PGND) - Body ground Always Below 1 Ω
      Result
      Result Proceed to
      NG A
      OK (for LHD) B
      OK (for RHD) C

    A
    B
    C