СИСТЕМА SFI Цепь управления топливным насосом

ОПИСАНИЕ

Когда коленчатый вал двигателя прокручивается стартером, сигнал управления реле ST (стартера) подается на контакт STA ECM, а сигнал NE, формируемый датчиком положения коленчатого вала, – на контакт NE+. Таким образом, ECM определяет, что двигатель был прокручен и включает транзистор Tr1 в блоке ECM. При включении транзистора Tr1 на реле C/OPN (размыкающее реле) подается ток. Затем включается топливный насос.

Пока сигнал NE поступает в ECM во время работы двигателя, ECM постоянно поддерживает включенное состояние транзистора Tr1.

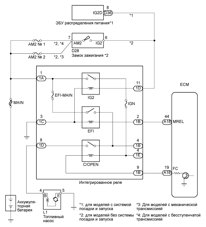
СХЕМА ЭЛЕКТРИЧЕСКИХ СОЕДИНЕНИЙ

A0119Z6E01

ПОСЛЕДОВАТЕЛЬНОСТЬ ПРОВЕРКИ

Note

Перед выполнением следующей процедуры проверки проверьте предохранители цепей, относящихся к данной системе.

ПОРЯДОК ВЫПОЛНЕНИЯ


  1. ВЫПОЛНИТЕ ДИАГНОСТИКУ В РЕЖИМЕ ACTIVE TEST С ПОМОЩЬЮ ПОРТАТИВНОГО ДИАГНОСТИЧЕСКОГО ПРИБОРА (CONTROL THE FUEL PUMP/SPD)


    1. Подсоедините портативный диагностический прибор к разъему DLC3.

    2. Установите замок зажигания в положение ON (ВКЛ).

    3. Включите портативный диагностический прибор.

    4. Войдите в следующие меню: Powertrain / Engine and ECT / Active Test / Control the Fuel Pump/Speed.

    5. Проверьте, слышен ли звук работы топливного насоса при выполнении испытания в режиме Active Test с помощью прибора.

      Результат
      Результат Перейти к
      Звук работы топливного насоса не слышен А
      Звук работы топливного насоса слышен B

    B
    А
  2. ПРОВЕРЬТЕ ИНТЕГРИРОВАННОЕ РЕЛЕ (РЕЛЕ C/OPEN)

    A01171RE01
    Обозначения на рисунке
    *1

    Вид спереди разъема со стороны жгута проводов:

    (к интегрированному реле)

    *2

    Вид спереди разъема со стороны жгута проводов:

    (к интегрированному реле)


    1. Снимите интегрированное реле.

    2. Отсоедините разъем ЭБУ.

    3. Измерьте сопротивление в соответствии со значениями, приведенными в таблице ниже.

      Номинальное сопротивление
      Подключение диагностического прибора Условие Заданные условия
      1B-4 - 1D-8 Напряжение аккумуляторной батареи не подается 10 кОм или более
      Напряжение аккумуляторной батареи подается на контакты 1B-9 и 1E-4 Менее 1 Ом
    4. Установите интегрированное реле на место.

    5. Подсоедините разъем ECM.


    NG
    OK
  3. ПРОВЕРЬТЕ ЖГУТ ПРОВОДОВ И РАЗЪЕМ (ИНТЕГРИРОВАННОЕ РЕЛЕ - ECM)


    1. Снимите интегрированное реле.

    2. Отсоедините разъем ЭБУ.

    3. Измерьте сопротивление в соответствии со значениями, приведенными в таблице ниже.

      Номинальное сопротивление (при проверке на обрыв)
      Подключение диагностического прибора Условие Заданные условия
      1B-9 - A18-19 (FC) Всегда Менее 1 Ом
      Номинальное сопротивление (при проверке на короткое замыкание)
      Подключение диагностического прибора Условие Заданные условия
      1B-9 или A18-19 (FC) - масса Всегда 10 кОм или более
    4. Установите интегрированное реле на место.

    5. Подсоедините разъем ECM.


    NG
    OK
  4. ПРОВЕРЬТЕ ЖГУТ И РАЗЪЕМ (ИНТЕГРИРОВАННОЕ РЕЛЕ – ТОПЛИВНЫЙ НАСОС – МАССА)


    1. Снимите интегрированное реле.

    2. Отсоедините разъем топливного насоса.

    3. Измерьте сопротивление в соответствии со значениями, приведенными в таблице ниже.

      Номинальное сопротивление (при проверке на обрыв)
      Подключение диагностического прибора Условие Заданные условия
      1D-8 - L1-4 Всегда Менее 1 Ом
      L1-5 - масса Всегда Менее 1 Ом
      Номинальное сопротивление (при проверке на короткое замыкание)
      Подключение диагностического прибора Условие Заданные условия
      1D-8 или L1-4 - масса Всегда 10 кОм или более
    4. Установите интегрированное реле.

    5. Подсоедините разъем топливного насоса.


    NG
    OK
  5. ПРОВЕРЬТЕ ТОПЛИВНЫЙ НАСОС

    A0116XIE02
    Обозначения на рисунке
    *1

    Устройство с неподсоединенным жгутом проводов

    (топливный насос)


    1. Проверьте сопротивление топливного насоса.


      1. Измерьте сопротивление в соответствии со значениями, приведенными в таблице ниже.

        Номинальное сопротивление
        Подключение диагностического прибора Условие Заданные условия
        4 - 5 20°C (68°F) 0,2 - 3,0 Ом
    2. Проверьте работу топливного насоса.


      1. Подайте напряжение аккумуляторной батареи на контакты топливного насоса.

      2. Убедитесь, что насос работает.

        CAUTION:


        • Во избежание сгорания катушки данная проверка не должна длиться более 10 секунд.

        • Держите топливный насос как можно дальше от аккумуляторной батареи.

        • Подключение и отключение выполняйте только со стороны аккумуляторной батареи.


    NG
    OK
  6. СНИМИТЕ ПОКАЗАНИЯ ПОРТАТИВНОГО ДИАГНОСТИЧЕСКОГО ПРИБОРА (STARTER SIGNAL)


    1. Подсоедините портативный диагностический прибор к разъему DLC3.

    2. Установите замок зажигания в положение ON (ВКЛ.).

    3. Включите портативный диагностический прибор.

    4. Войдите в следующие меню: Powertrain / Engine and ECT / Data List / Starter Signal.

    5. Проверьте результат, когда замок зажигания находится в положении ON (ВКЛ), и происходит запуск двигателя.

      OK
      Условие Starter Signal
      Зажигание включено OFF (ВЫКЛ)
      Пуск двигателя ON (ВКЛ)
      Результат
      Результат Следующий шаг
      OK А

      NG

      (для моделей с системой посадки и запуска)

      B

      NG

      (для моделей без системы посадки и запуска)

      C

    B
    C
    А