CAN COMMUNICATION SYSTEM (for RHD), Diagnostic DTC:U1002 (CAN MS BUS)

DTC Code DTC Name
U1002 (CAN MS BUS) Lost Communication with Gateway Module (Main body ECU)

DESCRIPTION


DTC Code DTC Detection Condition Trouble Area
U1002 (CAN MS BUS) Lost communication with the gateway module (main body ECU).
  • MS bus circuit

  • Windshield wiper ECU CAN branch wire or connector*1

  • Position control ECU and switch CAN branch wire or connector*2

  • Outer mirror control ECU assembly CAN branch wire or connector*2

  • Multiplex tilt and telescopic ECU branch wire or connector*3

  • Certification ECU (smart key ECU assembly) CAN branch wire or connector*4

  • Power back door unit assembly (power back door ECU) CAN branch wire or connector*5

  • No. 2 main body ECU CAN branch wire or connector*5

  • Main body ECU (cowl side junction block LH) CAN main wire or connector

  • Combination meter assembly CAN main wire or connector

  • Windshield wiper ECU*1

  • Position control ECU and switch*2

  • Outer mirror control ECU assembly*2

  • Multiplex tilt and telescopic ECU*3

  • Certification ECU (smart key ECU assembly)*4

  • Power back door unit assembly (power back door ECU)*5

  • No. 2 main body ECU*5

  • Main body ECU (cowl side junction block LH)

  • Combination meter assembly

  • No. 8 junction connector

  • No. 9 junction connector

  • No. 10 junction connector

  • No. 2 CAN junction connector


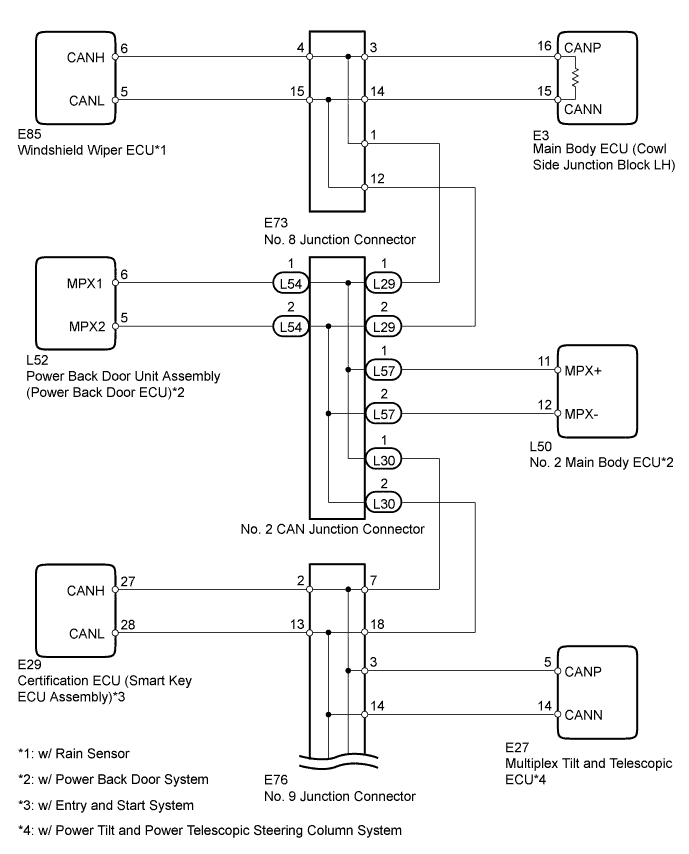
WIRING DIAGRAM

A015BEFE01
A015AQFE01

INSPECTION PROCEDURE

Tech Tips

Operating the ignition switch, any switches or any doors triggers related ECU and sensor communication with the CAN, which causes resistance variation.

PROCEDURE


  1. PRECAUTION

    Note

    After turning the ignition switch off, waiting time may be required before disconnecting the cable from the battery terminal. Therefore, make sure to read the disconnecting the cable from the battery terminal notice before proceeding with work Click here.


    NEXT
  2. DISCONNECT CABLE FROM NEGATIVE BATTERY TERMINAL


    1. Disconnect the cable from the negative (-) battery terminal before measuring the resistances of the CAN main wire and the CAN branch wire.

      CAUTION:

      For vehicles with an SRS system:

      Wait at least 90 seconds after disconnecting the cable from the negative (-) battery terminal to disable the SRS system.

      Note

      When disconnecting the cable, some systems need to be initialized after the cable is reconnected Click here.


    NEXT
  3. CHECK CAN BUS WIRE (CAN MAIN WIRE FOR DISCONNECTION, CHECK BUS LINE FOR SHORT CIRCUIT)


    1. A01587OE01
      Text in Illustration
      *a

      Component with harness connected

      (Main Body ECU [Cowl Side Junction Block LH])

      *b Front view of DLC3

      Measure the resistance according to the value(s) in the table below.

      Standard Resistance
      Tester Connection Switch Condition Specified Condition Resistance Malfunction
      E3-16 (CANP) - E3-15 (CANN) Ignition switch off 54 to 69 Ω Below 53 Ω: Short in line
      E3-16 (CANP) - E3-15 (CANN) Ignition switch off 54 to 69 Ω 70 Ω or higher: Open in CAN main bus line
      E3-16 (CANP) - E22-16 (BAT) Ignition switch off 6 kΩ or higher Below 6 kΩ: +B short
      E3-15 (CANN) - E22-16 (BAT) Ignition switch off 6 kΩ or higher Below 6 kΩ: +B short
      E3-16 (CANP) - E22-4 (CG) Ignition switch off 200 Ω or higher Below 200 Ω: Ground short
      E3-15 (CANN) - E22-4 (CG) Ignition switch off 200 Ω or higher Below 200 Ω: Ground short
      Result
      Result Proceed to

      NG


      • Open in CAN main wire

      A

      NG


      • Short in line

      • +B short

      • Ground short

      B
      OK C

    B
    C
    A
  4. CHECK FOR OPEN IN MAIN BUS WIRE (NO. 2 CAN JUNCTION CONNECTOR - MAIN BODY ECU)


    1. A015AJEE01
      Text in Illustration
      *a

      Rear view of wire harness connector

      (to No. 2 CAN Junction Connector)

      Disconnect the L29 No. 2 CAN junction connector.

    2. Measure the resistance according to the value(s) in the table below.

      Standard Resistance
      Tester Connection Switch Condition Specified Condition
      L29-1 (CANH) - L29-2 (CANL) Ignition switch off 108 to 132 Ω

    NG
    OK
  5. CHECK FOR OPEN IN CAN BUS MAIN WIRE (NO. 2 CAN JUNCTION CONNECTOR - COMBINATION METER ASSEMBLY)


    1. A015AJEE02
      Text in Illustration
      *a

      Rear view of wire harness connector

      (to No. 2 CAN Junction Connector)

      Disconnect the L30 No. 2 CAN junction connector.

    2. Measure the resistance according to the value(s) in the table below.

      Standard Resistance
      Tester Connection Switch Condition Specified Condition
      L30-1 (CANH) - L30-2 (CANL) Ignition switch off 108 to 132 Ω

    NG
    OK
  6. CONNECT CONNECTOR


    1. Reconnect the L29 No. 2 CAN junction connector.


    NEXT
  7. CHECK FOR OPEN IN CAN BUS MAIN WIRE (NO. 8 JUNCTION CONNECTOR - MAIN BODY ECU)


    1. A0159E1E21
      Text in Illustration
      *a

      Rear view of wire harness connector

      (to No. 8 Junction Connector)

      Disconnect the E73 No. 8 junction connector.

    2. Measure the resistance according to the value(s) in the table below.

      Standard Resistance
      Tester Connection Switch Condition Specified Condition
      E73-3 (CANH) - E73-14 (CANL) Ignition switch off 108 to 132 Ω

    NG
    OK
  8. CHECK FOR OPEN IN CAN BUS MAIN WIRE (NO. 8 JUNCTION CONNECTOR - NO. 2 CAN JUNCTION CONNECTOR)


    1. A0159E1E11
      Text in Illustration
      *a

      Rear view of wire harness connector

      (to No. 8 Junction Connector)

      Measure the resistance according to the value(s) in the table below.

      Standard Resistance
      Tester Connection Switch Condition Specified Condition
      E73-1 (CANH) - E73-12 (CANL) Ignition switch off 108 to 132 Ω

    NG
    OK
  9. CONNECT CONNECTOR


    1. Reconnect the E73 No. 8 junction connector.


    NEXT
  10. CHECK FOR OPEN IN CAN BUS MAIN WIRE (MAIN BODY ECU - NO. 8 JUNCTION CONNECTOR)


    1. A015B5FE02
      Text in Illustration
      *a

      Rear view of wire harness connector

      (to Main Body ECU [Cowl Side Junction Block LH])

      Disconnect the E3 main body ECU (cowl side junction block LH) connector.

    2. Measure the resistance according to the value(s) in the table below.

      Standard Resistance
      Tester Connection Switch Condition Specified Condition
      E3-16 (CANP) - E3-15 (CANN) Ignition switch off 108 to 132 Ω

    NG
    OK
  11. CONNECT CONNECTOR


    1. Reconnect the L29 and L30 No. 2 CAN junction connectors.


    NEXT
  12. CHECK FOR OPEN IN CAN BUS MAIN WIRE (NO. 10 JUNCTION CONNECTOR - NO. 9 JUNCTION CONNECTOR)


    1. A0159E1E09
      Text in Illustration
      *a

      Rear view of wire harness connector

      (to No. 10 Junction Connector)

      Disconnect the E70 No. 10 junction connector.

    2. Measure the resistance according to the value(s) in the table below.

      Standard Resistance
      Tester Connection Switch Condition Specified Condition
      E70-1 (CANH) - E70-12 (CANL) Ignition switch off 108 to 132 Ω

    NG
    OK
  13. CHECK FOR OPEN IN CAN BUS MAIN WIRE (NO. 10 JUNCTION CONNECTOR - COMBINATION METER ASSEMBLY)


    1. A0159E1E10
      Text in Illustration
      *a

      Rear view of wire harness connector

      (to No. 10 Junction Connector)

      Measure the resistance according to the value(s) in the table below.

      Standard Resistance
      Tester Connection Switch Condition Specified Condition
      E70-3 (CANH) - E70-14 (CANL) Ignition switch off 108 to 132 Ω

    NG
    OK
  14. CONNECT CONNECTOR


    1. Reconnect the E70 No. 10 junction connector.


    NEXT
  15. CHECK FOR OPEN IN CAN BUS MAIN WIRE (COMBINATION METER ASSEMBLY - NO. 10 JUNCTION CONNECTOR)


    1. A0158T6E02
      Text in Illustration
      *a

      Front view of wire harness connector

      (to Combination Meter Assembly)

      Disconnect the E7 combination meter assembly connector.

    2. Measure the resistance according to the value(s) in the table below.

      Standard Resistance
      Tester Connection Switch Condition Specified Condition
      E7-1 (MPX+) - E7-2 (MPX-) Ignition switch off 108 to 132 Ω
      Result
      Result Proceed to
      OK (w/ Multi-information Display) A
      OK (w/o Multi-information Display) B
      NG C

    B
    C
    A
  16. CONNECT CONNECTOR


    1. Reconnect the E70 No. 10 junction connector.


    NEXT
  17. CHECK FOR OPEN IN CAN BUS MAIN WIRE (NO. 9 JUNCTION CONNECTOR - NO. 10 JUNCTION CONNECTOR)


    1. A0159E1E08
      Text in Illustration
      *a

      Rear view of wire harness connector

      (to No. 9 Junction Connector)

      Disconnect the E76 No. 9 junction connector.

    2. Measure the resistance according to the value(s) in the table below.

      Standard Resistance
      Tester Connection Switch Condition Specified Condition
      E76-1 (CANH) - E76-12 (CANL) Ignition switch off 108 to 132 Ω

    NG
    OK
  18. CHECK FOR OPEN IN CAN BUS MAIN WIRE (NO. 9 JUNCTION CONNECTOR - NO. 2 CAN JUNCTION CONNECTOR)


    1. A0159E1E22
      Text in Illustration
      *a

      Rear view of wire harness connector

      (to No. 9 Junction Connector)

      Measure the resistance according to the value(s) in the table below.

      Standard Resistance
      Tester Connection Switch Condition Specified Condition
      E76-7 (CANH) - E76-18 (CANL) Ignition switch off 108 to 132 Ω

    NG
    OK
  19. CHECK FOR SHORT IN CAN BUS WIRES (NO. 10 JUNCTION CONNECTOR SIDE)


    1. A01587OE01
      Text in Illustration
      *a

      Component with harness connected

      (Main Body ECU [Cowl Side Junction Block LH])

      *b Front view of DLC3

      Disconnect the E70 No. 10 junction connector.

    2. Measure the resistance according to the value(s) in the table below.

      Standard Resistance
      Tester Connection Switch Condition Specified Condition
      E3-16 (CANP) - E3-15 (CANN) Ignition switch off 108 to 132 Ω
      E3-16 (CANP) - E22-4 (CG) Ignition switch off 200 Ω or higher
      E3-15 (CANN) - E22-4 (CG) Ignition switch off 200 Ω or higher
      E3-16 (CANP) - E22-16 (BAT) Ignition switch off 6 kΩ or higher
      E3-15 (CANN) - E22-16 (BAT) Ignition switch off 6 kΩ or higher

    NG
    OK
  20. CHECK FOR SHORT IN CAN BUS WIRES (NO. 10 JUNCTION CONNECTOR - COMBINATION METER ASSEMBLY)


    1. A0157V1E29
      Text in Illustration
      *a

      Rear view of wire harness connector

      (to No. 10 Junction Connector)

      *b Front view of DLC3

      Measure the resistance according to the value(s) in the table below.

      Standard Resistance
      Tester Connection Switch Condition Specified Condition
      E70-3 (CANH) - E70-14 (CANN) Ignition switch off 108 to 132 Ω
      E70-3 (CANH) - E22-4 (CG) Ignition switch off 200 Ω or higher
      E70-14 (CANL) - E22-4 (CG) Ignition switch off 200 Ω or higher
      E70-3 (CANH) - E22-16 (BAT) Ignition switch off 6 kΩ or higher
      E70-14 (CANL) - E22-16 (BAT) Ignition switch off 6 kΩ or higher

    NG
    OK
  21. CONNECT CONNECTOR


    1. Reconnect the E70 No. 10 junction connector.


    NEXT
  22. CHECK FOR SHORT IN CAN BUS WIRES (NO. 9 JUNCTION CONNECTOR - NO. 10 JUNCTION CONNECTOR)


    1. A0157V1E33
      Text in Illustration
      *a

      Rear view of wire harness connector

      (to No. 9 Junction Connector)

      *b Front view of DLC3

      Disconnect the E76 No. 9 junction connector.

    2. Measure the resistance according to the value(s) in the table below.

      Standard Resistance
      Tester Connection Switch Condition Specified Condition
      E76-1 (CANH) - E76-12 (CANL) Ignition switch off 108 to 132 Ω
      E76-1 (CANH) - E22-4 (CG) Ignition switch off 200 Ω or higher
      E76-12 (CANL) - E22-4 (CG) Ignition switch off 200 Ω or higher
      E76-1 (CANH) - E22-16 (BAT) Ignition switch off 6 kΩ or higher
      E76-12 (CANL) - E22-16 (BAT) Ignition switch off 6 kΩ or higher

    NG
    OK
  23. CHECK FOR SHORT IN CAN BUS WIRES (NO. 9 JUNCTION CONNECTOR SIDE)


    1. A01587OE01
      Text in Illustration
      *a

      Component with harness connected

      (Main Body ECU [Cowl Side Junction Block LH])

      *b Front view of DLC3

      Measure the resistance according to the value(s) in the table below.

      Standard Resistance
      Tester Connection Switch Condition Specified Condition
      E3-16 (CANP) - E3-15 (CANN) Ignition switch off 108 to 132 Ω
      E3-16 (CANP) - E22-4 (CG) Ignition switch off 200 Ω or higher
      E3-15 (CANN) - E22-4 (CG) Ignition switch off 200 Ω or higher
      E3-16 (CANP) - E22-16 (BAT) Ignition switch off 6 kΩ or higher
      E3-15 (CANN) - E22-16 (BAT) Ignition switch off 6 kΩ or higher

    NG
    OK
  24. CHECK FOR SHORT IN CAN BUS WIRES (NO. 9 JUNCTION CONNECTOR - POSITION CONTROL ECU AND SWITCH)

    Note

    For vehicles without seat memory, go to "Check for Short in CAN Bus Wires (No. 9 Junction Connector - Multiplex Tilt and Telescopic ECU)".


    1. A0157V1E35
      Text in Illustration
      *a

      Rear view of wire harness connector

      (to No. 9 Junction Connector)

      *b Front view of DLC3

      Measure the resistance according to the value(s) in the table below.

      Standard Resistance
      Tester Connection Switch Condition Specified Condition
      E76-4 (CANH) - E76-15 (CANL) Ignition switch off 200 Ω or higher
      E76-4 (CANH) - E22-4 (CG) Ignition switch off 200 Ω or higher
      E76-15 (CANL) - E22-4 (CG) Ignition switch off 200 Ω or higher
      E76-4 (CANH) - E22-16 (BAT) Ignition switch off 6 kΩ or higher
      E76-15 (CANL) - E22-16 (BAT) Ignition switch off 6 kΩ or higher

    NG
    OK
  25. CHECK FOR SHORT IN CAN BUS WIRES (NO. 9 JUNCTION CONNECTOR - MULTIPLEX TILT AND TELESCOPIC ECU)

    Note

    For vehicles without a power tilt and power telescopic steering column system, go to "Check for Short in CAN Bus Wires (No. 9 Junction Connector - Outer Mirror Control ECU Assembly)".


    1. A0157V1E37
      Text in Illustration
      *a

      Rear view of wire harness connector

      (to No. 9 Junction Connector)

      *b Front view of DLC3

      Measure the resistance according to the value(s) in the table below.

      Standard Resistance
      Tester Connection Switch Condition Specified Condition
      E76-3 (CANH) - E76-14 (CANL) Ignition switch off 200 Ω or higher
      E76-3 (CANH) - E22-4 (CG) Ignition switch off 200 Ω or higher
      E76-14 (CANL) - E22-4 (CG) Ignition switch off 200 Ω or higher
      E76-3 (CANH) - E22-16 (BAT) Ignition switch off 6 kΩ or higher
      E76-14 (CANL) - E22-16 (BAT) Ignition switch off 6 kΩ or higher

    NG
    OK
  26. CHECK FOR SHORT IN CAN BUS WIRES (NO. 9 JUNCTION CONNECTOR - OUTER MIRROR CONTROL ECU ASSEMBLY)

    Note

    For vehicles without seat memory, go to "Check for Short in CAN Bus Wires (No. 9 Junction Connector - Certification ECU)".


    1. A0157V1E36
      Text in Illustration
      *a

      Rear view of wire harness connector

      (to No. 9 Junction Connector)

      *b Front view of DLC3

      Measure the resistance according to the value(s) in the table below.

      Standard Resistance
      Tester Connection Switch Condition Specified Condition
      E76-5 (CANH) - E76-16 (CANL) Ignition switch off 200 Ω or higher
      E76-5 (CANH) - E22-4 (CG) Ignition switch off 200 Ω or higher
      E76-16 (CANL) - E22-4 (CG) Ignition switch off 200 Ω or higher
      E76-5 (CANH) - E22-16 (BAT) Ignition switch off 6 kΩ or higher
      E76-16 (CANL) - E22-16 (BAT) Ignition switch off 6 kΩ or higher

    NG
    OK
  27. CHECK FOR SHORT IN CAN BUS WIRES (NO. 9 JUNCTION CONNECTOR - CERTIFICATION ECU)

    Note

    For vehicles without an entry and start system, replace No. 9 junction connector.


    1. A0157V1E34
      Text in Illustration
      *a

      Rear view of wire harness connector

      (to No. 9 Junction Connector)

      *b Front view of DLC3

      Measure the resistance according to the value(s) in the table below.

      Standard Resistance
      Tester Connection Switch Condition Specified Condition
      E76-2 (CANH) - E76-13 (CANL) Ignition switch off 200 Ω or higher
      E76-2 (CANH) - E22-4 (CG) Ignition switch off 200 Ω or higher
      E76-13 (CANL) - E22-4 (CG) Ignition switch off 200 Ω or higher
      E76-2 (CANH) - E22-16 (BAT) Ignition switch off 6 kΩ or higher
      E76-13 (CANL) - E22-16 (BAT) Ignition switch off 6 kΩ or higher

    NG
    OK
  28. CONNECT CONNECTOR


    1. Reconnect the E76 No. 9 junction connector.


    NEXT
  29. CHECK FOR SHORT IN CAN BUS WIRES (NO. 2 CAN JUNCTION CONNECTOR - NO. 9 JUNCTION CONNECTOR)


    1. A0157UBE01
      Text in Illustration
      *a

      Rear view of wire harness connector

      (to No. 2 CAN Junction Connector)

      *b Front view of DLC3

      Disconnect the L30 No. 2 CAN junction connector.

    2. Measure the resistance according to the value(s) in the table below.

      Standard Resistance
      Tester Connection Switch Condition Specified Condition
      L30-1 (CANH) - L30-2 (CANL) Ignition switch off 108 to 132 Ω
      L30-1 (CANH) - E22-4 (CG) Ignition switch off 200 Ω or higher
      L30-2 (CANL) - E22-4 (CG) Ignition switch off 200 Ω or higher
      L30-1 (CANH) - E22-16 (BAT) Ignition switch off 6 kΩ or higher
      L30-2 (CANL) - E22-16 (BAT) Ignition switch off 6 kΩ or higher

    NG
    OK
  30. CHECK FOR SHORT IN CAN BUS WIRES (NO. 2 CAN JUNCTION CONNECTOR SIDE)


    1. A01587OE01
      Text in Illustration
      *a

      Component with harness connected

      (Main Body ECU [Cowl Side Junction Block LH])

      *b Front view of DLC3

      Disconnect the L29 No. 2 CAN junction connector.

    2. Measure the resistance according to the value(s) in the table below.

      Standard Resistance
      Tester Connection Switch Condition Specified Condition
      E3-16 (CANP) - E3-15 (CANN) Ignition switch off 108 to 132 Ω
      E3-16 (CANP) - E22-4 (CG) Ignition switch off 200 Ω or higher
      E3-15 (CANN) - E22-4 (CG) Ignition switch off 200 Ω or higher
      E3-16 (CANP) - E22-16 (BAT) Ignition switch off 6 kΩ or higher
      E3-15 (CANN) - E22-16 (BAT) Ignition switch off 6 kΩ or higher
      Result
      Result Proceed to
      OK (w/o Power Back Door System) A
      OK (w/ Power Back Door System) B
      NG C

    B
    C
    A
  31. CHECK FOR SHORT IN CAN BUS WIRES (NO. 2 CAN JUNCTION CONNECTOR - POWER BACK DOOR ECU)


    1. A0157UBE02
      Text in Illustration
      *a

      Rear view of wire harness connector

      (to No. 2 CAN Junction Connector)

      *b Front view of DLC3

      Disconnect the L54 No. 2 CAN junction connector.

    2. Measure the resistance according to the value(s) in the table below.

      Standard Resistance
      Tester Connection Switch Condition Specified Condition
      L54-1 (CANH) - L54-2 (CANL) Ignition switch off 200 Ω or higher
      L54-1 (CANH) - E22-4 (CG) Ignition switch off 200 Ω or higher
      L54-2 (CANL) - E22-4 (CG) Ignition switch off 200 Ω or higher
      L54-1 (CANH) - E22-16 (BAT) Ignition switch off 6 kΩ or higher
      L54-2 (CANL) - E22-16 (BAT) Ignition switch off 6 kΩ or higher

    NG
    OK
  32. CHECK FOR FOR SHORT IN CAN BUS WIRES (NO. 2 CAN JUNCTION CONNECTOR - NO. 2 MAIN BODY ECU)


    1. A0157UBE04
      Text in Illustration
      *a

      Rear view of wire harness connector

      (to No. 2 CAN Junction Connector)

      *b Front view of DLC3

      Disconnect the L57 No. 2 CAN junction connector.

    2. Measure the resistance according to the value(s) in the table below.

      Standard Resistance
      Tester Connection Switch Condition Specified Condition
      L57-1 (CANH) - L57-2 (CANL) Ignition switch off 200 Ω or higher
      L57-1 (CANH) - E22-4 (CG) Ignition switch off 200 Ω or higher
      L57-2 (CANL) - E22-4 (CG) Ignition switch off 200 Ω or higher
      L57-1 (CANH) - E22-16 (BAT) Ignition switch off 6 kΩ or higher
      L57-2 (CANL) - E22-16 (BAT) Ignition switch off 6 kΩ or higher

    NG
    OK
  33. CONNECT CONNECTOR


    1. Reconnect the L29 and L30 No. 2 CAN junction connectors.


    NEXT
  34. CHECK FOR SHORT IN CAN BUS WIRES (NO. 8 JUNCTION CONNECTOR - NO. 2 CAN JUNCTION CONNECTOR)


    1. A0157V1E30
      Text in Illustration
      *a

      Rear view of wire harness connector

      (to No. 8 Junction Connector)

      *b Front view of DLC3

      Disconnect the E73 No. 8 junction connector.

    2. Measure the resistance according to the value(s) in the table below.

      Standard Resistance
      Tester Connection Switch Condition Specified Condition
      E73-1 (CANH) - E73-12 (CANL) Ignition switch off 108 to 132 Ω
      E73-1 (CANH) - E22-4 (CG) Ignition switch off 200 Ω or higher
      E73-12 (CANL) - E22-4 (CG) Ignition switch off 200 Ω or higher
      E73-1 (CANH) - E22-16 (BAT) Ignition switch off 6 kΩ or higher
      E73-12 (CANL) - E22-16 (BAT) Ignition switch off 6 kΩ or higher

    NG
    OK
  35. CHECK FOR SHORT IN CAN BUS WIRES (NO. 8 JUNCTION CONNECTOR - WINDSHIELD WIPER ECU)

    Note

    For vehicles without an rain sensor, go to "Check for Short in CAN Bus Wires (No. 8 Junction Connector - Main Body ECU)".


    1. A0157V1E31
      Text in Illustration
      *a

      Rear view of wire harness connector

      (to No. 8 Junction Connector)

      *b Front view of DLC3

      Measure the resistance according to the value(s) in the table below.

      Standard Resistance
      Tester Connection Switch Condition Specified Condition
      E73-4 (CANH) - E73-15 (CANL) Ignition switch off 200 Ω or higher
      E73-4 (CANH) - E22-4 (CG) Ignition switch off 200 Ω or higher
      E73-15 (CANL) - E22-4 (CG) Ignition switch off 200 Ω or higher
      E73-4 (CANH) - E22-16 (BAT) Ignition switch off 6 kΩ or higher
      E73-15 (CANL) - E22-16 (BAT) Ignition switch off 6 kΩ or higher

    NG
    OK
  36. CHECK FOR SHORT IN CAN BUS WIRES (NO. 8 JUNCTION CONNECTOR - MAIN BODY ECU)


    1. A0157V1E32
      Text in Illustration
      *a

      Rear view of wire harness connector

      (to No. 8 Junction Connector)

      *b Front view of DLC3

      Measure the resistance according to the value(s) in the table below.

      Standard Resistance
      Tester Connection Switch Condition Specified Condition
      E73-3 (CANH) - E73-14 (CANL) Ignition switch off 108 to 132 Ω
      E73-3 (CANH) - E22-4 (CG) Ignition switch off 200 Ω or higher
      E73-14 (CANL) - E22-4 (CG) Ignition switch off 200 Ω or higher
      E73-3 (CANH) - E22-16 (BAT) Ignition switch off 6 kΩ or higher
      E73-14 (CANL) - E22-16 (BAT) Ignition switch off 6 kΩ or higher

    NG
    OK
  37. CONNECT CONNECTOR


    1. Reconnect the E70 No. 10 junction connector.


    NEXT
  38. CHECK FOR SHORT IN CAN BUS WIRES (COMBINATION METER ASSEMBLY)


    1. A015BW4E01
      Text in Illustration
      *a

      Front view of wire harness connector

      (to Combination Meter Assembly)

      *b Front view of DLC3

      Disconnect the E7 combination meter assembly connector.

    2. Measure the resistance according to the value(s) in the table below.

      Standard Resistance
      Tester Connection Switch Condition Specified Condition
      E7-1 (MPX+) - E7-2 (MPX-) Ignition switch off 108 to 132 Ω
      E7-1 (MPX+) - E22-4 (CG) Ignition switch off 200 Ω or higher
      E7-2 (MPX-) - E22-4 (CG) Ignition switch off 200 Ω or higher
      E7-1 (MPX+) - E22-16 (BAT) Ignition switch off 6 kΩ or higher
      E7-2 (MPX-) - E22-16 (BAT) Ignition switch off 6 kΩ or higher
      Result
      Result Proceed to
      OK (w/ Multi-information Display) A
      OK (w/o Multi-information Display) B
      NG C

    B
    C
    A
  39. CONNECT CONNECTOR


    1. Reconnect the E76 No. 9 junction connector.


    NEXT
  40. CHECK FOR SHORT IN CAN BUS WIRES (POSITION CONTROL ECU AND SWITCH)


    1. A015BA9E02
      Text in Illustration
      *a

      Front view of wire harness connector

      (to Position Control ECU and Switch)

      *b Front view of DLC3

      Disconnect the c27 position control ECU and switch connector.

    2. Measure the resistance according to the value(s) in the table below.

      Standard Resistance
      Tester Connection Switch Condition Specified Condition
      c27-5 (MPX1) - c27-1 (MPX2) Ignition switch off 54 to 69 Ω
      c27-5 (MPX1) - E22-4 (CG) Ignition switch off 200 Ω or higher
      c27-1 (MPX2) - E22-4 (CG) Ignition switch off 200 Ω or higher
      c27-5 (MPX1) - E22-16 (BAT) Ignition switch off 6 kΩ or higher
      c27-1 (MPX2) - E22-16 (BAT) Ignition switch off 6 kΩ or higher

    NG
    OK
  41. CONNECT CONNECTOR


    1. Reconnect the E76 No. 9 junction connector.


    NEXT
  42. CHECK FOR SHORT IN CAN BUS WIRES (MULTIPLEX TILT AND TELESCOPIC ECU)


    1. A015E6UE01
      Text in Illustration
      *a

      Front view of wire harness connector

      (to Multiplex Tilt and Telescopic ECU)

      *b Front view of DLC3

      Disconnect the E27 multiplex tilt and telescopic ECU connector.

    2. Measure the resistance according to the value(s) in the table below.

      Standard Resistance
      Tester Connection Switch Condition Specified Condition
      E27-5 (CANP) - E27-14 (CANN) Ignition switch off 54 to 69 Ω
      E27-5 (CANP) - E22-4 (CG) Ignition switch off 200 Ω or higher
      E27-14 (CANN) - E22-4 (CG) Ignition switch off 200 Ω or higher
      E27-5 (CANP) - E22-16 (BAT) Ignition switch off 6 kΩ or higher
      E27-14 (CANN) - E22-16 (BAT) Ignition switch off 6 kΩ or higher

    NG
    OK
  43. CONNECT CONNECTOR


    1. Reconnect the E76 No. 9 junction connector.


    NEXT
  44. CHECK FOR SHORT IN CAN BUS WIRES (OUTER MIRROR CONTROL ECU ASSEMBLY)


    1. A01559VE03
      Text in Illustration
      *a

      Front view of wire harness connector

      (to Outer Mirror Control ECU Assembly)

      *b Front view of DLC3

      Disconnect the I24 outer mirror control ECU assembly connector.

    2. Measure the resistance according to the value(s) in the table below.

      Standard Resistance
      Tester Connection Switch Condition Specified Condition
      I24-1 (CANH) - I24-21 (CANL) Ignition switch off 54 to 69 Ω
      I24-1 (CANH) - E22-4 (CG) Ignition switch off 200 Ω or higher
      I24-21 (CANL) - E22-4 (CG) Ignition switch off 200 Ω or higher
      I24-1 (CANH) - E22-16 (BAT) Ignition switch off 6 kΩ or higher
      I24-21 (CANL) - E22-16 (BAT) Ignition switch off 6 kΩ or higher

    NG
    OK
  45. CONNECT CONNECTOR


    1. Reconnect the E76 No. 9 junction connector.


    NEXT
  46. CHECK FOR SHORT IN CAN BUS WIRES (CERTIFICATION ECU)


    1. A015BA5E01
      Text in Illustration
      *a

      Front view of wire harness connector

      (to Certification ECU [Smart Key ECU Assembly])

      *b Front view of DLC3

      Disconnect the E29 certification ECU (smart key ECU assembly) connector.

    2. Measure the resistance according to the value(s) in the table below.

      Standard Resistance
      Tester Connection Switch Condition Specified Condition
      E29-27 (CANH) - E29-28 (CANL) Ignition switch off 54 to 69 Ω
      E29-27 (CANH) - E22-4 (CG) Ignition switch off 200 Ω or higher
      E29-28 (CANL) - E22-4 (CG) Ignition switch off 200 Ω or higher
      E29-27 (CANH) - E22-16 (BAT) Ignition switch off 6 kΩ or higher
      E29-28 (CANL) - E22-16 (BAT) Ignition switch off 6 kΩ or higher

    NG
    OK
  47. CONNECT CONNECTOR


    1. Reconnect the L29, L30 and L54 No. 2 CAN junction connectors.


    NEXT
  48. CHECK FOR SHORT IN CAN BUS WIRES (POWER BACK DOOR ECU)


    1. A015DO0E10
      Text in Illustration
      *a

      Rear view of wire harness connector

      (to Power Back Door Unit Assembly [Power Back Door ECU])

      *b Front view of DLC3

      Disconnect the L52 power back door unit assembly (power back door ECU) connector.

    2. Measure the resistance according to the value(s) in the table below.

      Standard Resistance
      Tester Connection Switch Condition Specified Condition
      L52-6 (MPX1) - L52-5 (MPX2) Ignition switch off 54 to 69 Ω
      L52-6 (MPX1) - E22-4 (CG) Ignition switch off 200 Ω or higher
      L52-5 (MPX2) - E22-4 (CG) Ignition switch off 200 Ω or higher
      L52-6 (MPX1) - E22-16 (BAT) Ignition switch off 6 kΩ or higher
      L52-5 (MPX2) - E22-16 (BAT) Ignition switch off 6 kΩ or higher

    NG
    OK
  49. CONNECT CONNECTOR


    1. Reconnect the L29, L30, L54 and L57 No. 2 CAN junction connectors.


    NEXT
  50. CHECK FOR SHORT IN CAN BUS WIRES (NO. 2 MAIN BODY ECU)


    1. A015DO0E12
      Text in Illustration
      *a

      Rear view of wire harness connector

      (to No. 2 Main Body ECU)

      *b Front view of DLC3

      Disconnect the L50 No. 2 main body ECU connector.

    2. Measure the resistance according to the value(s) in the table below.

      Standard Resistance
      Tester Connection Switch Condition Specified Condition
      L50-11 (MPX+) - L50-12 (MPX-) Ignition switch off 54 to 69 Ω
      L50-11 (MPX+) - E22-4 (CG) Ignition switch off 200 Ω or higher
      L50-12 (MPX-) - E22-4 (CG) Ignition switch off 200 Ω or higher
      L50-11 (MPX+) - E22-16 (BAT) Ignition switch off 6 kΩ or higher
      L50-12 (MPX-) - E22-16 (BAT) Ignition switch off 6 kΩ or higher

    NG
    OK
  51. CONNECT CONNECTOR


    1. Reconnect the E73 No. 8 junction connector.


    NEXT
  52. CHECK FOR SHORT IN CAN BUS WIRES (WINDSHIELD WIPER ECU)


    1. A015COFE01
      Text in Illustration
      *a

      Front view of wire harness connector

      (to Windshield Wiper ECU)

      *b Front view of DLC3

      Disconnect the E85 windshield wiper ECU connector.

    2. Measure the resistance according to the value(s) in the table below.

      Standard Resistance
      Tester Connection Switch Condition Specified Condition
      E85-6 (CANH) - E85-5 (CANL) Ignition switch off 54 to 69 Ω
      E85-6 (CANH) - E22-4 (CG) Ignition switch off 200 Ω or higher
      E85-5 (CANL) - E22-4 (CG) Ignition switch off 200 Ω or higher
      E85-6 (CANH) - E22-16 (BAT) Ignition switch off 6 kΩ or higher
      E85-5 (CANL) - E22-16 (BAT) Ignition switch off 6 kΩ or higher

    NG
    OK
  53. CONNECT CONNECTOR


    1. Reconnect the E73 No. 8 junction connector.


    NEXT
  54. CHECK FOR SHORT IN CAN BUS WIRES (MAIN BODY ECU)


    1. A015772E01
      Text in Illustration
      *a

      Rear view of wire harness connector

      (to Main Body ECU [Cowl Side Junction Block LH])

      *b Front view of DLC3

      Disconnect the E3 main body ECU (cowl side junction block LH) connector.

    2. Measure the resistance according to the value(s) in the table below.

      Standard Resistance
      Tester Connection Switch Condition Specified Condition
      E3-16 (CANP) - E3-15 (CANN) Ignition switch off 108 to 132 Ω
      E3-16 (CANP) - E22-4 (CG) Ignition switch off 200 Ω or higher
      E3-15 (CANN) - E22-4 (CG) Ignition switch off 200 Ω or higher
      E3-16 (CANP) - E22-16 (BAT) Ignition switch off 6 kΩ or higher
      E3-15 (CANN) - E22-16 (BAT) Ignition switch off 6 kΩ or higher

    NG
    OK
  55. CHECK HARNESS AND CONNECTOR (MAIN BODY ECU - BATTERY AND BODY GROUND)


    1. Connect the cable to the negative (-) battery terminal.

      A0157TWE01
      Text in Illustration
      *a

      Front view of wire harness connector

      (to Main Body ECU [Cowl Side Junction Block LH])

      *b

      Rear view of wire harness connector

      (to Main Body ECU [Cowl Side Junction Block LH])

      Note

      When disconnecting the cable, some systems need to be initialized after the cable is reconnected Click here.

    2. Disconnect the E3, 2A and 2D main body ECU (cowl side junction block LH) connectors.

    3. Measure the resistance according to the value(s) in the table below.

      Standard Resistance
      Tester Connection Condition Specified Condition
      2D-62 (GND2) - Body ground Always Below 1 Ω
      E3-1 (GND3) - Body ground Always Below 1 Ω
    4. Measure the voltage according to the value(s) in the table below.

      Standard Voltage
      Tester Connection Condition Specified Condition
      2A-1 (ALTB) - Body ground Always 11 to 14 V

    NG
    OK