TIRE PRESSURE WARNING SYSTEM TC and CG Terminal Circuit

DESCRIPTION

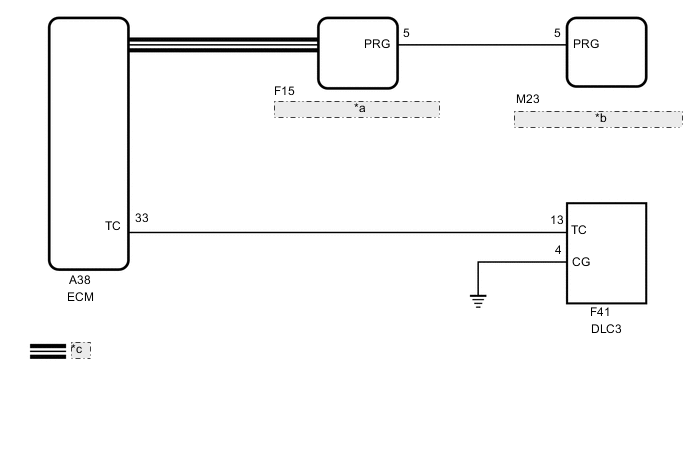
Tire pressure warning system DTCs can be checked by connecting terminals 13 (TC) and 4 (CG) of the DLC3. The DTCs are indicated by blinking the tire pressure warning light.

WIRING DIAGRAM

A001Y8HE46
*a Main Body ECU (Multiplex Network Body ECU)
*b Tire Pressure Warning ECU and Receiver
*c CAN Communication Line

CAUTION / NOTICE / HINT

Note


  • When replacing the tire pressure warning ECU and receiver, read the transmitter IDs stored in the old ECU using the GTS and write them down before removal.

    Click here

  • It is necessary to perform initialization after registration Click here of the transmitter IDs into the tire pressure warning ECU and receiver if the ECU has been replaced

PROCEDURE


  1. CHECK CAN COMMUNICATION SYSTEM


    1. Check for DTCs.

      Click here

      Result
      Result Proceed to
      DTCs are not output. A
      DTCs are output. B

    B
    A
  2. CHECK DTC (C2179/79)


    1. Check if DTC C2179/79 is output.

      Click here


      Chassis > Tire Pressure Monitor > Trouble Codes
      Result
      Result Proceed to
      DTC C2179/79 is not output. A
      DTC C2179/79 is output. B

    B
    A
  3. CHECK HARNESS AND CONNECTOR (TC of DLC3 - ECM)


    1. Disconnect the A38 ECM connector.

    2. Measure the resistance according to the value(s) in the table below.

      Standard Resistance
      Tester Connection Condition Specified Condition
      F41-13 (TC) - A38-33 (TC) Always Below 1 Ω
      F41-13 (TC) or A38-33 (TC) - Body ground Always 10 kΩ or higher
      Result
      Proceed to
      OK
      NG

    NG
    OK
  4. CHECK HARNESS AND CONNECTOR (CG of DLC3 - BODY GROUND)


    1. A001WXPC45
      *a Front view of DLC3

      Measure the resistance according to the value(s) in the table below.

      Standard Resistance
      Tester Connection Condition Specified Condition
      F41-4 (CG) - Body ground Always Below 1 Ω
      Result
      Proceed to
      OK
      NG

    NG
    OK
  5. INSPECT DLC3 TERMINAL VOLTAGE (TC VOLTAGE)


    1. Reconnect the A38 ECM connector.

    2. A001WXPC46
      *a Front view of DLC3

      Measure the voltage according to the value(s) in the table below.

      Standard Voltage
      Tester Connection Condition Specified Condition
      F41-13 (TC) - F41-4 (CG) Ignition switch to ON 11 to 14 V
      Result
      Proceed to
      OK
      NG

    OK
    NG