TELEMATICS SYSTEM(w/ Telematics Transceiver for G-BOOK) Transmitted Voice Signal Circuit

WIRING DIAGRAM

B002KWIE10
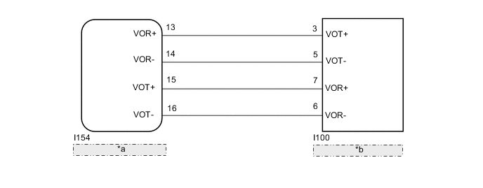
*a Radio Receiver Assembly
*b Telematics Transceiver

CAUTION / NOTICE / HINT

Note


  • Depending on the parts that are replaced during vehicle inspection or maintenance, performing initialization, registration or calibration may be needed. Refer to Precaution for G-BOOK.

    Click here

  • When replacing the telematics transceiver, make sure to replace it with a new one.

PROCEDURE


  1. CHECK HARNESS AND CONNECTOR (RADIO RECEIVER ASSEMBLY - TELEMATICS TRANSCEIVER)


    1. Disconnect the I154 radio receiver assembly connector.

    2. Disconnect the I100 telematics transceiver connector.

    3. Measure the resistance according to the value(s) in the table below.

      Standard Resistance
      Tester Connection Condition Specified Condition
      I154-13 (VOR+) - I100-3 (VOT+) Always Below 1 Ω
      I154-14 (VOR-) - I100-5 (VOT-) Always Below 1 Ω
      I154-15 (VOT+) - I100-7 (VOR+) Always Below 1 Ω
      I154-16 (VOT-) - I100-6 (VOR-) Always Below 1 Ω
      I154-13 (VOR+) - Body ground Always 10 kΩ or higher
      I154-14 (VOR-) - Body ground Always 10 kΩ or higher
      I154-15 (VOT+) - Body ground Always 10 kΩ or higher
      I154-16 (VOT-) - Body ground Always 10 kΩ or higher
      Result
      Proceed to
      OK
      NG

    NG
    OK
  2. CHECK RADIO RECEIVER ASSEMBLY


    1. Remove the radio receiver assembly with the connectors still connected.

    2. B002HGTC01
      *a

      Component with harness connected

      (Radio Receiver Assembly)

      Check for pulses according to the value(s) in the table below.

      Standard
      Tester Connection Condition Specified Condition
      I154-15 (VOT+) - Body ground Calling while using the operator service A waveform synchronized with the sent voice is output
      I154-16 (VOT-) - Body ground Calling while using the operator service A waveform synchronized with the sent voice is output
      Result
      Proceed to
      OK
      NG

    OK
    NG