NAVIGATION SYSTEM, Diagnostic DTC:B15D3

DTC Code DTC Name
B15D3 Stereo Component Amplifier Disconnected

DESCRIPTION

The radio receiver assembly and stereo component amplifier assembly are connected by the MOST communication line.

This DTC is stored when a MOST communication error occurs between the radio receiver assembly and stereo component amplifier assembly.

DTC No. Detection Item DTC Detection Condition Trouble Area
B15D3 Stereo Component Amplifier Disconnected A device that is listed in the MOST network connected device record of the master unit is missing.
  • Stereo component amplifier assembly power source circuit

  • MOST circuit between radio receiver assembly and stereo component amplifier assembly

  • Stereo component amplifier assembly

  • Radio receiver assembly

  • Harness or connector

Tech Tips

For the MOST communication line, the radio receiver assembly is the master unit.

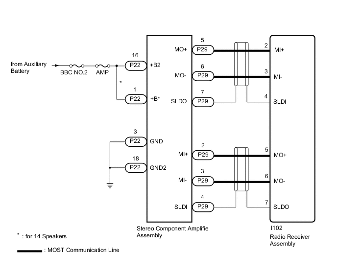
WIRING DIAGRAM

B002K2ZE01

CAUTION / NOTICE / HINT

Note


  • Inspect the fuses for circuits related to this system before performing the following procedure.

  • When replacing the radio receiver assembly, always replace it with a new one.

    If a radio receiver assembly which was installed to another vehicle is used, the following may occur:


    • A communication malfunction DTC may be stored.

    • The radio receiver assembly may not operate normally.

Tech Tips

Depending on the parts that are replaced during vehicle inspection or maintenance, performing initialization, registration or calibration may be needed. Refer to Precaution for Navigation System.

Click here

PROCEDURE


  1. CHECK DTC


    1. If DTC B15C3 is output, perform troubleshooting for DTC B15C3 first.


      Body Electrical > Navigation System > Trouble Codes
      OK
      DTC B15C3 is not output.
      Result
      Proceed to
      OK
      NG

    NG
    OK
  2. CHECK OPTIONAL COMPONENTS (INCLUDING ASSOCIATED WIRING)


    1. Check that optional components (including associated wiring) which generate radio waves are not installed.

      Result
      Result Proceed to
      Optional components (including associated wiring) are installed. A
      Optional components (including associated wiring) are not installed. B

      Tech Tips


      • Electrical noise from radio waves generated by optional components or the wiring for those components may affect MOST communication.

      • This DTC may be stored when a MOST communication error occurs due to electrical noise.


    B
    A
  3. REMOVE OPTIONAL COMPONENTS (INCLUDING ASSOCIATED WIRING) (INCLUDING ASSOCIATED WIRING)


    1. Remove optional components (including associated wiring).

      Note

      Do not remove optional components or associated wiring without the permission of the customer.

      Result
      Proceed to
      NEXT

    NEXT
  4. CHECK DTC


    1. Clear the DTCs.

      Click here


      Body Electrical > Navigation System > Clear DTCs
    2. Recheck for DTCs and check that no DTCs are output.

      Click here


      Body Electrical > Navigation System > Trouble Codes
      OK
      No DTCs are output.
      Result
      Proceed to
      OK
      NG

    OK
    NG
  5. CHECK HARNESS AND CONNECTOR (STEREO COMPONENT AMPLIFIER ASSEMBLY - BATTERY AND BODY GROUND)


    1. B002HHRC07
      *a

      Front view of wire harness connector

      (to Stereo Component Amplifier Assembly)

      Disconnect the stereo component amplifier assembly connector.

    2. Measure the resistance according to the value(s) in the table below.

      Standard Resistance
      Tester Connection Condition Specified Condition
      P22-3 (GND) - Body ground Always Below 1 Ω
      P22-18 (GND2) - Body ground Always Below 1 Ω
    3. Measure the voltage according to the value(s) in the table below.

      Standard Voltage
      Tester Connection Condition Specified Condition
      P22-1 (+B) - Body ground* Power switch off 11 to 14 V
      P22-16 (+B2) - Body ground Power switch off 11 to 14 V
      *: for 14 Speakers
      Result
      Proceed to
      OK
      NG

    NG
    OK
  6. CHECK HARNESS AND CONNECTOR (RADIO RECEIVER ASSEMBLY - STEREO COMPONENT AMPLIFIER ASSEMBLY)


    1. Disconnect the I102 radio receiver assembly connector.

    2. Disconnect the P29 stereo component amplifier assembly connector.

    3. Measure the resistance according to the value(s) in the table below.

      Standard Resistance
      Tester Connection Condition Specified Condition
      I102-2 (MI+) - P29-5 (MO+) Always Below 1 Ω
      I102-3 (MI-) - P29-6 (MO-) Always Below 1 Ω
      I102-4 (SLDI) - P29-7 (SLDO) Always Below 1 Ω
      I102-5 (MO+) - P29-2 (MI+) Always Below 1 Ω
      I102-6 (MO-) - P29-3 (MI-) Always Below 1 Ω
      I102-7 (SLDO) - P29-4 (SLDI) Always Below 1 Ω
      I102-2 (MI+) - Body ground Always 10 kΩ or higher
      I102-3 (MI-) - Body ground Always 10 kΩ or higher
      I102-4 (SLDI) - Body ground Always 10 kΩ or higher
      I102-5 (MO+) - Body ground Always 10 kΩ or higher
      I102-6 (MO-) - Body ground Always 10 kΩ or higher
      I102-7 (SLDO) - Body ground Always 10 kΩ or higher
      Result
      Proceed to
      OK
      NG

    NG
    OK
  7. CHECK STEREO COMPONENT AMPLIFIER ASSEMBLY


    1. Replace the stereo component amplifier assembly with a new or known good one.

      Click here

    2. Clear the DTCs.

      Click here


      Body Electrical > Navigation System > Clear DTCs
    3. Recheck for DTCs and check that no DTCs are output.

      Click here


      Body Electrical > Navigation System > Trouble Codes
      OK
      No DTCs are output.
      Result
      Proceed to
      OK
      NG

    OK
    NG