VEHICLE STABILITY CONTROL SYSTEM, Diagnostic DTC:C1241

DTC Code DTC Name
C1241 Low Power Supply Voltage Malfunction

DESCRIPTION

If a malfunction is detected in the power supply circuit, the skid control ECU (brake actuator assembly) stores this DTC and the fail-safe function prohibits ABS operation.

This DTC is stored when the +BS terminal voltage deviates from the DTC detection condition due to a malfunction in the power supply or charging circuit such as the battery or generator circuit, etc.

The DTC is canceled when the +BS terminal voltage returns to normal.

DTC No. Detection Item DTC Detection Condition Trouble Area
C1241 Low Power Supply Voltage Malfunction

Either of the following is detected:


  1. When vehicle speed is 3 km/h (2 mph) or more, +BS terminal voltage is continuously below 9.5 V for 10 seconds or more.

  2. When solenoid relay is on, +BS terminal voltage is below 9.5 V and relay contact is off for 0.22 seconds or more.

  3. When +BS terminal voltage is below 9.5 V, power supply voltage of vehicle speed sensor is continuously low for 60 seconds or more.

  4. When fail-safe motor relay is on and +BS terminal voltage is below 9.5 V, fail-safe motor relay overcurrent continues for 0.05 seconds or more.


  • ABS NO. 2 fuse

  • Battery

  • Charging system

  • Wire harness or connector

  • Skid control ECU (Brake actuator assembly)

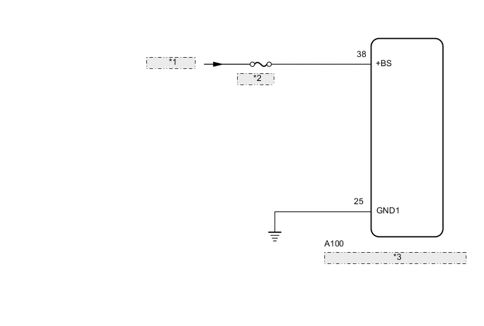
WIRING DIAGRAM

A01VB4DE21
*1 from Battery
*2 ABS NO. 2
*3 Skid Control ECU (Brake Actuator Assembly)

CAUTION / NOTICE / HINT

Note


  • When replacing the skid control ECU (brake actuator assembly), perform zero point calibration.

    Click here

  • Inspect the fuses for circuits related to this system before performing the following inspection procedure.

PROCEDURE


  1. INSPECT BATTERY


    1. Check the battery voltage.

      Standard voltage
      11 to 14 V
      Result
      Proceed to
      OK
      NG (for 2AD-FHV)
      NG (for 2AD-FTV)
      NG (for 2AR-FE)
      NG (for 3ZR-FAE)
      NG (for 3ZR-FE)
      NG (for 2WW)

    NG (for 2AD-FHV)
    NG (for 2AD-FTV)
    NG (for 2AR-FE)
    NG (for 3ZR-FAE)
    NG (for 3ZR-FE)
    NG (for 2WW)
    OK
  2. CHECK TERMINAL VOLTAGE (+BS TERMINAL)


    1. Turn the ignition switch off.

    2. Make sure that there is no looseness in the locking part and connecting part of the connectors.

    3. A01V7CNC80
      *a

      Front view of wire harness connector

      (to Skid Control ECU [Brake Actuator Assembly])

      Disconnect the A100 skid control ECU (brake actuator assembly) connector.

    4. Measure the voltage according to the value(s) in the table below.

      Standard Voltage
      Tester Connection Condition Specified Condition
      A100-38 (+BS) - Body ground Always 11 to 14 V
      Result
      Proceed to
      OK
      NG (w/o Stop and Start System)
      NG (w/ Stop and Start System)

    NG (w/o Stop and Start System)
    NG (w/ Stop and Start System)
    OK
  3. CHECK HARNESS AND CONNECTOR (GND1 TERMINAL)


    1. Turn the ignition switch off.

    2. A01V7CNC81
      *a

      Front view of wire harness connector

      (to Skid Control ECU [Brake Actuator Assembly])

      Measure the resistance according to the value(s) in the table below.

      Standard Resistance
      Tester Connection Condition Specified Condition
      A100-25 (GND1) - Body ground Always Below 1 Ω
      Result
      Proceed to
      OK
      NG

    NG
    OK
  4. RECONFIRM DTC


    1. Reconnect the A100 skid control ECU (brake actuator assembly) connector.

    2. Clear the DTC.

      Click here


      Chassis > ABS/VSC/TRC > Clear DTCs
    3. Turn the ignition switch off.

    4. Start the engine.

    5. Drive the vehicle at a speed of 20 km/h (12 mph) or more for 30 seconds or more.

    6. Check if the same DTC is recorded.

      Click here


      Chassis > ABS/VSC/TRC > Trouble Codes

      Tech Tips

      If troubleshooting has been carried out according to the Problem Symptoms Table, refer back to the table and proceed to the next step.

      Click here

      Result
      Proceed to
      DTC C1241 is not output
      DTC C1241 is output

    DTC C1241 is not output
    DTC C1241 is output