СИСТЕМА ECD (для моделей с контроллером свечей накаливания), Diagnostic DTC:P0504

DTC Code DTC Name
P0504 Brake Switch "A" / "B" Correlation

DESCRIPTION

The stop light switch assembly is a duplex system that transmits two signals: STP and ST1-. These two signals are used by the ECM to monitor whether or not the brake system is working properly. If the signals, which indicate that the brake pedal is being depressed and released, are detected simultaneously, the ECM interprets this as a malfunction in the stop light switch and stores the DTC.

Tech Tips

The normal conditions are as shown in the table below.

Signal (ECM terminal) Brake Pedal Released In Transition Brake Pedal Depressed
STP OFF ON ON
ST1- ON ON OFF

  • [OFF] denotes ground potential.

  • [ON] denotes battery potential (+B).

DTC No. Detection Item DTC Detection Condition Trouble Area MIL Memory
P0504 Brake Switch "A" / "B" Correlation

Conditions (1), (2) and (3) continue for 5.0 seconds or more:

(2 trip detection logic)


  1. Ignition switch ON

  2. Brake pedal depressed

  3. STP signal off when ST1 signal off


  • Short in stop light switch signal circuit

  • Stop light switch assembly

  • ECM

Comes on DTC stored
DTC Detection Drive Pattern
DTC No. DTC Detection Drive Pattern
P0504 Depress and release brake pedal with ignition switch ON
Related Data List
DTC No. Data List
P0504 Stop Light Switch

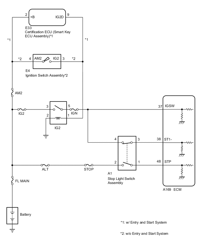
WIRING DIAGRAM

A01LV92E03

CAUTION / NOTICE / HINT

Note


  • When replacing the ECM, perform ECM Initialization and Registration.

    Click here

  • Inspect the fuse for circuits related to this system before performing the following procedure.

Tech Tips


  • When the ECM must be replaced, before replacing the ECM, perform the "Learning Values Save" function using the GTS. Then after installing a new ECM, perform all of the initialization and registration procedures for the "Learning Values Write" function by following the instructions shown on the GTS display.

  • Read freeze frame data using the GTS. Freeze frame data records the engine condition when malfunctions are detected. When troubleshooting, freeze frame data can help determine if the vehicle was moving or stationary, if the engine was warmed up or not, and other data from the time the malfunction occurred.

  • Stop light switch conditions can be checked using the GTS.


    1. Connect the GTS to the DLC3.

    2. Turn the ignition switch to ON and turn the GTS on.

    3. Enter the following menus: Powertrain / Engine and ECT / Data List / Stop Light Switch.

    4. Check Stop Light Switch when the brake pedal is depressed and released.

      Brake Pedal Operation Stop Light Switch
      Depressed ON
      Released OFF

PROCEDURE


  1. CHECK TERMINAL VOLTAGE (POWER SOURCE OF STOP LIGHT SWITCH ASSEMBLY)

    A01LWADC02
    *a

    Front view of wire harness connector

    (to Stop Light Switch Assembly)


    1. Disconnect the stop light switch assembly connector.

    2. Measure the voltage according to the value(s) in the table below.

      Standard Voltage
      Tester Connection Condition Specified Condition
      A1-2 - Body ground Always 11 to 14 V
      Result
      Proceed to
      OK
      NG

    NG
    OK
  2. CHECK TERMINAL VOLTAGE (POWER SOURCE OF STOP LIGHT SWITCH ASSEMBLY)

    A01LWADC02
    *a

    Front view of wire harness connector

    (to Stop Light Switch Assembly)


    1. Disconnect the stop light switch assembly connector.

    2. Turn the ignition switch to ON.

    3. Measure the voltage according to the value(s) in the table below.

      Standard Voltage
      Tester Connection Condition Specified Condition
      A1-4 - Body ground Ignition switch ON 11 to 14 V
      Result
      Proceed to
      OK
      NG

    NG
    OK
  3. INSPECT STOP LIGHT SWITCH ASSEMBLY


    1. Inspect the stop light switch assembly.

      Click here

      Result
      Result
      OK
      NG

    NG
    OK
  4. INSPECT ECM (STP AND ST1- VOLTAGE)

    A01M0QFC01
    *a Brake pedal operation
    *b Depressed
    *c Released
    *d

    Front view of wire harness connector

    (to ECM)


    1. Disconnect the ECM connector.

    2. Turn the ignition switch to ON.

    3. Measure the voltage according to the value(s) in the table below.

      Standard Voltage
      Tester Connection Brake Pedal Condition Specified Condition
      A169-38 (ST1-) - Body ground Released 7.5 to 14 V
      Depressed 0 to 3 V
      A169-48 (STP) - Body ground Released 0 to 3 V
      Depressed 7.5 to 14 V
      Result
      Proceed to
      OK
      NG

    NG
    OK
  5. REPLACE ECM


    1. Replace the ECM.

      Click here

      Result
      Proceed to
      NEXT

    NEXT
  6. REPLACE STOP LIGHT SWITCH ASSEMBLY


    1. Replace the stop light switch assembly.

      Click here

      Result
      Proceed to
      NEXT

    NEXT
  7. REPAIR OR REPLACE HARNESS OR CONNECTOR

    Result
    Proceed to
    NEXT

    NEXT
  8. CONFIRM WHETHER MALFUNCTION HAS BEEN SUCCESSFULLY REPAIRED


    1. Connect the GTS to the DLC3.

    2. Turn the ignition switch to ON and turn the GTS on.

    3. Clear the DTCs.


      Powertrain > Engine and ECT > Clear DTCs
    4. Turn the ignition switch to ON.

    5. Depress the brake pedal for 10 seconds or more.

    6. Enter the following menus: Powertrain / Engine and ECT / Trouble Codes / Pending.

    7. Confirm that the pending DTC is not output again.


      Powertrain > Engine and ECT > Trouble Codes
      Result
      Proceed to
      NEXT

    NEXT