СИСТЕМА ECD, Diagnostic DTC:P0500

DTC Code DTC Name
P0500 Vehicle Speed Sensor "A"

DESCRIPTION

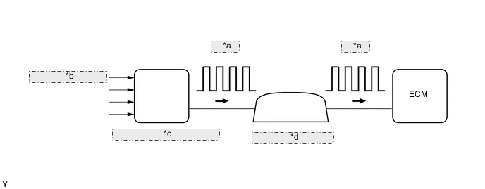
Vehicles which are equipped with a manual transmission detect the vehicle speed using the speed sensor. The speed sensor transmits a 4-pulse signal for every revolution of the rotor shaft, which is rotated by the transaxle output shaft via the driven gear. The 4-pulse signal is converted into a more precise rectangular waveform by the waveform shaping circuit inside the combination meter assembly. The signal is then transmitted to the ECM. The ECM determines the vehicle speed based on the frequency of the pulse signal.

A01TAX5E41
*a 4-Pulse
*b from Wheel Speed Sensor
*c Skid Control ECU (Brake Actuator Assembly)
*d Combination Meter Assembly
DTC No. Detection Item DTC Detection Condition Trouble Area MIL Memory
P0500 Vehicle Speed Sensor "A"

Either of the following conditions is met (2 trip detection logic):


  • Conditions (a), (b), (c) and (d) are met for 8 seconds or more:

    (a) Engine coolant temperature is higher than 70°C (158°F).

    (b) engine speed is 1500 to 4000 rpm

    (c) Injection volume is 26 mm3/st or higher.

    (d) No speed signal is input to the ECM.

  • Conditions (a) and (b) are met for 6 seconds or more:

    (a) During the fuel cut operation.

    (b) No speed signal is input to the ECM.


  • Open or short in speedometer circuit

  • Speedometer assembly

  • ECM

Comes on DTC stored
Related Data List
DTC No. Data List
P0500 Vehicle Speed

CONFIRMATION DRIVING PATTERN

DTC No. DTC Detection Drive Pattern
P0500 Drive the vehicle at 10 km/h (6.3 mph) or more

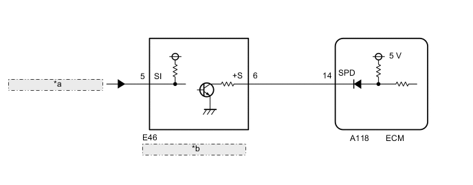
WIRING DIAGRAM

A01T8T3E01
*a from Skid Control ECU (Brake Actuator Assembly)
*b Combination Meter Assembly

CAUTION / NOTICE / HINT

Note

After replacing the ECM, the new ECM needs registration (Click here) and initialization Click here.

Tech Tips

Read freeze frame data using the GTS. Freeze frame data records the engine condition when malfunctions are detected. When troubleshooting, freeze frame data can help determine if the vehicle was moving or stationary, if the engine was warmed up or not, and other data from the time the malfunction occurred.

PROCEDURE


  1. CHECK OPERATION OF SPEEDOMETER


    1. Drive the vehicle and check whether the operation of the speedometer in the combination meter assembly is normal.

      Tech Tips

      The vehicle speed sensor is operating normally if the speedometer reading is normal.

      OK
      The vehicle speed sensor is operating normally.
      Result
      Proceed to
      OK
      NG

    NG
    OK
  2. READ VALUE USING GTS (VEHICLE SPEED)


    1. Connect the GTS to the DLC3.

    2. Turn the ignition switch to ON and start the engine.

    3. Turn the GTS on.

    4. Enter the following menus: Powertrain / Engine and ECT / Data List / All Data / Vehicle Speed.


      Powertrain > Engine and ECT > Data List
      Tester Display
      Vehicle Speed
    5. Drive the vehicle.

    6. Read the value displayed on the GTS.

      OK
      Vehicle speeds displayed on GTS and speedometer display are equal.
      Result
      Proceed to
      OK
      NG

    OK
    NG
  3. CHECK TERMINAL VOLTAGE (+S VOLTAGE)


    1. A01TCRWC03
      *a

      Front view of wire harness connector

      (to Combination Meter Assembly)

      Disconnect the combination meter assembly connector.

    2. Turn the ignition switch to ON.

    3. Measure the voltage according to the value(s) in the table below.

      Standard Voltage
      Tester Connection Condition Specified Condition
      E46-6 (+S) - Body ground Ignition switch ON 4.5 to 5.5 V
      Result
      Proceed to
      OK
      NG

    NG
    OK
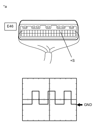
  4. CHECK COMBINATION METER ASSEMBLY (SPD SIGNAL WAVEFORM)


    1. Turn the ignition switch to ON.

    2. A01T8WEC03
      *a

      Component without harness connected

      (Combination Meter Assembly)

      Move the shift lever to neutral.

    3. Jack up the vehicle.

    4. Check the voltage between the terminal of the combination meter assembly and the body ground while a wheel is turned slowly.

      Standard Voltage
      Tester Connection Condition Specified Condition
      E46-6 (+S) - Body ground Ignition switch ON Voltage generated intermittently

      Tech Tips

      The output voltage should fluctuate up and down, similarly to the diagram, when the wheel is turned slowly.

      Result
      Proceed to
      OK
      NG

    OK
    NG
  5. REPLACE COMBINATION METER ASSEMBLY


    1. Replace the combination meter assembly.

      Click here

      Result
      Proceed to
      NEXT

    NEXT
  6. CHECK HARNESS AND CONNECTOR (COMBINATION METER ASSEMBLY - ECM)


    1. Disconnect the combination meter assembly connector.

    2. Disconnect the ECM connector.

    3. Measure the resistance according to the value(s) in the table below.

      Standard Resistance
      Tester Connection Condition Specified Condition
      E46-6 (+S) - A118-14 (SPD) Always Below 1 Ω
      Result
      Proceed to
      OK
      NG

    NG
    OK
  7. REPLACE ECM


    1. Replace the ECM.

      Click here

      Result
      Proceed to
      NEXT

    NEXT
  8. CHECK SPEEDOMETER CIRCUIT


    1. Check the speedometer circuit.

      Click here

      Tech Tips

      Inspect the skid control ECU (brake actuator assembly) and speed sensor.

      Result
      Proceed to
      NEXT

    NEXT
  9. REPAIR OR REPLACE HARNESS OR CONNECTOR


    1. Repair or replace the harness or connector.

      Result
      Proceed to
      NEXT

    NEXT
  10. CONFIRM WHETHER MALFUNCTION HAS BEEN SUCCESSFULLY REPAIRED


    1. Connect the GTS to the DLC3.

    2. Turn the ignition switch to ON.

    3. Turn the GTS on.

    4. Clear the DTCs.


      Powertrain > Engine and ECT > Clear DTCs
    5. Turn the ignition switch off.

    6. Start the engine.

    7. Drive the vehicle at 10 km/h (6.3 mph) or more.

      CAUTION:

      When performing the confirmation driving pattern, obey all speed limits and traffic laws.

    8. Turn the GTS on.

    9. Enter the following menus: Powertrain / Engine and ECT / Trouble Codes.

    10. Confirm that the pending DTC is not output.


      Powertrain > Engine and ECT > Trouble Codes
      Result
      Proceed to
      NEXT

    NEXT