СИСТЕМА УПРАВЛЕНИЯ ЭЛЕКТРИЧЕСКИМИ СТЕКЛОПОДЪЕМНИКАМИ (для моделей с функцией травмобезопасности только на окне двери водителя) Невозможно управлять электрическим стеклоподъемником двери переднего пассажира с помощью переключателя электрического стеклоподъемника двери переднего пассажира

ОПИСАНИЕ

Когда включено зажигание, стеклоподъемник в сборе (двери переднего пассажира) приводится в действие посредством переключателя электрического стеклоподъемника.

СХЕМА ЭЛЕКТРИЧЕСКИХ СОЕДИНЕНИЙ


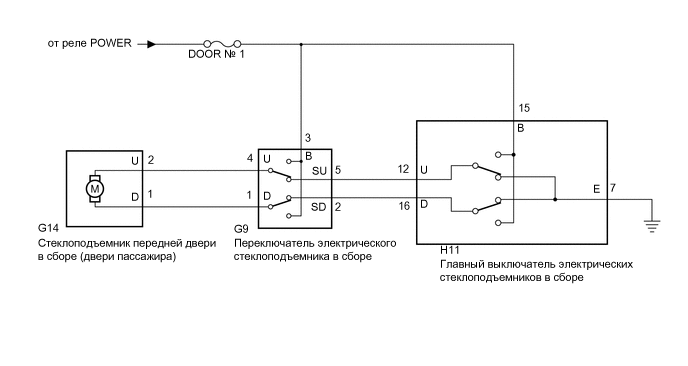
  1. Для моделей с левосторонним рулевым управлением

    A01LX02E14
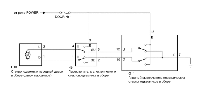
  2. Для моделей с правосторонним рулевым управлением

    A01LX02E15

ПРЕДОСТЕРЕЖЕНИЕ / ПРИМЕЧАНИЕ / УКАЗАНИЕ

Note


  • Перед выполнением последующей процедуры проверки проверьте плавкие предохранители цепей, относящихся к данной системе.

  • Перед выполнением следующей процедуры убедитесь, что выключатель блокировки стеклоподъемников выключен.

ПОРЯДОК ВЫПОЛНЕНИЯ


  1. ПРОВЕРЬТЕ ЖГУТ ПРОВОДОВ И РАЗЪЕМ (ВЫКЛЮЧАТЕЛЬ ЭЛЕКТРИЧЕСКОГО СТЕКЛОПОДЪЕМНИКА – АККУМУЛЯТОРНАЯ БАТАРЕЯ)


    1. Отсоедините разъем G9*1 или H9*2 переключателя электрического стеклоподъемника.


      • *1: для моделей с левосторонним рулевым управлением

      • *2: для моделей с правосторонним рулевым управлением

    2. Измерьте напряжение в соответствии со значениями, приведенными в таблице.

      Номинальное напряжение
      Для моделей с левосторонним рулевым управлением
      Подключение диагностического прибора Условие Заданные условия
      G9-3 (B) - масса Зажигание включено 11 - 14 В
      Для моделей с правосторонним рулевым управлением
      Подключение диагностического прибора Условие Заданные условия
      H9-3 (B) - масса Зажигание включено 11 - 14 В
      Результат
      Перейти к
      OK
      NG

    NG
    OK
  2. ПРОВЕРЬТЕ ПЕРЕКЛЮЧАТЕЛЬ ЭЛЕКТРИЧЕСКОГО СТЕКЛОПОДЪЕМНИКА В СБОРЕ


    1. A01M0ZSC01
      *a

      Устройство с неподсоединенным жгутом проводов

      (переключатель электрического стеклоподъемника в сборе)

      Снимите переключатель электрического стеклоподъемника в сборе.

      Нажмите здесь Click here

    2. Измерьте сопротивление в соответствии со значениями, приведенными в таблице, при управлении выключателем.

      Номинальное сопротивление
      Подключение диагностического прибора Условие Заданные условия
      1 (D) - 2 (SD) UP (вверх) Менее 1 Ом
      3 (B) - 4 (U) Менее 1 Ом
      1 (D) - 2 (SD) Выкл Менее 1 Ом
      4 (U) - 5 (SU) Менее 1 Ом
      4 (U) - 5 (SU) DOWN (вниз) Менее 1 Ом
      1 (D) - 3 (B) Менее 1 Ом
      Результат
      Перейти к
      OK
      NG

    NG
    OK
  3. ПРОВЕРЬТЕ ЖГУТ ПРОВОДОВ И РАЗЪЕМ (ГЛАВНЫЙ ВЫКЛЮЧАТЕЛЬ ЭЛЕКТРИЧЕСКИХ СТЕКЛОПОДЪЕМНИКОВ - ЭЛЕКТРИЧЕСКИЙ СТЕКЛОПОДЪЕМНИК ПЕРЕДНЕЙ ДВЕРИ (ПАССАЖИРА))


    1. Отсоедините разъем G14*1 или H10*2 стеклоподъемника передней двери (двери пассажира).


      • *1: для моделей с левосторонним рулевым управлением

      • *2: для моделей с правосторонним рулевым управлением

    2. Измерьте сопротивление в соответствии со значениями, приведенными в таблице ниже.

      Номинальное сопротивление
      Для моделей с левосторонним рулевым управлением
      Подключение диагностического прибора Значение Заданные условия
      G9-4 (U) - G14-2 (U) Всегда Менее 1 Ом
      G9-1 (D) - G14-1 (D) Всегда Менее 1 Ом
      G9-4 (U) - масса Всегда 10 кОм или более
      G9-1 (D) - масса Всегда 10 кОм или более
      Для моделей с правосторонним рулевым управлением
      Подключение диагностического прибора Значение Заданные условия
      H9-4 (U) - H10-2 (U) Всегда Менее 1 Ом
      H9-1 (D) - H10-1 (D) Всегда Менее 1 Ом
      H9-4 (U) - масса Всегда 10 кОм или более
      H9-1 (D) - масса Всегда 10 кОм или более
      Результат
      Следующий шаг
      OK
      NG

    NG
    OK
  4. ПРОВЕРЬТЕ ГЛАВНЫЙ ВЫКЛЮЧАТЕЛЬ ЭЛЕКТРИЧЕСКИХ СТЕКЛОПОДЪЕМНИКОВ В СБОРЕ


    1. Снимите главный выключатель электрических стеклоподъемников в сборе.

      Нажмите здесь Click here

    2. A01LWM4C05
      *a

      Устройство с неподсоединенным жгутом проводов

      (главный выключатель электрических стеклоподъемников в сборе (для моделей с левосторонним рулевым управлением))

      Для моделей с левосторонним рулевым управлением:

      Измерьте сопротивление в соответствии со значениями, приведенными в таблице, при управлении выключателем.

      Номинальное сопротивление
      Подключение диагностического прибора Условие Заданные условия
      15 (B) - 12 (U) UP (вверх) Менее 1 Ом
      7 (E) - 16 (D) Менее 1 Ом
      7 (E) - 12 (U) Выкл Менее 1 Ом
      7 (E) - 16 (D) Менее 1 Ом
      15 (B) - 16 (D) DOWN (вниз) Менее 1 Ом
      7 (E) - 12 (U) Менее 1 Ом
    3. A01LWM4C06
      *a

      Устройство с неподсоединенным жгутом проводов

      (главный выключатель электрических стеклоподъемников в сборе (для моделей с правосторонним рулевым управлением))

      Для моделей с правосторонним рулевым управлением:

      Измерьте сопротивление в соответствии со значениями, приведенными в таблице, при управлении выключателем.

      Номинальное сопротивление
      Подключение диагностического прибора Условие Заданные условия
      15 (B) - 12 (U) UP (вверх) Менее 1 Ом
      7 (E) - 10 (D) Менее 1 Ом
      7 (E) - 12 (U) Выкл Менее 1 Ом
      7 (E) - 10 (D) Менее 1 Ом
      15 (B) - 10 (D) DOWN (вниз) Менее 1 Ом
      7 (E) - 12 (U) Менее 1 Ом
      Результат
      Следующий шаг
      OK
      NG

    NG
    OK
  5. ПРОВЕРЬТЕ ЖГУТ ПРОВОДОВ И РАЗЪЕМ (ГЛАВНЫЙ ВЫКЛЮЧАТЕЛЬ ЭЛЕКТРИЧЕСКИХ СТЕКЛОПОДЪЕМНИКОВ В СБОРЕ – ЭЛЕКТРИЧЕСКИЙ СТЕКЛОПОДЪЕМНИК)


    1. Измерьте сопротивление в соответствии со значениями, приведенными в таблице ниже.

      Номинальное сопротивление
      Для моделей с левосторонним рулевым управлением
      Подключение диагностического прибора Условие Заданные условия
      H11-12 (U) - G9-5 (SU) Всегда Менее 1 Ом
      H11-16 (D) - G9-2 (SD) Всегда Менее 1 Ом
      H11-12 (U) - масса Всегда 10 кОм или более
      H11-16 (D) - масса Всегда 10 кОм или более
      Для моделей с правосторонним рулевым управлением
      Подключение диагностического прибора Условие Заданные условия
      G11-12 (U) - H9-5 (SU) Всегда Менее 1 Ом
      G11-10 (D) - H9-2 (SD) Всегда Менее 1 Ом
      G11-12 (U) - масса Всегда 10 кОм или более
      G11-10 (D) - масса Всегда 10 кОм или более
      Результат
      Следующий шаг
      OK
      NG

    OK
    NG