СИСТЕМА МЕХАНИЧЕСКОЙ ТРАНСМИССИИ "MULTIMODE" Pattern Select Switch Circuit

DESCRIPTION

While the vehicle is driven with the shift lever in E, the most appropriate gear is automatically selected according to the accelerator pedal opening angle and vehicle speed. During this time, shift control can be switched between easy (E) mode and easy sports (Es) mode by pressing the Es mode switch (combination switch assembly).

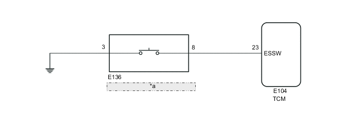
WIRING DIAGRAM

B0042YHE25
*a Es Mode Switch (Combination Switch Assembly)

PROCEDURE


  1. INSPECT COMBINATION SWITCH ASSEMBLY


    1. B0041P3C11
      *a

      Component without harness connected

      (Es Mode Switch (Combination Switch Assembly))

      Remove the Es mode switch (combination switch assembly).

      Click here

    2. Measure the resistance according to the value(s) in the table below.

      Standard Resistance
      Tester Connection Condition Specified Condition
      8 - 3 Switch being pushed Below 50 Ω
      8 - 3 Switch not being pushed 10 kΩ or higher
      Result
      Proceed to
      OK
      NG

    NG
    OK
  2. CHECK HARNESS AND CONNECTOR (COMBINATION SWITCH ASSEMBLY - BODY GROUND)


    1. Measure the resistance according to the value(s) in the table below.

      Standard Resistance
      Tester Connection Condition Specified Condition
      E136-3 - Body ground Always Below 1 Ω
      Result
      Proceed to
      OK
      NG

    NG
    OK
  3. CHECK HARNESS AND CONNECTOR (COMBINATION SWITCH ASSEMBLY - TCM)


    1. Disconnect the E104 TCM connector.

    2. Measure the resistance according to the value(s) in the table below.

      Standard Resistance
      Tester Connection Condition Specified Condition
      E104-23 (ESSW) - E136-8 Always Below 1 Ω
      E104-23 (ESSW) or E136-8 - Body ground Always 10 kΩ or higher
      Result
      Proceed to
      OK
      NG

    NG
    OK
  4. REPLACE TCM


    1. Replace the TCM.

      Click here

      Result
      Proceed to
      NEXT

    NEXT