TOYOTA PARKING ASSIST-SENSOR SYSTEM(w/ Multi-display) Main Switch Circuit

DESCRIPTION

for 4 Sensor Type:

When the back sonar or clearance sonar switch assembly is turned on, the on signal is input into the ECU.

for 8 Sensor Type

When the driving support switch control ECU receives the clearance sonar on/off switch signal, the ECU sends it to the clearance warning ECU.

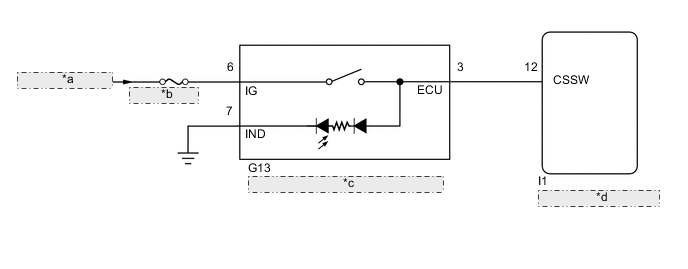
WIRING DIAGRAM

B001IEDE03
for 4 Sensor Type
*a from IG1 NO.1 Relay
*b ECU-IG NO. 2
*c Back Sonar or Clearance Sonar Switch Assembly
*d Clearance Warning ECU
A01XFVAE05

CAUTION / NOTICE / HINT

Note

Inspect the fuses for circuits related to this system before performing the following inspection procedure.

PROCEDURE


  1. READ VALUE USING GTS


    1. Connect the GTS to the DLC3.

    2. Turn the engine switch on (IG).

    3. Turn the GTS on.

    4. Enter the following menus: Body / Clearance Sonar / Data List.

    5. According to the display on the GTS, read the Data List.

      Clearance Sonar
      Tester Display Measurement Item/Range Normal Condition Diagnostic Note
      Main Switch TOYOTA parking assist-sensor system (multi-function switch)/OFF or ON

      OFF: TOYOTA parking assist-sensor system off

      ON: TOYOTA parking assist-sensor system on

      -
      OK
      The display changes as shown above when the TOYOTA parking assist-sensor system is operated.
      Result
      Result Proceed to
      OK A
      NG (for 4 Sensor Type) B
      NG (for 8 Sensor Type) C

    A
    C
    B
  2. INSPECT BACK SONAR OR CLEARANCE SONAR SWITCH ASSEMBLY


    1. Remove the back sonar or clearance sonar switch assembly Click here.

    2. Inspect the back sonar or clearance sonar switch assembly Click here.


    NG
    OK
  3. CHECK HARNESS AND CONNECTOR (BACK SONAR OR CLEARANCE SONAR SWITCH ASSEMBLY - CLEARANCE WARNING ECU, BATTERY AND BODY GROUND)


    1. Disconnect the G13 back sonar or clearance sonar switch assembly connector.

    2. Disconnect the I1 clearance warning ECU connector.

    3. Measure the resistance according to the value(s) in the table below.

      Standard Resistance
      Tester Connection Switch Condition Specified Condition
      G13-6 (IG) - Body ground Engine switch on (IG) 11 to 14 V
    4. Measure the resistance according to the value(s) in the table below.

      Standard Resistance
      Tester Connection Condition Specified Condition
      G13-3 (ECU) - I1-12 (CSSW) Always Below 1 Ω
      G13-7 (IND) - Body ground Always Below 1 Ω
      G13-3 (ECU) - Body ground Always 10 kΩ or higher
      Result
      Result Proceed to
      OK (for LHD) A
      OK (for RHD) B
      NG C

    A
    B
    C
  4. CHECK HARNESS AND CONNECTOR (DRIVING SUPPORT SWITCH CONTROL ECU - CLEARANCE WARNING ECU)


    1. Disconnect the G162*1 or G76*2 driving support switch control ECU connector.


      • *1: for Automatic Transmission

      • *2: for Manual Transmission

    2. Disconnect the G154 clearance warning ECU connector.

    3. Measure the resistance according to the value(s) in the table below.

      Standard Resistance
      for Automatic Transmission
      Tester Connection Condition Specified Condition
      G162-9 (SWO1) - G154-12 (CSSW) Always Below 1 Ω
      G162-9 (SWO1) - Body ground Always 10 kΩ or higher
      for Manual Transmission
      Tester Connection Condition Specified Condition
      G76-12 (SWO1) - G154-12 (CSSW) Always Below 1 Ω
      G76-12 (SWO1) - Body ground Always 10 kΩ or higher

    NG
    OK
  5. CHECK DRIVING SUPPORT SWITCH CONTROL ECU


    1. Replace the driving support switch control ECU with a new or normally functioning one Click here.

    2. Check the TOYOTA parking assist-sensor system operates normally.

      OK
      TOYOTA parking assist-sensor system operates normally.
      Result
      Result Proceed to
      OK A
      NG (for LHD) B
      NG (for RHD) C

    A
    B
    C