ECD SYSTEM Pre-heating Control Circuit

DESCRIPTION

The glow plug is mounted inside the engine combustion chamber. To ensure efficient engine starting with a cold engine, the ECM calculates the period of time that the current needs to flow through the glow plug depending on the starting engine coolant temperature when the ignition switch is turned to ON. The ECM then turns on the glow plug relay and permits the current to flow through the glow plug based on the time calculated by the ECM. The glow plug is then heated, and enhances fuel combustion with a cold engine.

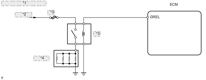
B001ELME17
*1 Glow System Wiring Diagram
*2 from Battery
*3 GLOW
*4 Glow Plug

Tech Tips


  • These troubleshooting procedures are for: 1) difficulty starting the engine in cold weather, and 2) difficulty driving/vehicle malfunctions in cold weather immediately after the engine is started.

  • After the engine is started, the ECM performs "after-glow" for a certain period of time. In proportion to the actual engine coolant temperature, the time period varies. The after-glow reduces diesel engine knocking, white smoke emissions and engine noises when the engine is cold.

B001FBKE13

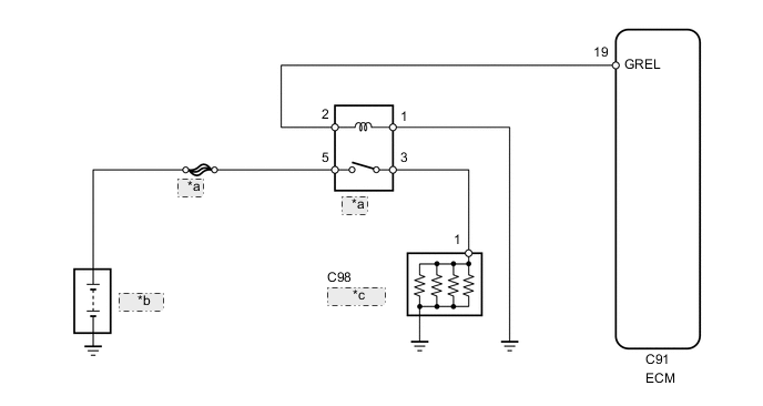
WIRING DIAGRAM

B001G9WE03
*a GLOW
*b Battery
*c Glow Plug

CAUTION / NOTICE / HINT

Note


  • Inspect the fuses of circuits related to this system before performing the following inspection procedure.

  • After replacing the ECM, the new ECM needs registration (See page ) and initialization Click here.

PROCEDURE


  1. CHECK TERMINAL VOLTAGE (GLOW PLUG RELAY(GLOW))


    1. B001I55E01
      Text in Illustration
      *1 Engine Room Relay Block
      *2 Glow Plug Relay (GLOW)

      Remove the glow plug relay (GLOW).

    2. Measure the voltage according to the value(s) in the table below.

      Standard Voltage
      Tester Connection Switch Condition Specified Condition
      Glow plug relay terminal-5 - Body ground Ignition switch ON 11 to 14 V
    3. Reinstall the glow plug relay (GLOW).


    NG
    OK
  2. INSPECT GLOW PLUG RELAY(GLOW)


    1. Inspect the glow plug relay (GLOW) Click here.


    NG
    OK
  3. INSPECT GLOW PLUG (RESISTANCE)


    1. Inspect the glow plug Click here.


    NG
    OK
  4. CHECK GLOW PLUG (INSTALLATION)


    1. Check the glow plug installation.

      OK
      Glow plugs are installed securely.
      Torque:
      12.3 N*m  { 125 kgf*cm, 9 ft.*lbf }

    NG
    OK
  5. CHECK WIRE HARNESS (GLOW PLUG - GLOW PLUG RELAY(GLOW) - BODY GROUND)


    1. Remove the glow plug relay (GLOW).

    2. Disconnect the glow plug connector.

    3. Measure the resistance according to the value(s) in the table below.

      Standard Resistance (Check for Open)
      Tester Connection Condition Specified Condition
      Glow plug relay terminal-3 - C98-1 Always Below 1 Ω
      Glow plug relay terminal-1 - Body ground Always Below 1 Ω
      Standard Resistance (Check for Short)
      Tester Connection Condition Specified Condition
      Glow plug relay terminal-3 or C98-1 - Body ground Always 10 kΩ or higher
    4. Reinstall the glow plug relay (GLOW).

    5. Reconnect the glow plug connector.


    NG
    OK
  6. CHECK WIRE HARNESS (GLOW PLUG RELAY(GLOW) - ECM AND BODY GROUND)


    1. Remove the glow plug relay (GLOW).

    2. Disconnect the ECM connector.

    3. Measure the resistance according to the value(s) in the table below.

      Standard Resistance (Check for Open)
      Tester Connection Condition Specified Condition
      Glow plug relay terminal-2 - C91-19 (GREL) Always Below 1 Ω
      Standard Resistance (Check for Short)
      Tester Connection Condition Specified Condition
      Glow plug relay terminal-2 or C91-19 (GREL) - Body ground Always 10 kΩ or higher
    4. Reinstall the glow plug relay (GLOW).

    5. Reconnect the ECM connector.


    OK
    NG