СИСТЕМА ПЕРЕДАЧИ ДАННЫХ CAN (для моделей с левосторонним рулевым управлением без ЭБУ центрального сетевого шлюза) Режим прекращения обмена данными с приемником аудиосистемы в сборе

ОПИСАНИЕ

Неисправность Признак Неисправный участок
Режим прекращения обмена данными с приемником аудиосистемы в сборе

Выполняется любое из следующих условий:


  • На экране "Bus Check" (проверка шин) не отображается "Display and Navigation (AVN1)" (см. стр. Click here).

  • Выводимые коды DTC системы передачи данных (начинающиеся на U) соответствуют "Режиму прекращения обмена данными с приемником аудиосистемы в сборе" в "Таблице комбинаций кодов DTC" (см. стр. Click here).


  • Вспомогательная шина CAN или разъем радиоприемника с дисплеем в сборе

  • Цепь питания радиоприемника с дисплеем в сборе

  • Цепь массы радиоприемника с дисплеем в сборе

  • Радиоприемник с дисплеем в сборе

СХЕМА ЭЛЕКТРИЧЕСКИХ СОЕДИНЕНИЙ

B001YWEE47

ПРЕДОСТЕРЕЖЕНИЕ / ПРИМЕЧАНИЕ / УКАЗАНИЕ

Note


  • Перед измерением сопротивления шины CAN, выключите зажигание и оставьте автомобиль в покое на 1 минуту или более, не трогая замок зажигания, другие переключатели и не открывая/закрывая двери. После этого, отсоедините провод от отрицательного (-) вывода аккумуляторной батареи и перед измерением сопротивления оставьте автомобиль в покое на 1 минуту или более.

  • После выключения двигателя следует подождать некоторое время, прежде чем отсоединять провод от вывода аккумуляторной батареи. Поэтому, прежде чем приступать к этой работе, обязательно ознакомьтесь с примечанием относительно отсоединения провода от вывода аккумуляторной батареи (см. стр. Click here).

  • Перед выполнением следующей процедуры проверки проверьте предохранители цепей, относящихся к данной системе.

Tech Tips


  • Управление замком зажигания, любыми выключателями или связанными с дверными защелками ЭБУ и датчиками, обмен данными с которыми осуществляется посредством сети CAN, приводит к колебанию сопротивления.

  • Если DTC регистрируется при непродолжительном движении на автомобиле даже после удаления кодов DTC, неисправность может возникать вследствие вибрации автомобиля. В подобных случаях необходимо пошевелить разъемы ЭБУ или жгутов проводов во время проверки, чтобы установить причину неисправности.

ПОРЯДОК ВЫПОЛНЕНИЯ


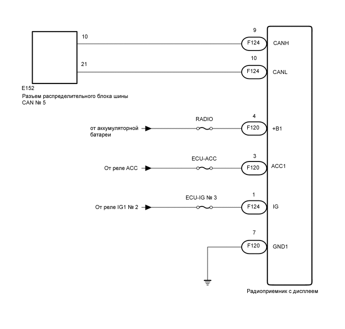
  1. ПРОВЕРЬТЕ ШИНУ CAN НА ОБРЫВ (ВСПОМОГАТЕЛЬНАЯ ШИНА CAN РАДИОПРИЕМНИКА С ДИСПЛЕЕМ В СБОРЕ)


    1. B001ZJ6E01
      Обозначения на рисунке
      *a

      Вид спереди разъема со стороны жгута проводов:

      (к радиоприемнику с дисплеем в сборе)

      Отсоедините провод от отрицательного (-) вывода аккумуляторной батареи.

    2. Отсоедините разъем радиоприемника с дисплеем в сборе.

    3. Измерьте сопротивление в соответствии со значениями, приведенными в таблице ниже.

      Номинальное сопротивление
      Подключение диагностического прибора Условие Заданные условия
      F124-9 (CANH) - F124-10 (CANL) Провод отсоединен от отрицательного (-) вывода аккумуляторной батареи 54 - 69 Ом

    NG
    OK
  2. ПРОВЕРЬТЕ ЖГУТ ПРОВОДОВ И РАЗЪЕМ (РАДИОПРИЕМНИК С ДИСПЛЕЕМ В СБОРЕ - АККУМУЛЯТОРНАЯ БАТАРЕЯ И МАССА КУЗОВА)


    1. B001Z2JE01
      Обозначения на рисунке
      *a

      Вид спереди разъема со стороны жгута проводов:

      (к радиоприемнику с дисплеем в сборе)

      Подсоедините провод к отрицательному (-) выводу аккумуляторной батареи.

      Note

      После подсоединения провода необходимо инициализировать некоторые системы (см. стр. Click here).

    2. Измерьте напряжение в соответствии со значениями, приведенными в таблице.

      Номинальное напряжение
      Подключение диагностического прибора Условие Заданные условия
      F120-4 (+B1) - масса Всегда 11-14 В
      F120-3 (ACC1) - масса Замок зажигания в положении ACC 11-14 В
      F124-1 (IG) - масса Зажигание включено 11-14 В
    3. Измерьте сопротивление в соответствии со значениями, приведенными в таблице ниже.

      Номинальное сопротивление
      Подключение диагностического прибора Условие Заданные условия
      F120-7 (GND1) - масса Всегда Менее 1 Ом

    OK
    NG