СИСТЕМА ПЕРЕДАЧИ ДАННЫХ LIN, Diagnostic DTC:B2789

Код DTC Наименование DTC
B2789 Нет ответа от блока идентификационного кода

ОПИСАНИЕ

Данный DTC регистрируется, когда более чем на 10 с прекращается обмен данными по шине LIN между ЭБУ сертификации (ЭБУ электронного ключа зажигания в сборе) и блоком идентификационного кода (ЭБУ кода иммобилайзера) .

Код DTC Условие обнаружения DTC Неисправный участок
B2789 Прекращение обмена данными в течение 10 с и более между ЭБУ сертификации (ЭБУ электронного ключа зажигания в сборе) и блоком идентификационного кода (ЭБУ кода иммобилайзера).
  • Блок идентификационного кода (ЭБУ кода иммобилайзера)

  • ЭБУ сертификации (ЭБУ электронного ключа зажигания в сборе)

  • Жгут или разъем

СХЕМА ЭЛЕКТРИЧЕСКИХ СОЕДИНЕНИЙ

A01XAB7E02

ПРЕДОСТЕРЕЖЕНИЕ / ПРИМЕЧАНИЕ / УКАЗАНИЕ

Note

При использовании портативного диагностического прибора для диагностики с выключенным зажиганием:

Подключите портативный диагностический прибор к автомобилю и с интервалом 1,5 с включайте и выключайте выключатель освещения дверного проема до тех пор, пока не установится связь между прибором и автомобилем.

Tech Tips

DTC B2785 регистрируется, когда прекращается обмен данными между блоком идентификационного кода (ЭБУ кода иммобилайзера) и ЭБУ сертификации (ЭБУ электронного ключа зажигания в сборе).

ПОРЯДОК ВЫПОЛНЕНИЯ


  1. УДАЛИТЕ DTC


    1. Сбросьте код DTC (см. стр. Click here).


    ДАЛЕЕ
  2. ПРОВЕРЬТЕ DTC


    1. Еще раз проверьте коды DTC (см. стр. Click here).

      Результат
      Результат Перейти к
      Выводится DTC B2789 А
      DTC B2789 не выводится B

    B
    А
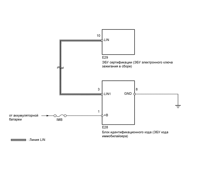
  3. ПРОВЕРЬТЕ ЖГУТ ПРОВОДОВ И РАЗЪЕМ (ЭБУ СЕРТИФИКАЦИИ - БЛОК ИДЕНТИФИКАЦИОННОГО КОДА)

    A01WZBFE01
    *1 Вид спереди разъема со стороны жгута проводов: (к ЭБУ сертификации)
    *2 Вид спереди разъема со стороны жгута проводов: (к блоку идентификационного кода)

    1. Отсоедините разъем E29 ЭБУ.

    2. Отсоедините разъем E28 блока.

    3. Измерьте сопротивление в соответствии со значениями, приведенными в таблице ниже.

      Номинальное сопротивление
      Подключение диагностического прибора Условие Заданные условия
      E29-10 (LIN) - E28-3 (LIN1) Всегда Менее 1 Ом
      E29-10 (LIN) или E28-3 (LIN1) - Масса кузова Всегда 10 кОм или более

    NG
    OK
  4. ПРОВЕРЬТЕ ЖГУТ ПРОВОДОВ И РАЗЪЕМ (БЛОК ИДЕНТИФИКАЦИОННОГО КОДА – АККУМУЛЯТОРНАЯ БАТАРЕЯ И МАССА)


    1. A01X579E02
      *1 Вид спереди разъема со стороны жгута проводов: (к блоку идентификационного кода)

      Отсоедините разъем E28 блока.

    2. Измерьте сопротивление и напряжение в соответствии со значениями, приведенными в таблице.

      Номинальное сопротивление
      Подключение диагностического прибора Условие Заданные условия
      E28-8 (GND) - масса Всегда Менее 1 Ом
      Номинальное напряжение
      Подключение диагностического прибора Условие Заданные условия
      E28-1 (+B) - масса Всегда 11-14 В

    NG
    OK
  5. ЗАМЕНИТЕ БЛОК ИДЕНТИФИКАЦИОННОГО КОДА (ЭБУ КОДА ИММОБИЛАЙЗЕРА)


    1. Временно замените блок идентификационного кода (ЭБУ кода иммобилайзера) новым или исправным.

    2. Сбросьте код DTC (см. стр. Click here).


    ДАЛЕЕ
  6. ПРОВЕРЬТЕ DTC


    1. Еще раз проверьте коды DTC (см. стр. Click here).

      Результат
      Результат Следующий шаг
      Выводится DTC B2789 А
      DTC B2789 не выводится B

    А
    B