СИСТЕМА ПЕРЕДАЧИ ДАННЫХ LIN, Diagnostic DTC:B1206

Код DTC Наименование DTC
B1206 Прекращение обмена данными с главным выключателем электрических стеклоподъемников

ОПИСАНИЕ

Данный код DTC регистрируется, когда более чем на 10 с прекращается обмен данными по шине LIN между главным выключателем и главным ЭБУ кузова (распределительный блок с левой стороны кожуха).

Код DTC Условие обнаружения DTC Неисправный участок
B1206 Обмен данными между главным ЭБУ кузова (распределительным блоком с левой стороны кожуха) и главным выключателем прекращается более чем на 10 секунд.
  • Главный выключатель

  • Главный ЭБУ кузова (распределительный блок с левой стороны кожуха)

  • Жгут или разъем

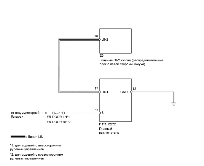
СХЕМА ЭЛЕКТРИЧЕСКИХ СОЕДИНЕНИЙ

A01X192E21

ПРЕДОСТЕРЕЖЕНИЕ / ПРИМЕЧАНИЕ / УКАЗАНИЕ

Note

При использовании портативного диагностического прибора для диагностики с выключенным зажиганием:

Подключите портативный диагностический прибор к автомобилю и с интервалом 1,5 с включайте и выключайте выключатель освещения дверного проема до тех пор, пока не установится связь между прибором и автомобилем.

Tech Tips

Когда прекращается обмен данными между главным выключателем и главным ЭБУ кузова (распределительный блок с левой стороны кожуха), регистрируется код DTC B2325.

ПОРЯДОК ВЫПОЛНЕНИЯ


  1. УДАЛИТЕ DTC


    1. Сбросьте код DTC (см. стр. Click here).


    ДАЛЕЕ
  2. ПРОВЕРЬТЕ DTC


    1. Еще раз проверьте коды DTC (см. стр. Click here).

      Результат
      Результат Перейти к
      Выводится DTC B1206 А
      DTC B1206 не выводится B

    B
    А
  3. ПРОВЕРЬТЕ ЖГУТ ПРОВОДОВ И РАЗЪЕМ (ГЛАВНЫЙ ЭБУ КУЗОВА – ГЛАВНЫЙ ВЫКЛЮЧАТЕЛЬ)

    A01X5PUE02

    1. Отсоедините разъем E3 ЭБУ.

    2. Отсоедините разъем I11*1 или I22*2 выключателя.

      Tech Tips


      • *1: для моделей с левосторонним рулевым управлением

      • *2: для моделей с правосторонним рулевым управлением

    3. Измерьте сопротивление и напряжение в соответствии со значениями, приведенными в таблице.

      Номинальное сопротивление
      Подключение диагностического прибора Условие Заданные условия
      E3-10 (LIN2) - I11-17 (LIN1)*1 или I22-17 (LIN)*2 Всегда Менее 1 Ом
      Е3-10 (LIN2) - Масса кузова Всегда 10 кОм или более
      Номинальное напряжение
      Подключение диагностического прибора Условие Заданные условия
      Е3-10 (LIN2) - Масса кузова Всегда Менее 1 В

    NG
    OK
  4. ПРОВЕРЬТЕ ГЛАВНЫЙ ВЫКЛЮЧАТЕЛЬ В СБОРЕ (НАПРЯЖЕНИЕ АККУМУЛЯТОРНОЙ БАТАРЕИ И МАССА КУЗОВА)


    1. A01WZ6RE01

      Отсоедините разъем I11*1 или I22*2 выключателя.

      Tech Tips


      • *1: для моделей с левосторонним рулевым управлением

      • *2: для моделей с правосторонним рулевым управлением

    2. Измерьте сопротивление и напряжение в соответствии со значениями, приведенными в таблице.

      Номинальное сопротивление
      Подключение диагностического прибора Условие Заданные условия
      I11-12 (GND)*1 или I22-12 (GND)*2 - масса Всегда Менее 1 Ом
      Номинальное напряжение
      Подключение диагностического прибора Условие Заданные условия
      I11-11 (B)*1 или I22-11 (B)*2 - масса Всегда 11-14 В

    NG
    OK
  5. ЗАМЕНИТЕ ГЛАВНЫЙ ВЫКЛЮЧАТЕЛЬ В СБОРЕ


    1. Временно замените главный выключатель в сборе новым или исправным (см. стр. Click here).

    2. Сбросьте код DTC (см. стр. Click here).


    ДАЛЕЕ
  6. ПРОВЕРЬТЕ DTC


    1. Еще раз проверьте коды DTC (см. стр. Click here).

      Результат
      Результат Следующий шаг
      DTC B1206 не выводится А
      Выводится DTC B1206 B

    А
    B