СИСТЕМА ПЕРЕДАЧИ ДАННЫХ LIN, Diagnostic DTC:B1273

Код DTC Наименование DTC
B1273 Прекращение обмена данными с ЭБУ люка

ОПИСАНИЕ

Данный код DTC регистрируется, когда более чем на 10 с прекращается обмен данными по шине LIN между ЭБУ люка и главным ЭБУ кузова (распределительный блок с левой стороны кожуха).

Код DTC Условие обнаружения DTC Неисправный участок
B1273 Обмен данными между главным ЭБУ кузова (распределительным блоком с левой стороны кожуха) и ЭБУ люка прекращается более чем на 10 секунд.
  • ЭБУ люка

  • Главный ЭБУ кузова (распределительный блок с левой стороны кожуха)

  • Жгут или разъем

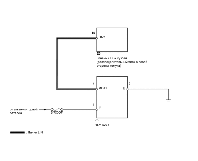
СХЕМА ЭЛЕКТРИЧЕСКИХ СОЕДИНЕНИЙ

A01X192E85

ПРЕДОСТЕРЕЖЕНИЕ / ПРИМЕЧАНИЕ / УКАЗАНИЕ

Note

При использовании портативного диагностического прибора для диагностики с выключенным зажиганием:

Подключите портативный диагностический прибор к автомобилю и с интервалом 1,5 с включайте и выключайте выключатель освещения дверного проема до тех пор, пока не установится связь между прибором и автомобилем.

Tech Tips

Когда прекращается обмен данными между ЭБУ люка и главным ЭБУ кузова (распределительный блок с левой стороны кожуха), регистрируется код DTC B2325.

ПОРЯДОК ВЫПОЛНЕНИЯ


  1. УДАЛИТЕ DTC


    1. Сбросьте код DTC (см. стр. Click here).


    ДАЛЕЕ
  2. ПРОВЕРЬТЕ DTC


    1. Еще раз проверьте коды DTC (см. стр. Click here).

      Результат
      Результат Перейти к
      Выводится DTC B1273 А
      DTC B1273 не выводится B

    B
    А
  3. ПРОВЕРЬТЕ ЖГУТ ПРОВОДОВ И РАЗЪЕМ (ГЛАВНЫЙ ЭБУ КУЗОВА - ЭБУ ЛЮКА)

    A01XAGGE02
    *1 Вид спереди разъема со стороны жгута проводов:
    *2 (к главному ЭБУ кузова)
    *3 (к ЭБУ люка)

    1. Отсоедините разъемы ЭБУ E3 и R5.

    2. Измерьте сопротивление и напряжение в соответствии со значениями, приведенными в таблице.

      Номинальное сопротивление
      Подключение диагностического прибора Условие Заданные условия
      E3-10 (LIN2) - R5-4 (MPX1) Всегда Менее 1 Ом
      E3-10 (LIN2) или R5-4 (MPX1) - Масса кузова Всегда 10 кОм или более
      Номинальное напряжение
      Подключение диагностического прибора Условие Заданные условия
      R5-4 (MPX1) - Масса кузова Всегда Менее 1 В

    NG
    OK
  4. ПРОВЕРЬТЕ ЭБУ ЛЮКА (НАПРЯЖЕНИЕ АККУМУЛЯТОРНОЙ БАТАРЕИ И МАССА КУЗОВА)


    1. A01X09SE01
      *1 Вид спереди разъема со стороны жгута проводов: (к ЭБУ люка)

      Отсоедините разъем R5 ЭБУ.

    2. Измерьте сопротивление и напряжение в соответствии со значениями, приведенными в таблице.

      Номинальное сопротивление
      Подключение диагностического прибора Условие Заданные условия
      R5-2 (E) - масса Всегда Менее 1 Ом
      Номинальное напряжение
      Подключение диагностического прибора Условие Заданные условия
      R5-1 (B) - масса Всегда 11-14 В

    NG
    OK
  5. ЗАМЕНИТЕ ЭБУ ЛЮКА


    1. Временно замените ЭБУ люка новым или исправным (см. стр. Click here).

    2. Сбросьте код DTC (см. стр. Click here).


    ДАЛЕЕ
  6. ПРОВЕРЬТЕ DTC


    1. Еще раз проверьте коды DTC (см. стр. Click here).

      Результат
      Результат Следующий шаг
      DTC B1273 не выводится А
      Выводится DTC B1273 B

    А
    B