СИСТЕМА ПЕРЕДАЧИ ДАННЫХ LIN, Diagnostic DTC:B2324

Код DTC Наименование DTC
B2324 Прекращение обмена данными с ЭБУ левой задней двери

ОПИСАНИЕ

Данный код DTC регистрируется, когда более чем на 10 с прекращается обмен данными по шине LIN между электродвигателем стеклоподъемника левой задней двери и главным ЭБУ кузова (распределительный блок с левой стороны кожуха).

Код DTC Условие обнаружения DTC Неисправный участок
B2324 Прекращение обмена данными между электродвигателем стеклоподъемника левой задней двери и главным ЭБУ кузова (распределительный блок с левой стороны кожуха) в течение 10 с или более.
  • Электродвигатель стеклоподъемника левой задней двери

  • Главный ЭБУ кузова (распределительный блок с левой стороны кожуха)

  • Жгут или разъем

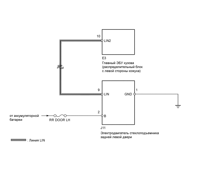
СХЕМА ЭЛЕКТРИЧЕСКИХ СОЕДИНЕНИЙ

A01X9IPE02

ПРЕДОСТЕРЕЖЕНИЕ / ПРИМЕЧАНИЕ / УКАЗАНИЕ

Note

При использовании портативного диагностического прибора для диагностики с выключенным зажиганием:

Подключите портативный диагностический прибор к автомобилю и с интервалом 1,5 с включайте и выключайте выключатель освещения дверного проема до тех пор, пока не установится связь между прибором и автомобилем.

Tech Tips

DTC B2325 регистрируется, когда прекращается обмен данными между электродвигателем стеклоподъемника задней двери и главным ЭБУ кузова (распределительным блоком с левой стороны кожуха).

ПОРЯДОК ВЫПОЛНЕНИЯ


  1. УДАЛИТЕ DTC


    1. Сбросьте код DTC (см. стр. Click here).


    ДАЛЕЕ
  2. ПРОВЕРЬТЕ DTC


    1. Еще раз проверьте коды DTC (см. стр. Click here).

      Результат
      Результат Перейти к
      Выводится DTC B2324 А
      DTC B2324 не выводится B

    B
    А
  3. ПРОВЕРЬТЕ ЖГУТ ПРОВОДОВ И РАЗЪЕМ (ГЛАВНЫЙ ЭБУ КУЗОВА - ЭЛЕКТРОДВИГАТЕЛЬ СТЕКЛОПОДЪЕМНИКА ЛЕВОЙ ЗАДНЕЙ ДВЕРИ)

    A01WYY3E01
    *1 Вид спереди разъема со стороны жгута проводов: (к главному ЭБУ кузова)
    *2 Вид спереди разъема со стороны жгута проводов: (к электродвигателю стеклоподъемника левой задней двери)

    1. Отсоедините разъем E3 ЭБУ.

    2. Отсоедините разъем J11 электродвигателя.

    3. Измерьте сопротивление в соответствии со значениями, приведенными в таблице ниже.

      Номинальное сопротивление
      Подключение диагностического прибора Условие Заданные условия
      E3-10 (LIN2) - J11-9 (LIN) Всегда Менее 1 Ом
      E3-10 (LIN2) или J11-9 (LIN) - Масса кузова Всегда 10 кОм или более

    NG
    OK
  4. ПРОВЕРЬТЕ ЭЛЕКТРОДВИГАТЕЛЬ СТЕКЛОПОДЪЕМНИКА ЗАДНЕЙ ЛЕВОЙ ДВЕРИ В СБОРЕ (НАПРЯЖЕНИЕ АККУМУЛЯТОРНОЙ БАТАРЕИ И МАССА КУЗОВА)


    1. A01X5MOE01
      *1 Вид спереди разъема со стороны жгута проводов: (к электродвигателю стеклоподъемника левой задней двери)

      Отсоедините разъем J11 электродвигателя.

    2. Измерьте сопротивление и напряжение в соответствии со значениями, приведенными в таблице.

      Номинальное сопротивление
      Подключение диагностического прибора Условие Заданные условия
      J11-1 (GND) - масса Всегда Менее 1 Ом
      Номинальное напряжение
      Подключение диагностического прибора Условие Заданные условия
      J11-2 (B) - масса Всегда 11-14 В

    NG
    OK
  5. ЗАМЕНИТЕ ЭЛЕКТРОДВИГАТЕЛЬ СТЕКЛОПОДЪЕМНИКА ЗАДНЕЙ ЛЕВОЙ ДВЕРИ


    1. Временно замените электродвигатель стеклоподъемника левой задней двери новым или исправным (см. стр. Click here).

    2. Сбросьте код DTC (см. стр. Click here).


    ДАЛЕЕ
  6. ПРОВЕРЬТЕ DTC


    1. Еще раз проверьте коды DTC (см. стр. Click here).

      Результат
      Результат Следующий шаг
      DTC B2324 не выводится А
      Выводится DTC B2324 B

    А
    B