СИСТЕМА КУРСОВОЙ УСТОЙЧИВОСТИ, Diagnostic DTC:C1380

Код DTC Наименование DTC
C1380 Неисправность реле управления стоп-сигналами

ОПИСАНИЕ

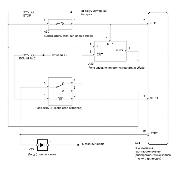
При получении сигнала работы системы помощи при подъеме по склону от ЭБУ системы противоскольжения (электромагнитный клапан главного цилиндра) контакт реле замыкается и включается стоп-сигнал.

Код DTC Условие обнаружения DTC Неисправный участок
C1380

Выполняется любое из следующих условий:


  1. При напряжении на контакте IG1 от 11 до 14 В и уровне ON (ВКЛ) на выходе реле управления стоп-сигналами (STPO) сигнал не подается на контакт STP2 в течение не менее 5 с.

  2. При напряжении на контакте IG1 от 11 до 14 В и уровне OFF (ВЫКЛ) на выходе реле управления стоп-сигналами (STPO) сигнал на контакте STP в течение не менее 5 с отличается от входного сигнала на контакте STP2.


  • Предохранитель STOP

  • Жгут или разъем

  • Реле BRK LP (реле стоп-сигналов)

  • Реле управления стоп-сигналами в сборе

  • ЭБУ системы противоскольжения (электромагнитный клапан главного цилиндра)

СХЕМА ЭЛЕКТРИЧЕСКИХ СОЕДИНЕНИЙ

B001XBXE11

ПРЕДОСТЕРЕЖЕНИЕ / ПРИМЕЧАНИЕ / УКАЗАНИЕ

Note


  • После замены электромагнитного клапана главного цилиндра выполните калибровку "нуля" датчика и сохраните информацию о системе (см. стр. Click here).

  • Перед выполнением следующей процедуры проверки проверьте предохранители цепей, относящихся к данной системе.

Tech Tips

Если совместно с DTC C1425 выводится DTC C1380, сначала следует проверить и отремонтировать неисправные узлы, на которые указывает DTC C1425 (см. стр. Click here).

ПОРЯДОК ВЫПОЛНЕНИЯ


  1. ПРОВЕРЬТЕ РАБОТУ СТОП-СИГНАЛОВ


    1. Убедитесь, что при нажатии педали тормоза стоп-сигналы включаются, а при отпускании – гаснут.

      OK
      Условие Состояние освещения
      Педаль тормоза нажата Вкл
      Педаль тормоза отпущена Выкл

    NG
    OK
  2. СНИМИТЕ ПОКАЗАНИЯ GTS (ВЫКЛЮЧАТЕЛЬ СТОП-СИГНАЛОВ)


    1. Выключите зажигание.

    2. Подключите GTS к DLC3.

    3. Установите замок зажигания в положение ON (ВКЛ).

    4. Включите GTS.

    5. Войдите в следующие меню: Chassis / ABS/VSC/TRC / Data List.

      ABS / VSC / TRC
      Информация на дисплее прибора Измеряемая величина / диапазон измерения Нормальное состояние Замечание по диагностике
      Stop Light SW Состояние выключателя стоп-сигналов / ON (ВКЛ) или OFF (ВЫКЛ)

      ON (ВКЛ): педаль тормоза нажата

      OFF (ВЫКЛ): педаль тормоза отпущена

      -
    6. Убедитесь, что при нажатии педали тормоза состояние выключателя стоп-сигналов на дисплее GTS изменяется.

      OK
      На экране GTS отображается значение ON (ВКЛ) или OFF (ВЫКЛ) в соответствии с состоянием педали тормоза.

    NG
    OK
  3. ВЫПОЛНИТЕ АКТИВНУЮ ДИАГНОСТИКУ С ПОМОЩЬЮ GTS (STOP LIGHT RELAY)


    1. Выключите зажигание.

    2. Подключите GTS к DLC3.

    3. Установите замок зажигания в положение ON (ВКЛ).

    4. Включите GTS.

    5. Войдите в следующие меню: Chassis / ABS/VSC/TRC / Active Test.

      ABS / VSC / TRC
      Информация на дисплее прибора Испытываемое устройство Диапазон регулирования Замечание по диагностике
      Stop Light Relay Реле BRK LP (реле стоп-сигналов) Включение / выключение реле Следите за состоянием стоп-сигналов (они не должны включаться в течение 2-5 с).
    6. Выполняя диагностику в режиме Active Test, следите за состоянием стоп-сигналов и значением параметра "Stop Light Relay Output" Data List.

      ABS / VSC / TRC
      Информация на дисплее прибора Измеряемая величина / диапазон измерения Нормальное состояние Замечание по диагностике
      Stop Light Relay Output Выход реле BRK LP (реле стоп-сигналов) / ON (ВКЛ) или OFF (ВЫКЛ)

      ON (ВКЛ): выход реле включен (стоп-сигналы включены)

      OFF (ВЫКЛ): выход реле выключен (стоп-сигналы выключены)

      -
      Результат
      Результат Перейти к
      При выполнении активной диагностики переключаются значения ON (ВКЛ) и OFF (ВЫКЛ) параметра Data List, а стоп-сигналы включаются и выключаются А
      При выполнении активной диагностики переключаются значения ON (ВКЛ) и OFF (ВЫКЛ) параметра Data List, но стоп-сигналы не включаются B

    B
    А
  4. ПРОВЕРЬТЕ ЖГУТ ПРОВОДОВ И РАЗЪЕМ (КОНТАКТ STP2)


    1. Выключите зажигание.

    2. Отсоедините разъем ЭБУ системы противоскольжения (электромагнитного клапана главного цилиндра).

    3. B001ZVCE01
      Обозначения на рисунке
      *a

      Вид спереди разъема со стороны жгута проводов:

      (к ЭБУ системы противоскольжения [электромагнитному клапану главного цилиндра])

      Измерьте напряжение в соответствии со значениями, приведенными в таблице.

      Номинальное напряжение
      Подключение диагностического прибора Условие Заданные условия
      A24-45 (STP2) - масса Педаль тормоза нажата 8—14 В
      Педаль тормоза отпущена Менее 1,5 В

    NG
    OK
  5. СНОВА ПРОВЕРЬТЕ DTC


    1. Сбросьте коды DTC (см. стр. Click here).

    2. Выключите зажигание.

    3. Запустите двигатель.

    4. Проведите дорожные испытания.

    5. Проверьте, выводится ли тот же DTC (см. стр. Click here).

      Результат
      Результат Перейти к
      DTC не выводится А
      DTC выводятся (для моделей с левосторонним рулевым управлением) B
      DTC выводятся (для моделей с правосторонним рулевым управлением) C

    А
    B
    C
  6. ПРОВЕРЬТЕ ЖГУТ ПРОВОДОВ И РАЗЪЕМ (КОНТАКТ +B/GND)


    1. Выключите зажигание.

    2. Отсоедините разъем реле управления стоп-сигналами.

    3. B001Y3PE03
      Обозначения на рисунке
      *a

      Вид спереди разъема со стороны жгута проводов:

      (к реле управления стоп-сигналами в сборе)

      Измерьте напряжение в соответствии со значениями, приведенными в таблице.

      Номинальное напряжение
      Подключение диагностического прибора Условие Заданные условия
      A39-6 (+B) - масса Всегда 11 - 14 В
    4. Измерьте сопротивление в соответствии со значениями, приведенными в таблице ниже.

      Номинальное сопротивление
      Подключение диагностического прибора Условие Заданные условия
      A39-4 (GND) - масса Всегда Менее 1 Ом

    NG
    OK
  7. ПРОВЕРЬТЕ ЖГУТ ПРОВОДОВ И РАЗЪЕМ (КОНТАКТ STP)


    1. Выключите зажигание.

    2. Отсоедините разъем реле управления стоп-сигналами.

    3. B001ZTTE02
      Обозначения на рисунке
      *a

      Вид спереди разъема со стороны жгута проводов:

      (к реле управления стоп-сигналами в сборе)

      Измерьте напряжение в соответствии со значениями, приведенными в таблице.

      Номинальное напряжение
      Подключение диагностического прибора Условие Заданные условия
      A39-2 (STP) - масса Педаль тормоза нажата 8-14 В
      Педаль тормоза отпущена Менее 1,5 В

    NG
    OK
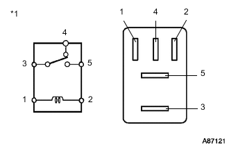
  8. ПРОВЕРЬТЕ РЕЛЕ BRK LP


    1. Извлеките реле BRK LP (реле стоп-сигналов) из блока реле моторного отсека.

    2. B001ZZRE42
      Обозначения на рисунке
      *1 Реле BRK LP (реле стоп-сигналов)

      Измерьте сопротивление в соответствии со значениями, приведенными в таблице ниже.

      Номинальное сопротивление
      Подключение диагностического прибора Условие Заданные условия
      3 - 4 Положительное напряжение аккумуляторной батареи подается на контакт 1, а отрицательное – на контакт 2 10 кОм или более
      Положительное напряжение аккумуляторной батареи не подается на контакт 1, а отрицательное – на контакт 2 Менее 1 Ом
      3 - 5 Положительное напряжение аккумуляторной батареи подается на контакт 1, а отрицательное – на контакт 2 Менее 1 Ом
      Положительное напряжение аккумуляторной батареи не подается на контакт 1, а отрицательное – на контакт 2 10 кОм или более

    NG
    OK
  9. ПРОВЕРЬТЕ ЖГУТ ПРОВОДОВ И РАЗЪЕМ (РЕЛЕ УПРАВЛЕНИЯ СТОП-СИГНАЛАМИ - РЕЛЕ BLK LP)


    1. Выключите зажигание.

    2. Отсоедините разъем A39 реле управления стоп-сигналами.

    3. Извлеките реле BRK LP (реле стоп-сигналов) из блока реле моторного отсека.

    4. Измерьте сопротивление в соответствии со значениями, приведенными в таблице ниже.

      Номинальное сопротивление
      Подключение диагностического прибора Условие Заданные условия
      A39-8 (OUT) - контакт 4 реле BRK LP (реле стоп-сигналов) блока реле моторного отсека Всегда Менее 1 Ом
      A39-8 (OUT) - масса Всегда 10 кОм или более

    NG
    OK
  10. ПРОВЕРЬТЕ ЖГУТ ПРОВОДОВ И РАЗЪЕМ (КОНТАКТ ПИТАНИЯ СТОП-СИГНАЛОВ)


    1. Извлеките реле BRK LP (реле стоп-сигналов) из блока реле моторного отсека.

    2. B001ZZAE01
      Обозначения на рисунке
      *a

      Устройство без реле BRK LP (реле стоп-сигналов)

      (блок реле моторного отсека)

      Измерьте напряжение в соответствии со значениями, приведенными в таблице.

      Номинальное напряжение
      Подключение диагностического прибора Условие Заданные условия
      4 - масса Педаль тормоза нажата 8—14 В
      Педаль тормоза отпущена Менее 1,5 В

    OK
    NG
  11. ПРОВЕРЬТЕ ЖГУТ ПРОВОДОВ И РАЗЪЕМ (КОНТАКТ STP)


    1. Выключите зажигание.

    2. Отсоедините разъем ЭБУ системы противоскольжения (электромагнитного клапана главного цилиндра).

    3. B001WX8E02
      Обозначения на рисунке
      *a

      Вид спереди разъема со стороны жгута проводов:

      (к ЭБУ системы противоскольжения [электромагнитному клапану главного цилиндра])

      Измерьте напряжение в соответствии со значениями, приведенными в таблице.

      Номинальное напряжение
      Подключение диагностического прибора Условие Заданные условия
      A24-7 (STP) - масса Педаль тормоза нажата 8—14 В
      Педаль тормоза отпущена Менее 1,5 В
      Результат
      Результат Перейти к
      NG А
      OK (для моделей с левосторонним рулевым управлением) B
      OK (для моделей с правосторонним рулевым управлением) C

    А
    B
    C
  12. ПРОВЕРЬТЕ РЕЛЕ BRK LP


    1. Извлеките реле BRK LP (реле стоп-сигналов) из блока реле моторного отсека.

    2. B001ZZRE42
      Обозначения на рисунке
      *1 Реле BRK LP (реле стоп-сигналов)

      Измерьте сопротивление в соответствии со значениями, приведенными в таблице ниже.

      Номинальное сопротивление
      Подключение диагностического прибора Условие Заданные условия
      3 - 4 Положительное напряжение аккумуляторной батареи подается на контакт 1, а отрицательное – на контакт 2 10 кОм или более
      Положительное напряжение аккумуляторной батареи не подается на контакт 1, а отрицательное – на контакт 2 Менее 1 Ом
      3 - 5 Положительное напряжение аккумуляторной батареи подается на контакт 1, а отрицательное – на контакт 2 Менее 1 Ом
      Положительное напряжение аккумуляторной батареи не подается на контакт 1, а отрицательное – на контакт 2 10 кОм или более

    NG
    OK
  13. ПРОВЕРЬТЕ ЖГУТ ПРОВОДОВ И РАЗЪЕМ (КОНТАКТ ПИТАНИЯ РЕЛЕ BRK LP)


    1. Извлеките реле BRK LP (реле стоп-сигналов) из блока реле моторного отсека.

    2. B001ZZAE01
      Обозначения на рисунке
      *a

      Устройство без реле BRK LP (реле стоп-сигналов)

      (блок реле моторного отсека)

      Измерьте напряжение в соответствии со значениями, приведенными в таблице.

      Номинальное напряжение
      Подключение диагностического прибора Условие Заданные условия
      1 - масса Зажигание включено 8-14 В
      5 - масса Всегда 11-14 В

    NG
    OK
  14. ПРОВЕРЬТЕ ЖГУТ ПРОВОДОВ И РАЗЪЕМ (КОНТАКТ STPO)


    1. Выключите зажигание.

    2. Отсоедините разъем ЭБУ системы противоскольжения (электромагнитного клапана главного цилиндра).

    3. B001YA1E02
      Обозначения на рисунке
      *a

      Вид спереди разъема со стороны жгута проводов:

      (к ЭБУ системы противоскольжения [электромагнитному клапану главного цилиндра])

      Измерьте напряжение в соответствии со значениями, приведенными в таблице.

      Номинальное напряжение
      Подключение диагностического прибора Положение переключателя Заданные условия
      A24-16 (STPO) - масса Зажигание включено 11-14 В

    NG
    OK
  15. СНОВА ПРОВЕРЬТЕ DTC


    1. Удалите коды DTC (см. стр. Click here).

    2. Выключите зажигание.

    3. Проверьте, выводится ли тот же DTC (см. стр. Click here).

      Результат
      Результат Перейти к
      DTC не выводится А
      DTC выводятся (для моделей с левосторонним рулевым управлением) B
      DTC выводятся (для моделей с правосторонним рулевым управлением) C

    А
    B
    C