ОПИСАНИЕ
С помощью выключателя VSC OFF можно установить на автомобиле нормальный режим, режим TRC OFF или режим VSC OFF. Если кратковременно нажать выключатель VSC OFF, когда автомобиль находится в нормальном режиме, он перейдет в режим TRC OFF. Если нажать выключатель VSC OFF на 3 с или более, когда автомобиль остановлен, он перейдет в режим VSC OFF.
Когда раздаточная коробка устанавливается в положение L4, включается контрольная лампа VSC OFF.
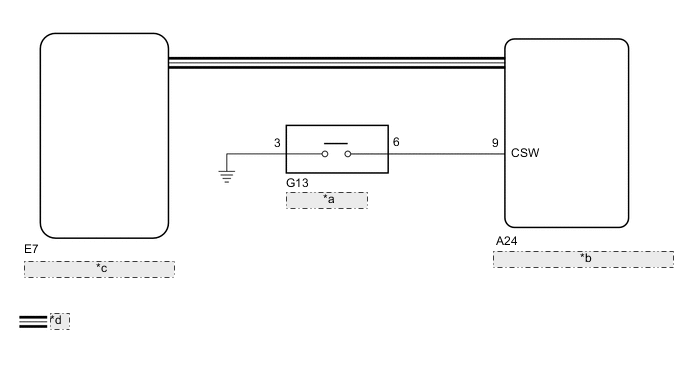
СХЕМА ЭЛЕКТРИЧЕСКИХ СОЕДИНЕНИЙ
| *a | Выключатель VSC OFF |
| *b | ЭБУ системы противоскольжения (электромагнитный клапан главного цилиндра) |
| *c | Щиток приборов в сборе |
| *d | Система передачи данных CAN |
ПРЕДОСТЕРЕЖЕНИЕ / ПРИМЕЧАНИЕ / УКАЗАНИЕ
Note
После замены электромагнитного клапана главного цилиндра выполните калибровку "нуля" датчика и сохраните информацию о системе (см. стр. Click here).
Так как в системе раздаточной коробки могут быть неисправности, связанные с положением L4, сначала проверьте систему раздаточной коробки (см. стр. Click here).
ПОРЯДОК ВЫПОЛНЕНИЯ
ПРОВЕРЬТЕ НАДЕЖНОСТЬ ПОДКЛЮЧЕНИЯ ЭБУ СИСТЕМЫ ПРОТИВОСКОЛЬЖЕНИЯ
Проверьте подключение разъема ЭБУ системы противоскольжения (электромагнитного клапана главного цилиндра).
| OK |
|---|
| Разъем подсоединен надежно. |
| NG |
|
ПРАВИЛЬНО ПОДСОЕДИНИТЕ РАЗЪЕМ К ЭБУ |
| OK |
|
ПРОВЕРЬТЕ ЛИНИЮ ПЕРЕДАЧИ ДАННЫХ CAN
Выключите зажигание.
Подключите GTS к DLC3.
Включите зажигание и GTS.
Выберите "CAN Bus Check" (проверка шин) в меню "System Selection" и следуйте подсказкам на экране, чтобы проверить шину CAN.
| OK |
|---|
| "CAN Bus Check" показывает, что неисправности CAN отсутствуют. |
| Результат | Перейти к |
|---|---|
| OK | А |
| NG (для моделей с левосторонним рулевым управлением) | B |
| NG (для моделей с правосторонним рулевым управлением) | C |
| B |
|
ПЕРЕЙДИТЕ К РАЗДЕЛУ "СИСТЕМА ПЕРЕДАЧИ ДАННЫХ CAN" (ПРОЦЕДУРА ПОИСКА НЕИСПРАВНОСТЕЙ) (см. стр. Click here) |
| C |
|
ПЕРЕЙДИТЕ К РАЗДЕЛУ "СИСТЕМА ПЕРЕДАЧИ ДАННЫХ CAN" (ПРОЦЕДУРА ПОИСКА НЕИСПРАВНОСТЕЙ) (см. стр. Click here) |
| А |
|
ПРОВЕРЬТЕ DTC (СИСТЕМА ПЕРЕДАЧИ ДАННЫХ CAN)
Выключите зажигание.
Подключите GTS к DLC3.
Включите зажигание и GTS.
Проверьте коды DTC (для моделей с левосторонним рулевым управлением: см. стр. , для моделей с правосторонним рулевым управлением: см. стр. Click here).
| Результат | Перейти к |
|---|---|
| DTC для системы CAN не выводится | А |
| Выводится DTC системы CAN (для моделей с левосторонним рулевым управлением) | B |
| Выводится DTC системы CAN (для моделей с правосторонним рулевым управлением) | C |
| B |
|
ПЕРЕЙДИТЕ К РАЗДЕЛУ "СИСТЕМА ПЕРЕДАЧИ ДАННЫХ CAN" (ПРОЦЕДУРА ПОИСКА НЕИСПРАВНОСТЕЙ) (см. стр. Click here) |
| C |
|
ПЕРЕЙДИТЕ К РАЗДЕЛУ "СИСТЕМА ПЕРЕДАЧИ ДАННЫХ CAN" (ПРОЦЕДУРА ПОИСКА НЕИСПРАВНОСТЕЙ) (см. стр. Click here) |
| А |
|
СНИМИТЕ ПОКАЗАНИЯ GTS (РЕЖИМ TRC/VSC OFF)
Выключите зажигание.
Подключите GTS к DLC3.
Установите замок зажигания в положение ON (ВКЛ).
Включите GTS.
Войдите в следующие меню: Chassis / ABS/VSC/TRC / Data List.
| Информация на дисплее прибора | Измеряемая величина / диапазон измерения | Нормальное состояние | Замечание по диагностике |
|---|---|---|---|
| TRC/VSC Off Mode | Режим отключения TRC/VSC / Normal, TRC OFF, Unknown или VSC OFF | Normal: Нормальный режим TRC OFF: режим TRC OFF VSC OFF: Режим VSC OFF |
- |
Убедитесь, что показание на дисплее изменяется в соответствии с управлением выключателем VSC OFF.
| OK |
|---|
| Показания изменяются в соответствии с управлением выключателем. |
| OK |
|
ПЕРЕЙДИТЕ К РАЗДЕЛУ "СИСТЕМА ИЗМЕРИТЕЛЬНЫХ ПРИБОРОВ И ИНДИКАТОРОВ" (ПРОЦЕДУРА ПОИСКА НЕИСПРАВНОСТЕЙ) (см. стр. Click here) |
| NG |
|
ПРОВЕРЬТЕ ВЫКЛЮЧАТЕЛЬ VSC OFF
Снимите выключатель VSC OFF (см. стр. Click here).
Проверьте выключатель VSC OFF (см. стр. Click here).
| NG |
|
ЗАМЕНИТЕ ВЫКЛЮЧАТЕЛЬ VSC OFF (см. стр. Click here) |
| OK |
|
ПРОВЕРЬТЕ ЖГУТ ПРОВОДОВ И РАЗЪЕМ (ЭБУ СИСТЕМЫ ПРОТИВОСКОЛЬЖЕНИЯ – ВЫКЛЮЧАТЕЛЬ VSC OFF)
Выключите зажигание.
Отсоедините разъем A24 ЭБУ системы противоскольжения (электромагнитного клапана главного цилиндра).
Отсоедините разъем G13 выключателя VSC OFF.
Измерьте сопротивление в соответствии со значениями, приведенными в таблице ниже.
| Номинальное сопротивление | ||||||||||||
|---|---|---|---|---|---|---|---|---|---|---|---|---|
|
| Результат | Перейти к |
|---|---|
| NG | А |
| OK (для моделей с левосторонним рулевым управлением) | B |
| OK (для моделей с правосторонним рулевым управлением) | C |
| А |
|
ОТРЕМОНТИРУЙТЕ ИЛИ ЗАМЕНИТЕ ЖГУТ ПРОВОДОВ ИЛИ РАЗЪЕМ |
| B |
|
ЗАМЕНИТЕ ЭЛЕКТРОМАГНИТНЫЙ КЛАПАН ГЛАВНОГО ЦИЛИНДРА (см. стр. Click here) |
| C |
|
ЗАМЕНИТЕ ЭЛЕКТРОМАГНИТНЫЙ КЛАПАН ГЛАВНОГО ЦИЛИНДРА (см. стр. Click here) |