СИСТЕМА ECD (для моделей без DPF), Diagnostic DTC:P2120, P2122, P2123, P2125, P2127, P2128, P2138

Код DTC Наименование DTC
P2120 Цепь датчика положения педали/дроссельной заслонки "D"
P2122 Низкий уровень сигнала на входе цепи датчика положения педали/дроссельной заслонки "D"
P2123 Высокий уровень сигнала на входе цепи датчика положения педали/дроссельной заслонки "D"
P2125 Цепь датчика положения педали/дроссельной заслонки "E"
P2127 Низкий уровень сигнала на входе цепи датчика положения педали/дроссельной заслонки "E"
P2128 Высокий уровень сигнала на входе цепи датчика положения педали/дроссельной заслонки "E"
P2138 Корреляция напряжений датчиков положения педали/дроссельной заслонки "D"/"E"

ОПИСАНИЕ

Tech Tips


  • Здесь рассматривается порядок выполнения ремонта датчика положения педали акселератора.

  • В данной электронной системе управления дроссельной заслонкой трос привода дроссельной заслонки не используется.

  • Датчик положения педали акселератора является бесконтактным.

Датчик установлен на педали акселератора и определяет ее положение. Этот датчик с электронным управлением содержит элементы Холла, что обеспечивает точность управления и надежность. Для определения положения педали акселератора и обнаружения неисправности датчика положения педали акселератора предусмотрено 2 датчика.

В датчике положения педали акселератора напряжение, подаваемое на контакты VPA и VPA2 ЕСМ, изменяется от 0 В до 5 В пропорционально положению педали акселератора. Сигнал VPA указывает действительное положение педали акселератора и используется в системе управления двигателем, а сигнал VPA2 содержит данные о положении педали акселератора и используется для определения неисправностей. На основании сигналов от контактов VPA и VPA2 ЕСМ определяет текущее положение педали акселератора и управляет электродвигателем дроссельной заслонки.

A01BBK4E33
P2120
Режим поездки при обнаружении DTC Условие обнаружения DTC Неисправный участок

Замок зажигания в положении ON (ВКЛ)


  • Педаль акселератора полностью отпущена в течение 3 с

  • Педаль акселератора частично нажата в течение 3 с

  • Педаль акселератора полностью нажата в течение 3 с

Условие (a) выполняется в течение 0,5 с (логика диагностирования за 1 поездку):

(a) Напряжение на контакте VPA ниже 0,4 В, а показание на контакте VPA2 превышает 2,7 град., или напряжение на контакте VPA выше 4,8 В.


  • Датчик положения педали акселератора

  • Педаль акселератора в сборе

  • Деформация штока (рычага) педали акселератора

  • ECM

P2122
Режим поездки при обнаружении DTC Условие обнаружения DTC Неисправный участок

Замок зажигания в положении ON (ВКЛ)


  • Педаль акселератора полностью отпущена в течение 3 с

  • Педаль акселератора частично нажата в течение 3 с

  • Педаль акселератора полностью нажата в течение 3 с

Условия (a) и (b) сохраняются в течение 0,5 секунд (логика диагностирования за 1 поездку):

(a) Напряжение на контакте VPA ниже 0,4 В.

(b) Значение на выходе VPA2 превышает 2,7 град.


  • Датчик положения педали акселератора

  • Обрыв в цепи VCPA

  • Обрыв или короткое замыкание на массу в цепи VPA

  • Педаль акселератора в сборе

  • Деформация штока (рычага) педали акселератора

  • ECM

P2123
Режим поездки при обнаружении DTC Условие обнаружения DTC Неисправный участок

Замок зажигания в положении ON (ВКЛ)


  • Педаль акселератора полностью отпущена в течение 3 с

  • Педаль акселератора частично нажата в течение 3 с

  • Педаль акселератора полностью нажата в течение 3 с

Условие (a) выполняется в течение 2,0 с (логика диагностирования за 1 поездку):

(a) Напряжение на контакте VPA превышает 4,8 В.


  • Датчик положения педали акселератора

  • Обрыв в цепи EPA

  • Педаль акселератора в сборе

  • Деформация штока (рычага) педали акселератора

  • ECM

P2125
Режим поездки при обнаружении DTC Условие обнаружения DTC Неисправный участок

Замок зажигания в положении ON (ВКЛ)


  • Педаль акселератора полностью отпущена в течение 3 с

  • Педаль акселератора частично нажата в течение 3 с

  • Педаль акселератора полностью нажата в течение 3 с

Условие (a) выполняется в течение 0,5 с (логика диагностирования за 1 поездку):

(a) Напряжение на контакте VPA2 ниже 1,2 В, а показание на контакте VPA превышает 2,7 град., либо напряжение на контакте VPA2 выше 4,8 В, а показание на контакте VPA выше 0,4 В, но ниже 3,45 В.


  • Датчик положения педали акселератора

  • Педаль акселератора в сборе

  • Деформация штока (рычага) педали акселератора

  • ECM

P2127
Режим поездки при обнаружении DTC Условие обнаружения DTC Неисправный участок

Замок зажигания в положении ON (ВКЛ)


  • Педаль акселератора полностью отпущена в течение 3 с

  • Педаль акселератора частично нажата в течение 3 с

  • Педаль акселератора полностью нажата в течение 3 с

Условия (a) и (b) сохраняются в течение 0,5 секунд (логика диагностирования за 1 поездку):

(a) Напряжение на контакте VPA2 ниже 1,2 В.

(b) Значение на выходе VPA1 превышает 2,7 град.


  • Датчик положения педали акселератора

  • Обрыв в цепи VCP2

  • Обрыв или короткое замыкание на массу в цепи VPA2

  • Педаль акселератора в сборе

  • Деформация штока (рычага) педали акселератора

  • ECM

P2128
Режим поездки при обнаружении DTC Условие обнаружения DTC Неисправный участок

Замок зажигания в положении ON (ВКЛ)


  • Педаль акселератора полностью отпущена в течение 3 с

  • Педаль акселератора частично нажата в течение 3 с

  • Педаль акселератора полностью нажата в течение 3 с

Условия (a) и (b) сохраняются в течение 2,0 секунд (логика диагностирования за 1 поездку):

(a) Напряжение на контакте VРA2 превышает 4,8 В.

(b) Напряжение на контакте VPA превышает 0,4 В, но составляет менее 3,45 В.


  • Датчик положения педали акселератора

  • Обрыв в цепи EPA2

  • Педаль акселератора в сборе

  • Деформация штока (рычага) педали акселератора

  • ECM

P2138
Режим поездки при обнаружении DTC Условие обнаружения DTC Неисправный участок

Замок зажигания в положении ON (ВКЛ)


  • Педаль акселератора полностью отпущена в течение 3 с

  • Педаль акселератора частично нажата в течение 3 с

  • Педаль акселератора полностью нажата в течение 3 с

Условие (a) или (b) сохраняется в течение 2,0 с (логика диагностирования за 1 поездку):

(a) Разница между значениями напряжения на контактах VPA и VPA2 составляет менее 0,02 В.

(b) Напряжение на контакте VPA ниже 0,4 В, а напряжение на контакте VPA2 ниже 1,2 В.


  • Короткое замыкание цепей VPA и VPA2

  • Датчик положения педали акселератора

  • Педаль акселератора в сборе

  • Деформация штока (рычага) педали акселератора

  • ECM

Сопутствующие параметры Data List
№ DTC Параметры из Data List
P2120
  • Accel Position

  • Accel Sens. No.1 Volt %

  • Accel Sens. No.2 Volt %

P2122
P2123
P2125
P2127
P2128
P2138

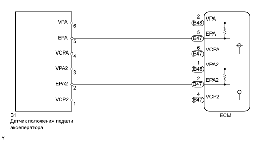
СХЕМА ЭЛЕКТРИЧЕСКИХ СОЕДИНЕНИЙ

A01BF2ZE06

ПОСЛЕДОВАТЕЛЬНОСТЬ ПРОВЕРКИ

Note

После замены новый ЕСМ необходимо зарегистрировать (см. стр. Click here) и инициализировать (см. стр. Click here).

Tech Tips

С помощью портативного диагностического прибора считайте фиксированные параметры. В этих параметрах отражается состояние двигателя на момент обнаружения неисправности. При поиске неисправностей фиксированные параметры позволяют определить, двигался ли автомобиль в момент возникновения неисправности или нет, был ли прогрет двигатель и пр.

ПОРЯДОК ВЫПОЛНЕНИЯ


  1. СНИМИТЕ ПОКАЗАНИЯ ПОРТАТИВНОГО ДИАГНОСТИЧЕСКОГО ПРИБОРА (ПОЛОЖЕНИЕ ПЕДАЛИ АКСЕЛЕРАТОРА)


    1. A01BGMQE03
      Обозначения на рисунке
      *1 Педаль акселератора в сборе
      *a Нажата
      *b Отпущен

      Подсоедините портативный диагностический прибор к DLC3.

    2. Включите зажигание и портативный диагностический прибор.

    3. Войдите в следующие меню: Powertrain / Engine and ECT / Data List / Accel Sens. No.1 Volt % и Accel Sens. No.2 Volt %.

    4. Считайте значения.

      Номинальное напряжение
      Педаль акселератора Accel Sens. No.1 Volt % Accel Sens. No.2 Volt %
      Отпущен 8 - 28% 30 - 55%
      Нажата 51 - 86% 73 - 98%
      Результат
      Результат Перейти к
      NG А
      OK B

    B
    А
  2. ПРОВЕРЬТЕ ЖГУТ ПРОВОДОВ И РАЗЪЕМ (ДАТЧИК ПОЛОЖЕНИЯ ПЕДАЛИ АКСЕЛЕРАТОРА – ECM)


    1. Отсоедините разъем датчика положения педали акселератора.

    2. Отсоедините разъемы B47 и B48 ЕСМ.

    3. Измерьте сопротивление в соответствии со значениями, приведенными в таблице ниже.

      Номинальное сопротивление (при проверке на обрыв)
      Подключение диагностического прибора Условие Заданные условия
      B1-1 (VCP2) - B47-4 (VCP2) Всегда Менее 1 Ом
      B1-2 (EPA2) - B47-2 (EPA2) Всегда Менее 1 Ом
      B1-3 (VPA2) - B48-1 (VPA2) Всегда Менее 1 Ом
      B1-4 (VCPA) - B47-6 (VCPA) Всегда Менее 1 Ом
      B1-5 (EPA) - B47-5 (EPA) Всегда Менее 1 Ом
      B1-6 (VPA) - B48-2 (VPA) Всегда Менее 1 Ом
      Номинальное сопротивление (при проверке на короткое замыкание)
      Подключение диагностического прибора Условие Заданные условия
      B1-1 (VCP2) или B47-4 (VCP2) - масса Всегда 10 кОм или более
      B1-2 (EPA2) или B47-2 (EPA2) - масса Всегда 10 кОм или более
      B1-3 (VPA2) или B48-1 (VPA2) - масса Всегда 10 кОм или более
      B1-4 (VCPA) или B47-6 (VCPA) - масса Всегда 10 кОм или более
      B1-5 (EPA) или B47-5 (EPA) - масса Всегда 10 кОм или более
      B1-6 (VPA) или B48-2 (VPA) - масса Всегда 10 кОм или более
    4. Подсоедините разъем датчика положения педали акселератора.

    5. Подсоедините разъем ECM.


    NG
    OK
  3. ПРОВЕРЬТЕ НАПРЯЖЕНИЕ НА КОНТАКТАХ ECM (КОНТАКТЫ VCPA И VCP2)


    1. A01BAAJE91
      Обозначения на рисунке
      *a

      Вид спереди разъема со стороны жгута проводов:

      (к датчику положения педали акселератора)

      Отсоедините разъем датчика положения педали акселератора.

    2. Измерьте напряжение в соответствии со значениями, приведенными в таблице.

      Номинальное напряжение
      Подключение диагностического прибора Положение переключателя Заданные условия
      B1-4 (VCPA) - B1-5 (EPA) Зажигание включено 4,5-5,5 В
      B1-1 (VCP2) - B1-2 (EPA2) Зажигание включено 4,5-5,5 В
    3. Подсоедините разъем датчика положения педали акселератора.


    NG
    OK
  4. ЗАМЕНИТЕ ТЯГУ ПЕДАЛИ АКСЕЛЕРАТОРА В СБОРЕ


    1. Замените тягу педали акселератора в сборе (см. стр. Click here).


    ДАЛЕЕ
  5. ЗАМЕНИТЕ ECM


    1. Замените ECM (см. стр. Click here).


    ДАЛЕЕ
  6. ОТРЕМОНТИРУЙТЕ ИЛИ ЗАМЕНИТЕ ЖГУТ ПРОВОДОВ ИЛИ РАЗЪЕМ


    1. Отремонтируйте или замените жгут проводов или разъем.


    ДАЛЕЕ
  7. ПРОВЕРЬТЕ, УСТРАНЕНА ЛИ ДОЛЖНЫМ ОБРАЗОМ НЕИСПРАВНОСТЬ


    1. Подсоедините портативный диагностический прибор к DLC3.

    2. Сбросьте коды DTC (см. стр. Click here).

    3. Выключите зажигание и оставьте автомобиль "как есть" на 30 с.

    4. Установите ключ зажигания в положение ON (ВКЛ.).

    5. Полностью отпустите педаль акселератора на 3 с или более, частично нажмите ее и удерживайте в течение не менее 3 с, а затем полностью нажмите ее на 3 с или более.

    6. Убедитесь, что DTC не выводится снова.


    ДАЛЕЕ