POWER WINDOW CONTROL SYSTEM Front Passenger Side Power Window does not Operate with Front Passenger Side Power Window Switch

DESCRIPTION

When the ignition switch is ON, the power window regulator motor assembly (for front passenger door) is operated by the power window regulator switch assembly. The power window regulator motor assembly (for front passenger door) has motor, regulator, and ECU functions.

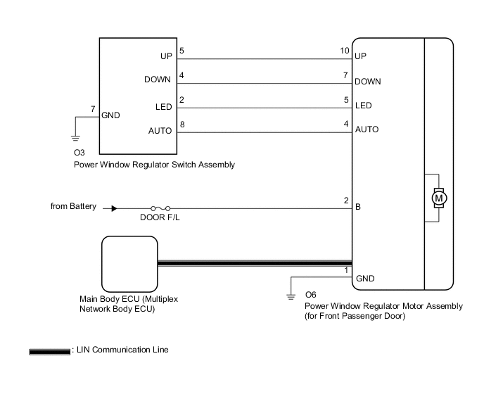
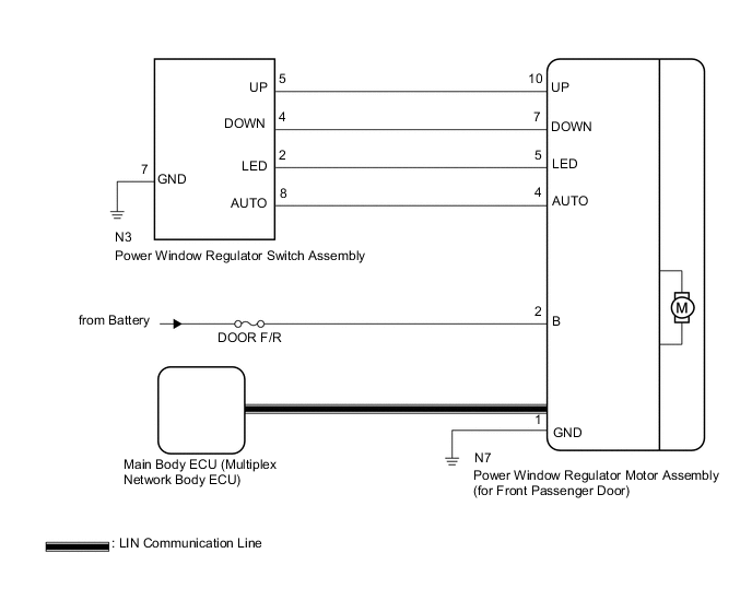
WIRING DIAGRAM


  1. for LHD

    B004HMTE58
  2. for RHD

    B004HMTE59

CAUTION / NOTICE / HINT

Note


  • The power window control system uses the LIN communication system. Inspect the communication function by following How to Proceed with Troubleshooting. Troubleshoot the power window control system after confirming that the communication system is functioning properly.

    Click here

  • If the power window regulator motor assembly (for front passenger door) has been replaced with a new one, initialize the power window control system.

    Click here

  • Check that the window lock switch is off before performing the following procedure.

  • Inspect the fuses for circuits related to this system before performing the following procedure.

  • Before replacing the main body ECU (multiplex network body ECU), refer to Service Bulletin.*


    • *: w/ Smart Entry and Start System

  • The vehicle battery supplies power to the main body ECU (multiplex network body ECU) via the door control battery. Therefore, before performing this troubleshooting procedure, make sure to perform an on-vehicle inspection to confirm that the main body ECU (multiplex network body ECU) power source circuit is normal.*

    Click here


    • *: w/ Door Control Battery

PROCEDURE


  1. READ VALUE USING GTS (MAIN BODY)


    1. Connect the GTS to the DLC3.

    2. Turn the ignition switch to ON.

    3. Turn the GTS on.

    4. Enter the following menus: Body Electrical / Main Body / Data List.

    5. Read the Data List according to the display on the GTS.


      Body Electrical > Main Body > Data List
      Tester Display Measurement Item Range Normal Condition Diagnostic Note
      Communication P-Door Motor Connection status between power window regulator motor assembly (for front passenger door) and main body ECU (multiplex network body ECU) STOP or OK

      STOP: Communication stopped

      OK: Normal communication

      -

      Body Electrical > Main Body > Data List
      Tester Display
      Communication P-Door Motor
      OK
      OK is displayed for each Data List item above.
      Result
      Proceed to
      OK
      NG

    NG
    OK
  2. READ VALUE USING GTS (P-DOOR MOTOR)


    1. Enter the following menus: Body Electrical / P-Door Motor / Data List.

    2. Read the Data List according to the display on the GTS.


      Body Electrical > P-Door Motor > Data List
      Tester Display Measurement Item Range Normal Condition Diagnostic Note
      P Door P/W Up SW Front passenger door power window manual up switch signal OFF or ON

      OFF: Front passenger door power window manual up switch not being operated

      ON: Front passenger door power window manual up switch being operated

      -
      P Door P/W Down SW Front passenger door power window manual down switch signal OFF or ON

      OFF: Front passenger door power window manual down switch not being operated

      ON: Front passenger door power window manual down switch being operated

      -

      Body Electrical > P-Door Motor > Data List
      Tester Display
      P Door P/W Up SW
      P Door P/W Down SW
      OK
      On the GTS screen, ON or OFF is displayed accordingly.
      Result
      Proceed to
      OK
      NG

    NG
    OK
  3. PERFORM ACTIVE TEST USING GTS (P-DOOR MOTOR)


    1. Enter the following menus: Body Electrical / P-Door Motor / Active Test.

    2. Perform the Active Test according to the display on the GTS.

      CAUTION:

      Be careful to avoid injuries as this test causes vehicle parts to move. During the Active Test, the jam protection function will not operate.


      Body Electrical > P-Door Motor > Active Test
      Tester Display Measurement Item Control Range Diagnostic Note
      Power Window Power window OFF / DOWN / UP -

      Body Electrical > P-Door Motor > Active Test
      Tester Display
      Power Window
      OK
      Front passenger door power window operates normally.
      Result
      Proceed to
      OK
      NG

    OK
    NG
  4. INSPECT POWER WINDOW REGULATOR SWITCH ASSEMBLY


    1. Remove the power window regulator switch assembly.

      Click here

    2. Inspect the power window regulator switch assembly.

      Click here

      Result
      Proceed to
      OK
      NG

    NG
    OK
  5. CHECK HARNESS AND CONNECTOR (POWER WINDOW REGULATOR SWITCH ASSEMBLY -POWER WINDOW REGULATOR MOTOR ASSEMBLY (for Front Passenger Door) AND BODY GROUND)


    1. Disconnect the N7*1 or O6*2 power window regulator motor assembly (for front passenger door) connector.


      • *1: for LHD

      • *2: for RHD

    2. Measure the resistance according to the value(s) in the table below.

      Standard Resistance
      for LHD
      Tester Connection Condition Specified Condition
      N3-5 (UP) - N7-10 (UP) Always Below 1 Ω
      N3-5 (UP) or N7-10 (UP) - Body ground Always 10 kΩ or higher
      N3-4 (DOWN) - N7-7 (DOWN) Always Below 1 Ω
      N3-4 (DOWN) or N7-7 (DOWN) - Body ground Always 10 kΩ or higher
      N3-7 (GND) - Body ground Always Below 1 Ω
      for RHD
      Tester Connection Condition Specified Condition
      O3-5 (UP) - O6-10 (UP) Always Below 1 Ω
      O3-5 (UP) or O6-10 (UP) - Body ground Always 10 kΩ or higher
      O3-4 (DOWN) - O6-7 (DOWN) Always Below 1 Ω
      O3-4 (DOWN) or O6-7 (DOWN) - Body ground Always 10 kΩ or higher
      O3-7 (GND) - Body ground Always Below 1 Ω
      Result
      Proceed to
      OK
      NG

    OK
    NG