CAN COMMUNICATION SYSTEM Open in Bus 2 Main Bus Line

DESCRIPTION

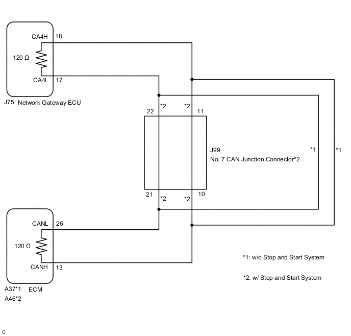
There may be an open circuit in one of the bus 2 main lines when the resistance between terminals 18 (CA4H) and 17 (CA4L) of the network gateway ECU is 70 Ω or higher.

Symptom Trouble Area
Resistance between terminals 18 (CA4H) and 17 (CA4L) of network gateway ECU is 70 Ω or higher.
  • CAN main bus line or connector

  • ECM

  • Network gateway ECU

  • No. 7 CAN junction connector (w/ Stop and Start System)

This malfunction is not related to the lines of a bus 2 branch or to ECUs or sensors connected to a bus 2 branch.

WIRING DIAGRAM

B007X7ZE04

CAUTION / NOTICE / HINT

Note


  • Before measuring the resistance of the CAN bus, turn the engine switch off and leave the vehicle for 1 minute or more without operating the key or any switches, or opening or closing the doors. After that, disconnect the cable from the negative (-) battery terminal and leave the vehicle for 1 minute or more before measuring the resistance.

  • After turning the engine switch off, waiting time may be required before disconnecting the cable from the negative (-) battery terminal. Therefore, make sure to read the disconnecting the cable from the negative (-) battery terminal notices before proceeding with work.

    Click here

  • Because the order of diagnosis is important to allow correct diagnosis, make sure to begin troubleshooting using How to Proceed with Troubleshooting when CAN communication system related DTCs are output.

    Click here

  • After performing repairs, perform the DTC check procedure and confirm that the DTCs are not output again.

  • DTC check procedure: Drive the vehicle at a speed of 60 km/h (37 mph) or more for 20 seconds or more, and with the dynamic radar cruise control system operated for 3 seconds or more.

  • After the repair, perform the CAN bus check and check that all the ECUs and sensors connected to the CAN communication system are displayed.

    Click here

Tech Tips


  • Operating the engine switch, any other switches or a door triggers related ECU and sensor communication on the CAN. This communication will cause the resistance value to change.

  • Even after DTCs are cleared, if a DTC is stored again after driving the vehicle for a while, the malfunction may be occurring due to vibration of the vehicle. In such a case, wiggling the ECUs or wire harness while performing the inspection below may help determine the cause of the malfunction.

PROCEDURE


  1. CHECK FOR OPEN IN CAN BUS LINES (NETWORK GATEWAY ECU)


    1. Disconnect the cable from the negative (-) battery terminal.

    2. B007YYOC66
      *a

      Front view of wire harness connector

      (to Network Gateway ECU)

      Disconnect the J75 network gateway ECU connector.

    3. Measure the resistance according to the value(s) in the table below.

      Standard Resistance
      Tester Connection Condition Specified Condition
      J75-18 (CA4H) - J75-17 (CA4L) Cable disconnected from negative (-) battery terminal 108 to 132 Ω
      Result
      Result
      OK
      NG

    OK
    NG
  2. CHECK FOR OPEN IN CAN BUS LINES (ECM)


    1. Reconnect the J75 network gateway ECU connector.

    2. B007XU9C73
      *A w/o Stop and Start System
      *B w/ Stop and Start System
      *a

      Front view of wire harness connector

      (to ECM)

      Disconnect the A37*1 or A46*2 ECM connector.


      • *1: w/o Stop and Start System

      • *2: w/ Stop and Start System

    3. Measure the resistance according to the value(s) in the table below.

      Standard Resistance
      w/o Stop and Start System
      Tester Connection Condition Specified Condition
      A37-13 (CANH) - A37-26 (CANL) Cable disconnected from negative (-) battery terminal 108 to 132 Ω
      w/ Stop and Start System
      Tester Connection Condition Specified Condition
      A46-13 (CANH) - A46-26 (CANL) Cable disconnected from negative (-) battery terminal 108 to 132 Ω
      Result
      Result Proceed to
      OK (w/o Stop and Start System) A
      OK (w/ Stop and Start System) B
      NG (w/o Stop and Start System) C
      NG (w/ Stop and Start System) D

    A
    B
    C
    D
  3. CHECK FOR OPEN IN CAN BUS LINES (NO. 7 CAN JUNCTION CONNECTOR)


    1. Reconnect the A37*1 or A46*2 ECM connector.


      • *1: w/o Stop and Start System

      • *2: w/ Stop and Start System

    2. B007Z0NC03
      *a

      Front view of wire harness connector

      (to No. 7 CAN Junction Connector)

      *b to ECM
      *c to Network Gateway ECU

      Disconnect the J99 No. 7 CAN junction connector.

    3. Measure the resistance according to the value(s) in the table below.

      Standard Resistance
      Tester Connection Condition Specified Condition Connected to
      J99-10 (CANH) - J99-21 (CANL) Cable disconnected from negative (-) battery terminal 108 to 132 Ω ECM
      J99-11 (CANH) - J99-22 (CANL) Cable disconnected from negative (-) battery terminal 108 to 132 Ω Network gateway ECU
      Result
      Result Proceed to
      OK A
      NG (ECM main line) B
      NG (Network gateway ECU main line) C

    A
    B
    C