СИСТЕМА ECD (для моделей с DPF), Diagnostic DTC:P0201, P0202, P0203, P0204, P062D

Код DTC Наименование DTC
P0201 Обрыв в цепи форсунки – (цилиндр 1)
P0202 Обрыв в цепи форсунки – (цилиндр 2)
P0203 Обрыв в цепи форсунки – (цилиндр 3)
P0204 Обрыв в цепи форсунки – (цилиндр 4)
P062D Характеристики цепи электронного блока привода форсунок № 1

ОПИСАНИЕ

Электронный блок привода форсунок (EDU) передает управляющие сигналы в форсунки с помощью преобразователя постоянного тока в постоянный, благодаря чему формируется высоковольтная быстрозаряжаемая система.

Вскоре после получения от ЕСМ команды на впрыск топлива (# 1 - # 4) электронный блок привода форсунок (EDU) передает ответный сигнал подтверждения впрыска топлива (INJF) при подаче тока в форсунку.

B007VDIE31
P0201, P0202, P0203, P0204:
Режим поездки при обнаружении DTC Условие обнаружения DTC Неисправный участок
Холостой ход в течение 5 с

Определенное количество раз (максимум в течение примерно 0,5 с) в цепи форсунки регистрируется обрыв или короткое замыкание.

(логика диагностирования за 1 поездку)


  • Обрыв или короткое замыкание в цепи электронного блока привода форсунок

  • Форсунка в сборе

  • Электронный блок привода форсунок

  • ECM

P062D
Режим поездки при обнаружении DTC Условие обнаружения DTC Неисправный участок
Холостой ход в течение 5 с

Во время работы двигателя определенное количество раз (максимум в течение примерно 0,5 с) регистрируется несоответствие между сигналами впрыска электронного блока привода форсунок и ECM.

(логика диагностирования за 1 поездку)


  • Обрыв или короткое замыкание в цепи электронного блока привода форсунок

  • Форсунка в сборе

  • Электронный блок привода форсунок

  • ECM

ОПИСАНИЕ РАБОТЫ СИСТЕМЫ КОНТРОЛЯ

P0201, P0202, P0203, P0204:

ECM сопоставляет команды на впрыск (№ 1-4) с сигналами подтверждения впрыска (INJF) для каждого цилиндра. Когда ECM определяет, что цилиндр неисправен, сохраняется DTC P0201, P0202, P0203 или P0204.

P062D:

ECM постоянно контролирует команды впрыска (№№ 1-4) и сигналы подтверждения впрыска (INJF). Этот DTC регистрируется, если ECM определяет, что количество сигналов №№ 1-4 не совпадает с количеством сигналов INJF.

Топливные форсунки соединены с массой через полевой транзистор (FET) и последовательно подключенный резистор. Падение напряжения на этом резисторе, контролируемое электронным блоком привода форсунок (EDU) (схемой управления форсунками), зависит от тока, подаваемого в форсунку. Если ток форсунки чрезмерно увеличивается, падение напряжения, создаваемое резистором, превышает заданный уровень, вследствие чего сигнал INJF для данного цилиндра не передается в ECM.

Если после запуска двигателя в ЕСМ не поступает сигнал подтверждения впрыска (INJF) от электронного блока привода форсунок (EDU) (#1 - #4) несмотря на то, что ЕСМ передает команды на впрыск топлива в электронный блок привода форсунок (EDU), сохраняется DTC P062D.

При регистрации данного кода DTC ЕСМ переходит в аварийный режим работы и ограничивает мощность двигателя или останавливает двигатель. Аварийный режим работы действует до тех пор, пока зажигание не будет выключено.

B007PDWE14

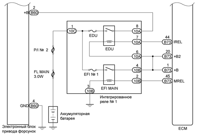
СХЕМА ЭЛЕКТРИЧЕСКИХ СОЕДИНЕНИЙ

B007V6IE43
B007QYOE01

ПОСЛЕДОВАТЕЛЬНОСТЬ ПРОВЕРКИ

CAUTION:

Работать с цепями высокого напряжения допускается только при выключенном зажигании.

Note


  • Перед выполнением следующей процедуры проверки проверьте предохранители цепей, относящихся к данной системе.

  • После замены новый ЕСМ необходимо зарегистрировать (см. стр. Click here) и инициализировать (см. стр. Click here).

  • После замены нагнетающего топливного насоса в сборе необходимо выполнить инициализацию ЕСМ (см. стр. Click here).

  • После замены форсунки необходимо выполнить регистрацию ЕСМ (см. стр. Click here).

Tech Tips

С помощью GTS считайте данные фиксированного набора параметров. В этих параметрах отражается состояние двигателя на момент обнаружения неисправности. При поиске неисправностей фиксированные параметры позволяют определить, двигался ли автомобиль в момент возникновения неисправности или нет, был ли прогрет двигатель и пр.

ПОРЯДОК ВЫПОЛНЕНИЯ


  1. ПРОВЕРЬТЕ ПРОКРУЧИВАНИЕ КОЛЕНЧАТОГО ВАЛА ДВИГАТЕЛЯ СТАРТЕРОМ


    1. Проверьте прокручивание коленчатого вала двигателя стартером.

      Результат
      Результат Следующий шаг
      Двигатель не запускается*1 А
      Двигатель запускается, но неравномерно работает на холостом ходу*2 B
      За исключением указанного выше C

      Tech Tips


      • *1: После удаления DTC P062D он не сохраняется снова, даже если двигатель не запускается вследствие неисправности электронного блока привода форсунок (EDU).

        Когда двигатель не запускается по причине неисправности электронного блока привода форсунок (EDU), значение "Common Rail Pressure" превышает значение "Target Common Rail Pressure"

      • *2: В это время сохраняются DTC P0201, P0202, P0203, P0204 и P062D.


    B
    C
    А
  2. ПРОВЕРЬТЕ ECM


    1. B007OMEE01
      Обозначения на рисунке
      *a

      Вид спереди разъема со стороны жгута проводов:

      (к электронному блоку привода форсунок (EDU))

      Проверьте форму сигнала на разъемах ECM с помощью осциллографа.

      OK
      Подключение диагностического прибора Условие Заданные условия
      B62-7 (#10) - масса Прокручивание коленчатого вала стартером Форма сигнала должна соответствовать показанной на рисунке.
      B62-3 (#20) - масса Прокручивание коленчатого вала стартером Форма сигнала должна соответствовать показанной на рисунке.
      B62-6 (#30) - масса Прокручивание коленчатого вала стартером Форма сигнала должна соответствовать показанной на рисунке.
      B62-4 (#40) - масса Прокручивание коленчатого вала стартером Форма сигнала должна соответствовать показанной на рисунке.

    NG
    OK
  3. ПРОВЕРЬТЕ НАПРЯЖЕНИЕ НА КОНТАКТЕ ПИТАНИЯ ЭЛЕКТРОННОГО БЛОКА ПРИВОДА ФОРСУНОК


    1. B007SPBE19
      Обозначения на рисунке
      *a

      Вид спереди разъема со стороны жгута проводов:

      (к электронному блоку привода форсунок)

      Отсоедините разъемы электронных блоков привода форсунок.

    2. Измерьте напряжение в соответствии со значениями, приведенными в таблице.

      Номинальное напряжение
      Подключение диагностического прибора Положение переключателя Заданные условия
      B60-2 (+B) - B60-4 (GND) Зажигание включено 11-14 В
    3. Подсоедините разъемы электронных блоков привода форсунок.


    NG
    OK
  4. ПРОВЕРЬТЕ ЖГУТ ПРОВОДОВ И РАЗЪЕМ (ЭЛЕКТРОННЫЙ БЛОК ПРИВОДА ФОРСУНОК - ECM)


    1. Отсоедините разъем электронного блока привода форсунок.

    2. Отсоедините разъем ЭБУ.

    3. Измерьте сопротивление в соответствии со значениями, приведенными в таблице ниже.

      Номинальное сопротивление
      Подключение диагностического прибора Условие Заданные условия
      B62-7 (#10) - D99-50 (#1) Всегда Менее 1 Ом
      B62-3 (#20) - D99-49 (#2) Всегда Менее 1 Ом
      B62-6 (#30) - D99-48 (#3) Всегда Менее 1 Ом
      B62-4 (#40) - D99-47 (#4) Всегда Менее 1 Ом
      B62-8 (INJF) - D99-51 (INJF) Всегда Менее 1 Ом
      B62-7 (#10) или D99-50 (#1) - масса Всегда 10 кОм или более
      B62-3 (#20) или D99-49 (#2) - масса Всегда 10 кОм или более
      B62-6 (#30) или D99-48 (#3) - масса Всегда 10 кОм или более
      B62-4 (#40) или D99-47 (#4) - масса Всегда 10 кОм или более
      B62-8 (INJF) или D99-51 (INJF) - масса Всегда 10 кОм или более
    4. Подсоедините разъем электронного блока привода форсунок.

    5. Подсоедините разъем ECM.


    NG
    OK
  5. ЗАМЕНИТЕ ЭЛЕКТРОННЫЙ БЛОК ПРИВОДА ФОРСУНОК


    1. Замените электронный блок привода форсунок (см. стр. Click here).


    ДАЛЕЕ
  6. ПРОВЕРЬТЕ, ВЫВОДИТСЯ ЛИ КОД DTC СНОВА


    1. Подключите GTS к DLC3.

    2. Включите зажигание и GTS.

    3. Сбросьте коды DTC (см. стр. Click here).

    4. Поверните замок зажигания в положение OFF (ВЫКЛ) на 30 с.

    5. Запустите двигатель и дайте ему поработать на холостом ходу в течение 30 с.

    6. Войдите в следующие меню: Powertrain / Engine and ECT / Trouble Codes.

    7. Проверьте коды DTC, отображаемые на GTS.

      Tech Tips


      • Цилиндр с неисправной форсункой можно определить по выводимым кодам DTC.

      • Если выводится код DTC P0201, проверьте цепь форсунки в сборе № 1.

      • Если выводится код DTC P0202, проверьте цепь форсунки в сборе № 2.

      • Если выводится код DTC P0203, проверьте цепь форсунки в сборе № 3.

      • Если выводится код DTC P0204, проверьте цепь форсунки в сборе № 4.


    ДАЛЕЕ
  7. ПРОВЕРЬТЕ ЭЛЕКТРОННЫЙ БЛОК ПРИВОДА ФОРСУНОК


    1. B007V1XE24
      Обозначения на рисунке
      *a

      Вид спереди разъема со стороны жгута проводов:

      (к топливной форсунке в сборе)

      Отсоедините разъемы форсунок в сборе для всех цилиндров.

    2. Запустите двигатель.

    3. Проверьте форму сигналов на разъемах топливных форсунок с помощью осциллографа.

      OK
      Подключение диагностического прибора Условие Заданные условия
      D81-1 - D81-2 Прокручивание коленчатого вала стартером Напряжение повышается на 50 В или более
      D82-1 - D82-2 Прокручивание коленчатого вала стартером Напряжение повышается на 50 В или более
      D83-1 - D83-2 Прокручивание коленчатого вала стартером Напряжение повышается на 50 В или более
      D84-1 - D84-2 Прокручивание коленчатого вала стартером Напряжение повышается на 50 В или более

    NG
    OK
  8. ЗАМЕНИТЕ ФОРСУНКУ В СБОРЕ (СООТВЕТСТВУЮЩЕГО ЦИЛИНДРА)


    1. Замените форсунку в сборе для цилиндра, соответствующего DTC (см. стр. Click here).

      Note


      • При замене форсунки цилиндра обязательно используйте новую топливную трубку высокого давления.

      • Соблюдайте порядок выполнения работ, указанный в руководстве по ремонту. Временно установите топливные трубки высокого давления и трубопровод обратного слива топлива, затем установите форсунки в требуемое положение. После этого затяните детали с предписанным моментом.

      • При выполнении операции установки с нарушением требований положение форсунок может быть неправильным. Это может вызвать повреждение форсунок и стать причиной неисправности.

      • В случае повреждения и неисправности форсунки могут возникнуть другие проблемы, в частности, детонация, неравномерный холостой ход и т. д.

      • При установке форсунки в неправильном положении возможно нарушение уплотнения между форсункой и топливной трубкой высокого давления, приводящее к утечке топлива.


    ДАЛЕЕ
  9. УДАЛИТЕ ВОЗДУХ ИЗ ТОПЛИВНОЙ СИСТЕМЫ


    1. Удалите воздух из топливной системы (см. стр. Click here).


    ДАЛЕЕ
  10. ЗАРЕГИСТРИРУЙТЕ КОМПЕНСАЦИОННЫЙ КОД ФОРСУНКИ И ПРОИЗВЕДИТЕ НАСТРОЙКУ ОБЪЕМА ПРЕДВАРИТЕЛЬНОГО ВПРЫСКА


    1. Зарегистрируйте компенсационный код форсунки (см. стр. Click here).

    2. Произведите настройку объема предварительного впрыска (см. стр. Click here).


    ДАЛЕЕ
  11. ПРОВЕРЬТЕ ЖГУТ ПРОВОДОВ И РАЗЪЕМ (ЭЛЕКТРОННЫЙ БЛОК ПРИВОДА ФОРСУНОК - ECM)


    1. Отсоедините разъем электронного блока привода форсунок.

    2. Отсоедините разъем ЭБУ.

    3. Измерьте сопротивление в соответствии со значениями, приведенными в таблице ниже.

      Номинальное сопротивление
      Подключение диагностического прибора Условие Заданные условия
      B62-7 (#10) - D99-50 (#1) Всегда Менее 1 Ом
      B62-3 (#20) - D99-49 (#2) Всегда Менее 1 Ом
      B62-6 (#30) - D99-48 (#3) Всегда Менее 1 Ом
      B62-4 (#40) - D99-47 (#4) Всегда Менее 1 Ом
      B62-8 (INJF) - D99-51 (INJF) Всегда Менее 1 Ом
      B62-7 (#10) или D99-50 (#1) - масса Всегда 10 кОм или более
      B62-3 (#20) или D99-49 (#2) - масса Всегда 10 кОм или более
      B62-6 (#30) или D99-48 (#3) - масса Всегда 10 кОм или более
      B62-4 (#40) или D99-47 (#4) - масса Всегда 10 кОм или более
      B62-8 (INJF) или D99-51 (INJF) - масса Всегда 10 кОм или более
    4. Подсоедините разъем электронного блока привода форсунок.

    5. Подсоедините разъем ECM.


    NG
    OK
  12. ЗАМЕНИТЕ ECM


    1. Замените ECM (см. стр. Click here).


    ДАЛЕЕ
  13. ПРОВЕРЬТЕ ЖГУТ ПРОВОДОВ И РАЗЪЕМ (ФОРСУНКА В СБОРЕ – ЭЛЕКТРОННЫЙ БЛОК ПРИВОДА ФОРСУНОК)


    1. Отсоедините разъемы форсунок.

    2. Отсоедините разъемы электронных блоков привода форсунок.

    3. Измерьте сопротивление в соответствии со значениями, приведенными в таблице ниже.

      Номинальное сопротивление
      Подключение диагностического прибора Условие Заданные условия
      D81-1 - B61-1 (IJ1+) Всегда Менее 1 Ом
      D81-2 - B61-4 (IJ1-) Всегда Менее 1 Ом
      D82-1 - B61-3 (IJ2+) Всегда Менее 1 Ом
      D82-2 - B61-6 (IJ2-) Всегда Менее 1 Ом
      D83-1 - B60-1 (IJ3+) Всегда Менее 1 Ом
      D83-2 - B60-3 (IJ3-) Всегда Менее 1 Ом
      D84-1 - B61-2 (IJ4+) Всегда Менее 1 Ом
      D84-2 - B61-5 (IJ4-) Всегда Менее 1 Ом
      D81-1 или B61-1 (IJ1+) - масса Всегда 10 кОм или более
      D81-2 или B61-4 (IJ1-) - масса Всегда 10 кОм или более
      D82-1 или B61-3 (IJ2+) - масса Всегда 10 кОм или более
      D82-2 или B61-6 (IJ2-) - масса Всегда 10 кОм или более
      D83-1 или B60-1 (IJ3+) - масса Всегда 10 кОм или более
      D83-2 или B60-3 (IJ3-) - масса Всегда 10 кОм или более
      D84-1 или B61-2 (IJ4+) - масса Всегда 10 кОм или более
      D84-2 или B61-5 (IJ4-) - масса Всегда 10 кОм или более
    4. Подсоедините разъемы форсунок.

    5. Подсоедините разъемы электронных блоков привода форсунок.


    NG
    OK
  14. ЗАМЕНИТЕ ЭЛЕКТРОННЫЙ БЛОК ПРИВОДА ФОРСУНОК


    1. Замените электронный блок привода форсунок (см. стр. Click here).


    ДАЛЕЕ
  15. ОТРЕМОНТИРУЙТЕ ИЛИ ЗАМЕНИТЕ ЖГУТ ПРОВОДОВ ИЛИ РАЗЪЕМ


    1. Отремонтируйте или замените жгут проводов или разъем.


    ДАЛЕЕ
  16. ПРОВЕРЬТЕ, УСТРАНЕНА ЛИ ДОЛЖНЫМ ОБРАЗОМ НЕИСПРАВНОСТЬ


    1. Подключите GTS к DLC3.

    2. Сбросьте коды DTC (см. стр. Click here).

    3. Выключите зажигание и подождите не менее 30 с.

    4. Запустите двигатель и дайте ему поработать на холостом ходу в течение 10 с.

    5. Войдите в следующие меню: Powertrain / Engine and ECT / Trouble Codes.

    6. Убедитесь, что DTC не выводится снова.


    ДАЛЕЕ