01.04.2020 02:15:02
Установил проекцию рестайл
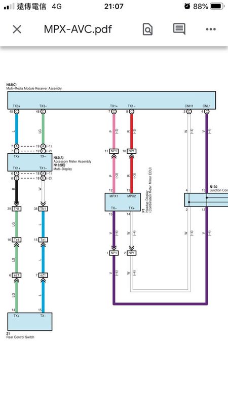
все не очень сложно. геометрия корпуса такая же как у дорестайла. колодку нужно перепиновать, на своем месте остануться только провода питания. добавятся еще два провода на CAN.
![]()


