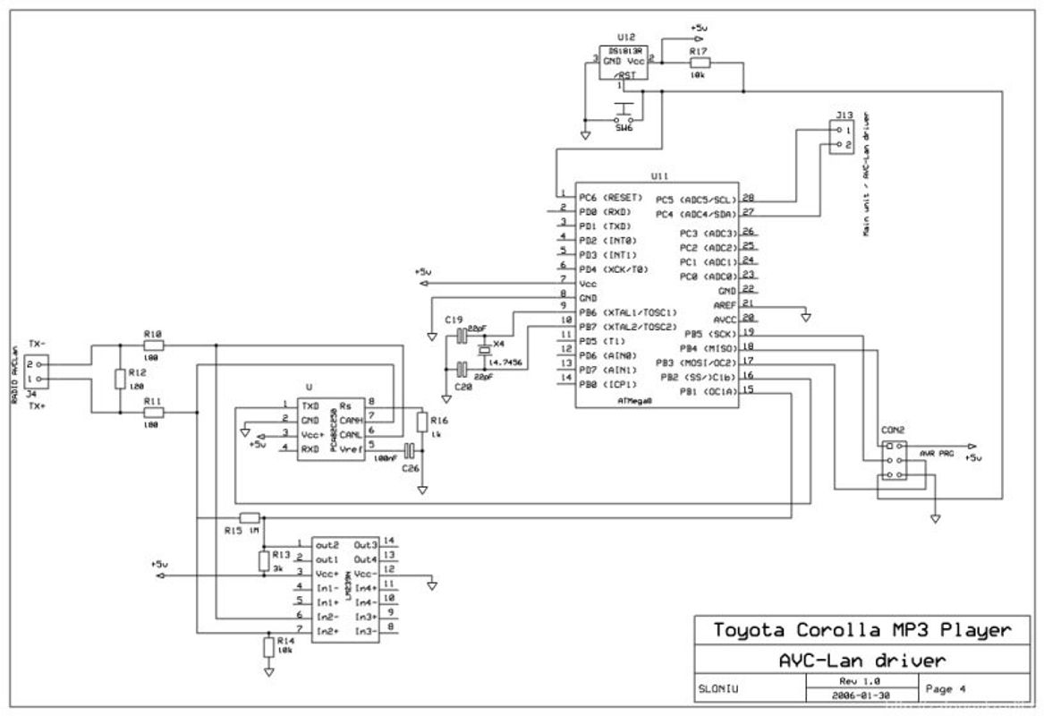
Аудио-интерфейс, часть 1
Идея в том, чтоб играть музыку через штатную акустика как с ведра (андроида), так и с айфона. Сама идея, теоретически, реализуется несложно. Берем какой-то одноплатный компьютер с удобным доступом к шинам типа SPI или I2C, ставим на него софт для проигрывания музыки по аппловскому AirPlay и для народно-андроидного DLNA. Высшей красотой было бы запили еще хромкаст, его ведро поддерживает из коробки, но протокол закрытый и нормальных проектов его реализации я не видел. В качестве компьютера я взял Raspebrry PI2. Для сопряжения с мультимедийной системой собирается также несложная схема, которая с помощью микроконтроллера Atmel ATMEGA и пары микросхем будет эмулировать еще один CD-чейнджер в системе:

Ограничиваться AUX-IN'ом в таком случае позорно, в силу его блевотного звучания. Я уже пробовал сделать прослушивание звука через AUX, но то ли сделал что-то не так, то ли все на самом деле так грустно, но после первого трека я взблевнул и больше не пробовал. Поэтому для распберри я накастовал звуковушку с балансным стерео-выходом, BerryNOS RED. Весь звук для системы с Mark Levinson (какая-то хмммм еврейская фамилия... Левинсон.. подозрительно..) передается по трем проводам на канал (балансное аудио). Этот нехитрый прием помогает избавиться от подавляющего количества помех при передачи звука по проводам.
Для роутинга и свободного подключения всех устройств я решил замутить, как у меня было пару лет назад, точку доступа WIFI в авто. К ней цепляется и мобильник, находящийся в авто и распберри, с помощью миниатюрного вайфай долгла TL-WN725N (http://www.tp-linkru.com/products/details/?categoryid=3958&model=TL-WN725N), который идеально встает с первыми же найденными в интернете дровами без головняка и работает вполне стабильно.


