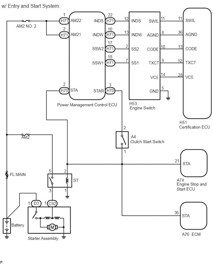
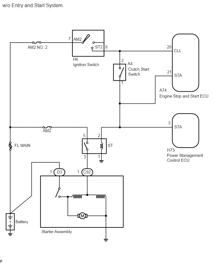
STARTING SYSTEM SYSTEM DIAGRAM

A316929E03
A316930E02
A316935E01