СИСТЕМА ОСВЕЩЕНИЯ Цепь передних противотуманных фар

Код DTC Наименование DTC
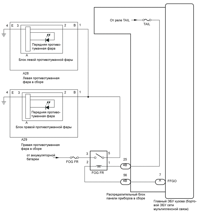
Цепь передних противотуманных фар

ОПИСАНИЕ

Включение передних противотуманных фар осуществляется под управлением главного ЭБУ кузова (бортового ЭБУ сети мультиплексной связи).

СХЕМА СОЕДИНЕНИЙ

E304661E04

ПРЕДОСТЕРЕЖЕНИЕ / ПРИМЕЧАНИЕ / УКАЗАНИЕ

Note:
  • Перед выполнением следующей процедуры проверки проверьте предохранители цепей, относящихся к данной системе.

  • Прежде чем приступать к поиску неисправностей, убедитесь, что цепь задних фонарей работает должным образом.

  • В случае замены главного ЭБУ кузова (бортового ЭБУ сети мультиплексной связи) обратитесь к бюллетеню технического обслуживания.

  • Поскольку аккумуляторная батарея системы блокировки дверей устанавливается между аккумуляторной батареей автомобиля и главным ЭБУ кузова (бортовым ЭБУ сети мультиплексной связи), перед выполнением данной процедуры диагностики сначала выполните проверку без снятия с автомобиля, чтобы убедиться в отсутствии неисправностей в цепи питания главного ЭБУ кузова (бортового ЭБУ сети мультиплексной связи).*

    *: для моделей с батареей системы блокировки дверей

ПОРЯДОК ВЫПОЛНЕНИЯ

  1. ВЫПОЛНИТЕ АКТИВНУЮ ДИАГНОСТИКУ С ПОМОЩЬЮ GTS (FRONT FOG LIGHT RELAY)

    1. При помощи GTS выполните активную диагностику.

      Нажмите здесьClick hereClick hereClick here

      Body Electrical > Main Body > Active Test

      Информация на дисплее прибора

      Измеряемая величина

      Диапазон регулирования

      Замечание по диагностике

      Front Fog Light Relay

      Реле передних противотуманных фар

      ON (ВКЛ) или OFF (ВЫКЛ)

      Переключатель света фар (переключатель освещения) установлен в положение TAIL

      Body Electrical > Main Body > Active Test

      Информация на дисплее прибора

      Front Fog Light Relay

    Result

    Result

    Перейдите к

    Испытание Active Test выполняется должным образом

    А

    Испытание Active Test не выполняется должным образом для обеих противотуманных фар

    B

    Испытание Active Test не выполняется должным образом только для правой противотуманной фары

    C

    Испытание Active Test не выполняется должным образом только для левой противотуманной фары

    D

    A

    ПЕРЕЙДИТЕ К СЛЕДУЮЩЕМУ ПРЕДПОЛАГАЕМОМУ УЧАСТКУ, УКАЗАННОМУ В ТАБЛИЦЕ ПРИЗНАКОВ НЕИСПРАВНОСТЕЙ

    Нажмите здесьClick hereClick hereClick here

    C

    ПРОВЕРЬТЕ ЖГУТ ПРОВОДОВ И РАЗЪЕМ (РЕЛЕ ПЕРЕДНИХ ПРОТИВОТУМАННЫХ ФАР (FOG FR) - ПРАВАЯ ПРОТИВОТУМАННАЯ ФАРА В СБОРЕ)Click here

    D

    ПРОВЕРЬТЕ ЖГУТ ПРОВОДОВ И РАЗЪЕМ (РЕЛЕ ПЕРЕДНИХ ПРОТИВОТУМАННЫХ ФАР (FOG FR) - ЛЕВАЯ ПРОТИВОТУМАННАЯ ФАРА В СБОРЕ)Click here

    B
  2. ПРОВЕРЬТЕ РЕЛЕ ПЕРЕДНИХ ПРОТИВОТУМАННЫХ ФАР (FOG FR)

    1. Извлеките реле противотуманных фар из блока реле моторного отсека № 2.

    2. Проверьте реле противотуманных фар.

      Нажмите здесьClick here

    Результат

    Перейти к

    OK

    НЕ СООТВ.

    НЕ СООТВ.

    ЗАМЕНИТЕ РЕЛЕ ПРОТИВОТУМАННЫХ ФАР (FOG FR)

    СООТВ
  3. ПРОВЕРЬТЕ ЖГУТ ПРОВОДОВ И РАЗЪЕМ (РЕЛЕ ПЕРЕДНИХ ПРОТИВОТУМАННЫХ ФАР (FOG FR) - АККУМУЛЯТОРНАЯ БАТАРЕЯ)

    1. B340809C08

      *a

      Вид спереди разъема со стороны жгута проводов:

      (к реле передних противотуманных фар (FOG FR))

      Извлеките реле противотуманных фар из блока реле моторного отсека № 2.

    2. Измерьте напряжение в соответствии со значениями, приведенными в таблице.

      Номинальное напряжение

      Подключение диагностического прибора

      Условие

      Номинальное сопротивление

      Контакт 3 реле - масса

      Всегда

      11-14 В

    Результат

    Перейти к

    OK

    НЕ СООТВ.

    НЕ СООТВ.

    ОТРЕМОНТИРУЙТЕ ИЛИ ЗАМЕНИТЕ ЖГУТ ПРОВОДОВ ИЛИ РАЗЪЕМ

    СООТВ
  4. ПРОВЕРЬТЕ ЖГУТ ПРОВОДОВ И РАЗЪЕМ (РЕЛЕ ЗАДНЕГО ГАБАРИТНОГО ОСВЕЩЕНИЯ (РЕЛЕ TAIL) - РЕЛЕ ПЕРЕДНИХ ПРОТИВОТУМАННЫХ ФАР (FOG FR))

    1. B340809C09

      *a

      Вид спереди разъема со стороны жгута проводов:

      (к реле передних противотуманных фар (FOG FR))

      Извлеките реле противотуманных фар из блока реле моторного отсека № 2.

    2. Измерьте напряжение в соответствии со значениями, приведенными в таблице.

      Номинальное напряжение

      Контакты для подключения диагностического прибора

      Положение переключателя

      Номинальное значение

      Контакт 1 реле - масса

      • Переключатель света фар (переключатель освещения) выключен → TAIL или HEAD (если переключатель света фар автомобиля выключен)

      • Переключатель света фар (переключатель освещения) в положении AUTO, ближний свет: выключен → включен

      Менее 1 В → 11-14 В

      Если включен ближний свет, осветите датчик автоматического управления освещением лампой, чтобы перевести систему в дневной режим.

    Result

    Перейти к

    OK

    НЕ СООТВ.

    НЕ СООТВ.

    ПРОВЕРЬТЕ ЖГУТ ПРОВОДОВ И РАЗЪЕМ (РЕЛЕ ПЕРЕДНИХ ПРОТИВОТУМАННЫХ ФАР [FOG FR] – РАСПРЕДЕЛИТЕЛЬНЫЙ БЛОК ПАНЕЛИ ПРИБОРОВ В СБОРЕ)Click here

    СООТВ
  5. ПРОВЕРЬТЕ ЖГУТ ПРОВОДОВ И РАЗЪЕМ (РЕЛЕ ПЕРЕДНИХ ПРОТИВОТУМАННЫХ ФАР (FOG FR) - ПРОТИВОТУМАННАЯ ФАРА В СБОРЕ И МАССА)

    1. Извлеките реле противотуманных фар из блока реле моторного отсека № 2.

    2. Отсоедините разъем A28 левой противотуманной фары в сборе.

    3. Отсоедините разъем A29 правой противотуманной фары в сборе.

    4. Измерьте сопротивление в соответствии со значениями, приведенными в таблице.

      Номинальное сопротивление

      Подключение диагностического прибора

      Условие

      Номинальное значение

      Контакт 5 реле - A28-1 (B)

      Всегда

      Менее 1 Ом

      Контакт 5 реле - A29-1 (B)

      Всегда

      Менее 1 Ом

      A28-4 (E) - масса

      Всегда

      Менее 1 Ом

      A29-4 (E) - масса

      Всегда

      Менее 1 Ом

      Контакт 5 реле или A28-1 (B) - масса

      Всегда

      10 кОм или более

      Контакт 5 реле или A29-1 (B) - масса

      Всегда

      10 кОм или более

    Результат

    Перейти к

    OK

    НЕ СООТВ.

    НЕ СООТВ.

    ОТРЕМОНТИРУЙТЕ ИЛИ ЗАМЕНИТЕ ЖГУТ ПРОВОДОВ ИЛИ РАЗЪЕМ

    СООТВ
  6. ПРОВЕРЬТЕ ЖГУТ ПРОВОДОВ И РАЗЪЕМ (РЕЛЕ ПЕРЕДНИХ ПРОТИВОТУМАННЫХ ФАР (FOG FR) - ГЛАВНЫЙ ЭБУ КУЗОВА (БОРТОВОЙ ЭБУ СЕТИ МУЛЬТИПЛЕКСНОЙ СВЯЗИ))

    1. Извлеките реле противотуманных фар из блока реле моторного отсека № 2.

    2. Снимите распределительный блок панели приборов в сборе.

      Для моделей с левосторонним рулевым управлением:

      Нажмите здесьClick here

      Для моделей с правосторонним рулевым управлением:

      Нажмите здесьClick here

    3. Снимите главный ЭБУ кузова (бортовой ЭБУ сети мультиплексной связи) с распределительного блока панели приборов в сборе.

      Для моделей с левосторонним рулевым управлением:

      Нажмите здесьClick here

      Для моделей с правосторонним рулевым управлением:

      Нажмите здесьClick here

    4. Отсоедините разъем 4B распределительного блока панели приборов.

    5. Измерьте сопротивление в соответствии со значениями, приведенными в таблице ниже.

      Номинальное сопротивление

      Подключение диагностического прибора

      Условие

      Номинальное значение

      Контакт 2 реле - A-7 (FFGO)

      Всегда

      Менее 1 Ом

      Контакт 2 реле или A-7 (FFGO) - масса

      Всегда

      10 кОм или более

    Результат

    Перейти к

    OK

    НЕ СООТВ.

    OK

    ЗАМЕНИТЕ ГЛАВНЫЙ ЭБУ КУЗОВА (БОРТОВОЙ ЭБУ СЕТИ МУЛЬТИПЛЕКСНОЙ СВЯЗИ)

    Для моделей с левосторонним рулевым управлением:

    Нажмите здесьClick here

    Для моделей с правосторонним рулевым управлением:

    Нажмите здесьClick here

    NG

    ПРОВЕРЬТЕ ЖГУТ ПРОВОДОВ И РАЗЪЕМ (РЕЛЕ ПЕРЕДНИХ ПРОТИВОТУМАННЫХ ФАР [FOG FR] – РАСПРЕДЕЛИТЕЛЬНЫЙ БЛОК ПАНЕЛИ ПРИБОРОВ В СБОРЕ)Click here

  7. ПРОВЕРЬТЕ ЖГУТ ПРОВОДОВ И РАЗЪЕМ (РЕЛЕ ПЕРЕДНИХ ПРОТИВОТУМАННЫХ ФАР [FOG FR] – РАСПРЕДЕЛИТЕЛЬНЫЙ БЛОК ПАНЕЛИ ПРИБОРОВ В СБОРЕ)

    1. Извлеките реле противотуманных фар из блока реле моторного отсека № 2.

    2. Отсоедините разъем 4B распределительного блока панели приборов.

    3. Измерьте сопротивление в соответствии со значениями, приведенными в таблице ниже.

      Номинальное сопротивление

      Подключение диагностического прибора

      Условие

      Номинальное значение

      Контакт 1 реле - 4B-25

      Всегда

      Менее 1 Ом

      Контакт 1 реле или 4B-25 - масса

      Всегда

      10 кОм или более

    Результат

    Перейти к

    OK

    НЕ СООТВ.

    OK

    ЗАМЕНИТЕ РАСПРЕДЕЛИТЕЛЬНЫЙ БЛОК ПАНЕЛИ ПРИБОРОВ В СБОРЕ

    Для моделей с левосторонним рулевым управлением:

    Нажмите здесьClick here

    Для моделей с правосторонним рулевым управлением:

    Нажмите здесьClick here

    NG

    ОТРЕМОНТИРУЙТЕ ИЛИ ЗАМЕНИТЕ ЖГУТ ПРОВОДОВ ИЛИ РАЗЪЕМ

  8. ПРОВЕРЬТЕ ЖГУТ ПРОВОДОВ И РАЗЪЕМ (РЕЛЕ ПЕРЕДНИХ ПРОТИВОТУМАННЫХ ФАР [FOG FR] – РАСПРЕДЕЛИТЕЛЬНЫЙ БЛОК ПАНЕЛИ ПРИБОРОВ В СБОРЕ)

    1. Извлеките реле противотуманных фар из блока реле моторного отсека № 2.

    2. Отсоедините разъем 4B распределительного блока панели приборов.

    3. Измерьте сопротивление в соответствии со значениями, приведенными в таблице ниже.

      Номинальное сопротивление

      Подключение диагностического прибора

      Условие

      Номинальное значение

      Контакт 2 реле - 4B-56

      Всегда

      Менее 1 Ом

      Контакт 2 реле или 4B-56 - масса

      Всегда

      10 кОм или более

    Результат

    Перейти к

    OK

    НЕ СООТВ.

    OK

    ЗАМЕНИТЕ РАСПРЕДЕЛИТЕЛЬНЫЙ БЛОК ПАНЕЛИ ПРИБОРОВ В СБОРЕ

    Для моделей с левосторонним рулевым управлением:

    Нажмите здесьClick here

    Для моделей с правосторонним рулевым управлением:

    Нажмите здесьClick here

    NG

    ОТРЕМОНТИРУЙТЕ ИЛИ ЗАМЕНИТЕ ЖГУТ ПРОВОДОВ ИЛИ РАЗЪЕМ

  9. ПРОВЕРЬТЕ ЖГУТ ПРОВОДОВ И РАЗЪЕМ (РЕЛЕ ПЕРЕДНИХ ПРОТИВОТУМАННЫХ ФАР (FOG FR) - ПРАВАЯ ПРОТИВОТУМАННАЯ ФАРА В СБОРЕ)

    1. Извлеките реле противотуманных фар из блока реле моторного отсека № 2.

    2. Отсоедините разъем A29 правой противотуманной фары в сборе.

    3. Измерьте сопротивление в соответствии со значениями, приведенными в таблице.

      Номинальное сопротивление

      Подключение диагностического прибора

      Условие

      Номинальное значение

      Контакт 5 реле - A29-1 (B)

      Всегда

      Менее 1 Ом

      A29-4 (E) - масса

      Всегда

      Менее 1 Ом

      Контакт 5 реле или A29-1 (B) - масса

      Всегда

      10 кОм или более

    Результат

    Перейти к

    OK

    НЕ СООТВ.

    НЕ СООТВ.

    ОТРЕМОНТИРУЙТЕ ИЛИ ЗАМЕНИТЕ ЖГУТ ПРОВОДОВ ИЛИ РАЗЪЕМ

    СООТВ
  10. ПРОВЕРЬТЕ ПРАВУЮ ПРОТИВОТУМАННУЮ ФАРУ В СБОРЕ

    1. E299170E06

      Снимите правую противотуманную фару в сборе.

      Нажмите здесьClick hereClick here

    2. Снимите блок правой противотуманной фары с правой противотуманной фары в сборе.

      Нажмите здесьClick hereClick here

    3. Измерьте сопротивление в соответствии со значениями, приведенными в таблице ниже.

      Номинальное сопротивление

      Подключение диагностического прибора

      Условие

      Номинальное значение

      A-2 - B-1(B)

      Всегда

      Менее 1 Ом

      A-3 - B-4 (E)

      Всегда

      10 кОм или более

    Результат

    Перейти к

    OK

    НЕ СООТВ.

    OK

    ЗАМЕНИТЕ БЛОК ПРАВОЙ ПРОТИВОТУМАННОЙ ФАРЫ

    Нажмите здесьClick hereClick here

    NG

    ЗАМЕНИТЕ ПРАВУЮ ПРОТИВОТУМАННУЮ ФАРУ В СБОРЕ

    Нажмите здесьClick hereClick here

  11. ПРОВЕРЬТЕ ЖГУТ ПРОВОДОВ И РАЗЪЕМ (РЕЛЕ ПЕРЕДНИХ ПРОТИВОТУМАННЫХ ФАР (FOG FR) - ЛЕВАЯ ПРОТИВОТУМАННАЯ ФАРА В СБОРЕ)

    1. Извлеките реле противотуманных фар из блока реле моторного отсека № 2.

    2. Отсоедините разъем A28 левой противотуманной фары в сборе.

    3. Измерьте сопротивление в соответствии со значениями, приведенными в таблице.

      Номинальное сопротивление

      Подключение диагностического прибора

      Условие

      Номинальное значение

      Контакт 5 реле - A28-1 (B)

      Всегда

      Менее 1 Ом

      A28-4 (E) - масса

      Всегда

      Менее 1 Ом

      Контакт 5 реле или A28-1 (B) - масса

      Всегда

      10 кОм или более

    Результат

    Перейти к

    OK

    НЕ СООТВ.

    НЕ СООТВ.

    ОТРЕМОНТИРУЙТЕ ИЛИ ЗАМЕНИТЕ ЖГУТ ПРОВОДОВ ИЛИ РАЗЪЕМ

    СООТВ
  12. ПРОВЕРЬТЕ ЛЕВУЮ ПРОТИВОТУМАННУЮ ФАРУ В СБОРЕ

    1. E299170E06

      Снимите левую противотуманную фару в сборе.

      Нажмите здесьClick hereClick here

    2. Снимите блок левой противотуманной фары с левой противотуманной фары в сборе.

      Нажмите здесьClick hereClick here

    3. Измерьте сопротивление в соответствии со значениями, приведенными в таблице ниже.

      Номинальное сопротивление

      Подключение диагностического прибора

      Условие

      Номинальное значение

      A-2 - B-1(B)

      Всегда

      Менее 1 Ом

      A-3 - B-4 (E)

      Всегда

      10 кОм или более

    Результат

    Перейти к

    OK

    НЕ СООТВ.

    OK

    ЗАМЕНИТЕ БЛОК ЛЕВОЙ ПРОТИВОТУМАННОЙ ФАРЫ

    Нажмите здесьClick hereClick here

    NG

    ЗАМЕНИТЕ ЛЕВУЮ ПРОТИВОТУМАННУЮ ФАРУ В СБОРЕ

    Нажмите здесьClick hereClick here