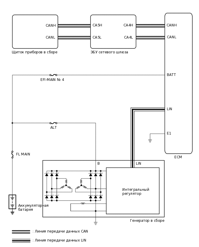
СИСТЕМА ЗАРЯДКИ ДВИГАТЕЛЯ СХЕМА СИСТЕМЫ

A412012E01