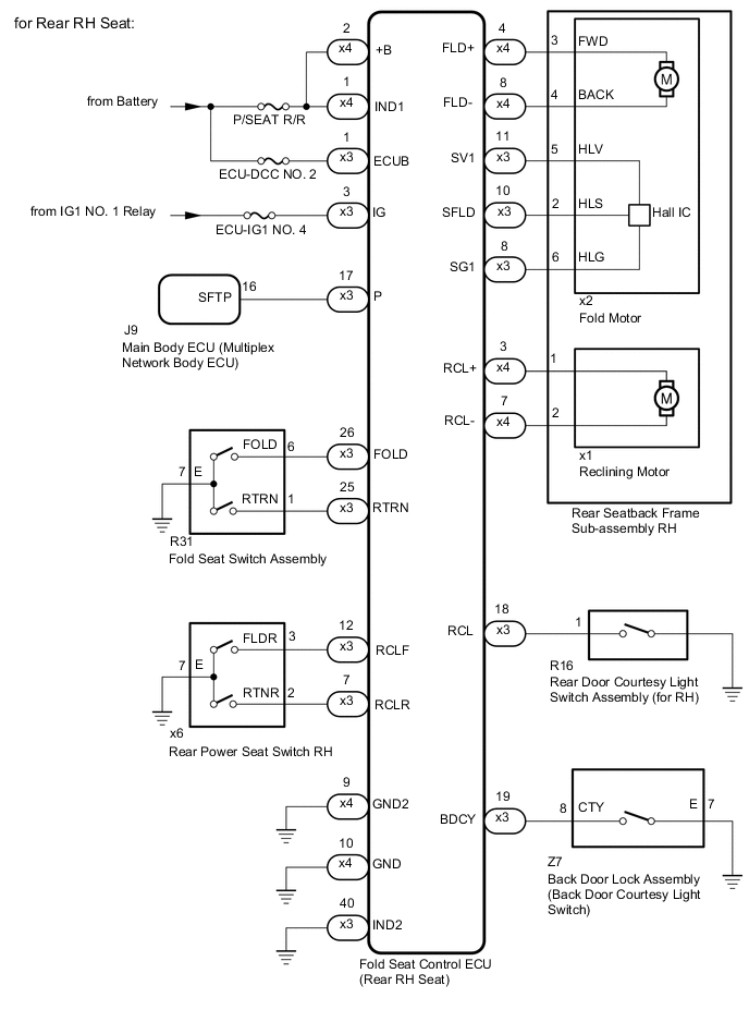
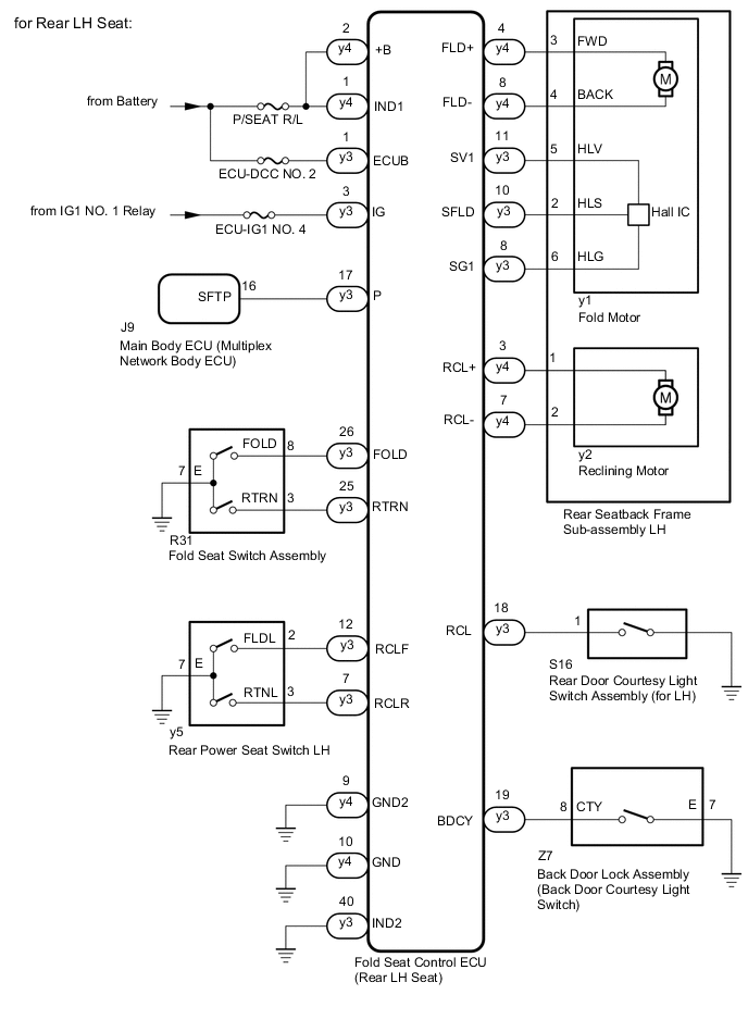
REAR POWER SEAT CONTROL SYSTEM(for Second Row) SYSTEM DIAGRAM

A01RCRDE28
A01RCRDE29