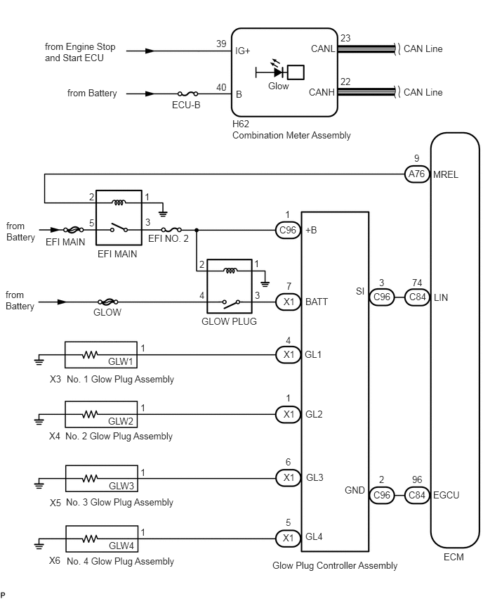
PRE-HEATING SYSTEM SYSTEM DIAGRAM

A337022E02