СИСТЕМА ОБРАБОТКИ И ПЕРЕДАЧИ ИНФОРМАЦИИ (для моделей с приемопередатчиком системы обработки и передачи информации с поддержкой G-BOOK), диагностический DTC:B15C6

Код DTC Наименование DTC
B15C6 Неверный сигнал выключателя питания

ОПИСАНИЕ

Если движение автомобиля 10 км/час (6 миль в час) или более в течение 10 секунд) определяется на основании данных о местонахождении, передаваемых ЭБУ системы навигации даже когда приемопередатчик системы обработки и передачи информации определяет, что зажигание выключено, сохраняется этот код DTC.

№ DTC

Неисправность

Условие обнаружения DTC

Неисправный участок

B15C6

Неверный сигнал выключателя питания

Ошибка сигнала IG

  • Жгут проводов или разъем

  • Приемопередатчик системы обработки и передачи информации

СХЕМА ЭЛЕКТРИЧЕСКИХ СОЕДИНЕНИЙ

E385908E01

ПРЕДОСТЕРЕЖЕНИЕ / ПРИМЕЧАНИЕ / УКАЗАНИЕ

Note:
  • В зависимости от замененных деталей или операций, которые были выполнены при проверке или обслуживании автомобиля, может потребоваться инициализация, регистрация или калибровка. См. раздел "Меры предосторожности при работе с системой G-BOOK".

    Нажмите здесьClick here

  • Приемопередатчик системы обработки и передачи информации следует заменять исключительно новым блоком.

ПОРЯДОК ВЫПОЛНЕНИЯ

  1. ПРОВЕРЬТЕ, ВЫВОДЯТСЯ ЛИ DTC

    1. Сбросьте коды DTC.

      Нажмите здесьClick here

      Body Electrical > Navigation System > Clear DTCs

    2. Повторно проверьте DTC и убедитесь, что зарегистрированный DTC больше не выводится.

      Нажмите здесьClick here

      Body Electrical > Navigation System > Trouble Codes

    Result

    Result

    Перейдите к

    B15C6 не выводится.

    A

    B15C6 выводится.

    B

    A

    ВЫПОЛНИТЕ ПРОВЕРКУ С ИМИТАЦИЕЙ УСЛОВИЙ ВОЗНИКНОВЕНИЯ НЕИСПРАВНОСТИ

    Нажмите здесьClick here

    B
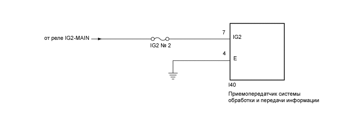
  2. ПРОВЕРЬТЕ ЖГУТ ПРОВОДОВ И РАЗЪЕМ (ПРИЕМОПЕРЕДАТЧИК СИСТЕМЫ ОБРАБОТКИ И ПЕРЕДАЧИ ИНФОРМАЦИИ – АККУМУЛЯТОРНАЯ БАТАРЕЯ И МАССА)

    1. E192516C42

      *a

      Вид спереди разъема со стороны жгута проводов:

      (к приемопередатчику системы обработки и передачи информации)

      Отсоедините разъем приемопередатчика системы обработки и передачи информации.

    2. Измерьте сопротивление в соответствии со значениями, приведенными в таблице ниже.

      Номинальное сопротивление

      Подключение диагностического прибора

      Условие

      Номинальное значение

      I40-4 (E) - масса

      Всегда

      Менее 1 Ом

    3. Измерьте напряжение в соответствии со значениями, приведенными в таблице.

      Номинальное напряжение

      Контакты для подключения диагностического прибора

      Положение переключателя

      Номинальное значение

      I40-7 (IG2) - масса

      Питание включено (IG)

      11-14 В

    Результат

    Перейти к

    OK

    НЕ СООТВ.

    OK

    ЗАМЕНИТЕ ПРИЕМОПЕРЕДАТЧИК СИСТЕМЫ ОБРАБОТКИ И ПЕРЕДАЧИ ИНФОРМАЦИИ

    Нажмите здесьClick here

    NG

    ОТРЕМОНТИРУЙТЕ ИЛИ ЗАМЕНИТЕ ЖГУТ ПРОВОДОВ ИЛИ РАЗЪЕМ