OCCUPANT CLASSIFICATION SYSTEM, Diagnostic DTC:B1790

DTC Code DTC Name
B1790 Center Airbag Sensor Assembly Communication Circuit Malfunction

DESCRIPTION

The airbag sensor assembly communication circuit consists of the occupant detection ECU and airbag sensor assembly.

DTC B1790 is stored when a malfunction is detected in the airbag sensor assembly communication circuit.

DTC No.

Detection Item

DTC Detection Condition

Trouble Area

B1790

Center Airbag Sensor Assembly Communication Circuit Malfunction

  • One of the following conditions is met:

  • Occupant detection ECU detects a line short circuit signal, open circuit signal, short circuit to ground signal or short circuit to +B signal in the airbag sensor assembly communication circuit for 2 seconds.

  • Airbag sensor assembly malfunction.

  • Occupant detection ECU malfunction.

  • Floor wire

  • Front seat wire RH

  • Occupant detection ECU

  • Airbag sensor assembly

Tip:
  • When DTC B1650/32 is stored as a result of troubleshooting the airbag system, perform troubleshooting for DTC B1790 of the occupant classification system.

  • Use the GTS to check for DTCs of the occupant detection ECU, otherwise the DTCs cannot be read.

WIRING DIAGRAM

C238367E39

CAUTION / NOTICE / HINT

Note:

When disconnecting the cable, some systems need to be initialized after the cable is reconnected.

Click hereClick hereClick here

Tip:
  • If troubleshooting (wire harness inspection) is difficult to perform, remove the front RH seat installation bolts to see the undersurface of the seat cushion.

  • In the above case, hold the seat so that it does not fall down. Holding the seat for a long period of time may cause problems, such as seat rail deformation. Hold the seat up only for as long as necessary.

PROCEDURE

  1. CHECK DTC

    1. Turn the power switch to on (IG), and wait for at least 60 seconds.

    2. Clear the DTCs.

      Click here

      Body Electrical > Occupant Detection > Clear DTCs

      Tip:
      • First clear the DTCs stored in the occupant detection ECU, and then clear the DTCs stored in the airbag sensor assembly.

      • Use the GTS to clear the DTCs of the occupant detection ECU, otherwise the DTCs cannot be cleared.

    3. Turn the power switch off.

    4. Turn the power switch to on (IG), and wait for at least 60 seconds.

    5. Check for DTCs.

      Click here

      Body Electrical > Occupant Detection > Trouble Codes

      Result

      Proceed to

      DTC B1790 is not output

      DTC B1790 is output

      Tip:

      DTCs other than DTC B1790 may be output at this time, but they are not related to this check.

    DTC B1790 is not output

    USE SIMULATION METHOD TO CHECK

    DTC B1790 is output
  2. CHECK CONNECTION OF CONNECTOR

    1. Turn the power switch off.

    2. Disconnect the cable from the negative (-) auxiliary battery terminal, and wait for at least 90 seconds.

    3. Check that the connectors are properly connected to the occupant detection ECU and airbag sensor assembly.

    Result

    Proceed to

    Connectors are properly connected

    Connectors are not properly connected

    Connectors are not properly connected

    CONNECT CONNECTOR

    Connectors are properly connected
  3. CHECK CONNECTORS

    1. C256404C01

      *1

      Occupant Detection ECU

      *2

      Airbag Sensor Assembly

      Disconnect the connectors from the airbag sensor assembly and occupant detection ECU.

    2. Check that the connectors (on the airbag sensor assembly side and occupant detection ECU side) are not damaged.

    Result

    Proceed to

    Connectors are not deformed or damaged

    Connectors are deformed or damaged

    Connectors are deformed or damaged

    REPLACE HARNESS AND CONNECTOR

    Connectors are not deformed or damaged
  4. CHECK AIRBAG SENSOR ASSEMBLY CIRCUIT

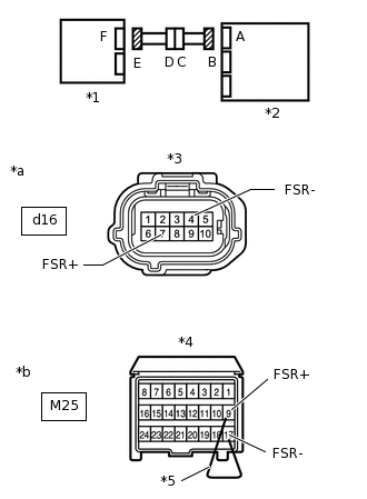
    1. C256405C08

      *1

      Occupant Detection ECU

      *2

      Airbag Sensor Assembly

      *3

      Connector E

      *4

      Connector B

      *5

      Service Wire

      *a

      Front view of wire harness connector

      (to Occupant Detection ECU)

      *b

      Rear view of wire harness connector

      (to Airbag Sensor Assembly)

      Connect the cable to the negative (-) auxiliary battery terminal, and wait for at least 2 seconds.

    2. Turn the power switch to on (IG).

    3. Measure the voltage according to the value(s) in the table below.

      Standard Voltage

      Tester Connection

      Switch Condition

      Specified Condition

      d16-7 (FSR+) - Body ground

      Power switch on (IG)

      Below 1 V

      d16-4 (FSR-) - Body ground

    4. Turn the power switch off.

    5. Disconnect the cable from the negative (-) auxiliary battery terminal, and wait for at least 90 seconds.

    6. Using a service wire, connect terminals 9 (FSR+) and 17 (FSR-) of connector B.

      Note:

      Do not forcibly insert the service wire into the terminals of the connector.

    7. Measure the resistance according to the value(s) in the table below.

      Standard Resistance

      Tester Connection

      Condition

      Specified Condition

      d16-7 (FSR+) - d16-4 (FSR-)

      Always

      Below 1 Ω

    8. Disconnect the service wire from connector B.

    9. Measure the resistance according to the value(s) in the table below.

      Standard Resistance

      Tester Connection

      Condition

      Specified Condition

      d16-7 (FSR+) - d16-4 (FSR-)

      Always

      1 MΩ or higher

      d16-7 (FSR+) - Body ground

      d16-4 (FSR-) - Body ground

    Result

    Proceed to

    OK

    NG

    NG

    CHECK FRONT SEAT WIRE RHClick here

    OK
  5. CHECK DTC

    1. Connect the connectors to the occupant detection ECU and airbag sensor assembly.

    2. Connect the cable to the negative (-) auxiliary battery terminal, and wait for at least 2 seconds.

    3. Turn the power switch to on (IG), and wait for at least 60 seconds.

    4. Clear the DTCs.

      Click here

      Body Electrical > Occupant Detection > Clear DTCs

      Tip:
      • First clear the DTCs stored in the occupant detection ECU, and then clear the DTCs stored in the airbag sensor assembly.

      • Use the GTS to clear the DTCs of the occupant detection ECU, otherwise the DTCs cannot be cleared.

    5. Turn the power switch off.

    6. Turn the power switch to on (IG), and wait for at least 60 seconds.

    7. Check for DTCs.

      Click here

      Body Electrical > Occupant Detection > Trouble Codes

      Result

      Proceed to

      DTC B1790 is not output

      DTC B1790 is output

      Tip:

      DTCs other than DTC B1790 may be output at this time, but they are not related to this check.

    DTC B1790 is not output

    USE SIMULATION METHOD TO CHECK

    DTC B1790 is output
  6. REPLACE OCCUPANT DETECTION ECU

    1. Turn the power switch off.

    2. Disconnect the cable from the negative (-) auxiliary battery terminal, and wait for at least 90 seconds.

    3. Replace the occupant detection ECU.

      Click here

      Tip:

      Perform the inspection using parts from a normal vehicle when possible.

    Result

    Proceed to

    NEXT

    NEXT
  7. PERFORM ZERO POINT CALIBRATION

    1. Connect the cable to the negative (-) auxiliary battery terminal, and wait for at least 2 seconds.

    2. Turn the power switch to on (IG).

    3. Perform the zero point calibration.

      Click here

    Result

    Proceed to

    "Zero Point Calibration is complete." is displayed

    "Zero Point Calibration is complete." is displayed
  8. PERFORM SENSITIVITY CHECK

    1. Perform the sensitivity check.

      Click here

      Standard

      27 to 33 kg (59.5 to 72.8 lb)

    Result

    Proceed to

    NEXT

    NEXT
  9. CHECK DTC

    1. Clear the DTCs.

      Click here

      Body Electrical > Occupant Detection > Clear DTCs

      Tip:
      • First clear the DTCs stored in the occupant detection ECU, and then clear the DTCs stored in the airbag sensor assembly.

      • Use the GTS to clear the DTCs of the occupant detection ECU, otherwise the DTCs cannot be cleared.

    2. Turn the power switch off.

    3. Turn the power switch to on (IG), and wait for at least 60 seconds.

    4. Check for DTCs.

      Click here

      Body Electrical > Occupant Detection > Trouble Codes

      Result

      Proceed to

      DTC B1790 is not output

      DTC B1790 is output

      Tip:

      DTCs other than DTC B1790 may be output at this time, but they are not related to this check.

    DTC B1790 is not output

    END (OCCUPANT DETECTION ECU WAS DEFECTIVE)

    DTC B1790 is output

    REPLACE AIRBAG SENSOR ASSEMBLY

  10. CHECK FRONT SEAT WIRE RH

    1. E272030C05

      *1

      Front Seat Wire RH

      *2

      Floor Wire

      *3

      Occupant Detection ECU

      *4

      Airbag Sensor Assembly

      *5

      Service Wire

      *6

      Connector E

      *7

      Connector D

      *a

      Front view of wire harness connector

      (to Occupant Detection ECU)

      *b

      Front view of wire harness connector

      (to Floor Wire)

      Disconnect the front seat wire RH connector from the floor wire.

    2. Connect the cable to the negative (-) auxiliary battery terminal, and wait for at least 2 seconds.

    3. Turn the power switch to on (IG).

    4. Measure the voltage according to the value(s) in the table below.

      Standard Voltage

      Tester Connection

      Switch Condition

      Specified Condition

      Md1-1 - Body ground

      Power switch on (IG)

      Below 1 V

      Md1-5 - Body ground

    5. Turn the power switch off.

    6. Disconnect the connector from the occupant detection ECU.

    7. Using a service wire, connect terminals 7 (FSR+) and 4 (FSR-) of connector E.

      Note:

      Do not forcibly insert the service wire into the terminals of the connector.

    8. Measure the resistance according to the value(s) in the table below.

      Standard Resistance

      Tester Connection

      Condition

      Specified Condition

      Md1-1 - Md1-5

      Always

      Below 1 Ω

    9. Disconnect the service wire from connector E.

    10. Measure the resistance according to the value(s) in the table below.

      Standard Resistance

      Tester Connection

      Condition

      Specified Condition

      Md1-1 - Md1-5

      Always

      1 MΩ or higher

      Md1-1 - Body ground

      Md1-5 - Body ground

    Result

    Proceed to

    OK

    NG

    OK

    REPLACE FLOOR WIRE

    NG

    REPLACE FRONT SEAT WIRE RH