ТОПЛИВНАЯ СИСТЕМА


  1. УПРАВЛЕНИЕ В СИСТЕМЕ


    1. В этой системе топливо, подаваемое нагнетающим насосом под высоким давлением, накапливается в топливной система Common Rail, а ECM регулирует моменты и объем впрыска топлива.

      Figure 1. Модели с топливным фильтром, работающим под давлением (с управлением носителем катализатора)

      B002NQ4C01
      *1 Топливная система Common Rail в сборе *2 Датчик давления топлива
      *3 ECM *4 Датчик положения коленчатого вала
      *5 Датчик положения распредвала *6 Клапан регулирования свободного хода
      *7 Топливный насос высокого давления или нагнетающий насос в сборе *8 Дополнительная форсунка подачи топлива в выпускную трубу в сборе
      *9 Топливный фильтр, находящийся под давлением *10 Топливный фильтр в сборе
      *11 Топливный бак в сборе *12 Форсунка в сборе
      *13 Клапан сброса давления - -
      *a Топливо (под высоким давлением) *b Топливо (давление подачи)
      *c Топливо (всасываемое) *d Топливо (возвратное)

      Figure 2. Модели с топливным фильтром, работающим под давлением (без управления носителем катализатора)

      B002N96C01
      *1 Топливная система Common Rail в сборе *2 Датчик давления топлива
      *3 ECM *4 Датчик положения коленчатого вала
      *5 Датчик положения распредвала *6 Клапан регулирования свободного хода
      *7 Топливный насос высокого давления или нагнетающий насос в сборе *8 Топливный фильтр, находящийся под давлением
      *9 Топливный фильтр в сборе *10 Топливный бак в сборе
      *11 Форсунка в сборе *12 Клапан сброса давления
      *a Топливо (под высоким давлением) *b Топливо (давление подачи)
      *c Топливо (всасываемое) *d Топливо (возвратное)

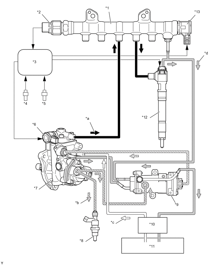
      Figure 3. Модели без топливного фильтра под давлением

      B002N2RC01
      *1 Топливная система Common Rail в сборе *2 Датчик давления топлива
      *3 ECM *4 Датчик положения коленчатого вала
      *5 Датчик положения распредвала *6 Клапан регулирования свободного хода
      *7 Топливный насос высокого давления или нагнетающий насос в сборе *8 Топливный фильтр в сборе
      *9 Топливный бак в сборе *10 Форсунка в сборе
      *11 Клапан сброса давления - -
      *a Топливо (под высоким давлением) *b Топливо (всасываемое)
      *c Топливо (возвратное) - -