ANTI-LOCK BRAKE SYSTEM, Diagnostic DTC:C1241

DTC Code DTC Name
C1241 Low Power Supply Voltage Malfunction

DESCRIPTION

If a malfunction is detected in the power supply circuit, the skid control ECU (brake actuator assembly) stores this DTC and the fail-safe function prohibits ABS operation. This DTC is stored when the +BS or IG1 terminal voltage meets one of the DTC detection conditions due to a malfunction in the power supply or charging circuit such as the battery or alternator circuit, etc. The DTC is cleared when the +BS or IG1 terminal voltage returns to normal.

DTC No.

Detection Item

DTC Detection Condition

Trouble Area

C1241

Low Power Supply Voltage Malfunction

Any of the following is detected:

  1. The vehicle speed is 6 km/h (4 mph) or more and the +BS terminal voltage (soft low voltage) is less than 9.6 V for 1 second or more.

  2. The vehicle speed is 6 km/h (4 mph) or more and the +BS or IG1 terminal voltage (hard low voltage) is less than 6.9 V for 1 second or more.

  3. The vehicle speed is 15 km/h (9 mph) or more, the +BS terminal voltage is 9.6 V or more, the skid control ECU (brake actuator assembly) turns on more than one valve at the same time within a short period of time and the valve relay supply voltage drop exceeds the threshold.*

  4. The +BS terminal voltage is less than 6.7 V and the skid control ECU (brake actuator assembly) judges that power supply voltage is abnormal for 0.06 seconds or more.

  • IG1 NO. 1 fuse

  • ABS NO. 2 fuse

  • Battery

  • Charging system

  • Power source circuit

  • Ground circuit

  • Internal power supply circuit of the skid control ECU (brake actuator assembly)

*: The skid control ECU (brake actuator assembly) monitors the resistance of the power source line at the +BS terminal. A malfunction is detected when an abnormality occurs in the +BS terminal wire harness or its connection and the skid control ECU (brake actuator assembly) determines that the wiring resistance at the +BS terminal exceeds the standard resistance.

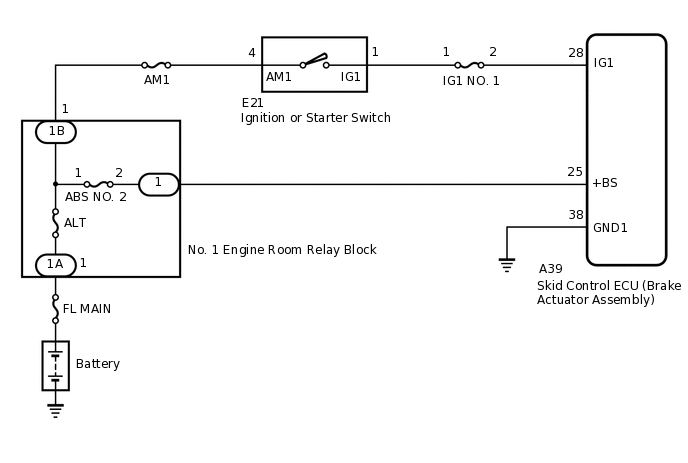
WIRING DIAGRAM

C303450E01

CAUTION / NOTICE / HINT

Note:

Inspect the fuses for circuits related to this system before performing the following procedure.

PROCEDURE

  1. CHECK BATTERY

    1. Check the battery voltage.

      Standard Voltage

      11 to 14 V

      Result

      Proceed to

      OK

      NG

    NG

    CHECK OR REPLACE CHARGING SYSTEM COMPONENT OR BATTERY

    OK
  2. CHECK HARNESS AND CONNECTOR (POWER SOURCE TERMINAL)

    1. C305133C07

      *a

      Front view of wire harness connector (to Skid Control ECU (Brake Actuator Assembly))

      Make sure that there is no looseness at the locking part and the connecting part of the connector.

    2. Disconnect the A39 skid control ECU (brake actuator assembly) connector.

    3. Measure the voltage according to the value(s) in the table below.

      Standard Voltage

      Tester Connection

      Condition

      Specified Condition

      A39-25 (+BS) - Body ground

      Always

      11 to 14 V

      A39-25 (+BS) - A39-38 (GND1)

      Always

      11 to 14 V

      A39-28 (IG1) - Body ground

      Ignition switch ON

      11 to 14 V

      A39-28 (IG1) - A39-38 (GND1)

      Ignition switch ON

      11 to 14 V

    Result

    Result

    Proceed to

    OK

    A

    NG (for +BS circuit)

    B

    NG (for IG1 circuit)

    C

    B

    CHECK HARNESS AND CONNECTOR (BRAKE ACTUATOR ASSEMBLY - NO. 1 ENGINE ROOM RELAY BLOCK)Click here

    C

    REPAIR OR REPLACE HARNESS OR CONNECTOR (IG1 CIRCUIT)

    A
  3. CHECK HARNESS AND CONNECTOR (GND1 TERMINAL)

    1. C305133C08

      *a

      Front view of wire harness connector (to Skid Control ECU (Brake Actuator Assembly))

      Turn the ignition switch off.

    2. Measure the resistance according to the value(s) in the table below.

      Standard Resistance

      Tester Connection

      Condition

      Specified Condition

      A39-38 (GND1) - Body ground

      Always

      Below 1 Ω

    Result

    Proceed to

    OK

    NG

    NG

    REPAIR OR REPLACE HARNESS OR CONNECTOR (GND1 CIRCUIT)

    OK
  4. RECONFIRM DTC

    1. Reconnect the A39 skid control ECU (brake actuator assembly) connector.

    2. Clear the DTCs.

      Click here

      Chassis > ABS/VSC/TRC > Clear DTCs

    3. Turn the ignition switch off.

    4. Start the engine.

    5. Perform a road test.

    6. Check if the same DTC is output.

      Click here

      Chassis > ABS/VSC/TRC > Trouble Codes

      Result

      Result

      Proceed to

      DTC C1241 is not output.

      A

      DTC C1241 is output.

      B

      Tip:

      If troubleshooting has been carried out according to Problem Symptoms Table, refer back to the table and proceed to the next step before replacing parts.

      Click here

    A

    USE SIMULATION METHOD TO CHECK

    B

    REPLACE BRAKE ACTUATOR ASSEMBLY

  5. CHECK HARNESS AND CONNECTOR (BRAKE ACTUATOR ASSEMBLY - NO. 1 ENGINE ROOM RELAY BLOCK)

    1. Turn the ignition switch off.

    2. Disconnect the 1A No. 1 engine room relay block connector.

    3. Measure the resistance according to the value(s) in the table below.

      Standard Resistance

      Tester Connection

      Condition

      Specified Condition

      A39-25 (+BS) - 1A-1

      Always

      Below 1 Ω

      Tip:
      • Even if the resistance between the skid control ECU (brake actuator assembly) and the No. 1 engine room relay block is normal, there may be an abnormality in the resistance of the wiring between the battery and the No. 1 engine room relay block. Therefore, be sure to inspect the circuit between the battery and the No. 1 engine room relay block before replacing the skid control ECU (brake actuator assembly).

      • If troubleshooting has been carried out according to Problem Symptoms Table, refer back to the table and proceed to the next step before replacing parts.

        Click here

    Result

    Proceed to

    OK

    NG

    OK

    REPLACE BRAKE ACTUATOR ASSEMBLY

    NG

    REPAIR OR REPLACE WIRE HARNESS OR NO. 1 ENGINE ROOM RELAY BLOCK