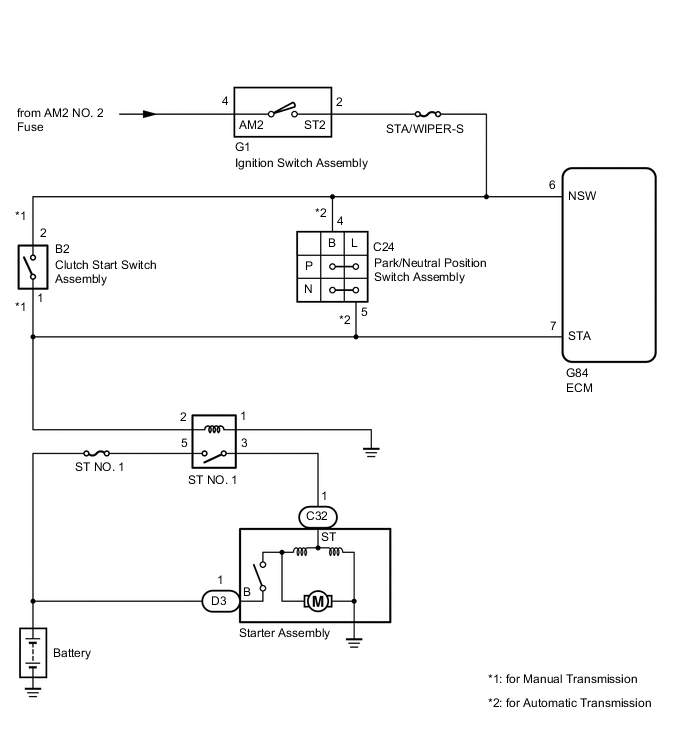
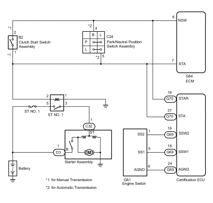
STARTING SYSTEM SYSTEM DIAGRAM


  1. w/o Entry and Start System:

    A01LD1HE03
  2. w/ Entry and Start System:

    A01SJHDE06