SFI SYSTEM, Diagnostic DTC:P0617

DTC Code DTC Name
P0617 Starter Relay Circuit High

DESCRIPTION

While the engine is being cranked, positive (+) battery voltage is applied to terminal STA of the ECM.

If the ECM detects the Starter Control (STA) signal while the vehicle is being driven, it will conclude that there is fault in the starter control circuit. The ECM will turn on the Malfunction Indicator Lamp (MIL) and set a DTC.

This monitor runs when the vehicle is driven at 20 km/h (12 mph) for over 20 seconds.

DTC No. DTC Detection Condition Trouble Area
P0617

Following conditions are met for 20 seconds:


  • Vehicle speed is greater than 20 km/h (12 mph)

  • Engine rpm is greater than 1,000 rpm

  • STA signal ON


  • Short in PNP switch circuit

  • PNP switch

  • Ignition switch

  • ECM

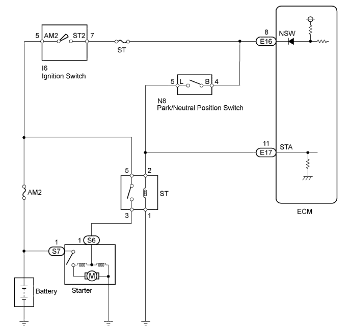
WIRING DIAGRAM

A01DZORE03

INSPECTION PROCEDURE

Tech Tips

Read freeze frame data using the intelligent tester. Freeze frame data records the engine conditions when a malfunction is detected. When troubleshooting, freeze frame data can help determine if the vehicle was running or stopped, if the engine was warmed up or not, if the air-fuel ratio was lean or rich, and other data from the time the malfunction occurred.

PROCEDURE


  1. READ DATA LIST (STARTER SIGNAL)


    1. Connect the intelligent tester to the DLC3.

    2. Turn the ignition switch ON and turn the tester ON.

    3. Enter the following menus: Powertrain / Engine and ECT / Data List / Starter SIG.

    4. Confirm the starter signal status when the ignition switch is operated.

      OK
      Ignition Switch Position Starter Signal
      ON OFF
      START ON

    OK
    NG
  2. INSPECT PARK/NEUTRAL POSITION SWITCH

    A01DVA4E02

    1. Disconnect the N8 switch connector.

    2. Measure the resistance when the shift lever is moved to each position.

      Standard resistance
      Tester Connection Shift Lever Position Specified Condition
      4 - 5 P Below 1 Ω
      4 - 5 N Below 1 Ω

    NG
    OK
  3. READ DATA LIST (STARTER SIGNAL)


    1. Connect the intelligent tester to the DLC3.

    2. Turn the ignition switch ON and turn the tester ON.

    3. Enter the following menus: Powertrain / Engine and ECT / Data List / Starter SIG.

    4. Confirm the starter signal status when the ignition switch is operated.

      OK
      Ignition Switch Position Starter Signal
      ON OFF
      START ON

    OK
    NG
  4. INSPECT IGNITION SWITCH ASSEMBLY

    A01DVVKE01

    1. Disconnect the I6 ignition switch connector.

    2. Measure the resistance of the ignition switch.

      Standard resistance
      Tester Connection Switch Condition Specified Condition
      5 (AM2) - 7 (ST2) OFF 10 kΩ or higher
      5 (AM2) - 7 (ST2) START Below 1 Ω

    NG
    OK
  5. READ DATA LIST (STARTER SIGNAL)


    1. Connect the intelligent tester to the DLC3.

    2. Turn the ignition switch ON and turn the tester ON.

    3. Enter the following menus: Powertrain / Engine and ECT / Data List / Starter SIG.

    4. Confirm the starter signal status when the ignition switch is operated.

      OK
      Ignition Switch Position Starter Signal
      ON OFF
      START ON

    NG
    OK