СИСТЕМА УПРАВЛЕНИЯ ГИБРИДНОЙ СИСТЕМОЙ Низковольтная цепь инвертора

Код DTC Наименование DTC
Низковольтная цепь инвертора

ОПИСАНИЕ

Причиной неисправности может быть цепь низкого напряжения.

Проверьте, нет ли обрыва в цепи питания низкого напряжения инвертора +B или проблем со связью между ЭБУ гибридной системы и инвертором.

Table 1. Проверка связанных деталей

Зона

Проверка

Шаг

Проверка системы питания низкого напряжения инвертора +B

Проверьте, нет ли перегрузки инвертора по току.

1, 2

Нарушение связи между ЭБУ гибридной системы и ЭБУ MG внутри преобразователя-инвертора в сборе

Проверьте, нет ли перегрузки инвертора по току в связи с нарушением связи.

3, 4

Проверьте систему питания низкого напряжения инвертора +B на наличие короткого замыкания с массой

-

5, 6, 7

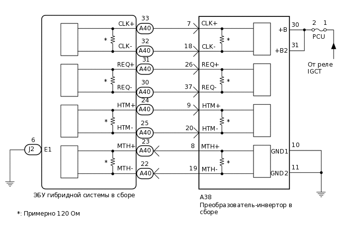
СХЕМА СОЕДИНЕНИЙ

A318985E10

ПРЕДОСТЕРЕЖЕНИЕ / ПРИМЕЧАНИЕ / УКАЗАНИЕ

Эта операция выполняется в процедурах для каждого кода DTC.

Если результаты проверки ниже нормы, выполните следующую процедуру для соответствующего кода DTC.

CAUTION:
  • Перед проверкой системы высокого напряжения или отсоединением разъема низкого напряжения преобразователя-инвертора необходимо принять меры по предотвращению поражения электрическим током, а именно, надеть электроизолирующие перчатки и снять зажим сервисного размыкателя цепи. После снятия зажима сервисного размыкателя цепи положите его в карман, чтобы никто не смог случайно подсоединить его обратно, пока выполняются работы с системой высокого напряжения.

  • После отсоединения зажима сервисного размыкателя цепи подождите, по крайней мере, 10 мин, прежде чем прикасаться к какому-либо из высоковольтных разъемов или контактов. По истечении 10 мин проверьте напряжение на контактах в контрольной точке преобразователя-инвертора в сборе. Перед началом работ напряжение должно составлять 0 В.

    Нажмите здесьClick hereClick here

    Tip:

    Для разрядки высоковольтного конденсатора внутри преобразователя-инвертора требуется не менее 10 мин.

Note:

После выключения питания следует подождать некоторое время, прежде чем отсоединять провод от отрицательного (-) вывода вспомогательной аккумуляторной батареи. Поэтому, прежде чем приступать к этой работе, обязательно ознакомьтесь с примечанием относительно отсоединения провода от отрицательного (-) вывода вспомогательной аккумуляторной батареи.

Нажмите здесьClick hereClick hereClick here

ПОРЯДОК ВЫПОЛНЕНИЯ

  1. ПРОВЕРЬТЕ ПРЕДОХРАНИТЕЛЬ (PCU)

    1. A371611C01

      *1

      Блок реле моторного отсека № 2 в сборе

      *2

      Предохранитель PCU

      Извлеките предохранитель PCU из блока реле моторного отсека № 2.

    2. Измерьте сопротивление в соответствии со значениями, приведенными в таблице ниже.

      Номинальное сопротивление

      Подключение диагностического прибора

      Условие

      Заданные условия

      Контакты предохранителя PCU

      Всегда

      Менее 1 Ом

    3. Установите предохранитель PCU.

    Результат

    Перейти к

    OK

    НЕ СООТВ.

    НЕ СООТВ.

    ПРОВЕРЬТЕ ЖГУТ ПРОВОДОВ И РАЗЪЕМ (ПРЕОБРАЗОВАТЕЛЬ-ИНВЕРТОР В СБОРЕ – ПРЕДОХРАНИТЕЛЬ PCU)Click here

    СООТВ
  2. ПРОВЕРЬТЕ ЖГУТ ПРОВОДОВ И РАЗЪЕМ (ЦЕПЬ ПИТАНИЯ ПРЕОБРАЗОВАТЕЛЯ-ИНВЕРТОРА В СБОРЕ)

    CAUTION:

    Не забывайте надевать электроизолирующие перчатки.

    1. Убедитесь, что зажим сервисного размыкателя цепи не установлен.

      Note:

      При снятом зажиме сервисного размыкателя цепи не включайте питание (READY), если нет соответствующего указания в руководстве по ремонту, так как это может стать причиной неисправности.

    2. Отсоедините разъем A38 преобразователя-инвертора в сборе.

      Нажмите здесьClick hereClick hereClick here

    3. A373271C04

      *a

      Вид спереди разъема со стороны жгута проводов:

      (к преобразователю-инвертору в сборе)

      Измерьте сопротивление в соответствии со значениями, приведенными в таблице ниже.

      Номинальное сопротивление

      Подключение диагностического прибора

      Условие

      Заданные условия

      A38-10 (GND1) - масса

      Питание выключено

      Менее 1 Ом

      A38-11 (GND2) - масса

      Питание выключено

      Менее 1 Ом

    4. Подсоедините провод к отрицательному (-) выводу вспомогательной аккумуляторной батареи.

    5. Включите питание (IG).

    6. Измерьте напряжение в соответствии со значениями, приведенными в таблице.

      Номинальное напряжение

      Подключение диагностического прибора

      Условие

      Заданные условия

      A38-30 (+B) - масса

      Питание включено (IG)

      Совпадает с напряжением вспомогательной аккумуляторной батареи

      A38-31 (+B2) - масса

      Питание включено (IG)

      Совпадает с напряжением вспомогательной аккумуляторной батареи

      Note:

      Установка выключателя питания в состояние ON (ВКЛ) (IG) при отсоединенном разъеме преобразователя-инвертора в сборе приводит к сохранению других кодов DTC. После выполнения проверки удалите коды DTC.

    7. Выключите питание.

    8. Отсоедините провод от отрицательного (-) вывода вспомогательной аккумуляторной батареи.

    9. Подсоедините разъем A38 преобразователя-инвертора в сборе.

    Результат

    Перейти к

    OK

    НЕ СООТВ.

    НЕ СООТВ.

    ОТРЕМОНТИРУЙТЕ ИЛИ ЗАМЕНИТЕ ЦЕПЬ ПИТАНИЯ

    СООТВ
  3. ПРОВЕРЬТЕ ЖГУТ ПРОВОДОВ И РАЗЪЕМ (ЭБУ ГИБРИДНОЙ СИСТЕМЫ – ПРЕОБРАЗОВАТЕЛЬ-ИНВЕРТОР В СБОРЕ)

    CAUTION:

    Не забывайте надевать электроизолирующие перчатки.

    1. Убедитесь, что зажим сервисного размыкателя цепи не установлен.

      Note:

      При снятом зажиме сервисного размыкателя цепи не включайте питание (READY), если нет соответствующего указания в руководстве по ремонту, так как это может стать причиной неисправности.

    2. Отсоедините разъем A38 преобразователя-инвертора в сборе.

    3. Отсоедините разъем A40 ЭБУ гибридной системы.

    4. A204499C10

      *a

      Вид сзади разъема со стороны жгута проводов

      (к ЭБУ гибридной системы в сборе)

      *b

      Вид спереди разъема со стороны жгута проводов:

      (к преобразователю-инвертору в сборе)

      Измерьте сопротивление в соответствии со значениями, приведенными в таблице ниже.

      Номинальное сопротивление (при проверке на обрыв)

      Подключение диагностического прибора

      Условие

      Заданные условия

      A38-9 (HTM+) - A40-24 (HTM+)

      Питание выключено

      Менее 1 Ом

      A38-20 (HTM-) - A40-25 (HTM-)

      Питание выключено

      Менее 1 Ом

      A38-8 (MTH+) - A40-23 (MTH+)

      Питание выключено

      Менее 1 Ом

      A38-19 (MTH-) - A40-22 (MTH-)

      Питание выключено

      Менее 1 Ом

      A38-26 (REQ+) - A40-31(REQ+)

      Питание выключено

      Менее 1 Ом

      A38-37 (REQ-) - A40-30 (REQ-)

      Питание выключено

      Менее 1 Ом

      A38-7 (CLK+) - A40-33 (CLK+)

      Питание выключено

      Менее 1 Ом

      A38-18 (CLK-) - A40-32 (CLK-)

      Питание выключено

      Менее 1 Ом

      Номинальное сопротивление (при проверке на короткое замыкание)

      Подключение диагностического прибора

      Условие

      Заданные условия

      A38-9 (HTM+) или A40-24 (HTM+) - масса и другие контакты

      Питание выключено

      10 кОм или более

      A38-20 (HTM-) или A40-25 (HTM-) - масса и другие контакты

      Питание выключено

      10 кОм или более

      A38-8 (MTH+) или A40-23 (MTH+) - масса и другие контакты

      Питание выключено

      10 кОм или более

      A38-19 (MTH-) или A40-22 (MTH-) - масса и другие контакты

      Питание выключено

      10 кОм или более

      A38-26 (REQ+) или A40-31(REQ+) - масса и другие контакты

      Питание выключено

      10 кОм или более

      A38-37 (REQ-) или A40-30 (REQ-) - масса и другие контакты

      Питание выключено

      10 кОм или более

      A38-7 (CLK+) или A40-33 (CLK+) - масса и другие контакты

      Питание выключено

      10 кОм или более

      A38-18 (CLK-) или A40-32 (CLK-) - масса и другие контакты

      Питание выключено

      10 кОм или более

    5. Подсоедините провод к отрицательному (-) выводу вспомогательной аккумуляторной батареи.

    6. Включите питание (IG).

    7. Измерьте напряжение в соответствии со значениями, приведенными в таблице.

      Номинальное напряжение

      Подключение диагностического прибора

      Условие

      Заданные условия

      A38-9 (HTM+) или A40-24 (HTM+) - масса

      Питание включено (IG)

      Менее 1 В

      A38-20 (HTM-) или A40-25 (HTM-) - масса

      Питание включено (IG)

      Менее 1 В

      A38-8 (MTH+) или A40-23 (MTH+) - масса

      Питание включено (IG)

      Менее 1 В

      A38-19 (MTH-) или A40-22 (MTH-) - масса

      Питание включено (IG)

      Менее 1 В

      A38-26 (REQ+) или A40-31(REQ+) - масса

      Питание включено (IG)

      Менее 1 В

      A38-37 (REQ-) или A40-30 (REQ-) - масса

      Питание включено (IG)

      Менее 1 В

      A38-7 (CLK+) или A40-33 (CLK+) - масса

      Питание включено (IG)

      Менее 1 В

      A38-18 (CLK-) или A40-32 (CLK-) - масса

      Питание включено (IG)

      Менее 1 В

      Note:

      Установка выключателя питания в состояние ON (ВКЛ) (IG) при отсоединенных разъемах ЭБУ гибридной системы и преобразователя-инвертора в сборе приводит к сохранению других DTC. После выполнения проверки удалите коды DTC.

    8. Выключите питание.

    9. Отсоедините провод от отрицательного (-) вывода вспомогательной аккумуляторной батареи.

    10. Подсоедините разъем A40 ЭБУ гибридной системы.

    11. Подсоедините разъем A38 преобразователя-инвертора в сборе.

    Результат

    Перейти к

    OK

    НЕ СООТВ.

    НЕ СООТВ.

    ОТРЕМОНТИРУЙТЕ ИЛИ ЗАМЕНИТЕ ЖГУТ ПРОВОДОВ ИЛИ РАЗЪЕМ

    СООТВ
  4. ПРОВЕРЬТЕ ЭБУ ГИБРИДНОЙ СИСТЕМЫ В СБОРЕ

    1. Отсоедините разъем A40 ЭБУ гибридной системы.

    2. C304450C12

      *a

      Устройство с неподсоединенным жгутом проводов

      (ЭБУ гибридной системы в сборе)

      Измерьте сопротивление в соответствии со значениями, приведенными в таблице ниже.

      Номинальное сопротивление

      Подключение диагностического прибора

      Условие

      Заданные условия

      A40-24 (HTM+) - A40-25 (HTM-)

      Питание выключено

      80 - 170 Ом

      A40-23 (MTH+) -A40-22 (MTH-)

      Питание выключено

      80 - 170 Ом

      A40-31 (REQ+) - A40-30 (REQ-)

      Питание выключено

      80 - 170 Ом

      A40-33 (CLK+) - A40-32 (CLK-)

      Питание выключено

      80 - 170 Ом

    3. Подсоедините разъем A40 ЭБУ гибридной системы.

    Результат

    Перейти к

    OK

    НЕ СООТВ.

    OK

    ЦЕПЬ НИЗКОГО НАПРЯЖЕНИЯ ИНВЕРТОРА ИСПРАВНА (ВЫПОЛНИТЕ СЛЕДУЮЩИЙ ШАГ ДЛЯ СООТВЕТСТВУЮЩЕГО КОДА DTC)

    NG

    ЗАМЕНИТЕ ЭБУ ГИБРИДНОЙ СИСТЕМЫ В СБОРЕ

    Нажмите здесьClick hereClick hereClick here

  5. ПРОВЕРЬТЕ ЖГУТ ПРОВОДОВ И РАЗЪЕМ (ПРЕОБРАЗОВАТЕЛЬ-ИНВЕРТОР В СБОРЕ – ПРЕДОХРАНИТЕЛЬ PCU)

    CAUTION:

    Не забывайте надевать электроизолирующие перчатки.

    1. Убедитесь, что зажим сервисного размыкателя цепи не установлен.

      Note:

      При снятом зажиме сервисного размыкателя цепи не включайте питание (READY), если нет соответствующего указания в руководстве по ремонту, так как это может стать причиной неисправности.

    2. Отсоедините разъем A38 преобразователя-инвертора в сборе.

      Нажмите здесьClick hereClick hereClick here

    3. A373271C03

      *a

      Вид спереди разъема со стороны жгута проводов:

      (к преобразователю-инвертору в сборе)

      Измерьте сопротивление в соответствии со значениями, приведенными в таблице ниже.

      Номинальное сопротивление

      Подключение диагностического прибора

      Условие

      Заданные условия

      A38-30 (+B) - масса

      Питание выключено

      10 кОм или более

      A38-31 (+B2) - масса

      Питание выключено

      10 кОм или более

    4. Подсоедините разъем A38 преобразователя-инвертора в сборе.

    Результат

    Перейти к

    OK

    НЕ СООТВ.

    НЕ СООТВ.

    ОТРЕМОНТИРУЙТЕ ИЛИ ЗАМЕНИТЕ ЖГУТ ПРОВОДОВ ИЛИ РАЗЪЕМClick here

    OK
  6. ЗАМЕНИТЕ ПРЕОБРАЗОВАТЕЛЬ-ИНВЕРТОР В СБОРЕ

    Нажмите здесьClick hereClick hereClick here

    Результат

    Перейти к

    СЛЕДУЮЩЕЕ -

    СЛЕДУЮЩЕЕ -

    ЗАМЕНИТЕ ПРЕДОХРАНИТЕЛЬ (PCU)

  7. ОТРЕМОНТИРУЙТЕ ИЛИ ЗАМЕНИТЕ ЖГУТ ПРОВОДОВ ИЛИ РАЗЪЕМ

    Результат

    Перейти к

    СЛЕДУЮЩЕЕ -

    СЛЕДУЮЩЕЕ -

    ЗАМЕНИТЕ ПРЕДОХРАНИТЕЛЬ (PCU)