SEAT HEATER SYSTEM SYSTEM DIAGRAM

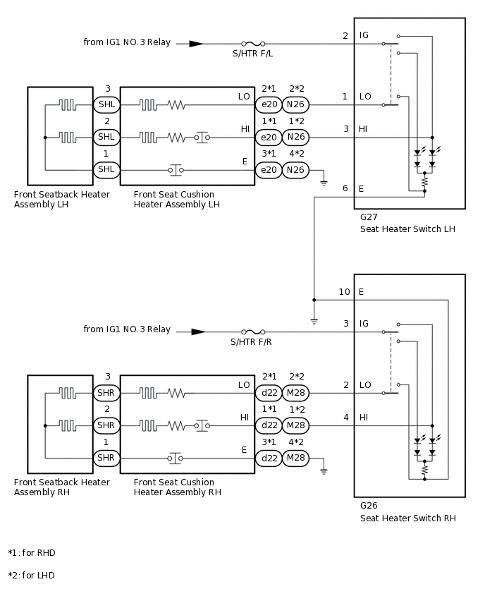
  1. Front Seat

    E331238E03
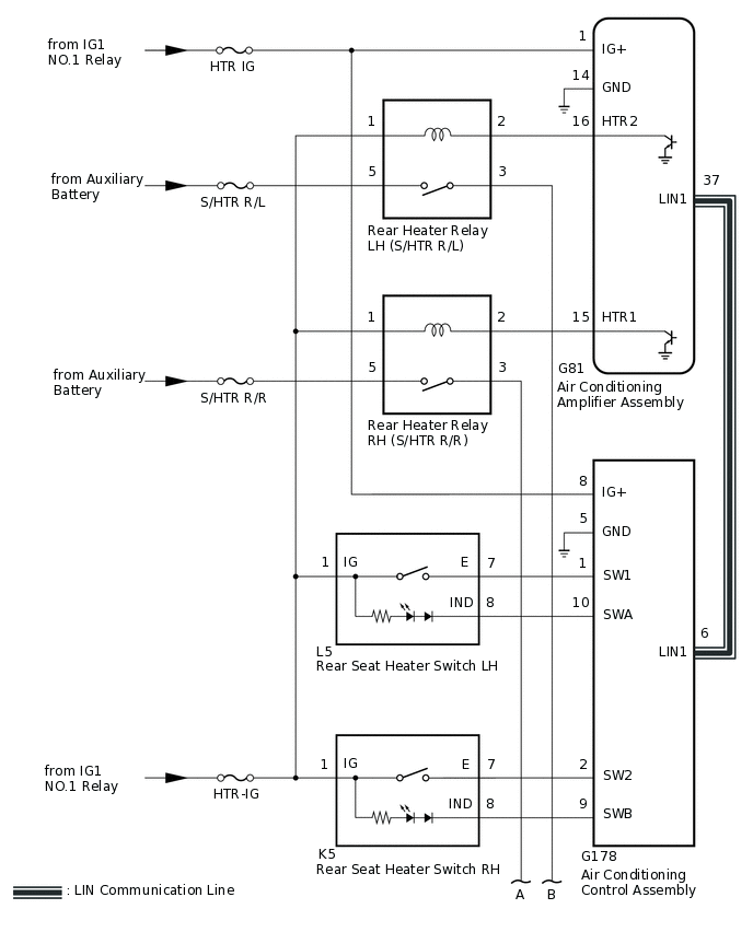
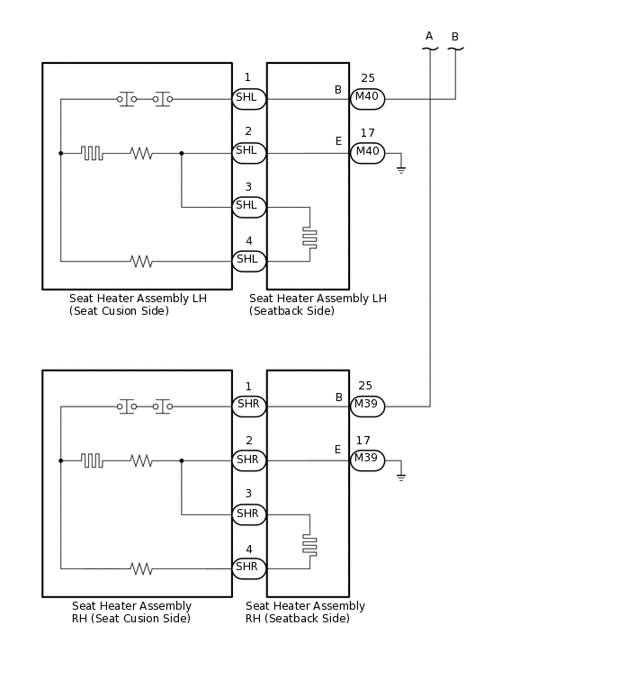
  2. Rear Seat (for LHD and w/ Rear Seat Heater)

    E337401E03
E342036E01