СИСТЕМА ПОДУШЕК БЕЗОПАСНОСТИ SRS, диагностические DTC: B1810/53, B1811/53, B1812/53 и B1813/53

Код DTC Наименование DTC
B1810/53 Короткое замыкание в цепи пиропатрона 2-ой ступени со стороны водителя
B1811/53 Обрыв в цепи пиропатрона 2-ой ступени со стороны водителя
B1812/53 Короткое замыкание на GND в цепи пиропатрона 2-ой ступени со стороны водителя
B1813/53 Короткое замыкание на B+ в цепи пиропатрона 2-ой ступени со стороны водителя

ОПИСАНИЕ

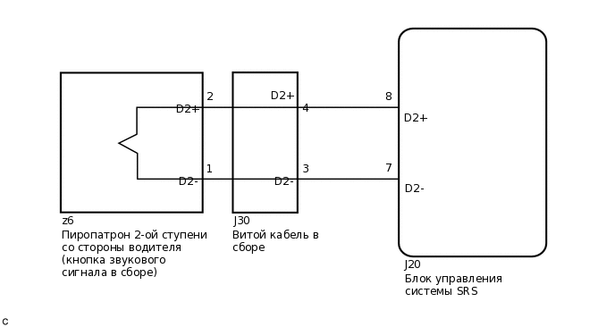
Цепь пиропатрона 2-й ступени со стороны водителя включает в себя датчик системы SRS в сборе, витой кабель в сборе и кнопку звукового сигнала в сборе.

Центральный блок управления системы SRS использует эту цепь для развертывания подушки безопасности, когда выполняются условия развертывания.

Данные коды DTC регистрируются при обнаружении неисправности в цепи пиропатрона 2-ой ступени со стороны водителя.

№ DTC

Неисправность

Условие обнаружения DTC

Неисправный участок

Режим диагностики / режим проверки

B1810/53

Короткое замыкание в цепи пиропатрона 2-ой ступени со стороны водителя

  • Центральный блок управления системы SRS обнаруживает сигнал короткого замыкания в цепи пиропатрона 2-ой ступени со стороны водителя в ходе выполнения первичной проверки.

  • Неисправность витого кабеля в сборе

  • Неисправность пиропатрона 2-ой ступени со стороны водителя

  • Неисправность блока управления системы SRS

  • Жгут проводов панели приборов

  • Витой кабель в сборе

  • Пиропатрон 2-ой ступени со стороны водителя (кнопка звукового сигнала в сборе)

  • Центральный блок управления системы SRS

Относится к режиму проверки

B1811/53

Обрыв в цепи пиропатрона 2-ой ступени со стороны водителя

  • Центральный блок управления системы SRS обнаруживает сигнал обрыва в цепи пиропатрона 2-ой ступени со стороны водителя.

  • Неисправность витого кабеля в сборе

  • Неисправность пиропатрона 2-ой ступени со стороны водителя

  • Неисправность блока управления системы SRS

  • Жгут проводов панели приборов

  • Витой кабель в сборе

  • Пиропатрон 2-ой ступени со стороны водителя (кнопка звукового сигнала в сборе)

  • Центральный блок управления системы SRS

Относится к режиму проверки

B1812/53

Короткое замыкание на GND в цепи пиропатрона 2-ой ступени со стороны водителя

  • Центральный блок управления системы SRS обнаруживает сигнал короткого замыкания на массу в цепи пиропатрона 2-ой ступени со стороны водителя.

  • Неисправность витого кабеля в сборе

  • Неисправность пиропатрона 2-ой ступени со стороны водителя

  • Неисправность блока управления системы SRS

  • Жгут проводов панели приборов

  • Витой кабель в сборе

  • Пиропатрон 2-ой ступени со стороны водителя (кнопка звукового сигнала в сборе)

  • Центральный блок управления системы SRS

Относится к режиму проверки

B1813/53

Короткое замыкание на B+ в цепи пиропатрона 2-ой ступени со стороны водителя

  • Центральный блок управления системы SRS обнаруживает сигнал короткого замыкания на В+ в цепи пиропатрона 2-ой ступени со стороны водителя.

  • Неисправность витого кабеля в сборе

  • Неисправность пиропатрона 2-ой ступени со стороны водителя

  • Неисправность блока управления системы SRS

  • Жгут проводов панели приборов

  • Витой кабель в сборе

  • Пиропатрон 2-ой ступени со стороны водителя (кнопка звукового сигнала в сборе)

  • Центральный блок управления системы SRS

Относится к режиму проверки

СХЕМА ЭЛЕКТРИЧЕСКИХ СОЕДИНЕНИЙ

C345339E07

ПРЕДОСТЕРЕЖЕНИЕ / ПРИМЕЧАНИЕ / УКАЗАНИЕ

Note:

После выключения зажигания следует подождать некоторое время, прежде чем отсоединять провод от отрицательного (-) вывода вспомогательной аккумуляторной батареи. Поэтому, прежде чем приступать к этой работе, обязательно ознакомьтесь с примечанием относительно отсоединения провода от отрицательного (-) вывода вспомогательной аккумуляторной батареи.

Нажмите здесьClick here

Tip:
  • Выполните проверку с имитацией условий возникновения неисправности, выбрав на GTS режим проверки (Signal Check).

    Нажмите здесьClick here

  • Выбрав режим проверки (Signal Check), выполните проверку с имитацией условий возникновения неисправности, пошевелив каждый разъем системы подушек безопасности или совершив поездку по городским дорогам или дорогам без покрытия

    Нажмите здесьClick here

ПОРЯДОК ВЫПОЛНЕНИЯ

  1. ПРОВЕРЬТЕ РАЗЪЕМЫ

    1. C238331C01

      *1

      Кнопка звукового сигнала в сборе

      *2

      Витой кабель в сборе

      *3

      Блок управления системы SRS

      *4

      Жгут проводов панели приборов

      Выключите питание.

    2. Отсоедините провод от отрицательного (-) вывода вспомогательной аккумуляторной батареи.

      CAUTION:

      После отсоединения провода от отрицательного (-) вывода вспомогательной аккумуляторной батареи подождать не менее 90 с, чтобы предотвратить срабатывание системы SRS.

    3. Проверьте правильность подключения разъемов к кнопке звукового сигнала в сборе, витому кабелю в сборе и блоку управления системы SRS в сборе.

      OK

      Разъемы подсоединены должным образом.

      Tip:

      Если разъемы подсоединены ненадежно, подсоедините их и перейдите к следующей проверке.

    4. Отсоедините разъемы от кнопки звукового сигнала в сборе, витого кабеля в сборе и блока управления системы SRS в сборе.

    5. Убедитесь, что контакты разъемов не деформированы и не повреждены.

      OK

      Контакты не деформированы и не повреждены.

    6. Убедитесь, что разъем витого кабеля (со стороны кнопки звукового сигнала в сборе) не ослаблен, не деформирован и не поврежден.

      OK

      Кнопка блокировки разъема не освобождена либо защелка замка не деформирована и не повреждена.

    7. Убедитесь, что короткие пружины механизмов предотвращения срабатывания в разъеме жгута проводов панели приборов и в разъеме витого кабеля не деформированы и не повреждены.

      OK

      Короткие пружины не деформированы и не повреждены.

    Result

    Перейти к

    OK

    НЕ СООТВ.

    НЕ СООТВ.

    ЗАМЕНИТЕ ЖГУТ ПРОВОДОВ

    СООТВ
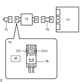
  2. ПРОВЕРЬТЕ КНОПКУ ЗВУКОВОГО СИГНАЛА В СБОРЕ

    1. C238343C06

      *1

      Кнопка звукового сигнала в сборе

      *2

      Витой кабель в сборе

      *3

      Блок управления системы SRS

      *a

      Вид спереди разъема со стороны жгута проводов:

      (к кнопке звукового сигнала в сборе)

      *b

      Цвет: Черный

      Подсоедините жгут проводов панели приборов к блоку управления системы SRS в сборе и витому кабелю в сборе.

    2. Подсоедините SST (сопротивление 2,1 Ом) к разъему Е (черный разъем).

      CAUTION:

      Никогда не подключайте для измерения диагностический прибор к кнопке звукового сигнала, так как это может привести к серьезной травме вследствие срабатывания подушки безопасности.

      Note:
      • При подсоединении не следует вставлять SST в контакты разъема с усилием.

      • Вставляйте SST в контакты разъема по прямой.

    3. Подсоедините провод к отрицательному (-) выводу вспомогательной аккумуляторной батареи.

    4. Удалите коды DTC, сохраненные в памяти.

      Нажмите здесьClick here

      Body Electrical > SRS Airbag > Clear DTCs

    5. Выключите питание.

    6. Включите питание (IG) и подождите не менее 60 с.

    7. Проверьте наличие кодов DTC.

      Нажмите здесьClick here

      Body Electrical > SRS Airbag > Trouble Codes

      OK

      Код DTC B1810/53, B1811/53, B1812/53 или B1813/53 не выводится.

      Tip:

      На этом этапе могут выводиться коды, отличные от кодов DTC B1810/53, B1811/53, B1812/53 и B1813/53, однако они не связаны с данной проверкой.

    8. Выключите зажигание.

    9. Отсоедините провод от отрицательного (-) вывода вспомогательной аккумуляторной батареи.

      CAUTION:

      После отсоединения провода от отрицательного (-) вывода вспомогательной аккумуляторной батареи подождите не менее 90 с, чтобы предотвратить срабатывание системы SRS.

    10. Отсоедините SST от разъема Е.

    09843-18061

    Результат

    Перейти к

    OK

    НЕ СООТВ.

    OK

    ЗАМЕНИТЕ КНОПКУ ЗВУКОВОГО СИГНАЛА В СБОРЕ

    Нажмите здесьClick here

    NG
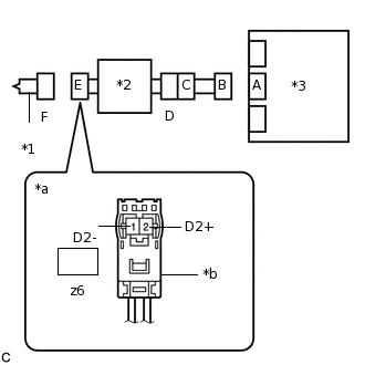
  3. ПРОВЕРЬТЕ ЦЕПЬ ПИРОПАТРОНА 2-ОЙ СТУПЕНИ СО СТОРОНЫ ВОДИТЕЛЯ

    1. C238344C06

      *1

      Кнопка звукового сигнала в сборе

      *2

      Витой кабель в сборе

      *3

      Блок управления системы SRS

      *a

      Вид спереди разъема со стороны жгута проводов:

      (к кнопке звукового сигнала в сборе)

      *b

      Цвет: Черный

      Отсоедините жгут проводов панели приборов от центрального блока управления системы SRS.

    2. Проверьте, нет ли в цепи короткого замыкания на B+.

      1. Подсоедините провод к отрицательному (-) выводу вспомогательной аккумуляторной батареи.

      2. Включите питание (IG).

      3. Измерьте напряжение в соответствии со значениями, приведенными в таблице.

        Номинальное напряжение

        Подключение диагностического прибора

        Условие

        Заданные условия

        z6-2 (D2+) - масса

        Питание включено (IG)

        Менее 1 В

        z6-1 (D2-) - масса

        Питание включено (IG)

        Менее 1 В

      4. Выключите питание.

      5. Отсоедините провод от отрицательного (-) вывода вспомогательной аккумуляторной батареи.

        CAUTION:

        После отсоединения провода от отрицательного (-) вывода вспомогательной аккумуляторной батареи подождите не менее 90 с, чтобы предотвратить срабатывание системы SRS.

    3. Проверьте, нет ли в цепи обрыва.

      1. Измерьте сопротивление в соответствии со значениями, приведенными в таблице ниже.

        Номинальное сопротивление

        Подключение диагностического прибора

        Условие

        Номинальное значение

        z6-2 (D2+) - z6-1 (D2-)

        Всегда

        Менее 1 Ом

    4. Проверьте, нет ли в цепи короткого замыкания на массу.

      1. Измерьте сопротивление в соответствии со значениями, приведенными в таблице.

        Номинальное сопротивление

        Подключение диагностического прибора

        Условие

        Заданные условия

        z6-2 (D2+) - масса

        Всегда

        1 МОм или более

        z6-1 (D2-) - масса

        Всегда

        1 МОм или более

    5. Проверьте, нет ли в цепи короткого замыкания.

      1. Разомкните механизм предотвращения срабатывания, встроенный в разъем B.

        Нажмите здесьClick here

      2. Измерьте сопротивление в соответствии со значениями, приведенными в таблице ниже.

        Номинальное сопротивление

        Подключение диагностического прибора

        Условие

        Номинальное значение

        z6-2 (D2+) - z6-1 (D2-)

        Всегда

        1 МОм или более

      3. Верните механизм предотвращения срабатывания разъема B в исходное состояние.

    Result

    Перейти к

    OK

    НЕ СООТВ.

    НЕ СООТВ.

    ПРОВЕРЬТЕ ЖГУТ ПРОВОДОВ ПАНЕЛИ ПРИБОРОВClick here

    СООТВ
  4. ПРОВЕРЬТЕ DTC

    1. C238334C01

      *1

      Кнопка звукового сигнала в сборе

      *2

      Витой кабель в сборе

      *3

      Центральный блок управления системы SRS

      Подсоедините разъемы к кнопке звукового сигнала в сборе и центральному блоку управления системы SRS в сборе.

    2. Подсоедините провод к отрицательному (-) выводу вспомогательной аккумуляторной батареи.

    3. Удалите коды DTC, сохраненные в памяти.

      Нажмите здесьClick here

      Body Electrical > SRS Airbag > Clear DTCs

    4. Выключите питание.

    5. Включите питание (IG) и подождите не менее 60 с.

    6. Проверьте наличие кодов DTC.

      Нажмите здесьClick here

      Body Electrical > SRS Airbag > Trouble Codes

      OK

      Код DTC B1810/53, B1811/53, B1812/53 или B1813/53 не выводится.

      Tip:

      На этом этапе могут выводиться коды, отличные от кодов DTC B1810/53, B1811/53, B1812/53 и B1813/53, однако они не связаны с данной проверкой.

    Result

    Перейти к

    OK

    НЕ СООТВ.

    OK

    ВЫПОЛНИТЕ ПРОВЕРКУ С ИМИТАЦИЕЙ УСЛОВИЙ ВОЗНИКНОВЕНИЯ НЕИСПРАВНОСТИ

    Нажмите здесьClick here

    NG

    ЗАМЕНИТЕ ЦЕНТРАЛЬНЫЙ БЛОК УПРАВЛЕНИЯ СИСТЕМЫ SRS

    Нажмите здесьClick here

  5. ПРОВЕРЬТЕ ЖГУТ ПРОВОДОВ ПАНЕЛИ ПРИБОРОВ

    1. C238335C22

      *1

      Кнопка звукового сигнала в сборе

      *2

      Витой кабель в сборе

      *3

      Блок управления системы SRS

      *4

      Жгут проводов панели приборов

      *a

      Вид спереди разъема со стороны жгута проводов:

      (к витому кабелю в сборе)

      Отсоедините жгут проводов панели приборов от витого кабеля.

    2. Проверьте, нет ли в цепи короткого замыкания на B+.

      1. Подсоедините провод к отрицательному (-) выводу вспомогательной аккумуляторной батареи.

      2. Включите питание (IG).

      3. Измерьте напряжение в соответствии со значениями, приведенными в таблице.

        Номинальное напряжение

        Подключение диагностического прибора

        Условие

        Заданные условия

        J30-4 (D2+) - масса

        Питание включено (IG)

        Менее 1 В

        J30-3 (D2-) - масса

        Питание включено (IG)

        Менее 1 В

      4. Выключите питание.

      5. Отсоедините провод от отрицательного (-) вывода вспомогательной аккумуляторной батареи.

        CAUTION:

        После отсоединения провода от отрицательного (-) вывода вспомогательной аккумуляторной батареи подождите не менее 90 с, чтобы предотвратить срабатывание системы SRS.

    3. Проверьте, нет ли в цепи обрыва.

      1. Измерьте сопротивление в соответствии со значениями, приведенными в таблице ниже.

        Номинальное сопротивление

        Подключение диагностического прибора

        Условие

        Заданные условия

        J30-4 (D2+) - J30-3 (D2-)

        Всегда

        Менее 1 Ом

    4. Проверьте, нет ли в цепи короткого замыкания на массу.

      1. Измерьте сопротивление в соответствии со значениями, приведенными в таблице.

        Номинальное сопротивление

        Подключение диагностического прибора

        Условие

        Заданные условия

        J30-4 (D2+) - масса

        Всегда

        1 МОм или более

        J30-3 (D2-) - масса

        Всегда

        1 МОм или более

    5. Проверьте, нет ли в цепи короткого замыкания.

      1. Разомкните механизм предотвращения срабатывания, встроенный в разъем B.

        Нажмите здесьClick here

      2. Измерьте сопротивление в соответствии со значениями, приведенными в таблице ниже.

        Номинальное сопротивление

        Подключение диагностического прибора

        Условие

        Заданные условия

        J30-4 (D2+) - J30-3 (D2-)

        Всегда

        1 МОм или более

      3. Верните механизм предотвращения срабатывания разъема B в исходное состояние.

    Result

    Перейти к

    OK

    НЕ СООТВ.

    НЕ СООТВ.

    ЗАМЕНИТЕ ЖГУТ ПРОВОДОВ ПАНЕЛИ ПРИБОРОВ

    СООТВ
  6. ПРОВЕРЬТЕ ВИТОЙ КАБЕЛЬ В СБОРЕ

    1. C239228C06

      *1

      Кнопка звукового сигнала в сборе

      *2

      Витой кабель в сборе

      *3

      Блок управления системы SRS

      *4

      Жгут проводов панели приборов

      *a

      Вид спереди разъема со стороны жгута проводов:

      (к кнопке звукового сигнала в сборе)

      *b

      Цвет: Черный

      Проверьте, нет ли в цепи короткого замыкания на B+.

      1. Подсоедините провод к отрицательному (-) выводу вспомогательной аккумуляторной батареи.

      2. Включите питание (IG).

      3. Измерьте напряжение в соответствии со значениями, приведенными в таблице.

        Номинальное напряжение

        Подключение диагностического прибора

        Условие

        Заданные условия

        z6-2 (D2+) - масса

        Питание включено (IG)

        Менее 1 В

        z6-1 (D2-) - масса

        Питание включено (IG)

        Менее 1 В

      4. Выключите питание.

      5. Отсоедините провод от отрицательного (-) вывода вспомогательной аккумуляторной батареи.

        CAUTION:

        После отсоединения провода от отрицательного (-) вывода вспомогательной аккумуляторной батареи подождите не менее 90 с, чтобы предотвратить срабатывание системы SRS.

    2. Проверьте, нет ли в цепи обрыва.

      1. Измерьте сопротивление в соответствии со значениями, приведенными в таблице ниже.

        Номинальное сопротивление

        Подключение диагностического прибора

        Условие

        Номинальное значение

        z6-2 (D2+) - z6-1 (D2-)

        Всегда

        Менее 1 Ом

    3. Проверьте, нет ли в цепи короткого замыкания на массу.

      1. Измерьте сопротивление в соответствии со значениями, приведенными в таблице.

        Номинальное сопротивление

        Подключение диагностического прибора

        Условие

        Заданные условия

        z6-2 (D2+) - масса

        Всегда

        1 МОм или более

        z6-1 (D2-) - масса

        Всегда

        1 МОм или более

    4. Проверьте, нет ли в цепи короткого замыкания.

      1. Разомкните механизм предотвращения срабатывания, встроенный в разъем D.

        Нажмите здесьClick here

      2. Измерьте сопротивление в соответствии со значениями, приведенными в таблице ниже.

        Номинальное сопротивление

        Подключение диагностического прибора

        Условие

        Номинальное значение

        z6-2 (D2+) - z6-1 (D2-)

        Всегда

        1 МОм или более

      3. Верните механизм предотвращения срабатывания разъема D в исходное состояние.

    Result

    Перейти к

    OK

    НЕ СООТВ.

    OK

    ВЫПОЛНИТЕ ПРОВЕРКУ С ИМИТАЦИЕЙ УСЛОВИЙ ВОЗНИКНОВЕНИЯ НЕИСПРАВНОСТИ

    Нажмите здесьClick here

    NG

    ЗАМЕНИТЕ ВИТОЙ КАБЕЛЬ В СБОРЕ

    Нажмите здесьClick here