СИСТЕМА СТЕКЛООЧИСТИТЕЛЕЙ И СТЕКЛООМЫВАТЕЛЕЙ Цепь переключателя стеклоочистителя и стеклоомывателя

Код DTC Наименование DTC
Цепь переключателя стеклоочистителя и стеклоомывателя

ОПИСАНИЕ

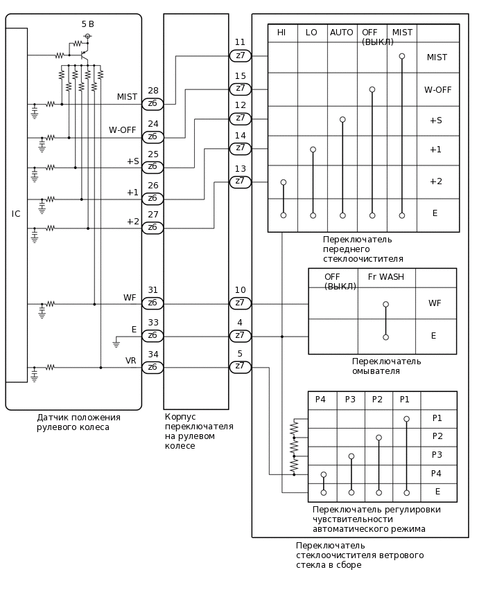
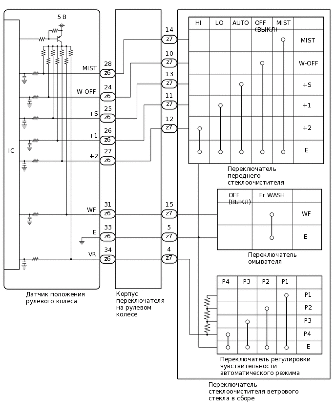
Состояние переключателя стеклоочистителя ветрового стекла в сборе определено и передано в датчика угла поворота рулевого колеса в этой цепи.

СХЕМА ЭЛЕКТРИЧЕСКИХ СОЕДИНЕНИЙ

  1. Для моделей с левосторонним рулевым управлением.

    E368447E05
  2. для моделей с правосторонним рулевым управлением

    E368447E06

ПОРЯДОК ВЫПОЛНЕНИЯ

  1. СНИМИТЕ ПОКАЗАНИЯ GTS

    1. Подключите GTS к DLC3.

    2. Установите замок зажигания в положение ON (ВКЛ).

    3. Включите диагностический прибор TechDoc3.

    4. Войдите в следующие меню: Chassis / Steering Angle Sensor / Data List.

    5. Снимите показания с дисплея GTS в режиме DATA LIST.

      Chassis > Steering Angle Sensor > Data List

      Информация на дисплее прибора

      Измеряемая величина

      Диапазон

      Нормальное состояние

      Замечание по диагностике

      Wiper OFF Switch

      Сигнал положения OFF переключателя переднего стеклоочистителя

      OFF (ВЫКЛ) или ON (ВКЛ)

      OFF: Переключатель переднего стеклоочистителя не находится в положении OFF

      ON: Переключатель переднего стеклоочистителя в положении OFF

      -

      Wiper Auto/Int Switch

      Сигнал положения AUTO переключателя переднего стеклоочистителя

      OFF (ВЫКЛ) или ON (ВКЛ)

      OFF (ВЫКЛ): Переключатель переднего стеклоочистителя не находится в положении AUTO

      ON: Переключатель переднего стеклоочистителя в положении AUTO

      -

      Wiper Lo Switch

      Сигнал положения LO переключателя переднего стеклоочистителя

      OFF (ВЫКЛ) или ON (ВКЛ)

      OFF: Переключатель переднего стеклоочистителя не находится в положении LO

      ON: Переключатель переднего стеклоочистителя в положении LO

      -

      Wiper Hi Switch

      Сигнал положения HI переключателя переднего стеклоочистителя

      OFF или ON

      OFF: Переключатель переднего стеклоочистителя не находится в положении HI

      ON (ВКЛ): Переключатель переднего стеклоочистителя в положении HI

      -

      Wiper Mist Switch

      Сигнал положения MIST переключателя переднего стеклоочистителя

      OFF (ВЫКЛ) или ON (ВКЛ)

      OFF: Переключатель переднего стеклоочистителя не находится в положении MIST

      ON: Переключатель переднего стеклоочистителя в положении MIST

      -

      Переключатель стеклоомывателя

      Сигнал включенного положения выключателя стеклоомывателя

      OFF (ВЫКЛ) или ON (ВКЛ)

      OFF: Переключатель переднего стеклоомывателя не во включенном положении

      ON: Переключатель переднего стеклоомывателя во включенном положении

      -

      Intermittent Time Volume

      Состояние переключателя регулировки чувствительности автоматического режима

      Shortest, Shorter, Longer или Longest

      Shortest: P4

      Shorter: P3

      Longer: P2

      Longest: P1

      *

      • *: Для получения информации о каждом из положений переключателя см. в разделе "Проверка".

        Нажмите здесьClick here

      Chassis > Steering Angle Sensor > Data List

      Информация на дисплее прибора

      Wiper OFF Switch

      Wiper Auto/Int Switch

      Wiper Lo Switch

      Wiper Hi Switch

      Wiper Mist Switch

      Переключатель стеклоомывателя

      Intermittent Time Volume

      СООТВ

      Показания на экране GTS правильно изменяются в соответствии с состоянием выключателя стеклоочистителя ветрового стекла.

    Результат

    Перейти к

    OK

    НЕ СООТВ.

    OK

    ПЕРЕЙДИТЕ К СЛЕДУЮЩЕЙ ПРЕДПОЛАГАЕМОЙ ЗОНЕ, УКАЗАННОЙ В ТАБЛИЦЕ ПРИЗНАКОВ НЕИСПРАВНОСТЕЙ

    Нажмите здесьClick here

    НЕ СООТВ.
  2. ПРОВЕРЬТЕ ПЕРЕКЛЮЧАТЕЛЬ СТЕКЛООЧИСТИТЕЛЯ ВЕТРОВОГО СТЕКЛА В СБОРЕ

    1. Снимите переключатель стеклоочистителя ветрового стекла в сборе.

      Нажмите здесьClick here

    2. Проверьте выключатель стеклоочистителя ветрового стекла в сборе.

      Нажмите здесьClick here

    Результат

    Перейти к

    OK

    НЕ СООТВ.

    НЕ СООТВ.

    ЗАМЕНИТЕ ВЫКЛЮЧАТЕЛЬ СТЕКЛООЧИСТИТЕЛЯ ВЕТРОВОГО СТЕКЛА В СБОРЕ

    Нажмите здесьClick here

    СООТВ
  3. ОСМОТРИТЕ КОРПУС ПЕРЕКЛЮЧАТЕЛЯ НА РУЛЕВОМ КОЛЕСЕ

    1. Снимите корпус переключателя на рулевом колесе.

      Нажмите здесьClick here

    2. Осмотрите корпус переключателя на рулевом колесе.

      Нажмите здесьClick here

    Результат

    Перейти к

    OK

    НЕ СООТВ.

    OK

    ЗАМЕНИТЕ ДАТЧИК ПОЛОЖЕНИЯ РУЛЕВОГО КОЛЕСА

    Нажмите здесьClick here

    НЕ СООТВ.

    ЗАМЕНИТЕ КОРПУС ПЕРЕКЛЮЧАТЕЛЯ НА РУЛЕВОМ КОЛЕСЕ

    Нажмите здесьClick here