СИСТЕМА ПОСАДКИ И ЗАПУСКА (для моделей с функцией посадки) СХЕМА СИСТЕМЫ

  1. Для моделей с левосторонним рулевым управлением

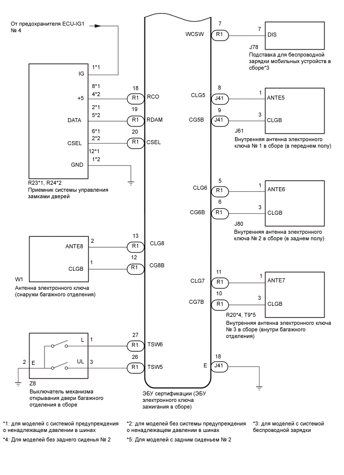
    • Подробная схема, относящаяся к ЭБУ сертификации (ЭБУ электронного ключа зажигания).

      B416849E22
      B416838E08
      B504964E05
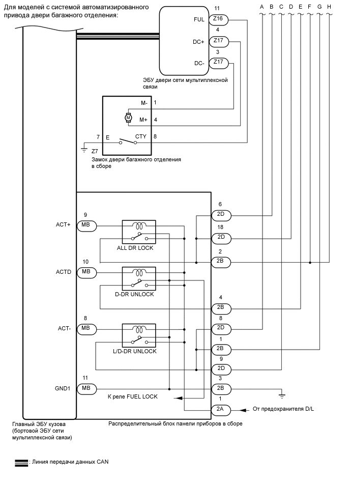
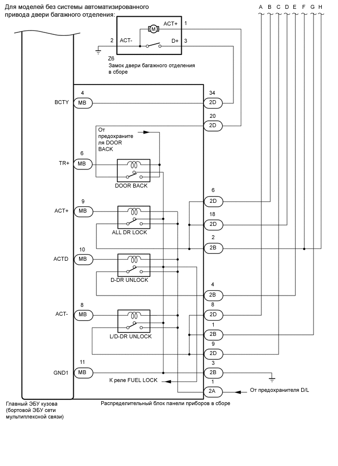
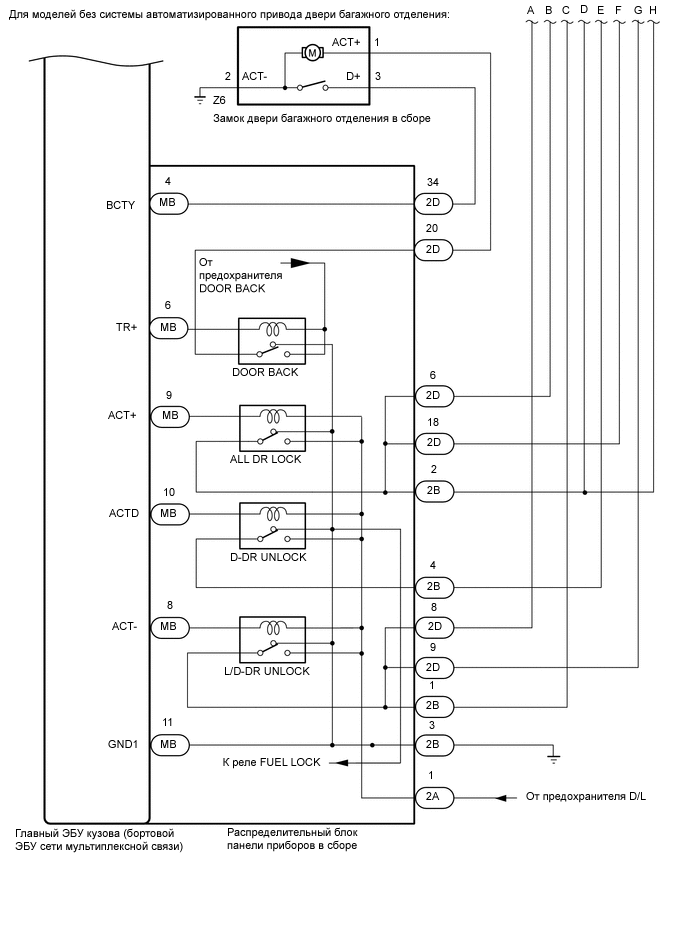
    • Ниже приведена подробная схема, связанная с главным ЭБУ кузова (бортовым ЭБУ сети мультиплексной связи).

      B423540E08
      B417867E15
      B440767E02
      B440768E02
  2. Для моделей с правосторонним рулевым управлением

    • Подробная схема, относящаяся к ЭБУ сертификации (ЭБУ электронного ключа зажигания).

      B416849E23
      B416838E07
      B504964E06
    • Ниже приведена подробная схема, связанная с главным ЭБУ кузова (бортовым ЭБУ сети мультиплексной связи).

      B423540E09
      B417867E14
      B417840E15
      B417909E15

Устройство

Назначение

Наружная ручка передней двери

Получает сигналы запроса от ЭБУ сертификации (ЭБУ электронного ключа зажигания в сборе) через встроенную антенну электронного ключа (на передней двери) и формирует область обнаружения снаружи автомобиля.

Регистрирует касание наружной ручки передней двери в сборе, используя встроенный сенсорный датчик (датчик блокировки / датчик разблокировки), и передает соответствующие сигналы в ЭБУ сертификации (ЭБУ электронного ключа зажигания в сборе).

Наружная ручка задней двери в сборе

Получает сигналы запроса от ЭБУ сертификации (ЭБУ электронного ключа зажигания в сборе) через встроенную антенну электронного ключа (на задней двери) и формирует область обнаружения снаружи автомобиля.

Регистрирует касание наружной ручки задней двери в сборе, используя встроенный сенсорный датчик (датчик блокировки / датчик разблокировки), и передает соответствующие сигналы в ЭБУ сертификации (ЭБУ электронного ключа зажигания в сборе).

Внутренняя антенна электронного ключа № 1 в сборе (в переднем полу)

Внутренняя антенна электронного ключа № 2 в сборе (в заднем полу)

Внутренняя антенну электронного ключа № 3 в сборе (внутри багажного отделения)

Получает код запроса от ЭБУ сертификации (ЭБУ электронного ключа зажигания в сборе) и формирует область обнаружения в салоне.

Антенна электронного ключа (снаружи багажного отделения)

Получает код запроса от ЭБУ сертификации (ЭБУ электронного ключа зажигания в сборе) и формирует область обнаружения снаружи багажного отделения.

Выключатель механизма открывания двери багажного отделения в сборе

Передает сигнал состояния выключателя в ЭБУ сертификации (ЭБУ электронного ключа зажигания).

Приемник системы блокировки дверей

Получает код системы посадки и запуска / код системы дистанционного управления, передаваемый передатчиком электронного ключа в сборе, и направляет его в ЭБУ сертификации (ЭБУ электронного ключа зажигания в сборе).

Зуммер системы дистанционной блокировки дверей

Издает звуковой сигнал во время работы функций выдачи предупреждений под управлением ЭБУ сертификации (ЭБУ электронного ключа зажигания).

Передатчик электронного ключа в сборе

Передает идентификационный код при получении сигнала запроса.

ЭБУ сертификацией (ЭБУ электронным ключом зажигания в сборе)

Передает коды запроса в каждую антенну электронного ключа.

Распознает и проверяет идентификационный код от передатчика электронного ключа, и передает сигналы во все ЭБУ в соответствии с выполняемыми функциями (управляет системой в целом).

Осуществляет обмен кодами шифрования с блоком идентификационного кода (ЭБУ кода иммобилайзера) при выполнении операций в системе зажигания.