WIPER AND WASHER SYSTEM(w/ Rain Sensor) SYSTEM DIAGRAM

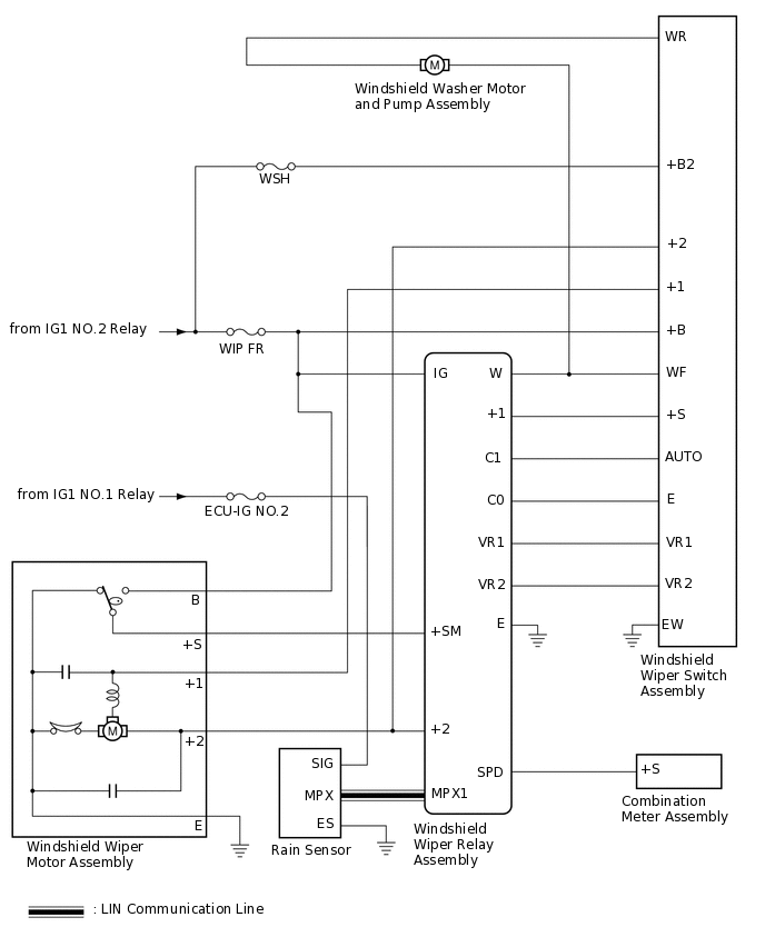
  1. FRONT WIPER AND WASHER SYSTEM

    E270567E02
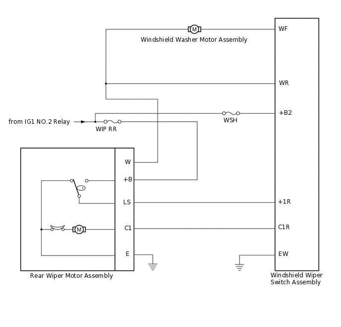
  2. REAR WIPER AND WASHER SYSTEM

    E270587E02
  3. HEADLIGHT CLEANER SYSTEM (w/ Headlight Cleaner System)

    E270588E02
  4. WASHER FLUID WARNING SYSTEM (w/ Wahser Fluid Warning System)

    E163839E05
  5. Washer Nozzle Heater System (w/ Washer Nozzle Heater)

    B435510E02