РАДИАТОР ПРОВЕРКА БЕЗ СНЯТИЯ С АВТОМОБИЛЯ

ПОРЯДОК ВЫПОЛНЕНИЯ

  1. ПРОВЕРЬТЕ КРЫШКУ РАСШИРИТЕЛЬНОГО БАЧКА (для промежуточного охладителя)

    A345227
    CAUTION:

    Не снимайте крышку расширительного бачка (для промежуточного охладителя), пока двигатель и радиатор не остынут. Выброс горячей охлаждающей жидкости и пара под давлением может стать причиной серьезных ожогов.

    1. Измерьте давление открывания клапана.

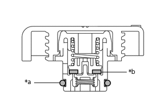
      1. A287226C07

        *a

        Кольцевое уплотнение

        *b

        Резиновое уплотнение

        Если на кольцевом уплотнении заметны пятна от воды или посторонние частицы, очистите их вручную с помощью воды.

        Note:

        Выполняйте эту операцию исключительно вручную, чтобы не повредить кольцевое уплотнение.

      2. Убедитесь, что кольцевое уплотнение не деформировано, не имеет трещин и не набухло.

      3. Прежде чем использовать приспособление для опрессовки системы охлаждения и проверки пробки радиатора, нанесите охлаждающую жидкость двигателя на кольцевое уплотнение и резиновую прокладку.

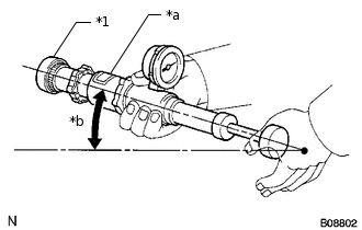
      4. B008802C14

        *1

        Крышка расширительного бачка (для промежуточного охладителя)

        *a

        Комплект переходников B приспособления для опрессовки системы охлаждения и проверки пробки

        *b

        30° или более

        При использовании приспособления для опрессовки системы охлаждения и проверки пробки радиатора наклоните его под углом более 30°.

      5. Несколько раз накачайте воздух в приспособление для опрессовки системы охлаждения и проверки пробки радиатора и проверьте максимальное давление*.

        Скорость накачки

        1 движение в секунду

        *: Даже если крышка расширительного бачка (для промежуточного охладителя) не поддерживает максимальное давление, это не является неисправностью.

        Результат

        Параметр / Устройство

        Номинальное сопротивление

        Номинальное давление

        (для новой крышки расширительного бачка (промежуточного охладителя воздуха))

        93 - 123 кПа (0,9 - 1,3 кгс/см2, 13,5-18 фунтов на кв. дюйм)

        Минимальное давление

        (для бывшей в употреблении крышки расширительного бачка (промежуточного охладителя воздуха))

        79 кПа (0,8 кгс/см2, 11,5фунтовна кв. дюйм)

        Если максимальное давление ниже минимальной номинальной величины, замените крышку расширительного бачка (для промежуточного охладителя воздуха).