OCCUPANT CLASSIFICATION SYSTEM, Diagnostic DTC:B1793

DTC Code DTC Name
B1793 Occupant Classification Sensor Power Supply Circuit Malfunction

DESCRIPTION

The occupant classification sensor power supply circuit consists of the occupant detection ECU, front and rear occupant classification sensor LH.

DTC B1793 is stored when a malfunction is detected in the occupant classification sensor power supply circuit.

DTC No.

Detection Item

DTC Detection Condition

Trouble Area

B1793

Occupant Classification Sensor Power Supply Circuit Malfunction

  • One of the following conditions is met:

  • Occupant detection ECU detects a line short circuit signal, open circuit signal, short circuit to ground signal or short circuit to +B signal in the occupant classification sensor power supply circuit for 2 seconds.

  • Open circuit in the occupant classification sensor wire harness.

  • Occupant detection ECU malfunction.

  • Separate type front seat cushion spring assembly (Front and rear occupant classification sensor LH)

  • Front seat wire RH

  • Occupant detection ECU

Tip:
  • When DTC B1650/32 is stored as a result of troubleshooting the airbag system, perform troubleshooting for DTC B1793 of the occupant classification system.

  • Use the GTS to check for DTCs of the occupant detection ECU, otherwise the DTCs cannot be read.

WIRING DIAGRAM

C239233E18

CAUTION / NOTICE / HINT

Note:

When disconnecting the cable, some systems need to be initialized after the cable is reconnected

Click hereClick hereClick here

Tip:
  • If troubleshooting (wire harness inspection) is difficult to perform, remove the front seat RH installation bolts to see the undersurface of the seat cushion.

  • In the above case, hold the seat so that it does not fall down. Holding the seat for a long period of time may cause problems, such as seat rail deformation. Hold the seat up only for as long as necessary.

PROCEDURE

  1. CHECK DTC

    1. Turn the power switch to on (IG), and wait for at least 60 seconds.

    2. Clear the DTCs.

      Click here

      Body Electrical > Occupant Detection > Clear DTCs

      Tip:
      • First clear the DTCs stored in the occupant detection ECU, and then clear the DTCs stored in the airbag sensor assembly.

      • Use the GTS to clear the DTCs of the occupant detection ECU, otherwise the DTCs cannot be cleared.

    3. Turn the power switch off.

    4. Turn the power switch to on (IG), and wait for at least 60 seconds.

    5. Check for DTCs.

      Click here

      Body Electrical > Occupant Detection > Trouble Codes

      Result

      Proceed to

      DTC B1793 is not output

      DTC B1793 is output

      Tip:

      DTCs other than DTC B1793 may be output at this time, but they are not related to this check.

    DTC B1793 is not output

    USE SIMULATION METHOD TO CHECK

    DTC B1793 is output
  2. CHECK CONNECTION OF CONNECTORS

    1. Turn the power switch off.

    2. Disconnect the cable from the negative (-) auxiliary battery terminal, and wait for at least 90 seconds.

    3. Check that the connectors are properly connected to the occupant detection ECU, front and rear occupant classification sensor LH.

    Result

    Proceed to

    Connectors are properly connected

    Connectors are not properly connected

    Connectors are not properly connected

    CONNECT CONNECTORS

    Connectors are properly connected
  3. CHECK CONNECTORS

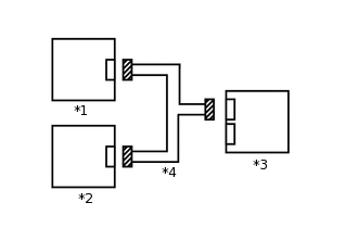
    1. C256408C02

      *1

      Front Occupant Classification Sensor LH

      *2

      Rear Occupant Classification Sensor LH

      *3

      Occupant Detection ECU

      *4

      Front Seat Wire RH

      Disconnect the connectors from the occupant detection ECU, front and rear occupant classification sensor LH.

    2. Check that the connectors (on the occupant detection ECU side, front and rear occupant classification sensor LH side) are not damaged.

    Result

    Proceed to

    Connectors are not deformed or damaged

    Connectors are deformed or damaged

    Connectors are deformed or damaged

    REPLACE FRONT SEAT WIRE RH

    Connectors are not deformed or damaged
  4. CHECK FRONT SEAT WIRE RH

    1. Connect the cable to the negative (-) auxiliary battery terminal, and wait for at least 2 seconds.

      C256409C12

      *1

      Front Seat Wire RH

      *2

      Front Occupant Classification Sensor LH

      *3

      Rear Occupant Classification Sensor LH

      *4

      Occupant Detection ECU

      *5

      Connector B

      *6

      Connector C

      *7

      Connector E

      -

      -

      *a

      Front view of wire harness connector

      (to Occupant Detection ECU)

      *b

      Front view of wire harness connector

      (to Front Occupant Classification Sensor LH)

      *c

      Front view of wire harness connector

      (to Rear Occupant Classification Sensor LH)

      -

      -

    2. Turn the power switch to on (IG).

    3. Measure the voltage according to the value(s) in the table below.

      Standard Voltage

      Tester Connection

      Switch Condition

      Specified Condition

      d15-1 (SVC1) - Body ground

      Power switch on (IG)

      Below 1 V

      d15-2 (SVC3) - Body ground

    4. Turn the power switch off.

    5. Disconnect the cable from the negative (-) auxiliary battery terminal, and wait for at least 90 seconds.

    6. Measure the resistance according to the value(s) in the table below.

      Standard Resistance

      Tester Connection

      Condition

      Specified Condition

      d15-1 (SVC1) - d26-1 (SVC)

      Always

      Below 1 Ω

      d15-2 (SVC3) - d8-1 (SVC)

      d15-1 (SVC1) - d15-2 (SVC3)

      1 MΩ or higher

      d15-1 (SVC1) - Body ground

      d15-2 (SVC3) - Body ground

    Result

    Proceed to

    OK

    NG

    NG

    REPLACE FRONT SEAT WIRE RH

    OK
  5. CHECK DTC

    1. Connect the connectors to occupant detection ECU, front and rear occupant classification sensor LH.

    2. Connect the cable to the negative (-) auxiliary battery terminal, and wait for at least 2 seconds.

    3. Turn the power switch to on (IG), and wait for at least 60 seconds.

    4. Clear the DTCs.

      Click here

      Body Electrical > Occupant Detection > Clear DTCs

      Tip:
      • First clear the DTCs stored in the occupant detection ECU, and then clear the DTCs stored in the airbag sensor assembly.

      • Use the GTS to clear the DTCs of the occupant detection ECU, otherwise the DTCs cannot be cleared.

    5. Turn the power switch off.

    6. Turn the power switch to on (IG), and wait for at least 60 seconds.

    7. Check for DTCs.

      Click here

      Body Electrical > Occupant Detection > Trouble Codes

      Result

      Proceed to

      DTC B1793 is not output

      DTC B1793 is output

      Tip:

      DTCs other than DTC B1793 may be output at this time, but they are not related to this check.

    DTC B1793 is not output

    USE SIMULATION METHOD TO CHECK

    DTC B1793 is output
  6. REPLACE OCCUPANT DETECTION ECU

    1. Turn the power switch off.

    2. Disconnect the cable from the negative (-) auxiliary battery terminal, and wait for at least 90 seconds.

    3. Replace the occupant detection ECU.

      Click here

      Tip:

      Perform the inspection using parts from a normal vehicle when possible.

    Result

    Proceed to

    NEXT

    NEXT
  7. PERFORM ZERO POINT CALIBRATION

    1. Connect the cable to the negative (-) auxiliary battery terminal, and wait for at least 2 seconds.

    2. Turn the power switch to on (IG).

    3. Perform the zero point calibration.

      Click here

    Result

    Proceed to

    "Zero Point Calibration is complete." is displayed

    "Zero Point Calibration is complete." is not displayed

    "Zero Point Calibration is complete." is not displayed

    REPLACE SEPARATE TYPE FRONT SEAT CUSHION SPRING ASSEMBLY (OCCUPANT CLASSIFICATION SENSOR LH)Click here

    "Zero Point Calibration is complete." is displayed
  8. PERFORM SENSITIVITY CHECK

    1. Perform the sensitivity check.

      Click here

      Standard

      27 to 33 kg (59.5 to 72.8 lb)

    Result

    Proceed to

    OK

    NG

    NG

    REPLACE SEPARATE TYPE FRONT SEAT CUSHION SPRING ASSEMBLY (OCCUPANT CLASSIFICATION SENSOR LH)Click here

    OK
  9. CHECK DTC

    1. Clear the DTCs.

      Click here

      Body Electrical > Occupant Detection > Clear DTCs

      Tip:
      • First clear the DTCs stored in the occupant detection ECU, and then clear the DTCs stored in the airbag sensor assembly.

      • Use the GTS to clear the DTCs of the occupant detection ECU, otherwise the DTCs cannot be cleared.

    2. Turn the power switch off.

    3. Turn the power switch to on (IG), and wait for at least 60 seconds.

    4. Check for DTCs.

      Click here

      Body Electrical > Occupant Detection > Trouble Codes

      Result

      Proceed to

      DTC B1793 is not output

      DTC B1793 is output

      Tip:

      DTCs other than DTC B1793 may be output at this time, but they are not related to this check.

    DTC B1793 is not output

    END (OCCUPANT DETECTION ECU WAS DEFECTIVE)

    DTC B1793 is output

    REPLACE SEPARATE TYPE FRONT SEAT CUSHION SPRING ASSEMBLY (OCCUPANT CLASSIFICATION SENSOR LH)Click here

  10. REPLACE SEPARATE TYPE FRONT SEAT CUSHION SPRING ASSEMBLY (OCCUPANT CLASSIFICATION SENSOR LH)

    1. Turn the power switch off.

    2. Disconnect the cable from the negative (-) auxiliary battery terminal, and wait for at least 90 seconds.

    3. Replace the separate type front seat cushion spring assembly.

      Click hereClick here

    Tip:

    Perform the inspection using parts from a normal vehicle when possible.

    Result

    Proceed to

    NEXT

    NEXT
  11. PERFORM ZERO POINT CALIBRATION

    1. Connect the cable to the negative (-) auxiliary battery terminal, and wait for at least 2 seconds.

    2. Turn the power switch to on (IG).

    3. Perform the zero point calibration.

      Click here

    Result

    Proceed to

    "Zero Point Calibration is complete." is displayed

    "Zero Point Calibration is complete." is displayed
  12. PERFORM SENSITIVITY CHECK

    1. Perform the sensitivity check.

      Click here

      Standard

      27 to 33 kg (59.5 to 72.8 lb)

    Result

    Proceed to

    NEXT

    NEXT

    END (SEPARATE TYPE FRONT SEAT CUSHION SPRING ASSEMBLY [OCCUPANT CLASSIFICATION SENSOR LH] WAS DEFECTIVE)